BOSCH Gummiring | Ersatzteile für GR./SIZE 106 | 1600206015

Artikelnummer: EB-0601331139-1600206015

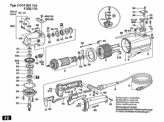
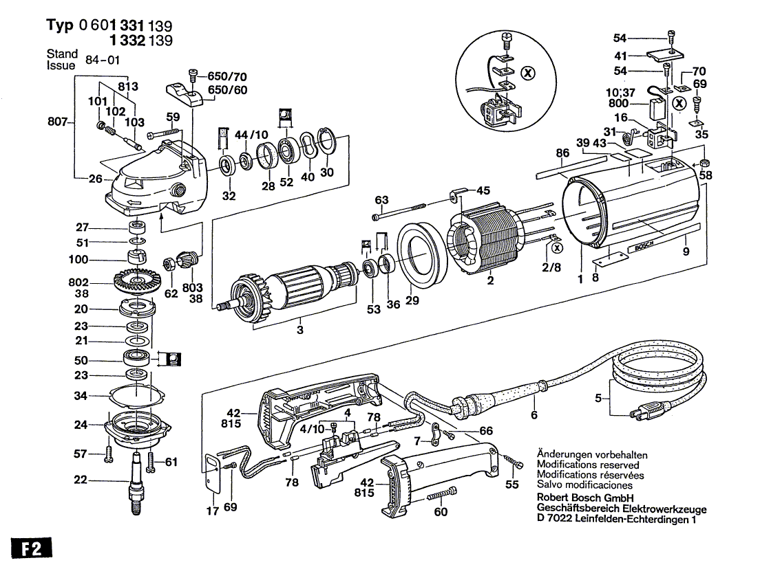
Position: 36

Marke: BOSCH


Bitte Kompatibilität prüfen!

Bitte prüfen Sie unbedingt die 10-stellige Typennummer Ihrer Maschine / Ihres Gerätes. Das Ersatzteil ist nur kompatibel, wenn Sie die Typennummer Ihrer Maschine in der unten stehenden Produktbeschreibung finden.

Bitte prüfen Sie ebenfalls detailliert die Explosionszeichnung mit Ihrem Artikelwunsch und der jeweiligen Pos-Nummer.

Alle Elemente, welche vom schwarzen Strich der Pos-Nummer ausgehend berührt / erfasst werden, gehören zu dieser Pos-Nummer und somit zu diesem Artikel. Jede Pos-Nummer ist ein eigenständiger Artikel, welchen Sie in der Auflistung finden.

Sie erhalten stets die aktuellste, neueste Produktversion zu der gewählten Pos-Nummer seitens des Herstellers. Es kann daher je nach Gerätealter vorkommen, dass Sie ggf. weitere, zugehörige Elemente, welche an diese Pos-Nummer grenzen, ebenfalls mittauschen müssen.

Nähere Informationen finden Sie unter dem Link
Hinweise zu Ihrer BOSCH Ersatzteilsuche

Preisübersicht

Einzelpreis: 4,32 €* (Brutto: 5,14 €)
Gesamtpreis: 4,32 €* 
Position:

Lieferzeit: 5 Werktage


Beschreibung

  • Gummiring
  • Original Bosch Zubehör / BOSCH Ersatzteil (1600206015)
  • im Gerät verbaut: 1
Dieses BOSCH Ersatzteil ist mit folgendem Gerät und Modell kompatibel:
  • BOSCH Gerätename: GR./SIZE 106
  • BOSCH Explosionszeichnung: Position 36
  • BOSCH Typennummer: 0601331139
  • BOSCH Typennummer alternative Schreibweisen: 0 601 331 139, 0601 331 139, 0.601.331.139, 0-601-331-139
    Bitte prüfen Sie diese Typennummer auf Ihrem Gerät um die Kompatibilität des BOSCH Ersatzteils zu gewährleisten.
Weitere BOSCH Ersatzteile des Gerätes GR./SIZE 106 (Winkelschleifer) mit der Typennummer 0601331139 finden Sie in der nachfolgenden Darstellung und im Dropdown zu Ihrer Auswahl:

Pos.
1
BOSCH Motorgehäuse BLAU | Ersatzteile für GR./SIZE 106 | 1605108124
Hersteller: BOSCH
Artikelnummer: EB-0601331139-1605108124
nur Informationsartikel
Nie mehr lieferbar
keine Alternativen
Pos.
2/8
BOSCH Kabelschuh 1,5-4x4 | Ersatzteile für GR./SIZE 106 | 1901350003
Hersteller: BOSCH
Artikelnummer: EB-0601331139-1901350003
Netto: 3,63 € zzgl. MwSt.
zzgl. 6,90 € Versand (brutto)
einmalig pro Bestellung

Lieferzeit: 5 Werktage

Pos.
44/10
BOSCH Planscheibe | Ersatzteile für GR./SIZE 106 | 1600120070
Hersteller: BOSCH
Artikelnummer: EB-0601331139-1600120070
nur Informationsartikel
Nie mehr lieferbar
keine Alternativen
Pos.
BOSCH Zusatzhandgriff | Ersatzteile für 601331139 | 16020250A1
Hersteller: BOSCH
Artikelnummer:
Netto: 12,98 € zzgl. MwSt.
zzgl. 6,90 € Versand (brutto)
einmalig pro Bestellung

Lieferzeit: 5 Werktage

Pos.
650/10
BOSCH Zusatzhandgriff M14 SCHWARZ | Ersatzteile für GR./SIZE 106 | 1602025022
Hersteller: BOSCH
Artikelnummer: EB-0601331139-1602025022
Netto: 11,41 € zzgl. MwSt.
zzgl. 6,90 € Versand (brutto)
einmalig pro Bestellung

Lieferzeit: 5 Werktage

Pos.
650/10
BOSCH Zusatzhandgriff M14, Ø37x115 MM SCHWARZ | Ersatzteile für GR./SIZE 106 | 1602025030
Hersteller: BOSCH
Artikelnummer: EB-0601331139-1602025030
Netto: 14,92 € zzgl. MwSt.
zzgl. 6,90 € Versand (brutto)
einmalig pro Bestellung

Lieferzeit: 5 Werktage

Pos.
650/60
BOSCH Ablageleiste | Ersatzteile für GR./SIZE 106 | 1608039008
Hersteller: BOSCH
Artikelnummer: EB-0601331139-1608039008
nur Informationsartikel
Nie mehr lieferbar
keine Alternativen
Pos.
650/70
BOSCH Zylinderschraube DIN 84-AM6x15-8.8 | Ersatzteile für GR./SIZE 106 | 2910021196
Hersteller: BOSCH
Artikelnummer: EB-0601331139-2910021196
nur Informationsartikel
Nie mehr lieferbar
keine Alternativen
Pos.
702/20
BOSCH Verbindungsstutzen Ø32,3xØ34,9x75 MM | Ersatzteile für GR./SIZE 106 | 1600309009
Hersteller: BOSCH
Artikelnummer: EB-0601331139-1600309009
nur Informationsartikel
Nie mehr lieferbar
keine Alternativen
Pos.
702/30
BOSCH Flügelmutter DIN 315-M8-GT-C | Ersatzteile für GR./SIZE 106 | 2915191007
Hersteller: BOSCH
Artikelnummer: EB-0601331139-2915191007
Netto: 5,19 € zzgl. MwSt.
zzgl. 6,90 € Versand (brutto)
einmalig pro Bestellung

Lieferzeit: 5 Werktage

Pos.
702/40
BOSCH Unterlegscheibe DIN 125-A 8,4-ST | Ersatzteile für GR./SIZE 106 | 2916011016
Hersteller: BOSCH
Artikelnummer: EB-0601331139-2916011016
nur Informationsartikel
Nie mehr lieferbar
keine Alternativen
Pos.
702/50
BOSCH Innensechskantschraube DIN 912-M8x18-8.8 | Ersatzteile für GR./SIZE 106 | 2910141240
Hersteller: BOSCH
Artikelnummer: EB-0601331139-2910141240
nur Informationsartikel
Nie mehr lieferbar
keine Alternativen
Pos.
703/11
BOSCH Sechskantschraube M14x16x1,5 MM | Ersatzteile für GR./SIZE 106 | 2603450007
Hersteller: BOSCH
Artikelnummer: EB-0601331139-2603450007
Netto: 6,70 € zzgl. MwSt.
zzgl. 6,90 € Versand (brutto)
einmalig pro Bestellung

Lieferzeit: 5 Werktage

Pos.
2
BOSCH Polschuh 115V | Ersatzteile für GR./SIZE 106 | 1604220247
Hersteller: BOSCH
Artikelnummer: EB-0601331139-1604220247
nur Informationsartikel
Nie mehr lieferbar
keine Alternativen
Pos.
3
BOSCH Anker 100-115V | Ersatzteile für GR./SIZE 106 | 1604012046
Hersteller: BOSCH
Artikelnummer: EB-0601331139-1604012046
nur Informationsartikel
Nie mehr lieferbar
keine Alternativen
Pos.
4
BOSCH Schalter | Ersatzteile für GR./SIZE 106 | 1607200064
Hersteller: BOSCH
Artikelnummer: EB-0601331139-1607200064
Netto: 35,77 € zzgl. MwSt.
zzgl. 6,90 € Versand (brutto)
einmalig pro Bestellung

Lieferzeit: 5 Werktage

Pos.
5
BOSCH Netzanschlussleitung USA/CDN 2,15m 2 x 2,08mm SJ 14/2 | Ersatzteile für GR./SIZE 106 | 1604460092
Hersteller: BOSCH
Artikelnummer: EB-0601331139-1604460092
Netto: 15,75 € zzgl. MwSt.
zzgl. 6,90 € Versand (brutto)
einmalig pro Bestellung

Lieferzeit: 5 Werktage

Pos.
6
BOSCH Tülle Ø9,2-Ø12x120 MM | Ersatzteile für GR./SIZE 106 | 3600703011
Hersteller: BOSCH
Artikelnummer: EB-0601331139-3600703011
Netto: 4,82 € zzgl. MwSt.
zzgl. 6,90 € Versand (brutto)
einmalig pro Bestellung

Lieferzeit: 5 Werktage

Pos.
7
BOSCH Befestigungsschelle | Ersatzteile für GR./SIZE 106 | 1601302014
Hersteller: BOSCH
Artikelnummer: EB-0601331139-1601302014
Netto: 3,94 € zzgl. MwSt.
zzgl. 6,90 € Versand (brutto)
einmalig pro Bestellung

Lieferzeit: 5 Werktage

Pos.
8
BOSCH Typschild | Ersatzteile für GR./SIZE 106 | 160111A3H3
Hersteller: BOSCH
Artikelnummer: EB-0601331139-160111A3H3
Netto: 4,53 € zzgl. MwSt.
zzgl. 6,90 € Versand (brutto)
einmalig pro Bestellung

Lieferzeit: 5 Werktage

Pos.
9
BOSCH Firmenschild | Ersatzteile für GR./SIZE 106 | 1601110003
Hersteller: BOSCH
Artikelnummer: EB-0601331139-1601110003
nur Informationsartikel
Nie mehr lieferbar
keine Alternativen
Pos.
15
BOSCH Dichtung | Ersatzteile für 601331139 | 1600113002
Hersteller: BOSCH
Artikelnummer: EB-0601331139-1600113002
Netto: 3,94 € zzgl. MwSt.
zzgl. 6,90 € Versand (brutto)
einmalig pro Bestellung

Lieferzeit: 5 Werktage

Pos.
16
BOSCH Bürstenhalter | Ersatzteile für GR./SIZE 106 | 1604336008
Hersteller: BOSCH
Artikelnummer: EB-0601331139-1604336008
Netto: 17,38 € zzgl. MwSt.
zzgl. 6,90 € Versand (brutto)
einmalig pro Bestellung

Lieferzeit: 5 Werktage

Pos.
17
BOSCH Abdeckplatte | Ersatzteile für GR./SIZE 106 | 1601037006
Hersteller: BOSCH
Artikelnummer: EB-0601331139-1601037006
nur Informationsartikel
Nie mehr lieferbar
keine Alternativen
Pos.
20
BOSCH Lagerdeckel | Ersatzteile für GR./SIZE 106 | 1605808054
Hersteller: BOSCH
Artikelnummer: EB-0601331139-1605808054
nur Informationsartikel
Nie mehr lieferbar
keine Alternativen
Pos.
21
BOSCH Abdeckscheibe | Ersatzteile für GR./SIZE 106 | 1600102012
Hersteller: BOSCH
Artikelnummer: EB-0601331139-1600102012
nur Informationsartikel
Nie mehr lieferbar
keine Alternativen
Pos.
22
BOSCH Schleifspindel 5/8"-UNC-2A | Ersatzteile für GR./SIZE 106 | 1603523091
Hersteller: BOSCH
Artikelnummer: EB-0601331139-1603523091
nur Informationsartikel
Nie mehr lieferbar
keine Alternativen
Pos.
23
BOSCH Dichtscheibe | Ersatzteile für GR./SIZE 106 | 1600108055
Hersteller: BOSCH
Artikelnummer: EB-0601331139-1600108055
Netto: 3,63 € zzgl. MwSt.
zzgl. 6,90 € Versand (brutto)
einmalig pro Bestellung

Lieferzeit: 5 Werktage

Pos.
24
BOSCH Lagerflansch | Ersatzteile für GR./SIZE 106 | 1607000229
Hersteller: BOSCH
Artikelnummer: EB-0601331139-1607000229
nur Informationsartikel
Nie mehr lieferbar
keine Alternativen
Pos.
27
BOSCH Nadelhülse Ø22x11,3 MM | Ersatzteile für GR./SIZE 106 | 1600910010
Hersteller: BOSCH
Artikelnummer: EB-0601331139-1600910010
Netto: 39,11 € zzgl. MwSt.
zzgl. 6,90 € Versand (brutto)
einmalig pro Bestellung

Lieferzeit: 5 Werktage

Pos.
28
BOSCH Haltering | Ersatzteile für GR./SIZE 106 | 1600206019
Hersteller: BOSCH
Artikelnummer: EB-0601331139-1600206019
nur Informationsartikel
Nie mehr lieferbar
keine Alternativen
Pos.
29
BOSCH Leitscheibe | Ersatzteile für GR./SIZE 106 | 1600502013
Hersteller: BOSCH
Artikelnummer: EB-0601331139-1600502013
nur Informationsartikel
Nie mehr lieferbar
keine Alternativen
Pos.
30
BOSCH Sicherungsring | Ersatzteile für GR./SIZE 106 | 1600119004
Hersteller: BOSCH
Artikelnummer: EB-0601331139-1600119004
Netto: 4,82 € zzgl. MwSt.
zzgl. 6,90 € Versand (brutto)
einmalig pro Bestellung

Lieferzeit: 5 Werktage

Pos.
31
BOSCH Spiralfeder | Ersatzteile für GR./SIZE 106 | 1604652015
Hersteller: BOSCH
Artikelnummer: EB-0601331139-1604652015
Netto: 4,82 € zzgl. MwSt.
zzgl. 6,90 € Versand (brutto)
einmalig pro Bestellung

Lieferzeit: 5 Werktage

Pos.
32
BOSCH Radial-Wellendichtring WEISS | Ersatzteile für GR./SIZE 106 | 1600290008
Hersteller: BOSCH
Artikelnummer: EB-0601331139-1600290008
Netto: 4,53 € zzgl. MwSt.
zzgl. 6,90 € Versand (brutto)
einmalig pro Bestellung

Lieferzeit: 5 Werktage

Pos.
34
BOSCH Ausgleichscheibe 0,1 MM DICK | Ersatzteile für GR./SIZE 106 | 1600190004
Hersteller: BOSCH
Artikelnummer: EB-0601331139-1600190004
nur Informationsartikel
Nie mehr lieferbar
keine Alternativen
Pos.
34
BOSCH Ausgleichscheibe 0,2 MM DICK | Ersatzteile für GR./SIZE 106 | 1600190005
Hersteller: BOSCH
Artikelnummer: EB-0601331139-1600190005
nur Informationsartikel
Nie mehr lieferbar
keine Alternativen
Pos.
35
BOSCH Sicherungsblech | Ersatzteile für GR./SIZE 106 | 1601030022
Hersteller: BOSCH
Artikelnummer: EB-0601331139-1601030022
Netto: 3,94 € zzgl. MwSt.
zzgl. 6,90 € Versand (brutto)
einmalig pro Bestellung

Lieferzeit: 5 Werktage

Pos.
36
BOSCH Gummiring | Ersatzteile für GR./SIZE 106 | 1600206015
Hersteller: BOSCH
Artikelnummer: EB-0601331139-1600206015
Netto: 4,32 € zzgl. MwSt.
zzgl. 6,90 € Versand (brutto)
einmalig pro Bestellung

Lieferzeit: 5 Werktage

Pos.
39
BOSCH Hinweisschild ACHTUNG | Ersatzteile für GR./SIZE 106 | 1601110358
Hersteller: BOSCH
Artikelnummer: EB-0601331139-1601110358
nur Informationsartikel
Nie mehr lieferbar
keine Alternativen
Pos.
40
BOSCH Federscheibe Ø32,3xØ43,5x0,6 MM | Ersatzteile für GR./SIZE 106 | 1600150009
Hersteller: BOSCH
Artikelnummer: EB-0601331139-1600150009
Netto: 4,82 € zzgl. MwSt.
zzgl. 6,90 € Versand (brutto)
einmalig pro Bestellung

Lieferzeit: 5 Werktage

Pos.
41
BOSCH Verschlussdeckel BLAU | Ersatzteile für GR./SIZE 106 | 1605500089
Hersteller: BOSCH
Artikelnummer: EB-0601331139-1605500089
nur Informationsartikel
Nie mehr lieferbar
keine Alternativen
Pos.
43
BOSCH Hinweisschild DOPPELT ISOLIERT | Ersatzteile für GR./SIZE 106 | 1601110058
Hersteller: BOSCH
Artikelnummer: EB-0601331139-1601110058
Netto: 3,94 € zzgl. MwSt.
zzgl. 6,90 € Versand (brutto)
einmalig pro Bestellung

Lieferzeit: 5 Werktage

Pos.
45
BOSCH Haltewinkel | Ersatzteile für GR./SIZE 106 | 1601331032
Hersteller: BOSCH
Artikelnummer: EB-0601331139-1601331032
nur Informationsartikel
Nie mehr lieferbar
keine Alternativen
Pos.
50
BOSCH Rillenkugellager 6203-2 Z DIN 625 | Ersatzteile für GR./SIZE 106 | 1900905227
Hersteller: BOSCH
Artikelnummer: EB-0601331139-1900905227
nur Informationsartikel
Nie mehr lieferbar
keine Alternativen
Pos.
51
BOSCH Sprengring Ø22 MM | Ersatzteile für GR./SIZE 106 | 2916620011
Hersteller: BOSCH
Artikelnummer: EB-0601331139-2916620011
Netto: 3,94 € zzgl. MwSt.
zzgl. 6,90 € Versand (brutto)
einmalig pro Bestellung

Lieferzeit: 5 Werktage

Pos.
52
BOSCH Rillenkugellager 6203-TH/C3 DIN 625 | Ersatzteile für GR./SIZE 106 | 1900900413
Hersteller: BOSCH
Artikelnummer: EB-0601331139-1900900413
nur Informationsartikel
Nie mehr lieferbar
keine Alternativen
Pos.
53
BOSCH Rillenkugellager | Ersatzteile für GR./SIZE 106 | 1600900029
Hersteller: BOSCH
Artikelnummer: EB-0601331139-1600900029
nur Informationsartikel
Nie mehr lieferbar
keine Alternativen
Pos.
53
BOSCH Rillenkugellager 10x26x8 | Ersatzteile für GR./SIZE 106 | 1900900407
Hersteller: BOSCH
Artikelnummer: EB-0601331139-1900900407
nur Informationsartikel
Nie mehr lieferbar
keine Alternativen
Pos.
54
BOSCH Zylinderschraube DIN 84-AM4x8-8.8 | Ersatzteile für GR./SIZE 106 | 2910021118
Hersteller: BOSCH
Artikelnummer: EB-0601331139-2910021118
Netto: 3,63 € zzgl. MwSt.
zzgl. 6,90 € Versand (brutto)
einmalig pro Bestellung

Lieferzeit: 5 Werktage

Pos.
55
BOSCH Blechschraube DIN 7971-ST3,9x22-F | Ersatzteile für GR./SIZE 106 | 2910211021
Hersteller: BOSCH
Artikelnummer: EB-0601331139-2910211021
Netto: 3,94 € zzgl. MwSt.
zzgl. 6,90 € Versand (brutto)
einmalig pro Bestellung

Lieferzeit: 5 Werktage

Pos.
57
BOSCH Zylinderschraube DIN 84-AM5x15-5.8 | Ersatzteile für GR./SIZE 106 | 2910011157
Hersteller: BOSCH
Artikelnummer: EB-0601331139-2910011157
nur Informationsartikel
Nie mehr lieferbar
keine Alternativen
Pos.
58
BOSCH Sechskantmutter DIN 934 -M4-m-8 | Ersatzteile für GR./SIZE 106 | 2915011005
Hersteller: BOSCH
Artikelnummer: EB-0601331139-2915011005
Netto: 3,63 € zzgl. MwSt.
zzgl. 6,90 € Versand (brutto)
einmalig pro Bestellung

Lieferzeit: 5 Werktage

Pos.
59
BOSCH Schraube B 4,8x45 MM | Ersatzteile für GR./SIZE 106 | 3603415560
Hersteller: BOSCH
Artikelnummer: EB-0601331139-3603415560
Netto: 3,63 € zzgl. MwSt.
zzgl. 6,90 € Versand (brutto)
einmalig pro Bestellung

Lieferzeit: 5 Werktage

Pos.
60
BOSCH Blechschraube DIN 7971-ST4,8x25-F | Ersatzteile für GR./SIZE 106 | 2910211036
Hersteller: BOSCH
Artikelnummer: EB-0601331139-2910211036
Netto: 3,63 € zzgl. MwSt.
zzgl. 6,90 € Versand (brutto)
einmalig pro Bestellung

Lieferzeit: 5 Werktage

Pos.
61
BOSCH Zylinderschraube DIN 84-AM5x20-5.8 | Ersatzteile für GR./SIZE 106 | 2910011162
Hersteller: BOSCH
Artikelnummer: EB-0601331139-2910011162
Netto: 3,63 € zzgl. MwSt.
zzgl. 6,90 € Versand (brutto)
einmalig pro Bestellung

Lieferzeit: 5 Werktage

Pos.
62
BOSCH Sechskantmutter M12x1,5 MM | Ersatzteile für GR./SIZE 106 | 1603300009
Hersteller: BOSCH
Artikelnummer: EB-0601331139-1603300009
nur Informationsartikel
Nie mehr lieferbar
keine Alternativen
Pos.
63
BOSCH Blechschraube B4,8x85 MM | Ersatzteile für GR./SIZE 106 | 1603429001
Hersteller: BOSCH
Artikelnummer: EB-0601331139-1603429001
nur Informationsartikel
Nie mehr lieferbar
keine Alternativen
Pos.
66
BOSCH Zylinderschraube DIN 84-AM4x6-8.8 | Ersatzteile für GR./SIZE 106 | 2910021116
Hersteller: BOSCH
Artikelnummer: EB-0601331139-2910021116
Netto: 4,32 € zzgl. MwSt.
zzgl. 6,90 € Versand (brutto)
einmalig pro Bestellung

Lieferzeit: 5 Werktage

Pos.
69
BOSCH Blechschraube DIN 7971-BZ3,5x13 | Ersatzteile für GR./SIZE 106 | 2910211011
Hersteller: BOSCH
Artikelnummer: EB-0601331139-2910211011
Netto: 3,63 € zzgl. MwSt.
zzgl. 6,90 € Versand (brutto)
einmalig pro Bestellung

Lieferzeit: 5 Werktage

Pos.
70
BOSCH Sicherungsblech | Ersatzteile für GR./SIZE 106 | 1611331007
Hersteller: BOSCH
Artikelnummer: EB-0601331139-1611331007
nur Informationsartikel
Nie mehr lieferbar
keine Alternativen
Pos.
78
BOSCH Aderendhülse DIN 46 228-A2,5-7 | Ersatzteile für GR./SIZE 106 | 1900452003
Hersteller: BOSCH
Artikelnummer: EB-0601331139-1900452003
Netto: 4,53 € zzgl. MwSt.
zzgl. 6,90 € Versand (brutto)
einmalig pro Bestellung

Lieferzeit: 5 Werktage

Pos.
86
BOSCH Klebeschild DOPPELT ISOLIERT | Ersatzteile für GR./SIZE 106 | 1601110073
Hersteller: BOSCH
Artikelnummer: EB-0601331139-1601110073
nur Informationsartikel
Nie mehr lieferbar
keine Alternativen
Pos.
100
BOSCH Nutring | Ersatzteile für GR./SIZE 106 | 1600390010
Hersteller: BOSCH
Artikelnummer: EB-0601331139-1600390010
nur Informationsartikel
Nie mehr lieferbar
keine Alternativen
Pos.
702
BOSCH Schutzhaube Ø230 MM | Ersatzteile für GR./SIZE 106 | 1605510180
Hersteller: BOSCH
Artikelnummer: EB-0601331139-1605510180
Netto: 145,13 € zzgl. MwSt.
zzgl. 6,90 € Versand (brutto)
einmalig pro Bestellung

Lieferzeit: 5 Werktage

Pos.
703
BOSCH Teilesatz | Ersatzteile für GR./SIZE 106 | 1607000140
Hersteller: BOSCH
Artikelnummer: EB-0601331139-1607000140
nur Informationsartikel
Nie mehr lieferbar
keine Alternativen
Pos.
800
BOSCH Kohlebürstensatz | Ersatzteile für GR./SIZE 106 | 1607014103
Hersteller: BOSCH
Artikelnummer: EB-0601331139-1607014103
nur Informationsartikel
Nie mehr lieferbar
keine Alternativen
Pos.
802
BOSCH Kegelrad Z=51 | Ersatzteile für GR./SIZE 106 | 1606333138
Hersteller: BOSCH
Artikelnummer: EB-0601331139-1606333138
nur Informationsartikel
Nie mehr lieferbar
keine Alternativen
Pos.
803
BOSCH Kegelrad Z=18 | Ersatzteile für GR./SIZE 106 | 1606333209
Hersteller: BOSCH
Artikelnummer: EB-0601331139-1606333209
nur Informationsartikel
Nie mehr lieferbar
keine Alternativen
Pos.
807
BOSCH Teilesatz | Ersatzteile für GR./SIZE 106 | 1607000904
Hersteller: BOSCH
Artikelnummer: EB-0601331139-1607000904
nur Informationsartikel
Nie mehr lieferbar
keine Alternativen
Pos.
813
BOSCH Teilesatz | Ersatzteile für GR./SIZE 106 | 1607000161
Hersteller: BOSCH
Artikelnummer: EB-0601331139-1607000161
nur Informationsartikel
Nie mehr lieferbar
keine Alternativen
Pos.
815
BOSCH Handgriff BLAU | Ersatzteile für GR./SIZE 106 | 1605132083
Hersteller: BOSCH
Artikelnummer: EB-0601331139-1605132083
nur Informationsartikel
Nie mehr lieferbar
keine Alternativen

Angaben zur Produktsicherheit

Hersteller:
Robert Bosch Power Tools GmbH
Postfach 30 02 20
70442 Stuttgart

E-Mail:
kontakt@bosch.de