BOSCH Halbrundkerbnagel DIN 1476-2x3-St | Ersatzteile für GR./SIZE 55 | 2917721031

Artikelnummer: EB-0602907007-2917721031

Position: 97

Marke: BOSCH


Bitte Kompatibilität prüfen!

Bitte prüfen Sie unbedingt die 10-stellige Typennummer Ihrer Maschine / Ihres Gerätes. Das Ersatzteil ist nur kompatibel, wenn Sie die Typennummer Ihrer Maschine in der unten stehenden Produktbeschreibung finden.

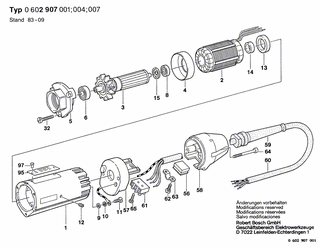
Bitte prüfen Sie ebenfalls detailliert die Explosionszeichnung mit Ihrem Artikelwunsch und der jeweiligen Pos-Nummer.

Alle Elemente, welche vom schwarzen Strich der Pos-Nummer ausgehend berührt / erfasst werden, gehören zu dieser Pos-Nummer und somit zu diesem Artikel. Jede Pos-Nummer ist ein eigenständiger Artikel, welchen Sie in der Auflistung finden.

Sie erhalten stets die aktuellste, neueste Produktversion zu der gewählten Pos-Nummer seitens des Herstellers. Es kann daher je nach Gerätealter vorkommen, dass Sie ggf. weitere, zugehörige Elemente, welche an diese Pos-Nummer grenzen, ebenfalls mittauschen müssen.

Nähere Informationen finden Sie unter dem Link
Hinweise zu Ihrer BOSCH Ersatzteilsuche

Preisübersicht

Einzelpreis: 3,63 €* (Brutto: 4,32 €)
Gesamtpreis: 3,63 €* 
Position:

Lieferzeit: 5 Werktage


Beschreibung

  • Halbrundkerbnagel DIN 1476-2x3-St
  • Original Bosch Zubehör / BOSCH Ersatzteil (2917721031)
  • im Gerät verbaut: 1
Dieses BOSCH Ersatzteil ist mit folgendem Gerät und Modell kompatibel:
  • BOSCH Gerätename: GR./SIZE 55
  • BOSCH Explosionszeichnung: Position 97
  • BOSCH Typennummer: 0602907007
  • BOSCH Typennummer alternative Schreibweisen: 0 602 907 007, 0602 907 007, 0.602.907.007, 0-602-907-007
    Bitte prüfen Sie diese Typennummer auf Ihrem Gerät um die Kompatibilität des BOSCH Ersatzteils zu gewährleisten.
Weitere BOSCH Ersatzteile des Gerätes GR./SIZE 55 (Hf-Anbaumotor) mit der Typennummer 0602907007 finden Sie in der nachfolgenden Darstellung und im Dropdown zu Ihrer Auswahl:

Pos.
1
BOSCH Motorgehäuse | Ersatzteile für GR./SIZE 55 | 3605102028
Hersteller: BOSCH
Artikelnummer: EB-0602907007-3605102028
Netto: 135,20 € zzgl. MwSt.
zzgl. 6,90 € Versand (brutto)
einmalig pro Bestellung

Lieferzeit: 5 Werktage

Pos.
3
BOSCH Läufer Ohne Wicklung | Ersatzteile für GR./SIZE 55 | 3604080015
Hersteller: BOSCH
Artikelnummer: EB-0602907007-3604080015
nur Informationsartikel
Nie mehr lieferbar
keine Alternativen
Pos.
4
BOSCH Luftleitring | Ersatzteile für GR./SIZE 55 | 1600502005
Hersteller: BOSCH
Artikelnummer: EB-0602907007-1600502005
Netto: 4,53 € zzgl. MwSt.
zzgl. 6,90 € Versand (brutto)
einmalig pro Bestellung

Lieferzeit: 5 Werktage

Pos.
5
BOSCH Zwischenlager | Ersatzteile für GR./SIZE 55 | 3605700099
Hersteller: BOSCH
Artikelnummer: EB-0602907007-3605700099
nur Informationsartikel
Nie mehr lieferbar
keine Alternativen
Pos.
6
BOSCH Rillenkugellager 9x24x7 | Ersatzteile für GR./SIZE 55 | 1900905017
Hersteller: BOSCH
Artikelnummer: EB-0602907007-1900905017
Netto: 17,38 € zzgl. MwSt.
zzgl. 6,90 € Versand (brutto)
einmalig pro Bestellung

Lieferzeit: 5 Werktage

Pos.
7
BOSCH Tellerfeder | Ersatzteile für GR./SIZE 55 | 3600150013
Hersteller: BOSCH
Artikelnummer: EB-0602907007-3600150013
Netto: 5,19 € zzgl. MwSt.
zzgl. 6,90 € Versand (brutto)
einmalig pro Bestellung

Lieferzeit: 5 Werktage

Pos.
8
BOSCH Rillenkugellager 625-2Z DIN 625 | Ersatzteile für GR./SIZE 55 | 1900905015
Hersteller: BOSCH
Artikelnummer: EB-0602907007-1900905015
Netto: 26,88 € zzgl. MwSt.
zzgl. 6,90 € Versand (brutto)
einmalig pro Bestellung

Lieferzeit: 5 Werktage

Pos.
9
BOSCH Klemmbügel | Ersatzteile für GR./SIZE 55 | 3601321001
Hersteller: BOSCH
Artikelnummer: EB-0602907007-3601321001
Netto: 5,19 € zzgl. MwSt.
zzgl. 6,90 € Versand (brutto)
einmalig pro Bestellung

Lieferzeit: 5 Werktage

Pos.
10
BOSCH Federscheibe Ø4,2 MM | Ersatzteile für GR./SIZE 55 | 3600150006
Hersteller: BOSCH
Artikelnummer: EB-0602907007-3600150006
Netto: 4,53 € zzgl. MwSt.
zzgl. 6,90 € Versand (brutto)
einmalig pro Bestellung

Lieferzeit: 5 Werktage

Pos.
11
BOSCH Flachkopfschraube DIN 85-AM4x10-MS | Ersatzteile für GR./SIZE 55 | 2910110120
Hersteller: BOSCH
Artikelnummer: EB-0602907007-2910110120
Netto: 3,63 € zzgl. MwSt.
zzgl. 6,90 € Versand (brutto)
einmalig pro Bestellung

Lieferzeit: 5 Werktage

Pos.
12
BOSCH Gewindestift | Ersatzteile für GR./SIZE 55 | 3603402000
Hersteller: BOSCH
Artikelnummer: EB-0602907007-3603402000
Netto: 3,94 € zzgl. MwSt.
zzgl. 6,90 € Versand (brutto)
einmalig pro Bestellung

Lieferzeit: 5 Werktage

Pos.
13
BOSCH Elktr Leitg M Anschluss | Ersatzteile für GR./SIZE 55 | 3604462055
Hersteller: BOSCH
Artikelnummer: EB-0602907007-3604462055
nur Informationsartikel
Nie mehr lieferbar
keine Alternativen
Pos.
14
BOSCH O-Ring 12,0x2,25 MM | Ersatzteile für GR./SIZE 55 | 3600210039
Hersteller: BOSCH
Artikelnummer: EB-0602907007-3600210039
Netto: 7,76 € zzgl. MwSt.
zzgl. 6,90 € Versand (brutto)
einmalig pro Bestellung

Lieferzeit: 5 Werktage

Pos.
15
BOSCH Zwischenring | Ersatzteile für GR./SIZE 55 | 3600202008
Hersteller: BOSCH
Artikelnummer: EB-0602907007-3600202008
Netto: 4,53 € zzgl. MwSt.
zzgl. 6,90 € Versand (brutto)
einmalig pro Bestellung

Lieferzeit: 5 Werktage

Pos.
32
BOSCH Zylinderschraube DIN 84-AM4x18-5.8 | Ersatzteile für GR./SIZE 55 | 2910011128
Hersteller: BOSCH
Artikelnummer: EB-0602907007-2910011128
Netto: 3,63 € zzgl. MwSt.
zzgl. 6,90 € Versand (brutto)
einmalig pro Bestellung

Lieferzeit: 5 Werktage

Pos.
56
BOSCH Verschlussdeckel | Ersatzteile für GR./SIZE 55 | 3602305010
Hersteller: BOSCH
Artikelnummer: EB-0602907007-3602305010
nur Informationsartikel
Nie mehr lieferbar
keine Alternativen
Pos.
57
BOSCH Anschlussgehäuse | Ersatzteile für GR./SIZE 55 | 3600099006
Hersteller: BOSCH
Artikelnummer: EB-0602907007-3600099006
nur Informationsartikel
Nie mehr lieferbar
keine Alternativen
Pos.
58
BOSCH Verschlusskappe | Ersatzteile für GR./SIZE 55 | 3605500074
Hersteller: BOSCH
Artikelnummer: EB-0602907007-3605500074
Netto: 19,18 € zzgl. MwSt.
zzgl. 6,90 € Versand (brutto)
einmalig pro Bestellung

Lieferzeit: 5 Werktage

Pos.
59
BOSCH Tülle Ø9,2-Ø12x120 MM | Ersatzteile für GR./SIZE 55 | 3600703011
Hersteller: BOSCH
Artikelnummer: EB-0602907007-3600703011
Netto: 4,82 € zzgl. MwSt.
zzgl. 6,90 € Versand (brutto)
einmalig pro Bestellung

Lieferzeit: 5 Werktage

Pos.
60
BOSCH Pvc-Elektr Leitung | Ersatzteile für GR./SIZE 55 | 3604462052
Hersteller: BOSCH
Artikelnummer: EB-0602907007-3604462052
nur Informationsartikel
Nie mehr lieferbar
keine Alternativen
Pos.
61
BOSCH Klemmenleiste 3x6 MM | Ersatzteile für GR./SIZE 55 | 1901091013
Hersteller: BOSCH
Artikelnummer: EB-0602907007-1901091013
nur Informationsartikel
Nie mehr lieferbar
keine Alternativen
Pos.
62
BOSCH Zylinderschraube DIN 84-AM4x6-8.8 | Ersatzteile für GR./SIZE 55 | 2910021116
Hersteller: BOSCH
Artikelnummer: EB-0602907007-2910021116
Netto: 4,32 € zzgl. MwSt.
zzgl. 6,90 € Versand (brutto)
einmalig pro Bestellung

Lieferzeit: 5 Werktage

Pos.
63
BOSCH Befestigungsschelle | Ersatzteile für GR./SIZE 55 | 1601302014
Hersteller: BOSCH
Artikelnummer: EB-0602907007-1601302014
Netto: 3,94 € zzgl. MwSt.
zzgl. 6,90 € Versand (brutto)
einmalig pro Bestellung

Lieferzeit: 5 Werktage

Pos.
64
BOSCH Innensechskantschraube DIN 912-M 4x45-8.8 | Ersatzteile für GR./SIZE 55 | 2910141140
Hersteller: BOSCH
Artikelnummer: EB-0602907007-2910141140
Netto: 3,94 € zzgl. MwSt.
zzgl. 6,90 € Versand (brutto)
einmalig pro Bestellung

Lieferzeit: 5 Werktage

Pos.
65
BOSCH Blechschraube DIN 7971-BZ2,9x16 | Ersatzteile für GR./SIZE 55 | 2910211007
Hersteller: BOSCH
Artikelnummer: EB-0602907007-2910211007
nur Informationsartikel
Nie mehr lieferbar
keine Alternativen
Pos.
73
BOSCH Fächerscheibe A 4,3 DIN 6798-ST | Ersatzteile für GR./SIZE 55 | 2916070006
Hersteller: BOSCH
Artikelnummer: EB-0602907007-2916070006
Netto: 3,63 € zzgl. MwSt.
zzgl. 6,90 € Versand (brutto)
einmalig pro Bestellung

Lieferzeit: 5 Werktage

Pos.
95
BOSCH Typschild | Ersatzteile für GR./SIZE 55 | 3601106003
Hersteller: BOSCH
Artikelnummer: EB-0602907007-3601106003
nur Informationsartikel
Nie mehr lieferbar
keine Alternativen
Pos.
97
BOSCH Halbrundkerbnagel DIN 1476-2x3-St | Ersatzteile für GR./SIZE 55 | 2917721031
Hersteller: BOSCH
Artikelnummer: EB-0602907007-2917721031
Netto: 3,63 € zzgl. MwSt.
zzgl. 6,90 € Versand (brutto)
einmalig pro Bestellung

Lieferzeit: 5 Werktage

Pos.
810
BOSCH Ständer 72V/200HZ-110V/300HZ | Ersatzteile für GR./SIZE 55 | 1604229202
Hersteller: BOSCH
Artikelnummer: EB-0602907007-1604229202
Netto: 270,89 € zzgl. MwSt.
zzgl. 6,90 € Versand (brutto)
einmalig pro Bestellung

Lieferzeit: 5 Werktage

Angaben zur Produktsicherheit

Hersteller:
Robert Bosch Power Tools GmbH
Postfach 30 02 20
70442 Stuttgart

E-Mail:
kontakt@bosch.de