BOSCH Zusatzhandgriff | Ersatzteile für GR.86 | 16020250A1

Artikelnummer: EB-0602HF0020-16020250A1

Position:

Marke: BOSCH


Bitte Kompatibilität prüfen!

Bitte prüfen Sie unbedingt die 10-stellige Typennummer Ihrer Maschine / Ihres Gerätes. Das Ersatzteil ist nur kompatibel, wenn Sie die Typennummer Ihrer Maschine in der unten stehenden Produktbeschreibung finden.

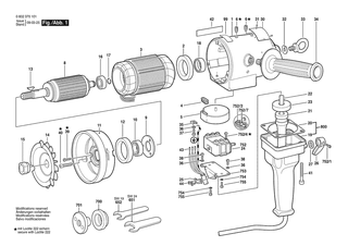
Bitte prüfen Sie ebenfalls detailliert die Explosionszeichnung mit Ihrem Artikelwunsch und der jeweiligen Pos-Nummer.

Alle Elemente, welche vom schwarzen Strich der Pos-Nummer ausgehend berührt / erfasst werden, gehören zu dieser Pos-Nummer und somit zu diesem Artikel. Jede Pos-Nummer ist ein eigenständiger Artikel, welchen Sie in der Auflistung finden.

Sie erhalten stets die aktuellste, neueste Produktversion zu der gewählten Pos-Nummer seitens des Herstellers. Es kann daher je nach Gerätealter vorkommen, dass Sie ggf. weitere, zugehörige Elemente, welche an diese Pos-Nummer grenzen, ebenfalls mittauschen müssen.

Nähere Informationen finden Sie unter dem Link
Hinweise zu Ihrer BOSCH Ersatzteilsuche

Preisübersicht

Einzelpreis: 12,98 €* (Brutto: 15,45 €)
Gesamtpreis: 12,98 €* 
Position:

Lieferzeit: 5 Werktage


Beschreibung

  • Zusatzhandgriff
  • Original Bosch Zubehör / BOSCH Ersatzteil (16020250A1)
  • im Gerät verbaut: 1
Dieses BOSCH Ersatzteil ist mit folgendem Gerät und Modell kompatibel:
  • BOSCH Gerätename: GR.86
  • BOSCH Explosionszeichnung: Position 34
  • BOSCH Typennummer: 0602HF0020
  • BOSCH Typennummer alternative Schreibweisen: 0 602 HF0 020, 0602 HF0 020, 0.602.HF0.020, 0-602-HF0-020
    Bitte prüfen Sie diese Typennummer auf Ihrem Gerät um die Kompatibilität des BOSCH Ersatzteils zu gewährleisten.
Weitere BOSCH Ersatzteile des Gerätes GR.86 (Hf-Tellerschleifer) mit der Typennummer 0602HF0020 finden Sie in der nachfolgenden Darstellung und im Dropdown zu Ihrer Auswahl:

Pos.
1
BOSCH Motorgehäuse | Ersatzteile für GR.86 | 3605102056
Hersteller: BOSCH
Artikelnummer: EB-0602HF0020-3605102056
Netto: 328,37 € zzgl. MwSt.
zzgl. 6,90 € Versand (brutto)
einmalig pro Bestellung

Lieferzeit: 5 Werktage

Pos.
2
BOSCH Dichtring | Ersatzteile für GR.86 | 1600209009
Hersteller: BOSCH
Artikelnummer: EB-0602HF0020-1600209009
Netto: 7,30 € zzgl. MwSt.
zzgl. 6,90 € Versand (brutto)
einmalig pro Bestellung

Lieferzeit: 5 Werktage

Pos.
3
BOSCH Ständer 200V/150HZ, 265V/200HZ | Ersatzteile für GR.86 | 1604229207
Hersteller: BOSCH
Artikelnummer: EB-0602HF0020-1604229207
nur Informationsartikel
Nie mehr lieferbar
keine Alternativen
Pos.
4
BOSCH Tülle | Ersatzteile für GR.86 | 1600306000
Hersteller: BOSCH
Artikelnummer: EB-0602HF0020-1600306000
nur Informationsartikel
Nie mehr lieferbar
keine Alternativen
Pos.
5
BOSCH Schutzhaube | Ersatzteile für GR.86 | 1600502004
Hersteller: BOSCH
Artikelnummer: EB-0602HF0020-1600502004
Netto: 5,65 € zzgl. MwSt.
zzgl. 6,90 € Versand (brutto)
einmalig pro Bestellung

Lieferzeit: 5 Werktage

Pos.
6
BOSCH Gewindestift | Ersatzteile für GR.86 | 1603402004
Hersteller: BOSCH
Artikelnummer: EB-0602HF0020-1603402004
Netto: 4,53 € zzgl. MwSt.
zzgl. 6,90 € Versand (brutto)
einmalig pro Bestellung

Lieferzeit: 5 Werktage

Pos.
8
BOSCH Laeufer Ohne Wicklung | Ersatzteile für GR.86 | 1604081013
Hersteller: BOSCH
Artikelnummer: EB-0602HF0020-1604081013
Netto: 206,84 € zzgl. MwSt.
zzgl. 6,90 € Versand (brutto)
einmalig pro Bestellung

Lieferzeit: 5 Werktage

Pos.
9
BOSCH Lagerdeckel | Ersatzteile für GR.86 | 3600134004
Hersteller: BOSCH
Artikelnummer: EB-0602HF0020-3600134004
Netto: 12,98 € zzgl. MwSt.
zzgl. 6,90 € Versand (brutto)
einmalig pro Bestellung

Lieferzeit: 5 Werktage

Pos.
10
BOSCH Rillenkugellager | Ersatzteile für GR.86 | 3600905016
Hersteller: BOSCH
Artikelnummer: EB-0602HF0020-3600905016
Netto: 17,90 € zzgl. MwSt.
zzgl. 6,90 € Versand (brutto)
einmalig pro Bestellung

Lieferzeit: 5 Werktage

Pos.
11
BOSCH Lagerdeckel | Ersatzteile für GR.86 | 3608880457
Hersteller: BOSCH
Artikelnummer: EB-0602HF0020-3608880457
nur Informationsartikel
Nie mehr lieferbar
keine Alternativen
Pos.
12
BOSCH Dichtring | Ersatzteile für GR.86 | 1600209012
Hersteller: BOSCH
Artikelnummer: EB-0602HF0020-1600209012
nur Informationsartikel
Nie mehr lieferbar
keine Alternativen
Pos.
13
BOSCH Scheibenfeder DIN6888-3x6,5-ST60-2K | Ersatzteile für GR.86 | 1900023007
Hersteller: BOSCH
Artikelnummer: EB-0602HF0020-1900023007
Netto: 3,75 € zzgl. MwSt.
zzgl. 6,90 € Versand (brutto)
einmalig pro Bestellung

Lieferzeit: 5 Werktage

Pos.
14
BOSCH Lüfter | Ersatzteile für GR.86 | 1606610056
Hersteller: BOSCH
Artikelnummer: EB-0602HF0020-1606610056
Netto: 57,47 € zzgl. MwSt.
zzgl. 6,90 € Versand (brutto)
einmalig pro Bestellung

Lieferzeit: 5 Werktage

Pos.
15
BOSCH Zwischenring | Ersatzteile für GR.86 | 1600341000
Hersteller: BOSCH
Artikelnummer: EB-0602HF0020-1600341000
nur Informationsartikel
Nie mehr lieferbar
keine Alternativen
Pos.
16
BOSCH Rillenkugellager 12x28x8 | Ersatzteile für GR.86 | 1900900287
Hersteller: BOSCH
Artikelnummer: EB-0602HF0020-1900900287
Netto: 19,18 € zzgl. MwSt.
zzgl. 6,90 € Versand (brutto)
einmalig pro Bestellung

Lieferzeit: 5 Werktage

Pos.
17
BOSCH Sprengring 12 DIN 9045 | Ersatzteile für GR.86 | 2916600007
Hersteller: BOSCH
Artikelnummer: EB-0602HF0020-2916600007
Netto: 4,82 € zzgl. MwSt.
zzgl. 6,90 € Versand (brutto)
einmalig pro Bestellung

Lieferzeit: 5 Werktage

Pos.
18
BOSCH Gummiring | Ersatzteile für GR.86 | 1600206015
Hersteller: BOSCH
Artikelnummer: EB-0602HF0020-1600206015
Netto: 4,32 € zzgl. MwSt.
zzgl. 6,90 € Versand (brutto)
einmalig pro Bestellung

Lieferzeit: 5 Werktage

Pos.
19
BOSCH Handgriff | Ersatzteile für GR.86 | 3605132035
Hersteller: BOSCH
Artikelnummer: EB-0602HF0020-3605132035
Netto: 35,77 € zzgl. MwSt.
zzgl. 6,90 € Versand (brutto)
einmalig pro Bestellung

Lieferzeit: 5 Werktage

Pos.
20
BOSCH Dichtung | Ersatzteile für GR.86 | 1601015011
Hersteller: BOSCH
Artikelnummer: EB-0602HF0020-1601015011
Netto: 4,75 € zzgl. MwSt.
zzgl. 6,90 € Versand (brutto)
einmalig pro Bestellung

Lieferzeit: 5 Werktage

Pos.
21
BOSCH Tülle Ø11,5-Ø15,0x150 MM | Ersatzteile für GR.86 | 1600703009
Hersteller: BOSCH
Artikelnummer: EB-0602HF0020-1600703009
Netto: 6,70 € zzgl. MwSt.
zzgl. 6,90 € Versand (brutto)
einmalig pro Bestellung

Lieferzeit: 5 Werktage

Pos.
22
BOSCH Elktr Leitg M Anschluss | Ersatzteile für GR.86 | 3604462043
Hersteller: BOSCH
Artikelnummer: EB-0602HF0020-3604462043
Netto: 47,09 € zzgl. MwSt.
zzgl. 6,90 € Versand (brutto)
einmalig pro Bestellung

Lieferzeit: 5 Werktage

Pos.
23
BOSCH Dichtplatte | Ersatzteile für GR.86 | 1600113003
Hersteller: BOSCH
Artikelnummer: EB-0602HF0020-1600113003
Netto: 4,82 € zzgl. MwSt.
zzgl. 6,90 € Versand (brutto)
einmalig pro Bestellung

Lieferzeit: 5 Werktage

Pos.
24
BOSCH Ein/Aus-Schalter | Ersatzteile für GR.86 | 1607200017
Hersteller: BOSCH
Artikelnummer: EB-0602HF0020-1607200017
Netto: 91,88 € zzgl. MwSt.
zzgl. 6,90 € Versand (brutto)
einmalig pro Bestellung

Lieferzeit: 5 Werktage

Pos.
25
BOSCH Befestigungsschelle | Ersatzteile für GR.86 | 1601303003
Hersteller: BOSCH
Artikelnummer: EB-0602HF0020-1601303003
Netto: 4,32 € zzgl. MwSt.
zzgl. 6,90 € Versand (brutto)
einmalig pro Bestellung

Lieferzeit: 5 Werktage

Pos.
26
BOSCH Schalthebel | Ersatzteile für GR.86 | 1602026038
Hersteller: BOSCH
Artikelnummer: EB-0602HF0020-1602026038
nur Informationsartikel
Nie mehr lieferbar
keine Alternativen
Pos.
27
BOSCH Dichtscheibe Ø18xØ10x4 MM | Ersatzteile für GR.86 | 1600108024
Hersteller: BOSCH
Artikelnummer: EB-0602HF0020-1600108024
nur Informationsartikel
Nie mehr lieferbar
keine Alternativen
Pos.
30
BOSCH Typschild | Ersatzteile für GR.86 | 3601106053
Hersteller: BOSCH
Artikelnummer: EB-0602HF0020-3601106053
Netto: 6,15 € zzgl. MwSt.
zzgl. 6,90 € Versand (brutto)
einmalig pro Bestellung

Lieferzeit: 5 Werktage

Pos.
31
BOSCH Kerbnagel DIN 1476-2x5 MM | Ersatzteile für GR.86 | 3603133001
Hersteller: BOSCH
Artikelnummer: EB-0602HF0020-3603133001
Netto: 4,53 € zzgl. MwSt.
zzgl. 6,90 € Versand (brutto)
einmalig pro Bestellung

Lieferzeit: 5 Werktage

Pos.
32
BOSCH Federring | Ersatzteile für GR.86 | 2916680011
Hersteller: BOSCH
Artikelnummer: EB-0602HF0020-2916680011
nur Informationsartikel
Nie mehr lieferbar
keine Alternativen
Pos.
33
BOSCH Ringschraube DIN 580-M 8 | Ersatzteile für GR.86 | 2912521237
Hersteller: BOSCH
Artikelnummer: EB-0602HF0020-2912521237
Netto: 10,20 € zzgl. MwSt.
zzgl. 6,90 € Versand (brutto)
einmalig pro Bestellung

Lieferzeit: 5 Werktage

Pos.
34
BOSCH Zusatzhandgriff M14 SCHWARZ | Ersatzteile für GR.86 | 1602025022
Hersteller: BOSCH
Artikelnummer: EB-0602HF0020-1602025022
Netto: 11,41 € zzgl. MwSt.
zzgl. 6,90 € Versand (brutto)
einmalig pro Bestellung

Lieferzeit: 5 Werktage

Pos.
34
BOSCH Zusatzhandgriff M14, Ø37x115 MM SCHWARZ | Ersatzteile für GR.86 | 1602025030
Hersteller: BOSCH
Artikelnummer: EB-0602HF0020-1602025030
Netto: 14,92 € zzgl. MwSt.
zzgl. 6,90 € Versand (brutto)
einmalig pro Bestellung

Lieferzeit: 5 Werktage

Pos.
35
BOSCH Klemmbügel | Ersatzteile für GR.86 | 3601321001
Hersteller: BOSCH
Artikelnummer: EB-0602HF0020-3601321001
Netto: 5,19 € zzgl. MwSt.
zzgl. 6,90 € Versand (brutto)
einmalig pro Bestellung

Lieferzeit: 5 Werktage

Pos.
BOSCH Zusatzhandgriff | Ersatzteile für GR.86 | 16020250A1
Hersteller: BOSCH
Artikelnummer:
Netto: 12,98 € zzgl. MwSt.
zzgl. 6,90 € Versand (brutto)
einmalig pro Bestellung

Lieferzeit: 5 Werktage

Pos.
36
BOSCH Federscheibe Ø4,2 MM | Ersatzteile für GR.86 | 3600150006
Hersteller: BOSCH
Artikelnummer: EB-0602HF0020-3600150006
Netto: 4,53 € zzgl. MwSt.
zzgl. 6,90 € Versand (brutto)
einmalig pro Bestellung

Lieferzeit: 5 Werktage

Pos.
37
BOSCH Flachkopfschraube DIN 85-AM4x10-MS | Ersatzteile für GR.86 | 2910110120
Hersteller: BOSCH
Artikelnummer: EB-0602HF0020-2910110120
Netto: 3,63 € zzgl. MwSt.
zzgl. 6,90 € Versand (brutto)
einmalig pro Bestellung

Lieferzeit: 5 Werktage

Pos.
39
BOSCH Zylinderschraube DIN 84-AM4x15-8.8 | Ersatzteile für GR.86 | 2910021125
Hersteller: BOSCH
Artikelnummer: EB-0602HF0020-2910021125
Netto: 3,63 € zzgl. MwSt.
zzgl. 6,90 € Versand (brutto)
einmalig pro Bestellung

Lieferzeit: 5 Werktage

Pos.
40
BOSCH Innensechskantschraube DIN 912-M6x20-8.8 | Ersatzteile für GR.86 | 2910141201
Hersteller: BOSCH
Artikelnummer: EB-0602HF0020-2910141201
Netto: 4,53 € zzgl. MwSt.
zzgl. 6,90 € Versand (brutto)
einmalig pro Bestellung

Lieferzeit: 5 Werktage

Pos.
41
BOSCH Innensechskantschraube DIN 912-M6x40-8.8 | Ersatzteile für GR.86 | 2910141209
Hersteller: BOSCH
Artikelnummer: EB-0602HF0020-2910141209
nur Informationsartikel
Nie mehr lieferbar
keine Alternativen
Pos.
43
BOSCH Aderendhülse | Ersatzteile für GR.86 | 3604477008
Hersteller: BOSCH
Artikelnummer: EB-0602HF0020-3604477008
Netto: 3,63 € zzgl. MwSt.
zzgl. 6,90 € Versand (brutto)
einmalig pro Bestellung

Lieferzeit: 5 Werktage

Pos.
99
BOSCH Hinweisschild | Ersatzteile für GR.86 | 3601119236
Hersteller: BOSCH
Artikelnummer: EB-0602HF0020-3601119236
Netto: 5,19 € zzgl. MwSt.
zzgl. 6,90 € Versand (brutto)
einmalig pro Bestellung

Lieferzeit: 5 Werktage

Pos.
42
BOSCH Firmenschild | Ersatzteile für GR.86 | 3601110104
Hersteller: BOSCH
Artikelnummer: EB-0602HF0020-3601110104
nur Informationsartikel
Nie mehr lieferbar
keine Alternativen
Pos.
651
BOSCH Einmaulschlüssel DIN 894 SW24 | Ersatzteile für GR.86 | 1907950513
Hersteller: BOSCH
Artikelnummer: EB-0602HF0020-1907950513
Netto: 14,36 € zzgl. MwSt.
zzgl. 6,90 € Versand (brutto)
einmalig pro Bestellung

Lieferzeit: 5 Werktage

Pos.
652
BOSCH Einmaulschlüssel SW 14 | Ersatzteile für GR.86 | 1907950508
Hersteller: BOSCH
Artikelnummer: EB-0602HF0020-1907950508
Netto: 12,98 € zzgl. MwSt.
zzgl. 6,90 € Versand (brutto)
einmalig pro Bestellung

Lieferzeit: 5 Werktage

Pos.
700
BOSCH Aufspannflansch | Ersatzteile für GR.86 | 3605703052
Hersteller: BOSCH
Artikelnummer: EB-0602HF0020-3605703052
nur Informationsartikel
Nie mehr lieferbar
keine Alternativen
Pos.
701
BOSCH Rundmutter | Ersatzteile für GR.86 | 3605703053
Hersteller: BOSCH
Artikelnummer: EB-0602HF0020-3605703053
nur Informationsartikel
Nie mehr lieferbar
keine Alternativen
Pos.
752
BOSCH Ein/Aus-Schalter | Ersatzteile für GR.86 | 1607200006
Hersteller: BOSCH
Artikelnummer: EB-0602HF0020-1607200006
Netto: 77,60 € zzgl. MwSt.
zzgl. 6,90 € Versand (brutto)
einmalig pro Bestellung

Lieferzeit: 5 Werktage

Pos.
752/1
BOSCH Zylinderschraube DIN 84-AM3x10-4.8 | Ersatzteile für GR.86 | 2910001052
Hersteller: BOSCH
Artikelnummer: EB-0602HF0020-2910001052
Netto: 4,32 € zzgl. MwSt.
zzgl. 6,90 € Versand (brutto)
einmalig pro Bestellung

Lieferzeit: 5 Werktage

Pos.
752/2
BOSCH Zugfeder | Ersatzteile für GR.86 | 1604650009
Hersteller: BOSCH
Artikelnummer: EB-0602HF0020-1604650009
nur Informationsartikel
Nie mehr lieferbar
keine Alternativen
Pos.
752/4
BOSCH Flachkopfschraube DIN 85-AM4x8-4.8 | Ersatzteile für GR.86 | 2910091118
Hersteller: BOSCH
Artikelnummer: EB-0602HF0020-2910091118
Netto: 3,60 € zzgl. MwSt.
zzgl. 6,90 € Versand (brutto)
einmalig pro Bestellung

Lieferzeit: 5 Werktage

Pos.
752/7
BOSCH Rastrolle | Ersatzteile für GR.86 | 1603200007
Hersteller: BOSCH
Artikelnummer: EB-0602HF0020-1603200007
nur Informationsartikel
Nie mehr lieferbar
keine Alternativen
Pos.
753
BOSCH Befestigungsplatte | Ersatzteile für GR.86 | 3601023015
Hersteller: BOSCH
Artikelnummer: EB-0602HF0020-3601023015
Netto: 19,18 € zzgl. MwSt.
zzgl. 6,90 € Versand (brutto)
einmalig pro Bestellung

Lieferzeit: 5 Werktage

Pos.
754
BOSCH Federring DIN 128-A4-FST | Ersatzteile für GR.86 | 2916690003
Hersteller: BOSCH
Artikelnummer: EB-0602HF0020-2916690003
Netto: 3,63 € zzgl. MwSt.
zzgl. 6,90 € Versand (brutto)
einmalig pro Bestellung

Lieferzeit: 5 Werktage

Pos.
755
BOSCH Zylinderschraube DIN 84-AM4x8-8.8 | Ersatzteile für GR.86 | 2910021118
Hersteller: BOSCH
Artikelnummer: EB-0602HF0020-2910021118
Netto: 3,63 € zzgl. MwSt.
zzgl. 6,90 € Versand (brutto)
einmalig pro Bestellung

Lieferzeit: 5 Werktage

Pos.
800
BOSCH Handgriff | Ersatzteile für GR.86 | 1605132067
Hersteller: BOSCH
Artikelnummer: EB-0602HF0020-1605132067
nur Informationsartikel
Nie mehr lieferbar
keine Alternativen

Angaben zur Produktsicherheit

Hersteller:
Robert Bosch Power Tools GmbH
Postfach 30 02 20
70442 Stuttgart

E-Mail:
kontakt@bosch.de