BOSCH Frontverkleidung | Ersatzteile für GRA 18V2-46 | 1600A02R3Y

Artikelnummer: EB-3600HC8000-1600A02R3Y

Position: 40

Marke: BOSCH


Bitte Kompatibilität prüfen!

Bitte prüfen Sie unbedingt die 10-stellige Typennummer Ihrer Maschine / Ihres Gerätes. Das Ersatzteil ist nur kompatibel, wenn Sie die Typennummer Ihrer Maschine in der unten stehenden Produktbeschreibung finden.

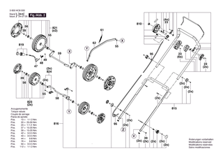
Bitte prüfen Sie ebenfalls detailliert die Explosionszeichnung mit Ihrem Artikelwunsch und der jeweiligen Pos-Nummer.

Alle Elemente, welche vom schwarzen Strich der Pos-Nummer ausgehend berührt / erfasst werden, gehören zu dieser Pos-Nummer und somit zu diesem Artikel. Jede Pos-Nummer ist ein eigenständiger Artikel, welchen Sie in der Auflistung finden.

Sie erhalten stets die aktuellste, neueste Produktversion zu der gewählten Pos-Nummer seitens des Herstellers. Es kann daher je nach Gerätealter vorkommen, dass Sie ggf. weitere, zugehörige Elemente, welche an diese Pos-Nummer grenzen, ebenfalls mittauschen müssen.

Nähere Informationen finden Sie unter dem Link
Hinweise zu Ihrer BOSCH Ersatzteilsuche

Preisübersicht

Einzelpreis: 7,76 €* (Brutto: 9,23 €)
Gesamtpreis: 7,76 €* 
Position:

Lieferzeit: 5 Werktage


Beschreibung

  • Frontverkleidung
  • Original Bosch Zubehör / BOSCH Ersatzteil (1600A02R3Y)
  • im Gerät verbaut: 1
Dieses BOSCH Ersatzteil ist mit folgendem Gerät und Modell kompatibel:
  • BOSCH Gerätename: GRA 18V2-46
  • BOSCH Explosionszeichnung: Position 40
  • BOSCH Typennummer: 3600HC8000
  • BOSCH Typennummer alternative Schreibweisen: 3 600 HC8 000, 3600 HC8 000, 3.600.HC8.000, 3-600-HC8-000
    Bitte prüfen Sie diese Typennummer auf Ihrem Gerät um die Kompatibilität des BOSCH Ersatzteils zu gewährleisten.
Weitere BOSCH Ersatzteile des Gerätes GRA 18V2-46 (Rasenmäher) mit der Typennummer 3600HC8000 finden Sie in der nachfolgenden Darstellung und im Dropdown zu Ihrer Auswahl:

Pos.
1
BOSCH Mähergehäuse | Ersatzteile für GRA 18V2-46 | 1600A02T2C
Hersteller: BOSCH
Artikelnummer: EB-3600HC8000-1600A02T2C
Netto: 86,83 € zzgl. MwSt.
zzgl. 6,90 € Versand (brutto)
einmalig pro Bestellung

Lieferzeit: 5 Werktage

Pos.
3
BOSCH EL-Baugruppe | Ersatzteile für GRA 18V2-46 | 1600A02T2D
Hersteller: BOSCH
Artikelnummer: EB-3600HC8000-1600A02T2D
Netto: 86,83 € zzgl. MwSt.
zzgl. 6,90 € Versand (brutto)
einmalig pro Bestellung

Lieferzeit: 5 Werktage

Pos.
5
BOSCH Batterieträger | Ersatzteile für GRA 18V2-46 | 1600A02R3U
Hersteller: BOSCH
Artikelnummer: EB-3600HC8000-1600A02R3U
Netto: 10,92 € zzgl. MwSt.
zzgl. 6,90 € Versand (brutto)
einmalig pro Bestellung

Lieferzeit: 5 Werktage

Pos.
6
BOSCH Doppelbartschlüssel | Ersatzteile für GRA 18V2-46 | 1600A02YF4
Hersteller: BOSCH
Artikelnummer: EB-3600HC8000-1600A02YF4
Netto: 10,92 € zzgl. MwSt.
zzgl. 6,90 € Versand (brutto)
einmalig pro Bestellung

Lieferzeit: 5 Werktage

Pos.
10
BOSCH Batteriedeckel | Ersatzteile für GRA 18V2-46 | 1600A02R3S
Hersteller: BOSCH
Artikelnummer: EB-3600HC8000-1600A02R3S
Netto: 5,19 € zzgl. MwSt.
zzgl. 6,90 € Versand (brutto)
einmalig pro Bestellung

Lieferzeit: 5 Werktage

Pos.
11
BOSCH Batteriedeckel | Ersatzteile für GRA 18V2-46 | 1600A02R3T
Hersteller: BOSCH
Artikelnummer: EB-3600HC8000-1600A02R3T
Netto: 5,19 € zzgl. MwSt.
zzgl. 6,90 € Versand (brutto)
einmalig pro Bestellung

Lieferzeit: 5 Werktage

Pos.
12
BOSCH Pressscheibenwelle | Ersatzteile für GRA 18V2-46 | 1600A02T2E
Hersteller: BOSCH
Artikelnummer: EB-3600HC8000-1600A02T2E
Netto: 3,94 € zzgl. MwSt.
zzgl. 6,90 € Versand (brutto)
einmalig pro Bestellung

Lieferzeit: 5 Werktage

Pos.
13
BOSCH Kombi-Schraube | Ersatzteile für GRA 18V2-46 | 1600A02T7P
Hersteller: BOSCH
Artikelnummer: EB-3600HC8000-1600A02T7P
Netto: 3,63 € zzgl. MwSt.
zzgl. 6,90 € Versand (brutto)
einmalig pro Bestellung

Lieferzeit: 5 Werktage

Pos.
15
BOSCH Schnappverschluss | Ersatzteile für GRA 18V2-46 | 1600A02T2G
Hersteller: BOSCH
Artikelnummer: EB-3600HC8000-1600A02T2G
Netto: 3,63 € zzgl. MwSt.
zzgl. 6,90 € Versand (brutto)
einmalig pro Bestellung

Lieferzeit: 5 Werktage

Pos.
16
BOSCH Zwischenscheibe | Ersatzteile für GRA 18V2-46 | 1600A02T2H
Hersteller: BOSCH
Artikelnummer: EB-3600HC8000-1600A02T2H
Netto: 5,67 € zzgl. MwSt.
zzgl. 6,90 € Versand (brutto)
einmalig pro Bestellung

Lieferzeit: 5 Werktage

Pos.
17
BOSCH Lüfter | Ersatzteile für GRA 18V2-46 | 1600A02T2J
Hersteller: BOSCH
Artikelnummer: EB-3600HC8000-1600A02T2J
Netto: 4,32 € zzgl. MwSt.
zzgl. 6,90 € Versand (brutto)
einmalig pro Bestellung

Lieferzeit: 5 Werktage

Pos.
23
BOSCH Schraube | Ersatzteile für GRA 18V2-46 | 16034300CE
Hersteller: BOSCH
Artikelnummer: EB-3600HC8000-16034300CE
Netto: 4,32 € zzgl. MwSt.
zzgl. 6,90 € Versand (brutto)
einmalig pro Bestellung

Lieferzeit: 5 Werktage

Pos.
24
BOSCH Sicherungselement | Ersatzteile für GRA 18V2-46 | 1600A02T2N
Hersteller: BOSCH
Artikelnummer: EB-3600HC8000-1600A02T2N
Netto: 5,67 € zzgl. MwSt.
zzgl. 6,90 € Versand (brutto)
einmalig pro Bestellung

Lieferzeit: 5 Werktage

Pos.
26
BOSCH Kontakthalter | Ersatzteile für GRA 18V2-46 | 1600A030L9
Hersteller: BOSCH
Artikelnummer: EB-3600HC8000-1600A030L9
Netto: 17,38 € zzgl. MwSt.
zzgl. 6,90 € Versand (brutto)
einmalig pro Bestellung

Lieferzeit: 5 Werktage

Pos.
27
BOSCH Etikett | Ersatzteile für GRA 18V2-46 | 1600A02Z4B
Hersteller: BOSCH
Artikelnummer: EB-3600HC8000-1600A02Z4B
Netto: 3,63 € zzgl. MwSt.
zzgl. 6,90 € Versand (brutto)
einmalig pro Bestellung

Lieferzeit: 5 Werktage

Pos.
30
BOSCH Stützplatte | Ersatzteile für GRA 18V2-46 | 1600A02T2P
Hersteller: BOSCH
Artikelnummer: EB-3600HC8000-1600A02T2P
Netto: 15,75 € zzgl. MwSt.
zzgl. 6,90 € Versand (brutto)
einmalig pro Bestellung

Lieferzeit: 5 Werktage

Pos.
32
BOSCH Höhenreisser | Ersatzteile für GRA 18V2-46 | 1600A02T2T
Hersteller: BOSCH
Artikelnummer: EB-3600HC8000-1600A02T2T
Netto: 3,94 € zzgl. MwSt.
zzgl. 6,90 € Versand (brutto)
einmalig pro Bestellung

Lieferzeit: 5 Werktage

Pos.
35
BOSCH Traggriff | Ersatzteile für GRA 18V2-46 | 1600A02T2V
Hersteller: BOSCH
Artikelnummer: EB-3600HC8000-1600A02T2V
Netto: 4,53 € zzgl. MwSt.
zzgl. 6,90 € Versand (brutto)
einmalig pro Bestellung

Lieferzeit: 5 Werktage

Pos.
36
BOSCH Kunststoffabdeckung | Ersatzteile für GRA 18V2-46 | 1600A02T2W
Hersteller: BOSCH
Artikelnummer: EB-3600HC8000-1600A02T2W
Netto: 4,82 € zzgl. MwSt.
zzgl. 6,90 € Versand (brutto)
einmalig pro Bestellung

Lieferzeit: 5 Werktage

Pos.
37
BOSCH Sechskantschraube | Ersatzteile für GRA 18V2-46 | 16034350AJ
Hersteller: BOSCH
Artikelnummer: EB-3600HC8000-16034350AJ
Netto: 4,82 € zzgl. MwSt.
zzgl. 6,90 € Versand (brutto)
einmalig pro Bestellung

Lieferzeit: 5 Werktage

Pos.
39
BOSCH Sechskantmutter | Ersatzteile für GRA 18V2-46 | 1600A02T7R
Hersteller: BOSCH
Artikelnummer: EB-3600HC8000-1600A02T7R
Netto: 4,82 € zzgl. MwSt.
zzgl. 6,90 € Versand (brutto)
einmalig pro Bestellung

Lieferzeit: 5 Werktage

Pos.
40
BOSCH Frontverkleidung | Ersatzteile für GRA 18V2-46 | 1600A02R3Y
Hersteller: BOSCH
Artikelnummer: EB-3600HC8000-1600A02R3Y
Netto: 7,76 € zzgl. MwSt.
zzgl. 6,90 € Versand (brutto)
einmalig pro Bestellung

Lieferzeit: 5 Werktage

Pos.
41
BOSCH Kamm | Ersatzteile für GRA 18V2-46 | 1600A02T2X
Hersteller: BOSCH
Artikelnummer: EB-3600HC8000-1600A02T2X
Netto: 4,82 € zzgl. MwSt.
zzgl. 6,90 € Versand (brutto)
einmalig pro Bestellung

Lieferzeit: 5 Werktage

Pos.
42
BOSCH Schraube | Ersatzteile für GRA 18V2-46 | 16034300CH
Hersteller: BOSCH
Artikelnummer: EB-3600HC8000-16034300CH
Netto: 3,94 € zzgl. MwSt.
zzgl. 6,90 € Versand (brutto)
einmalig pro Bestellung

Lieferzeit: 5 Werktage

Pos.
43
BOSCH Schraube | Ersatzteile für GRA 18V2-46 | 16034300CK
Hersteller: BOSCH
Artikelnummer: EB-3600HC8000-16034300CK
Netto: 3,63 € zzgl. MwSt.
zzgl. 6,90 € Versand (brutto)
einmalig pro Bestellung

Lieferzeit: 5 Werktage

Pos.
47
BOSCH Hebel | Ersatzteile für GRA 18V2-46 | 1600A03225
Hersteller: BOSCH
Artikelnummer: EB-3600HC8000-1600A03225
Netto: 6,70 € zzgl. MwSt.
zzgl. 6,90 € Versand (brutto)
einmalig pro Bestellung

Lieferzeit: 5 Werktage

Pos.
48
BOSCH Feder | Ersatzteile für GRA 18V2-46 | 1600A03226
Hersteller: BOSCH
Artikelnummer: EB-3600HC8000-1600A03226
Netto: 3,63 € zzgl. MwSt.
zzgl. 6,90 € Versand (brutto)
einmalig pro Bestellung

Lieferzeit: 5 Werktage

Pos.
49
BOSCH Sicherungsring | Ersatzteile für GRA 18V2-46 | 160015004J
Hersteller: BOSCH
Artikelnummer: EB-3600HC8000-160015004J
Netto: 3,63 € zzgl. MwSt.
zzgl. 6,90 € Versand (brutto)
einmalig pro Bestellung

Lieferzeit: 5 Werktage

Pos.
55
BOSCH Federscheibe | Ersatzteile für GRA 18V2-46 | 160015004E
Hersteller: BOSCH
Artikelnummer: EB-3600HC8000-160015004E
Netto: 3,94 € zzgl. MwSt.
zzgl. 6,90 € Versand (brutto)
einmalig pro Bestellung

Lieferzeit: 5 Werktage

Pos.
56
BOSCH Unterlegscheibe | Ersatzteile für GRA 18V2-46 | 1600A031C6
Hersteller: BOSCH
Artikelnummer: EB-3600HC8000-1600A031C6
Netto: 3,63 € zzgl. MwSt.
zzgl. 6,90 € Versand (brutto)
einmalig pro Bestellung

Lieferzeit: 5 Werktage

Pos.
58
BOSCH Pressscheibenwelle | Ersatzteile für GRA 18V2-46 | 1600A02T31
Hersteller: BOSCH
Artikelnummer: EB-3600HC8000-1600A02T31
Netto: 9,18 € zzgl. MwSt.
zzgl. 6,90 € Versand (brutto)
einmalig pro Bestellung

Lieferzeit: 5 Werktage

Pos.
59
BOSCH Pressscheibenwelle | Ersatzteile für GRA 18V2-46 | 1600A02T32
Hersteller: BOSCH
Artikelnummer: EB-3600HC8000-1600A02T32
Netto: 11,92 € zzgl. MwSt.
zzgl. 6,90 € Versand (brutto)
einmalig pro Bestellung

Lieferzeit: 5 Werktage

Pos.
61
BOSCH Zugfeder | Ersatzteile für GRA 18V2-46 | 1600A02T35
Hersteller: BOSCH
Artikelnummer: EB-3600HC8000-1600A02T35
Netto: 3,94 € zzgl. MwSt.
zzgl. 6,90 € Versand (brutto)
einmalig pro Bestellung

Lieferzeit: 5 Werktage

Pos.
62
BOSCH Gelenkteil | Ersatzteile für GRA 18V2-46 | 1600A02T36
Hersteller: BOSCH
Artikelnummer: EB-3600HC8000-1600A02T36
Netto: 6,15 € zzgl. MwSt.
zzgl. 6,90 € Versand (brutto)
einmalig pro Bestellung

Lieferzeit: 5 Werktage

Pos.
65
BOSCH Führungsleiste | Ersatzteile für GRA 18V2-46 | 1600A031C7
Hersteller: BOSCH
Artikelnummer: EB-3600HC8000-1600A031C7
Netto: 3,63 € zzgl. MwSt.
zzgl. 6,90 € Versand (brutto)
einmalig pro Bestellung

Lieferzeit: 5 Werktage

Pos.
69
BOSCH Auflageschaum | Ersatzteile für GRA 18V2-46 | 1600A02TU6
Hersteller: BOSCH
Artikelnummer: EB-3600HC8000-1600A02TU6
Netto: 3,63 € zzgl. MwSt.
zzgl. 6,90 € Versand (brutto)
einmalig pro Bestellung

Lieferzeit: 5 Werktage

Pos.
95
BOSCH Leitungshalter | Ersatzteile für GRA 18V2-46 | 1600A0323C
Hersteller: BOSCH
Artikelnummer: EB-3600HC8000-1600A0323C
Netto: 3,63 € zzgl. MwSt.
zzgl. 6,90 € Versand (brutto)
einmalig pro Bestellung

Lieferzeit: 5 Werktage

Pos.
651
BOSCH Akku-Paket | Ersatzteile für GRA 18V2-46 | 1607A350LR
Hersteller: BOSCH
Artikelnummer: EB-3600HC8000-1607A350LR
Netto: 153,18 € zzgl. MwSt.
zzgl. 6,90 € Versand (brutto)
einmalig pro Bestellung

Lieferzeit: 5 Werktage

Pos.
653
BOSCH Ladegerät | Ersatzteile für GRA 18V2-46 | 2607225923
Hersteller: BOSCH
Artikelnummer: EB-3600HC8000-2607225923
Netto: 106,72 € zzgl. MwSt.
zzgl. 6,90 € Versand (brutto)
einmalig pro Bestellung

Lieferzeit: 5 Werktage

Pos.
653
BOSCH Ladegerät EU GAL 1880 CV 230/14,4-18V | Ersatzteile für GRA 18V2-46 | 2607225921
Hersteller: BOSCH
Artikelnummer: EB-3600HC8000-2607225921
Netto: 106,72 € zzgl. MwSt.
zzgl. 6,90 € Versand (brutto)
einmalig pro Bestellung

Lieferzeit: 5 Werktage

Pos.
656
BOSCH Halterahmen | Ersatzteile für GRA 18V2-46 | 1600A02TX6
Hersteller: BOSCH
Artikelnummer: EB-3600HC8000-1600A02TX6
Netto: 19,18 € zzgl. MwSt.
zzgl. 6,90 € Versand (brutto)
einmalig pro Bestellung

Lieferzeit: 5 Werktage

Pos.
BOSCH Fangsack | Ersatzteile für GRA 18V2-46 | 1617S02373
Hersteller: BOSCH
Artikelnummer:
Netto: 21,16 € zzgl. MwSt.
zzgl. 6,90 € Versand (brutto)
einmalig pro Bestellung

Lieferzeit: 5 Werktage

Pos.
659
BOSCH Ablenkplatte | Ersatzteile für GRA 18V2-46 | 1600A02R3X
Hersteller: BOSCH
Artikelnummer: EB-3600HC8000-1600A02R3X
Netto: 6,70 € zzgl. MwSt.
zzgl. 6,90 € Versand (brutto)
einmalig pro Bestellung

Lieferzeit: 5 Werktage

Pos.
808
BOSCH Typschild | Ersatzteile für GRA 18V2-46 | F016F06189
Hersteller: BOSCH
Artikelnummer: EB-3600HC8000-F016F06189
Netto: 3,94 € zzgl. MwSt.
zzgl. 6,90 € Versand (brutto)
einmalig pro Bestellung

Lieferzeit: 5 Werktage

Pos.
809
BOSCH Schalteranbau | Ersatzteile für GRA 18V2-46 | F016F06190
Hersteller: BOSCH
Artikelnummer: EB-3600HC8000-F016F06190
Netto: 11,92 € zzgl. MwSt.
zzgl. 6,90 € Versand (brutto)
einmalig pro Bestellung

Lieferzeit: 5 Werktage

Pos.
810
BOSCH Handgriff-Set | Ersatzteile für GRA 18V2-46 | F016F06191
Hersteller: BOSCH
Artikelnummer: EB-3600HC8000-F016F06191
Netto: 14,36 € zzgl. MwSt.
zzgl. 6,90 € Versand (brutto)
einmalig pro Bestellung

Lieferzeit: 5 Werktage

Pos.
811
BOSCH Stützplatte | Ersatzteile für GRA 18V2-46 | F016F06192
Hersteller: BOSCH
Artikelnummer: EB-3600HC8000-F016F06192
Netto: 14,36 € zzgl. MwSt.
zzgl. 6,90 € Versand (brutto)
einmalig pro Bestellung

Lieferzeit: 5 Werktage

Pos.
812
BOSCH Pressscheibenwelle | Ersatzteile für GRA 18V2-46 | F016F06193
Hersteller: BOSCH
Artikelnummer: EB-3600HC8000-F016F06193
Netto: 4,82 € zzgl. MwSt.
zzgl. 6,90 € Versand (brutto)
einmalig pro Bestellung

Lieferzeit: 5 Werktage

Pos.
813
BOSCH Schutzlappen | Ersatzteile für GRA 18V2-46 | F016F06194
Hersteller: BOSCH
Artikelnummer: EB-3600HC8000-F016F06194
Netto: 9,95 € zzgl. MwSt.
zzgl. 6,90 € Versand (brutto)
einmalig pro Bestellung

Lieferzeit: 5 Werktage

Pos.
814
BOSCH Batteriedeckel | Ersatzteile für GRA 18V2-46 | F016F06195
Hersteller: BOSCH
Artikelnummer: EB-3600HC8000-F016F06195
Netto: 8,33 € zzgl. MwSt.
zzgl. 6,90 € Versand (brutto)
einmalig pro Bestellung

Lieferzeit: 5 Werktage

Pos.
815
BOSCH Flügelmutter | Ersatzteile für GRA 18V2-46 | F016F06196
Hersteller: BOSCH
Artikelnummer: EB-3600HC8000-F016F06196
Netto: 5,19 € zzgl. MwSt.
zzgl. 6,90 € Versand (brutto)
einmalig pro Bestellung

Lieferzeit: 5 Werktage

Pos.
816
BOSCH Handgriff-Set | Ersatzteile für GRA 18V2-46 | F016F06197
Hersteller: BOSCH
Artikelnummer: EB-3600HC8000-F016F06197
Netto: 15,75 € zzgl. MwSt.
zzgl. 6,90 € Versand (brutto)
einmalig pro Bestellung

Lieferzeit: 5 Werktage

Pos.
817
BOSCH Schalteranbau | Ersatzteile für GRA 18V2-46 | F016F06198
Hersteller: BOSCH
Artikelnummer: EB-3600HC8000-F016F06198
Netto: 9,18 € zzgl. MwSt.
zzgl. 6,90 € Versand (brutto)
einmalig pro Bestellung

Lieferzeit: 5 Werktage

Pos.
818
BOSCH Gleichstrommotor | Ersatzteile für GRA 18V2-46 | F016F06199
Hersteller: BOSCH
Artikelnummer: EB-3600HC8000-F016F06199
Netto: 135,20 € zzgl. MwSt.
zzgl. 6,90 € Versand (brutto)
einmalig pro Bestellung

Lieferzeit: 5 Werktage

Pos.
819
BOSCH Knopfgriff | Ersatzteile für GRA 18V2-46 | F016F06200
Hersteller: BOSCH
Artikelnummer: EB-3600HC8000-F016F06200
Netto: 4,53 € zzgl. MwSt.
zzgl. 6,90 € Versand (brutto)
einmalig pro Bestellung

Lieferzeit: 5 Werktage

Pos.
820
BOSCH Batteriegehäuse | Ersatzteile für GRA 18V2-46 | F016F06201
Hersteller: BOSCH
Artikelnummer: EB-3600HC8000-F016F06201
Netto: 19,18 € zzgl. MwSt.
zzgl. 6,90 € Versand (brutto)
einmalig pro Bestellung

Lieferzeit: 5 Werktage

Pos.
821
BOSCH Rad | Ersatzteile für GRA 18V2-46 | F016F06202
Hersteller: BOSCH
Artikelnummer: EB-3600HC8000-F016F06202
Netto: 15,75 € zzgl. MwSt.
zzgl. 6,90 € Versand (brutto)
einmalig pro Bestellung

Lieferzeit: 5 Werktage

Pos.
822
BOSCH Schraube | Ersatzteile für GRA 18V2-46 | F016F06203
Hersteller: BOSCH
Artikelnummer: EB-3600HC8000-F016F06203
Netto: 4,53 € zzgl. MwSt.
zzgl. 6,90 € Versand (brutto)
einmalig pro Bestellung

Lieferzeit: 5 Werktage

Pos.
823
BOSCH Rad | Ersatzteile für GRA 18V2-46 | F016F06204
Hersteller: BOSCH
Artikelnummer: EB-3600HC8000-F016F06204
Netto: 9,95 € zzgl. MwSt.
zzgl. 6,90 € Versand (brutto)
einmalig pro Bestellung

Lieferzeit: 5 Werktage

Pos.
824
BOSCH Befestigungselement | Ersatzteile für GRA 18V2-46 | F016F06205
Hersteller: BOSCH
Artikelnummer: EB-3600HC8000-F016F06205
Netto: 4,53 € zzgl. MwSt.
zzgl. 6,90 € Versand (brutto)
einmalig pro Bestellung

Lieferzeit: 5 Werktage

Pos.
825
BOSCH Klinge | Ersatzteile für GRA 18V2-46 | F016F06206
Hersteller: BOSCH
Artikelnummer: EB-3600HC8000-F016F06206
Netto: 10,92 € zzgl. MwSt.
zzgl. 6,90 € Versand (brutto)
einmalig pro Bestellung

Lieferzeit: 63 Werktage

Angaben zur Produktsicherheit

Hersteller:
Robert Bosch Power Tools GmbH
Postfach 30 02 20
70442 Stuttgart

E-Mail:
kontakt@bosch.de