BOSCH Typschild | Ersatzteile für GRT 18V-33 | F016F06043

Artikelnummer: EB-3600HD0000-F016F06043

Position: 808

Marke: BOSCH


Bitte Kompatibilität prüfen!

Bitte prüfen Sie unbedingt die 10-stellige Typennummer Ihrer Maschine / Ihres Gerätes. Das Ersatzteil ist nur kompatibel, wenn Sie die Typennummer Ihrer Maschine in der unten stehenden Produktbeschreibung finden.

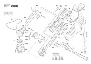
Bitte prüfen Sie ebenfalls detailliert die Explosionszeichnung mit Ihrem Artikelwunsch und der jeweiligen Pos-Nummer.

Alle Elemente, welche vom schwarzen Strich der Pos-Nummer ausgehend berührt / erfasst werden, gehören zu dieser Pos-Nummer und somit zu diesem Artikel. Jede Pos-Nummer ist ein eigenständiger Artikel, welchen Sie in der Auflistung finden.

Sie erhalten stets die aktuellste, neueste Produktversion zu der gewählten Pos-Nummer seitens des Herstellers. Es kann daher je nach Gerätealter vorkommen, dass Sie ggf. weitere, zugehörige Elemente, welche an diese Pos-Nummer grenzen, ebenfalls mittauschen müssen.

Nähere Informationen finden Sie unter dem Link
Hinweise zu Ihrer BOSCH Ersatzteilsuche

Preisübersicht

Einzelpreis: 4,53 €* (Brutto: 5,39 €)
Gesamtpreis: 4,53 €* 
Position:

Lieferzeit: 5 Werktage


Beschreibung

  • Typschild
  • Original Bosch Zubehör / BOSCH Ersatzteil (F016F06043)
  • im Gerät verbaut: 1
Dieses BOSCH Ersatzteil ist mit folgendem Gerät und Modell kompatibel:
  • BOSCH Gerätename: GRT 18V-33
  • BOSCH Explosionszeichnung: Position 808
  • BOSCH Typennummer: 3600HD0000
  • BOSCH Typennummer alternative Schreibweisen: 3 600 HD0 000, 3600 HD0 000, 3.600.HD0.000, 3-600-HD0-000
    Bitte prüfen Sie diese Typennummer auf Ihrem Gerät um die Kompatibilität des BOSCH Ersatzteils zu gewährleisten.
Weitere BOSCH Ersatzteile des Gerätes GRT 18V-33 (Hw-Rasentrimmer) mit der Typennummer 3600HD0000 finden Sie in der nachfolgenden Darstellung und im Dropdown zu Ihrer Auswahl:

Pos.
840/42
BOSCH Klinge | Ersatzteile für GRT 18V-33 | F016L78449
Hersteller: BOSCH
Artikelnummer: EB-3600HD0000-F016L78449
Netto: 4,53 € zzgl. MwSt.
zzgl. 6,90 € Versand (brutto)
einmalig pro Bestellung

Lieferzeit: 5 Werktage

Pos.
840/43
BOSCH Schraube | Ersatzteile für GRT 18V-33 | F016L78456
Hersteller: BOSCH
Artikelnummer: EB-3600HD0000-F016L78456
Netto: 3,63 € zzgl. MwSt.
zzgl. 6,90 € Versand (brutto)
einmalig pro Bestellung

Lieferzeit: 5 Werktage

Pos.
848/49
BOSCH Kunststoffseil | Ersatzteile für GRT 18V-33 | F016L78457
Hersteller: BOSCH
Artikelnummer: EB-3600HD0000-F016L78457
Netto: 7,76 € zzgl. MwSt.
zzgl. 6,90 € Versand (brutto)
einmalig pro Bestellung

Lieferzeit: 5 Werktage

Pos.
9
BOSCH Firmenschild GFR 18V-33 | Ersatzteile für GRT 18V-33 | F016L78918
Hersteller: BOSCH
Artikelnummer: EB-3600HD0000-F016L78918
Netto: 4,53 € zzgl. MwSt.
zzgl. 6,90 € Versand (brutto)
einmalig pro Bestellung

Lieferzeit: 5 Werktage

Pos.
13
BOSCH Partikelfilter | Ersatzteile für GRT 18V-33 | F016L78911
Hersteller: BOSCH
Artikelnummer: EB-3600HD0000-F016L78911
Netto: 3,94 € zzgl. MwSt.
zzgl. 6,90 € Versand (brutto)
einmalig pro Bestellung

Lieferzeit: 5 Werktage

Pos.
14
BOSCH Tragrahmen | Ersatzteile für GRT 18V-33 | F016L78907
Hersteller: BOSCH
Artikelnummer: EB-3600HD0000-F016L78907
Netto: 4,32 € zzgl. MwSt.
zzgl. 6,90 € Versand (brutto)
einmalig pro Bestellung

Lieferzeit: 5 Werktage

Pos.
15
BOSCH Ventilator | Ersatzteile für GRT 18V-33 | F016L78459
Hersteller: BOSCH
Artikelnummer: EB-3600HD0000-F016L78459
Netto: 7,30 € zzgl. MwSt.
zzgl. 6,90 € Versand (brutto)
einmalig pro Bestellung

Lieferzeit: 5 Werktage

Pos.
16
BOSCH Druckfeder | Ersatzteile für GRT 18V-33 | F016L79073
Hersteller: BOSCH
Artikelnummer: EB-3600HD0000-F016L79073
Netto: 3,63 € zzgl. MwSt.
zzgl. 6,90 € Versand (brutto)
einmalig pro Bestellung

Lieferzeit: 5 Werktage

Pos.
19
BOSCH Schraube | Ersatzteile für GRT 18V-33 | F016L78439
Hersteller: BOSCH
Artikelnummer: EB-3600HD0000-F016L78439
Netto: 3,63 € zzgl. MwSt.
zzgl. 6,90 € Versand (brutto)
einmalig pro Bestellung

Lieferzeit: 5 Werktage

Pos.
22
BOSCH Tülle | Ersatzteile für GRT 18V-33 | F016L78908
Hersteller: BOSCH
Artikelnummer: EB-3600HD0000-F016L78908
Netto: 4,32 € zzgl. MwSt.
zzgl. 6,90 € Versand (brutto)
einmalig pro Bestellung

Lieferzeit: 5 Werktage

Pos.
23
BOSCH Auslöser | Ersatzteile für GRT 18V-33 | F016L78412
Hersteller: BOSCH
Artikelnummer: EB-3600HD0000-F016L78412
Netto: 4,32 € zzgl. MwSt.
zzgl. 6,90 € Versand (brutto)
einmalig pro Bestellung

Lieferzeit: 5 Werktage

Pos.
24
BOSCH Taste | Ersatzteile für GRT 18V-33 | F016L78413
Hersteller: BOSCH
Artikelnummer: EB-3600HD0000-F016L78413
Netto: 3,94 € zzgl. MwSt.
zzgl. 6,90 € Versand (brutto)
einmalig pro Bestellung

Lieferzeit: 5 Werktage

Pos.
25
BOSCH Feder | Ersatzteile für GRT 18V-33 | F016L78438
Hersteller: BOSCH
Artikelnummer: EB-3600HD0000-F016L78438
Netto: 3,63 € zzgl. MwSt.
zzgl. 6,90 € Versand (brutto)
einmalig pro Bestellung

Lieferzeit: 5 Werktage

Pos.
26
BOSCH Griff | Ersatzteile für GRT 18V-33 | F016L78902
Hersteller: BOSCH
Artikelnummer: EB-3600HD0000-F016L78902
Netto: 9,18 € zzgl. MwSt.
zzgl. 6,90 € Versand (brutto)
einmalig pro Bestellung

Lieferzeit: 5 Werktage

Pos.
29
BOSCH Scheibe | Ersatzteile für GRT 18V-33 | F016L78701
Hersteller: BOSCH
Artikelnummer: EB-3600HD0000-F016L78701
Netto: 3,63 € zzgl. MwSt.
zzgl. 6,90 € Versand (brutto)
einmalig pro Bestellung

Lieferzeit: 5 Werktage

Pos.
30
BOSCH Bolzen | Ersatzteile für GRT 18V-33 | F016L78447
Hersteller: BOSCH
Artikelnummer: EB-3600HD0000-F016L78447
Netto: 3,94 € zzgl. MwSt.
zzgl. 6,90 € Versand (brutto)
einmalig pro Bestellung

Lieferzeit: 5 Werktage

Pos.
39
BOSCH Anstossschutz | Ersatzteile für GRT 18V-33 | F016L78582
Hersteller: BOSCH
Artikelnummer: EB-3600HD0000-F016L78582
Netto: 6,15 € zzgl. MwSt.
zzgl. 6,90 € Versand (brutto)
einmalig pro Bestellung

Lieferzeit: 5 Werktage

Pos.
51
BOSCH Feder | Ersatzteile für GRT 18V-33 | F016L78778
Hersteller: BOSCH
Artikelnummer: EB-3600HD0000-F016L78778
Netto: 3,63 € zzgl. MwSt.
zzgl. 6,90 € Versand (brutto)
einmalig pro Bestellung

Lieferzeit: 5 Werktage

Pos.
59
BOSCH Ring | Ersatzteile für GRT 18V-33 | F016L78913
Hersteller: BOSCH
Artikelnummer: EB-3600HD0000-F016L78913
Netto: 3,94 € zzgl. MwSt.
zzgl. 6,90 € Versand (brutto)
einmalig pro Bestellung

Lieferzeit: 5 Werktage

Pos.
669
BOSCH Tragegurt | Ersatzteile für GRT 18V-33 | F016L79090
Hersteller: BOSCH
Artikelnummer: EB-3600HD0000-F016L79090
Netto: 9,18 € zzgl. MwSt.
zzgl. 6,90 € Versand (brutto)
einmalig pro Bestellung

Lieferzeit: 5 Werktage

Pos.
801
BOSCH Motorbaugruppe | Ersatzteile für GRT 18V-33 | F016F06032
Hersteller: BOSCH
Artikelnummer: EB-3600HD0000-F016F06032
Netto: 63,99 € zzgl. MwSt.
zzgl. 6,90 € Versand (brutto)
einmalig pro Bestellung

Lieferzeit: 5 Werktage

Pos.
808
BOSCH Typschild | Ersatzteile für GRT 18V-33 | F016F06043
Hersteller: BOSCH
Artikelnummer: EB-3600HD0000-F016F06043
Netto: 4,53 € zzgl. MwSt.
zzgl. 6,90 € Versand (brutto)
einmalig pro Bestellung

Lieferzeit: 5 Werktage

Pos.
810
BOSCH Gehäuse | Ersatzteile für GRT 18V-33 | F016F06034
Hersteller: BOSCH
Artikelnummer: EB-3600HD0000-F016F06034
Netto: 35,77 € zzgl. MwSt.
zzgl. 6,90 € Versand (brutto)
einmalig pro Bestellung

Lieferzeit: 5 Werktage

Pos.
817
BOSCH EL-Baugruppe | Ersatzteile für GRT 18V-33 | F016F06035
Hersteller: BOSCH
Artikelnummer: EB-3600HD0000-F016F06035
Netto: 70,50 € zzgl. MwSt.
zzgl. 6,90 € Versand (brutto)
einmalig pro Bestellung

Lieferzeit: 5 Werktage

Pos.
821
BOSCH Rohr | Ersatzteile für GRT 18V-33 | F016F06036
Hersteller: BOSCH
Artikelnummer: EB-3600HD0000-F016F06036
Netto: 24,13 € zzgl. MwSt.
zzgl. 6,90 € Versand (brutto)
einmalig pro Bestellung

Lieferzeit: 5 Werktage

Pos.
827
BOSCH Berührungsschutz | Ersatzteile für GRT 18V-33 | F016F06037
Hersteller: BOSCH
Artikelnummer: EB-3600HD0000-F016F06037
Netto: 6,15 € zzgl. MwSt.
zzgl. 6,90 € Versand (brutto)
einmalig pro Bestellung

Lieferzeit: 5 Werktage

Pos.
835
BOSCH Elektr Leitung | Ersatzteile für GRT 18V-33 | F016F06038
Hersteller: BOSCH
Artikelnummer: EB-3600HD0000-F016F06038
Netto: 24,13 € zzgl. MwSt.
zzgl. 6,90 € Versand (brutto)
einmalig pro Bestellung

Lieferzeit: 5 Werktage

Pos.
838
BOSCH Partikelfilter | Ersatzteile für GRT 18V-33 | F016F06039
Hersteller: BOSCH
Artikelnummer: EB-3600HD0000-F016F06039
Netto: 3,94 € zzgl. MwSt.
zzgl. 6,90 € Versand (brutto)
einmalig pro Bestellung

Lieferzeit: 5 Werktage

Pos.
840
BOSCH Schutz | Ersatzteile für GRT 18V-33 | F016F05840
Hersteller: BOSCH
Artikelnummer: EB-3600HD0000-F016F05840
Netto: 7,30 € zzgl. MwSt.
zzgl. 6,90 € Versand (brutto)
einmalig pro Bestellung

Lieferzeit: 5 Werktage

Pos.
847
BOSCH Ventilator | Ersatzteile für GRT 18V-33 | F016F05867
Hersteller: BOSCH
Artikelnummer: EB-3600HD0000-F016F05867
Netto: 9,18 € zzgl. MwSt.
zzgl. 6,90 € Versand (brutto)
einmalig pro Bestellung

Lieferzeit: 5 Werktage

Pos.
848
BOSCH Fadenspender | Ersatzteile für GRT 18V-33 | F016F05841
Hersteller: BOSCH
Artikelnummer: EB-3600HD0000-F016F05841
Netto: 26,88 € zzgl. MwSt.
zzgl. 6,90 € Versand (brutto)
einmalig pro Bestellung

Lieferzeit: 63 Werktage

Pos.
851
BOSCH Akku-Paket | Ersatzteile für GRT 18V-33 | 1617S02279
Hersteller: BOSCH
Artikelnummer: EB-3600HD0000-1617S02279
Netto: 111,10 € zzgl. MwSt.
zzgl. 6,90 € Versand (brutto)
einmalig pro Bestellung

Lieferzeit: 5 Werktage

Pos.
851
BOSCH Akku-Paket BBS MR, 18V, 5,0 Ah 48 S | Ersatzteile für GRT 18V-33 | 2607337069
Hersteller: BOSCH
Artikelnummer: EB-3600HD0000-2607337069
Netto: 91,88 € zzgl. MwSt.
zzgl. 6,90 € Versand (brutto)
einmalig pro Bestellung

Lieferzeit: 5 Werktage

Pos.
853
BOSCH Schnell-Lader | Ersatzteile für GRT 18V-33 | 2607226251
Hersteller: BOSCH
Artikelnummer: EB-3600HD0000-2607226251
nur Informationsartikel
Nie mehr lieferbar
keine Alternativen
Pos.
853
BOSCH Schnell-Lader AUS GAL 18V-40 | Ersatzteile für GRT 18V-33 | 2607226255
Hersteller: BOSCH
Artikelnummer: EB-3600HD0000-2607226255
nur Informationsartikel
Nie mehr lieferbar
keine Alternativen

Angaben zur Produktsicherheit

Hersteller:
Robert Bosch Power Tools GmbH
Postfach 30 02 20
70442 Stuttgart

E-Mail:
kontakt@bosch.de