BOSCH Halterahmen | Ersatzteile für GRW18V-160 | 1619PS1761

Artikelnummer: EB-3601AC3010-1619PS1761

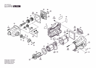
Position: 66

Marke: BOSCH


Bitte Kompatibilität prüfen!

Bitte prüfen Sie unbedingt die 10-stellige Typennummer Ihrer Maschine / Ihres Gerätes. Das Ersatzteil ist nur kompatibel, wenn Sie die Typennummer Ihrer Maschine in der unten stehenden Produktbeschreibung finden.

Bitte prüfen Sie ebenfalls detailliert die Explosionszeichnung mit Ihrem Artikelwunsch und der jeweiligen Pos-Nummer.

Alle Elemente, welche vom schwarzen Strich der Pos-Nummer ausgehend berührt / erfasst werden, gehören zu dieser Pos-Nummer und somit zu diesem Artikel. Jede Pos-Nummer ist ein eigenständiger Artikel, welchen Sie in der Auflistung finden.

Sie erhalten stets die aktuellste, neueste Produktversion zu der gewählten Pos-Nummer seitens des Herstellers. Es kann daher je nach Gerätealter vorkommen, dass Sie ggf. weitere, zugehörige Elemente, welche an diese Pos-Nummer grenzen, ebenfalls mittauschen müssen.

Nähere Informationen finden Sie unter dem Link
Hinweise zu Ihrer BOSCH Ersatzteilsuche

Preisübersicht

Einzelpreis: 14,36 €* (Brutto: 17,09 €)
Gesamtpreis: 14,36 €* 
Position:

Lieferzeit: 5 Werktage


Beschreibung

  • Halterahmen
  • Original Bosch Zubehör / BOSCH Ersatzteil (1619PS1761)
  • im Gerät verbaut: 1
Dieses BOSCH Ersatzteil ist mit folgendem Gerät und Modell kompatibel:
  • BOSCH Gerätename: GRW18V-160
  • BOSCH Explosionszeichnung: Position 66
  • BOSCH Typennummer: 3601AC3010
  • BOSCH Typennummer alternative Schreibweisen: 3 601 AC3 010, 3601 AC3 010, 3.601.AC3.010, 3-601-AC3-010
    Bitte prüfen Sie diese Typennummer auf Ihrem Gerät um die Kompatibilität des BOSCH Ersatzteils zu gewährleisten.
Weitere BOSCH Ersatzteile des Gerätes GRW18V-160 (Mischer) mit der Typennummer 3601AC3010 finden Sie in der nachfolgenden Darstellung und im Dropdown zu Ihrer Auswahl:

Pos.
1
BOSCH Motorgehäuse | Ersatzteile für GRW18V-160 | 1619PS1711
Hersteller: BOSCH
Artikelnummer: EB-3601AC3010-1619PS1711
Netto: 4,53 € zzgl. MwSt.
zzgl. 6,90 € Versand (brutto)
einmalig pro Bestellung

Lieferzeit: 5 Werktage

Pos.
2
BOSCH Stator | Ersatzteile für GRW18V-160 | 1619PS1712
Hersteller: BOSCH
Artikelnummer: EB-3601AC3010-1619PS1712
Netto: 29,45 € zzgl. MwSt.
zzgl. 6,90 € Versand (brutto)
einmalig pro Bestellung

Lieferzeit: 5 Werktage

Pos.
4
BOSCH Schalter | Ersatzteile für GRW18V-160 | 1619PS1714
Hersteller: BOSCH
Artikelnummer: EB-3601AC3010-1619PS1714
Netto: 14,36 € zzgl. MwSt.
zzgl. 6,90 € Versand (brutto)
einmalig pro Bestellung

Lieferzeit: 5 Werktage

Pos.
7
BOSCH Torx-Linsenschraube | Ersatzteile für GRW18V-160 | 1619PS1716
Hersteller: BOSCH
Artikelnummer: EB-3601AC3010-1619PS1716
Netto: 3,63 € zzgl. MwSt.
zzgl. 6,90 € Versand (brutto)
einmalig pro Bestellung

Lieferzeit: 5 Werktage

Pos.
8
BOSCH Warnzettel | Ersatzteile für GRW18V-160 | 1619PS1719
Hersteller: BOSCH
Artikelnummer: EB-3601AC3010-1619PS1719
Nie mehr lieferbar
keine Alternativen
Pos.
9
BOSCH Firmenschild | Ersatzteile für GRW18V-160 | 1619PS1721
Hersteller: BOSCH
Artikelnummer: EB-3601AC3010-1619PS1721
Nie mehr lieferbar
keine Alternativen
Pos.
10
BOSCH Etikett | Ersatzteile für GRW18V-160 | 1619PS4393
Hersteller: BOSCH
Artikelnummer: EB-3601AC3010-1619PS4393
nur Informationsartikel
Nie mehr lieferbar
keine Alternativen
Pos.
11
BOSCH Warnzettel | Ersatzteile für GRW18V-160 | 1619PS1317
Hersteller: BOSCH
Artikelnummer: EB-3601AC3010-1619PS1317
Netto: 4,82 € zzgl. MwSt.
zzgl. 6,90 € Versand (brutto)
einmalig pro Bestellung

Lieferzeit: 5 Werktage

Pos.
13
BOSCH Schaltblech | Ersatzteile für GRW18V-160 | 1619PS1724
Hersteller: BOSCH
Artikelnummer: EB-3601AC3010-1619PS1724
Netto: 3,94 € zzgl. MwSt.
zzgl. 6,90 € Versand (brutto)
einmalig pro Bestellung

Lieferzeit: 5 Werktage

Pos.
14
BOSCH O-Ring | Ersatzteile für GRW18V-160 | 1619PS1725
Hersteller: BOSCH
Artikelnummer: EB-3601AC3010-1619PS1725
Netto: 4,53 € zzgl. MwSt.
zzgl. 6,90 € Versand (brutto)
einmalig pro Bestellung

Lieferzeit: 5 Werktage

Pos.
15
BOSCH Kugel | Ersatzteile für GRW18V-160 | 1619PC1737
Hersteller: BOSCH
Artikelnummer: EB-3601AC3010-1619PC1737
Netto: 3,63 € zzgl. MwSt.
zzgl. 6,90 € Versand (brutto)
einmalig pro Bestellung

Lieferzeit: 5 Werktage

Pos.
16
BOSCH Schwingfeder | Ersatzteile für GRW18V-160 | 1619PC1738
Hersteller: BOSCH
Artikelnummer: EB-3601AC3010-1619PC1738
Netto: 3,63 € zzgl. MwSt.
zzgl. 6,90 € Versand (brutto)
einmalig pro Bestellung

Lieferzeit: 5 Werktage

Pos.
17
BOSCH Schalthebelknopf | Ersatzteile für GRW18V-160 | 1619PC1740
Hersteller: BOSCH
Artikelnummer: EB-3601AC3010-1619PC1740
Netto: 3,63 € zzgl. MwSt.
zzgl. 6,90 € Versand (brutto)
einmalig pro Bestellung

Lieferzeit: 5 Werktage

Pos.
18
BOSCH Torx-Linsenschraube | Ersatzteile für GRW18V-160 | 1619PS1726
Hersteller: BOSCH
Artikelnummer: EB-3601AC3010-1619PS1726
Netto: 3,63 € zzgl. MwSt.
zzgl. 6,90 € Versand (brutto)
einmalig pro Bestellung

Lieferzeit: 5 Werktage

Pos.
19
BOSCH Deckblech | Ersatzteile für GRW18V-160 | 1619PC1741
Hersteller: BOSCH
Artikelnummer: EB-3601AC3010-1619PC1741
Netto: 3,63 € zzgl. MwSt.
zzgl. 6,90 € Versand (brutto)
einmalig pro Bestellung

Lieferzeit: 5 Werktage

Pos.
20
BOSCH Zylinderstift | Ersatzteile für GRW18V-160 | 1619PC1731
Hersteller: BOSCH
Artikelnummer: EB-3601AC3010-1619PC1731
Netto: 3,63 € zzgl. MwSt.
zzgl. 6,90 € Versand (brutto)
einmalig pro Bestellung

Lieferzeit: 5 Werktage

Pos.
22
BOSCH Zahnwelle | Ersatzteile für GRW18V-160 | 1619PS1728
Hersteller: BOSCH
Artikelnummer: EB-3601AC3010-1619PS1728
Netto: 8,33 € zzgl. MwSt.
zzgl. 6,90 € Versand (brutto)
einmalig pro Bestellung

Lieferzeit: 5 Werktage

Pos.
23
BOSCH Zahnrad | Ersatzteile für GRW18V-160 | 1619PS1729
Hersteller: BOSCH
Artikelnummer: EB-3601AC3010-1619PS1729
Netto: 7,76 € zzgl. MwSt.
zzgl. 6,90 € Versand (brutto)
einmalig pro Bestellung

Lieferzeit: 5 Werktage

Pos.
30
BOSCH Getriebewelle | Ersatzteile für GRW18V-160 | 1619PS1733
Hersteller: BOSCH
Artikelnummer: EB-3601AC3010-1619PS1733
Netto: 8,33 € zzgl. MwSt.
zzgl. 6,90 € Versand (brutto)
einmalig pro Bestellung

Lieferzeit: 5 Werktage

Pos.
36
BOSCH Dichtplatte | Ersatzteile für GRW18V-160 | 1619PS1735
Hersteller: BOSCH
Artikelnummer: EB-3601AC3010-1619PS1735
Netto: 3,63 € zzgl. MwSt.
zzgl. 6,90 € Versand (brutto)
einmalig pro Bestellung

Lieferzeit: 5 Werktage

Pos.
38
BOSCH O-Ring | Ersatzteile für GRW18V-160 | 1619PS1737
Hersteller: BOSCH
Artikelnummer: EB-3601AC3010-1619PS1737
Netto: 3,63 € zzgl. MwSt.
zzgl. 6,90 € Versand (brutto)
einmalig pro Bestellung

Lieferzeit: 5 Werktage

Pos.
43
BOSCH Luftleitring | Ersatzteile für GRW18V-160 | 1619PS1741
Hersteller: BOSCH
Artikelnummer: EB-3601AC3010-1619PS1741
Netto: 3,63 € zzgl. MwSt.
zzgl. 6,90 € Versand (brutto)
einmalig pro Bestellung

Lieferzeit: 5 Werktage

Pos.
44
BOSCH Torx-Linsenschraube | Ersatzteile für GRW18V-160 | 1619PS1742
Hersteller: BOSCH
Artikelnummer: EB-3601AC3010-1619PS1742
Netto: 3,63 € zzgl. MwSt.
zzgl. 6,90 € Versand (brutto)
einmalig pro Bestellung

Lieferzeit: 5 Werktage

Pos.
45
BOSCH Ferrit | Ersatzteile für GRW18V-160 | 1619PS1296
Hersteller: BOSCH
Artikelnummer: EB-3601AC3010-1619PS1296
Netto: 3,63 € zzgl. MwSt.
zzgl. 6,90 € Versand (brutto)
einmalig pro Bestellung

Lieferzeit: 5 Werktage

Pos.
46
BOSCH Torx-Linsenschraube | Ersatzteile für GRW18V-160 | 1619PS1743
Hersteller: BOSCH
Artikelnummer: EB-3601AC3010-1619PS1743
Netto: 3,63 € zzgl. MwSt.
zzgl. 6,90 € Versand (brutto)
einmalig pro Bestellung

Lieferzeit: 5 Werktage

Pos.
47
BOSCH Torx-Linsenschraube | Ersatzteile für GRW18V-160 | 1619PS1744
Hersteller: BOSCH
Artikelnummer: EB-3601AC3010-1619PS1744
Netto: 3,63 € zzgl. MwSt.
zzgl. 6,90 € Versand (brutto)
einmalig pro Bestellung

Lieferzeit: 5 Werktage

Pos.
48
BOSCH Gerätegehäuse | Ersatzteile für GRW18V-160 | 1619PS1745
Hersteller: BOSCH
Artikelnummer: EB-3601AC3010-1619PS1745
Netto: 7,76 € zzgl. MwSt.
zzgl. 6,90 € Versand (brutto)
einmalig pro Bestellung

Lieferzeit: 5 Werktage

Pos.
49
BOSCH Gerätegehäuse | Ersatzteile für GRW18V-160 | 1619PS1746
Hersteller: BOSCH
Artikelnummer: EB-3601AC3010-1619PS1746
Netto: 7,76 € zzgl. MwSt.
zzgl. 6,90 € Versand (brutto)
einmalig pro Bestellung

Lieferzeit: 5 Werktage

Pos.
50
BOSCH Ferrit | Ersatzteile für GRW18V-160 | 1619PS1325
Hersteller: BOSCH
Artikelnummer: EB-3601AC3010-1619PS1325
Netto: 3,63 € zzgl. MwSt.
zzgl. 6,90 € Versand (brutto)
einmalig pro Bestellung

Lieferzeit: 5 Werktage

Pos.
51
BOSCH Elektronikmodul | Ersatzteile für GRW18V-160 | 1619PS1747
Hersteller: BOSCH
Artikelnummer: EB-3601AC3010-1619PS1747
Netto: 86,83 € zzgl. MwSt.
zzgl. 6,90 € Versand (brutto)
einmalig pro Bestellung

Lieferzeit: 5 Werktage

Pos.
52
BOSCH Torx-Linsenschraube | Ersatzteile für GRW18V-160 | 1619PS1748
Hersteller: BOSCH
Artikelnummer: EB-3601AC3010-1619PS1748
Netto: 3,63 € zzgl. MwSt.
zzgl. 6,90 € Versand (brutto)
einmalig pro Bestellung

Lieferzeit: 5 Werktage

Pos.
53
BOSCH Kontakthalter | Ersatzteile für GRW18V-160 | 1619PS1749
Hersteller: BOSCH
Artikelnummer: EB-3601AC3010-1619PS1749
Netto: 14,36 € zzgl. MwSt.
zzgl. 6,90 € Versand (brutto)
einmalig pro Bestellung

Lieferzeit: 5 Werktage

Pos.
54
BOSCH LED-Modul | Ersatzteile für GRW18V-160 | 1619PS1750
Hersteller: BOSCH
Artikelnummer: EB-3601AC3010-1619PS1750
Netto: 3,94 € zzgl. MwSt.
zzgl. 6,90 € Versand (brutto)
einmalig pro Bestellung

Lieferzeit: 5 Werktage

Pos.
55
BOSCH Abdeckung | Ersatzteile für GRW18V-160 | 1619PS1751
Hersteller: BOSCH
Artikelnummer: EB-3601AC3010-1619PS1751
Netto: 3,94 € zzgl. MwSt.
zzgl. 6,90 € Versand (brutto)
einmalig pro Bestellung

Lieferzeit: 5 Werktage

Pos.
57
BOSCH Schwingfeder | Ersatzteile für GRW18V-160 | 1619PS1753
Hersteller: BOSCH
Artikelnummer: EB-3601AC3010-1619PS1753
Netto: 3,63 € zzgl. MwSt.
zzgl. 6,90 € Versand (brutto)
einmalig pro Bestellung

Lieferzeit: 5 Werktage

Pos.
58
BOSCH Schliesshebel | Ersatzteile für GRW18V-160 | 1619PS1754
Hersteller: BOSCH
Artikelnummer: EB-3601AC3010-1619PS1754
Netto: 3,63 € zzgl. MwSt.
zzgl. 6,90 € Versand (brutto)
einmalig pro Bestellung

Lieferzeit: 5 Werktage

Pos.
59
BOSCH Abdeckung | Ersatzteile für GRW18V-160 | 1619PS1755
Hersteller: BOSCH
Artikelnummer: EB-3601AC3010-1619PS1755
Netto: 3,63 € zzgl. MwSt.
zzgl. 6,90 € Versand (brutto)
einmalig pro Bestellung

Lieferzeit: 5 Werktage

Pos.
60
BOSCH Griffschale | Ersatzteile für GRW18V-160 | 1619PS1756
Hersteller: BOSCH
Artikelnummer: EB-3601AC3010-1619PS1756
Netto: 6,15 € zzgl. MwSt.
zzgl. 6,90 € Versand (brutto)
einmalig pro Bestellung

Lieferzeit: 5 Werktage

Pos.
61
BOSCH Griffschale | Ersatzteile für GRW18V-160 | 1619PS1757
Hersteller: BOSCH
Artikelnummer: EB-3601AC3010-1619PS1757
Netto: 6,15 € zzgl. MwSt.
zzgl. 6,90 € Versand (brutto)
einmalig pro Bestellung

Lieferzeit: 5 Werktage

Pos.
62
BOSCH Stellrad | Ersatzteile für GRW18V-160 | 1619PS1758
Hersteller: BOSCH
Artikelnummer: EB-3601AC3010-1619PS1758
Netto: 5,19 € zzgl. MwSt.
zzgl. 6,90 € Versand (brutto)
einmalig pro Bestellung

Lieferzeit: 5 Werktage

Pos.
63
BOSCH Gummi-Ohrkissen | Ersatzteile für GRW18V-160 | 1619PS1759
Hersteller: BOSCH
Artikelnummer: EB-3601AC3010-1619PS1759
Netto: 3,94 € zzgl. MwSt.
zzgl. 6,90 € Versand (brutto)
einmalig pro Bestellung

Lieferzeit: 5 Werktage

Pos.
64
BOSCH Griffschale | Ersatzteile für GRW18V-160 | 1619PS1760
Hersteller: BOSCH
Artikelnummer: EB-3601AC3010-1619PS1760
Netto: 6,15 € zzgl. MwSt.
zzgl. 6,90 € Versand (brutto)
einmalig pro Bestellung

Lieferzeit: 5 Werktage

Pos.
65
BOSCH Etikett | Ersatzteile für GRW18V-160 | 1619PS1752
Hersteller: BOSCH
Artikelnummer: EB-3601AC3010-1619PS1752
Netto: 4,82 € zzgl. MwSt.
zzgl. 6,90 € Versand (brutto)
einmalig pro Bestellung

Lieferzeit: 5 Werktage

Pos.
66
BOSCH Halterahmen | Ersatzteile für GRW18V-160 | 1619PS1761
Hersteller: BOSCH
Artikelnummer: EB-3601AC3010-1619PS1761
Netto: 14,36 € zzgl. MwSt.
zzgl. 6,90 € Versand (brutto)
einmalig pro Bestellung

Lieferzeit: 5 Werktage

Pos.
67
BOSCH Griffschale | Ersatzteile für GRW18V-160 | 1619PS1762
Hersteller: BOSCH
Artikelnummer: EB-3601AC3010-1619PS1762
Netto: 6,15 € zzgl. MwSt.
zzgl. 6,90 € Versand (brutto)
einmalig pro Bestellung

Lieferzeit: 5 Werktage

Pos.
68
BOSCH Gummi-Ohrkissen | Ersatzteile für GRW18V-160 | 1619PS1763
Hersteller: BOSCH
Artikelnummer: EB-3601AC3010-1619PS1763
Netto: 3,94 € zzgl. MwSt.
zzgl. 6,90 € Versand (brutto)
einmalig pro Bestellung

Lieferzeit: 5 Werktage

Pos.
69
BOSCH Gummi-Ohrkissen | Ersatzteile für GRW18V-160 | 1619PS1764
Hersteller: BOSCH
Artikelnummer: EB-3601AC3010-1619PS1764
Netto: 4,32 € zzgl. MwSt.
zzgl. 6,90 € Versand (brutto)
einmalig pro Bestellung

Lieferzeit: 5 Werktage

Pos.
70
BOSCH Schutzdeckel | Ersatzteile für GRW18V-160 | 1619PS1765
Hersteller: BOSCH
Artikelnummer: EB-3601AC3010-1619PS1765
Netto: 6,15 € zzgl. MwSt.
zzgl. 6,90 € Versand (brutto)
einmalig pro Bestellung

Lieferzeit: 5 Werktage

Pos.
71
BOSCH Schutzdeckel | Ersatzteile für GRW18V-160 | 1619PS1766
Hersteller: BOSCH
Artikelnummer: EB-3601AC3010-1619PS1766
Netto: 6,15 € zzgl. MwSt.
zzgl. 6,90 € Versand (brutto)
einmalig pro Bestellung

Lieferzeit: 5 Werktage

Pos.
75
BOSCH Unterlegscheibe | Ersatzteile für GRW18V-160 | 1619PS1727
Hersteller: BOSCH
Artikelnummer: EB-3601AC3010-1619PS1727
Netto: 3,63 € zzgl. MwSt.
zzgl. 6,90 € Versand (brutto)
einmalig pro Bestellung

Lieferzeit: 5 Werktage

Pos.
76
BOSCH Torx-Linsenschraube | Ersatzteile für GRW18V-160 | 1619PS1731
Hersteller: BOSCH
Artikelnummer: EB-3601AC3010-1619PS1731
Netto: 3,63 € zzgl. MwSt.
zzgl. 6,90 € Versand (brutto)
einmalig pro Bestellung

Lieferzeit: 5 Werktage

Pos.
77
BOSCH Gummi-Ohrkissen | Ersatzteile für GRW18V-160 | 1619PS1767
Hersteller: BOSCH
Artikelnummer: EB-3601AC3010-1619PS1767
Netto: 4,32 € zzgl. MwSt.
zzgl. 6,90 € Versand (brutto)
einmalig pro Bestellung

Lieferzeit: 5 Werktage

Pos.
79
BOSCH Typschild | Ersatzteile für GRW18V-160 | 1619PS1739
Hersteller: BOSCH
Artikelnummer: EB-3601AC3010-1619PS1739
Nie mehr lieferbar
keine Alternativen
Pos.
80
BOSCH Warnzettel | Ersatzteile für GRW18V-160 | 1619PS1740
Hersteller: BOSCH
Artikelnummer: EB-3601AC3010-1619PS1740
Nie mehr lieferbar
keine Alternativen
Pos.
81
BOSCH Getriebekasten | Ersatzteile für GRW18V-160 | 1619PS1769
Hersteller: BOSCH
Artikelnummer: EB-3601AC3010-1619PS1769
Netto: 29,45 € zzgl. MwSt.
zzgl. 6,90 € Versand (brutto)
einmalig pro Bestellung

Lieferzeit: 5 Werktage

Pos.
82
BOSCH Zwischenflansch | Ersatzteile für GRW18V-160 | 1619PS1770
Hersteller: BOSCH
Artikelnummer: EB-3601AC3010-1619PS1770
Netto: 9,18 € zzgl. MwSt.
zzgl. 6,90 € Versand (brutto)
einmalig pro Bestellung

Lieferzeit: 5 Werktage

Pos.
83
BOSCH Rotor | Ersatzteile für GRW18V-160 | 1619PS1771
Hersteller: BOSCH
Artikelnummer: EB-3601AC3010-1619PS1771
Netto: 32,74 € zzgl. MwSt.
zzgl. 6,90 € Versand (brutto)
einmalig pro Bestellung

Lieferzeit: 5 Werktage

Pos.
84
BOSCH Einrückhebel | Ersatzteile für GRW18V-160 | 1619PS1732
Hersteller: BOSCH
Artikelnummer: EB-3601AC3010-1619PS1732
Netto: 7,30 € zzgl. MwSt.
zzgl. 6,90 € Versand (brutto)
einmalig pro Bestellung

Lieferzeit: 5 Werktage

Pos.
652
BOSCH Montierschlüssel 22/24 | Ersatzteile für GRW18V-160 | 1619PS1321
Hersteller: BOSCH
Artikelnummer: EB-3601AC3010-1619PS1321
Netto: 4,82 € zzgl. MwSt.
zzgl. 6,90 € Versand (brutto)
einmalig pro Bestellung

Lieferzeit: 5 Werktage

Pos.
653
BOSCH Erweiterung | Ersatzteile für GRW18V-160 | 1619PS1772
Hersteller: BOSCH
Artikelnummer: EB-3601AC3010-1619PS1772
Netto: 7,76 € zzgl. MwSt.
zzgl. 6,90 € Versand (brutto)
einmalig pro Bestellung

Lieferzeit: 5 Werktage

Pos.
656
BOSCH Ladegerät USA BC 1880 CV 13,3-18V/120V | Ersatzteile für GRW18V-160 | 2607225927
Hersteller: BOSCH
Artikelnummer: EB-3601AC3010-2607225927
nur Informationsartikel
Nie mehr lieferbar
keine Alternativen
Pos.
657
BOSCH Akku-Paket | Ersatzteile für GRW18V-160 | 1607A350AU
Hersteller: BOSCH
Artikelnummer: EB-3601AC3010-1607A350AU
Netto: 228,08 € zzgl. MwSt.
zzgl. 6,90 € Versand (brutto)
einmalig pro Bestellung

Lieferzeit: 5 Werktage

Pos.
890
BOSCH Fetttube 225 ML | Ersatzteile für GRW18V-160 | 1615430015
Hersteller: BOSCH
Artikelnummer: EB-3601AC3010-1615430015
Netto: 32,74 € zzgl. MwSt.
zzgl. 6,90 € Versand (brutto)
einmalig pro Bestellung

Lieferzeit: 5 Werktage

Angaben zur Produktsicherheit

Hersteller:
Robert Bosch Power Tools GmbH
Postfach 30 02 20
70442 Stuttgart

E-Mail:
kontakt@bosch.de