BOSCH Innensechskantschraube | Ersatzteile für GSA 1100 PE | 2610990042

Artikelnummer: EB-0601634742-2610990042

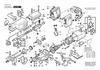
Position: 84

Marke: BOSCH


Bitte Kompatibilität prüfen!

Bitte prüfen Sie unbedingt die 10-stellige Typennummer Ihrer Maschine / Ihres Gerätes. Das Ersatzteil ist nur kompatibel, wenn Sie die Typennummer Ihrer Maschine in der unten stehenden Produktbeschreibung finden.

Bitte prüfen Sie ebenfalls detailliert die Explosionszeichnung mit Ihrem Artikelwunsch und der jeweiligen Pos-Nummer.

Alle Elemente, welche vom schwarzen Strich der Pos-Nummer ausgehend berührt / erfasst werden, gehören zu dieser Pos-Nummer und somit zu diesem Artikel. Jede Pos-Nummer ist ein eigenständiger Artikel, welchen Sie in der Auflistung finden.

Sie erhalten stets die aktuellste, neueste Produktversion zu der gewählten Pos-Nummer seitens des Herstellers. Es kann daher je nach Gerätealter vorkommen, dass Sie ggf. weitere, zugehörige Elemente, welche an diese Pos-Nummer grenzen, ebenfalls mittauschen müssen.

Nähere Informationen finden Sie unter dem Link
Hinweise zu Ihrer BOSCH Ersatzteilsuche

Preisübersicht

Einzelpreis: 4,53 €* (Brutto: 5,39 €)
Gesamtpreis: 4,53 €* 
Position:

Lieferzeit: 5 Werktage


Beschreibung

  • Innensechskantschraube
  • Original Bosch Zubehör / BOSCH Ersatzteil (2610990042)
  • im Gerät verbaut: 1
Dieses BOSCH Ersatzteil ist mit folgendem Gerät und Modell kompatibel:
  • BOSCH Gerätename: GSA 1100 PE
  • BOSCH Explosionszeichnung: Position 84
  • BOSCH Typennummer: 0601634742
  • BOSCH Typennummer alternative Schreibweisen: 0 601 634 742, 0601 634 742, 0.601.634.742, 0-601-634-742
    Bitte prüfen Sie diese Typennummer auf Ihrem Gerät um die Kompatibilität des BOSCH Ersatzteils zu gewährleisten.
Weitere BOSCH Ersatzteile des Gerätes GSA 1100 PE (Handkreissäge) mit der Typennummer 0601634742 finden Sie in der nachfolgenden Darstellung und im Dropdown zu Ihrer Auswahl:

Pos.
1
BOSCH Motorgehäuse BLAU | Ersatzteile für GSA 1100 PE | 3605108590
Hersteller: BOSCH
Artikelnummer: EB-0601634742-3605108590
nur Informationsartikel
Nie mehr lieferbar
keine Alternativen
Pos.
751/1
BOSCH Winkelschraubendreher DIN 911-4 | Ersatzteile für GSA 1100 PE | 2607950004
Hersteller: BOSCH
Artikelnummer: EB-0601634742-2607950004
Netto: 3,94 € zzgl. MwSt.
zzgl. 6,90 € Versand (brutto)
einmalig pro Bestellung

Lieferzeit: 5 Werktage

Pos.
751/5
BOSCH Innensechskantschraube DIN 912-M5x12-12.9 | Ersatzteile für GSA 1100 PE | 2910405154
Hersteller: BOSCH
Artikelnummer: EB-0601634742-2910405154
Netto: 3,63 € zzgl. MwSt.
zzgl. 6,90 € Versand (brutto)
einmalig pro Bestellung

Lieferzeit: 5 Werktage

Pos.
816/3
BOSCH Kohlebürstensatz | Ersatzteile für GSA 1100 PE | 2610007957
Hersteller: BOSCH
Artikelnummer: EB-0601634742-2610007957
Netto: 9,95 € zzgl. MwSt.
zzgl. 6,90 € Versand (brutto)
einmalig pro Bestellung

Lieferzeit: 5 Werktage

Pos.
816/4
BOSCH Feder | Ersatzteile für GSA 1100 PE | 3604652501
Hersteller: BOSCH
Artikelnummer: EB-0601634742-3604652501
Netto: 5,17 € zzgl. MwSt.
zzgl. 6,90 € Versand (brutto)
einmalig pro Bestellung

Lieferzeit: 5 Werktage

Pos.
2
BOSCH Polschuh 230V | Ersatzteile für GSA 1100 PE | 2610908848
Hersteller: BOSCH
Artikelnummer: EB-0601634742-2610908848
nur Informationsartikel
Nie mehr lieferbar
keine Alternativen
Pos.
3
BOSCH Anker 230V | Ersatzteile für GSA 1100 PE | 2610908849
Hersteller: BOSCH
Artikelnummer: EB-0601634742-2610908849
nur Informationsartikel
Nie mehr lieferbar
keine Alternativen
Pos.
4
BOSCH Schalter | Ersatzteile für GSA 1100 PE | 2607200209
Hersteller: BOSCH
Artikelnummer: EB-0601634742-2607200209
Netto: 35,77 € zzgl. MwSt.
zzgl. 6,90 € Versand (brutto)
einmalig pro Bestellung

Lieferzeit: 5 Werktage

Pos.
5
BOSCH Netzanschlussleitung GB 4,25m 2 x 1,5mm H05RR-F | Ersatzteile für GSA 1100 PE | 2610994465
Hersteller: BOSCH
Artikelnummer: EB-0601634742-2610994465
nur Informationsartikel
Nie mehr lieferbar
keine Alternativen
Pos.
6
BOSCH Tülle Ø 9,4 MM | Ersatzteile für GSA 1100 PE | 3600703508
Hersteller: BOSCH
Artikelnummer: EB-0601634742-3600703508
Netto: 4,53 € zzgl. MwSt.
zzgl. 6,90 € Versand (brutto)
einmalig pro Bestellung

Lieferzeit: 5 Werktage

Pos.
7
BOSCH Leitungshalter | Ersatzteile für GSA 1100 PE | 2601035001
Hersteller: BOSCH
Artikelnummer: EB-0601634742-2601035001
Netto: 3,94 € zzgl. MwSt.
zzgl. 6,90 € Versand (brutto)
einmalig pro Bestellung

Lieferzeit: 5 Werktage

Pos.
9
BOSCH Firmenschild | Ersatzteile für GSA 1100 PE | 2610908850
Hersteller: BOSCH
Artikelnummer: EB-0601634742-2610908850
nur Informationsartikel
Nie mehr lieferbar
keine Alternativen
Pos.
12
BOSCH Entstörfilter | Ersatzteile für GSA 1100 PE | 1617328025
Hersteller: BOSCH
Artikelnummer: EB-0601634742-1617328025
nur Informationsartikel
Nie mehr lieferbar
keine Alternativen
Pos.
13
BOSCH Kugellager | Ersatzteile für GSA 1100 PE | 1619P01511
Hersteller: BOSCH
Artikelnummer: EB-0601634742-1619P01511
Netto: 7,30 € zzgl. MwSt.
zzgl. 6,90 € Versand (brutto)
einmalig pro Bestellung

Lieferzeit: 5 Werktage

Pos.
14
BOSCH Rillenkugellager 12x28x8 | Ersatzteile für GSA 1100 PE | 1900905161
Hersteller: BOSCH
Artikelnummer: EB-0601634742-1900905161
Netto: 19,18 € zzgl. MwSt.
zzgl. 6,90 € Versand (brutto)
einmalig pro Bestellung

Lieferzeit: 5 Werktage

Pos.
21
BOSCH Bürstendeckel | Ersatzteile für GSA 1100 PE | 3605500601
Hersteller: BOSCH
Artikelnummer: EB-0601634742-3605500601
nur Informationsartikel
Nie mehr lieferbar
keine Alternativen
Pos.
23
BOSCH Gummibuchse | Ersatzteile für GSA 1100 PE | 3600206501
Hersteller: BOSCH
Artikelnummer: EB-0601634742-3600206501
nur Informationsartikel
Nie mehr lieferbar
keine Alternativen
Pos.
24
BOSCH Entstörkondensator | Ersatzteile für GSA 1100 PE | 2610993583
Hersteller: BOSCH
Artikelnummer: EB-0601634742-2610993583
nur Informationsartikel
Nie mehr lieferbar
keine Alternativen
Pos.
30
BOSCH Handgriff SCHWARZ | Ersatzteile für GSA 1100 PE | 3605133532
Hersteller: BOSCH
Artikelnummer: EB-0601634742-3605133532
Netto: 7,66 € zzgl. MwSt.
zzgl. 6,90 € Versand (brutto)
einmalig pro Bestellung

Lieferzeit: 5 Werktage

Pos.
31
BOSCH Getriebegehäuse SCHWARZ | Ersatzteile für GSA 1100 PE | 2610908886
Hersteller: BOSCH
Artikelnummer: EB-0601634742-2610908886
Netto: 42,86 € zzgl. MwSt.
zzgl. 6,90 € Versand (brutto)
einmalig pro Bestellung

Lieferzeit: 5 Werktage

Pos.
32
BOSCH Gehäusedeckel | Ersatzteile für GSA 1100 PE | 2610994423
Hersteller: BOSCH
Artikelnummer: EB-0601634742-2610994423
nur Informationsartikel
Nie mehr lieferbar
keine Alternativen
Pos.
34
BOSCH Lagerbuchse | Ersatzteile für GSA 1100 PE | 2610908695
Hersteller: BOSCH
Artikelnummer: EB-0601634742-2610908695
nur Informationsartikel
Nie mehr lieferbar
keine Alternativen
Pos.
35
BOSCH Lagerbuchse | Ersatzteile für GSA 1100 PE | 2610908696
Hersteller: BOSCH
Artikelnummer: EB-0601634742-2610908696
Netto: 6,70 € zzgl. MwSt.
zzgl. 6,90 € Versand (brutto)
einmalig pro Bestellung

Lieferzeit: 5 Werktage

Pos.
36
BOSCH Schubstange | Ersatzteile für GSA 1100 PE | 2610994483
Hersteller: BOSCH
Artikelnummer: EB-0601634742-2610994483
Netto: 32,74 € zzgl. MwSt.
zzgl. 6,90 € Versand (brutto)
einmalig pro Bestellung

Lieferzeit: 5 Werktage

Pos.
37
BOSCH Lagerschale | Ersatzteile für GSA 1100 PE | 2610908698
Hersteller: BOSCH
Artikelnummer: EB-0601634742-2610908698
Netto: 7,76 € zzgl. MwSt.
zzgl. 6,90 € Versand (brutto)
einmalig pro Bestellung

Lieferzeit: 5 Werktage

Pos.
38
BOSCH Filzring | Ersatzteile für GSA 1100 PE | 2610908699
Hersteller: BOSCH
Artikelnummer: EB-0601634742-2610908699
nur Informationsartikel
Nie mehr lieferbar
keine Alternativen
Pos.
39
BOSCH Dichtung | Ersatzteile für GSA 1100 PE | 2610908800
Hersteller: BOSCH
Artikelnummer: EB-0601634742-2610908800
Netto: 6,69 € zzgl. MwSt.
zzgl. 6,90 € Versand (brutto)
einmalig pro Bestellung

Lieferzeit: 5 Werktage

Pos.
40
BOSCH Schutzscheibe | Ersatzteile für GSA 1100 PE | 2610908801
Hersteller: BOSCH
Artikelnummer: EB-0601634742-2610908801
Netto: 4,82 € zzgl. MwSt.
zzgl. 6,90 € Versand (brutto)
einmalig pro Bestellung

Lieferzeit: 5 Werktage

Pos.
41
BOSCH Zahnrad | Ersatzteile für GSA 1100 PE | 2610908802
Hersteller: BOSCH
Artikelnummer: EB-0601634742-2610908802
Netto: 11,41 € zzgl. MwSt.
zzgl. 6,90 € Versand (brutto)
einmalig pro Bestellung

Lieferzeit: 5 Werktage

Pos.
42
BOSCH Optikträger | Ersatzteile für GSA 1100 PE | 2610908803
Hersteller: BOSCH
Artikelnummer: EB-0601634742-2610908803
nur Informationsartikel
Nie mehr lieferbar
keine Alternativen
Pos.
43
BOSCH Schutzscheibe | Ersatzteile für GSA 1100 PE | 2610908804
Hersteller: BOSCH
Artikelnummer: EB-0601634742-2610908804
nur Informationsartikel
Nie mehr lieferbar
keine Alternativen
Pos.
44
BOSCH Lagerbrücke | Ersatzteile für GSA 1100 PE | 2610908805
Hersteller: BOSCH
Artikelnummer: EB-0601634742-2610908805
Netto: 11,92 € zzgl. MwSt.
zzgl. 6,90 € Versand (brutto)
einmalig pro Bestellung

Lieferzeit: 5 Werktage

Pos.
46
BOSCH Druckfeder | Ersatzteile für GSA 1100 PE | 2610908807
Hersteller: BOSCH
Artikelnummer: EB-0601634742-2610908807
Netto: 4,53 € zzgl. MwSt.
zzgl. 6,90 € Versand (brutto)
einmalig pro Bestellung

Lieferzeit: 5 Werktage

Pos.
48
BOSCH Isoliergehäuse | Ersatzteile für GSA 1100 PE | 2610908871
Hersteller: BOSCH
Artikelnummer: EB-0601634742-2610908871
nur Informationsartikel
Nie mehr lieferbar
keine Alternativen
Pos.
53
BOSCH Ausgleichgewicht | Ersatzteile für GSA 1100 PE | 2610908814
Hersteller: BOSCH
Artikelnummer: EB-0601634742-2610908814
nur Informationsartikel
Nie mehr lieferbar
keine Alternativen
Pos.
54
BOSCH Taumelscheibe | Ersatzteile für GSA 1100 PE | 2610991390
Hersteller: BOSCH
Artikelnummer: EB-0601634742-2610991390
nur Informationsartikel
Nie mehr lieferbar
keine Alternativen
Pos.
55
BOSCH Rastkappe | Ersatzteile für GSA 1100 PE | 2600590006
Hersteller: BOSCH
Artikelnummer: EB-0601634742-2600590006
Netto: 3,94 € zzgl. MwSt.
zzgl. 6,90 € Versand (brutto)
einmalig pro Bestellung

Lieferzeit: 5 Werktage

Pos.
59
BOSCH Flachstecker | Ersatzteile für GSA 1100 PE | 1604477005
Hersteller: BOSCH
Artikelnummer: EB-0601634742-1604477005
Netto: 3,94 € zzgl. MwSt.
zzgl. 6,90 € Versand (brutto)
einmalig pro Bestellung

Lieferzeit: 5 Werktage

Pos.
60
BOSCH Torx-Linsenschraube 3x10 | Ersatzteile für GSA 1100 PE | 2603490017
Hersteller: BOSCH
Artikelnummer: EB-0601634742-2603490017
Netto: 4,32 € zzgl. MwSt.
zzgl. 6,90 € Versand (brutto)
einmalig pro Bestellung

Lieferzeit: 5 Werktage

Pos.
61
BOSCH Blechschraube DIN 7981-3,9x19-C-Z-ST | Ersatzteile für GSA 1100 PE | 2912401020
Hersteller: BOSCH
Artikelnummer: EB-0601634742-2912401020
Netto: 3,63 € zzgl. MwSt.
zzgl. 6,90 € Versand (brutto)
einmalig pro Bestellung

Lieferzeit: 5 Werktage

Pos.
62
BOSCH Blechschraube DIN 7971-BZ4,2x25 | Ersatzteile für GSA 1100 PE | 2910611029
Hersteller: BOSCH
Artikelnummer: EB-0601634742-2910611029
Netto: 4,53 € zzgl. MwSt.
zzgl. 6,90 € Versand (brutto)
einmalig pro Bestellung

Lieferzeit: 5 Werktage

Pos.
63
BOSCH Blechschraube ST-4,8x57,5-TORX,T20 | Ersatzteile für GSA 1100 PE | 1613435009
Hersteller: BOSCH
Artikelnummer: EB-0601634742-1613435009
Netto: 3,94 € zzgl. MwSt.
zzgl. 6,90 € Versand (brutto)
einmalig pro Bestellung

Lieferzeit: 5 Werktage

Pos.
64
BOSCH Innensechskantschraube DIN 912-M5x55-12.9 | Ersatzteile für GSA 1100 PE | 2910401176
Hersteller: BOSCH
Artikelnummer: EB-0601634742-2910401176
nur Informationsartikel
Nie mehr lieferbar
keine Alternativen
Pos.
65
BOSCH Gewindefurchschraube | Ersatzteile für GSA 1100 PE | 3603410505
Hersteller: BOSCH
Artikelnummer: EB-0601634742-3603410505
Netto: 3,94 € zzgl. MwSt.
zzgl. 6,90 € Versand (brutto)
einmalig pro Bestellung

Lieferzeit: 5 Werktage

Pos.
66
BOSCH Innensechskantschraube DIN 912-M5x40-8.8 | Ersatzteile für GSA 1100 PE | 2910141170
Hersteller: BOSCH
Artikelnummer: EB-0601634742-2910141170
Netto: 4,53 € zzgl. MwSt.
zzgl. 6,90 € Versand (brutto)
einmalig pro Bestellung

Lieferzeit: 5 Werktage

Pos.
67
BOSCH Zylinderstift DIN 6325-6m6x60 | Ersatzteile für GSA 1100 PE | 2917530163
Hersteller: BOSCH
Artikelnummer: EB-0601634742-2917530163
nur Informationsartikel
Nie mehr lieferbar
keine Alternativen
Pos.
69
BOSCH Sicherungsring | Ersatzteile für GSA 1100 PE | 2610908818
Hersteller: BOSCH
Artikelnummer: EB-0601634742-2610908818
nur Informationsartikel
Nie mehr lieferbar
keine Alternativen
Pos.
70
BOSCH Sicherungsscheibe | Ersatzteile für GSA 1100 PE | 3600149500
Hersteller: BOSCH
Artikelnummer: EB-0601634742-3600149500
Netto: 4,53 € zzgl. MwSt.
zzgl. 6,90 € Versand (brutto)
einmalig pro Bestellung

Lieferzeit: 5 Werktage

Pos.
71
BOSCH Sicherungsring | Ersatzteile für GSA 1100 PE | 2610908867
Hersteller: BOSCH
Artikelnummer: EB-0601634742-2610908867
Netto: 4,53 € zzgl. MwSt.
zzgl. 6,90 € Versand (brutto)
einmalig pro Bestellung

Lieferzeit: 5 Werktage

Pos.
72
BOSCH Sicherungsring | Ersatzteile für GSA 1100 PE | 2610908819
Hersteller: BOSCH
Artikelnummer: EB-0601634742-2610908819
Netto: 4,53 € zzgl. MwSt.
zzgl. 6,90 € Versand (brutto)
einmalig pro Bestellung

Lieferzeit: 5 Werktage

Pos.
73
BOSCH O-Ring | Ersatzteile für GSA 1100 PE | 2610908820
Hersteller: BOSCH
Artikelnummer: EB-0601634742-2610908820
Netto: 3,63 € zzgl. MwSt.
zzgl. 6,90 € Versand (brutto)
einmalig pro Bestellung

Lieferzeit: 5 Werktage

Pos.
74
BOSCH Zylinderstift DIN 6325-3M6x16 | Ersatzteile für GSA 1100 PE | 2917530079
Hersteller: BOSCH
Artikelnummer: EB-0601634742-2917530079
Netto: 3,63 € zzgl. MwSt.
zzgl. 6,90 € Versand (brutto)
einmalig pro Bestellung

Lieferzeit: 5 Werktage

Pos.
75
BOSCH Sechskantmutter DIN 934-M5-10 | Ersatzteile für GSA 1100 PE | 2915011062
Hersteller: BOSCH
Artikelnummer: EB-0601634742-2915011062
Netto: 3,63 € zzgl. MwSt.
zzgl. 6,90 € Versand (brutto)
einmalig pro Bestellung

Lieferzeit: 5 Werktage

Pos.
79
BOSCH Schaftschraube | Ersatzteile für GSA 1100 PE | 2610908870
Hersteller: BOSCH
Artikelnummer: EB-0601634742-2610908870
Netto: 11,58 € zzgl. MwSt.
zzgl. 6,90 € Versand (brutto)
einmalig pro Bestellung

Lieferzeit: 5 Werktage

Pos.
81
BOSCH Unterlegscheibe DIN 433-5,3-ST | Ersatzteile für GSA 1100 PE | 2916011011
Hersteller: BOSCH
Artikelnummer: EB-0601634742-2916011011
nur Informationsartikel
Nie mehr lieferbar
keine Alternativen
Pos.
83
BOSCH Sechskantmutter DIN 934-M8-8-A | Ersatzteile für GSA 1100 PE | 2915011009
Hersteller: BOSCH
Artikelnummer: EB-0601634742-2915011009
Netto: 4,53 € zzgl. MwSt.
zzgl. 6,90 € Versand (brutto)
einmalig pro Bestellung

Lieferzeit: 5 Werktage

Pos.
84
BOSCH Innensechskantschraube | Ersatzteile für GSA 1100 PE | 2610990042
Hersteller: BOSCH
Artikelnummer: EB-0601634742-2610990042
Netto: 4,53 € zzgl. MwSt.
zzgl. 6,90 € Versand (brutto)
einmalig pro Bestellung

Lieferzeit: 5 Werktage

Pos.
85
BOSCH Tellerscheibe | Ersatzteile für GSA 1100 PE | 2610909343
Hersteller: BOSCH
Artikelnummer: EB-0601634742-2610909343
Netto: 7,30 € zzgl. MwSt.
zzgl. 6,90 € Versand (brutto)
einmalig pro Bestellung

Lieferzeit: 5 Werktage

Pos.
86
BOSCH Isolator | Ersatzteile für GSA 1100 PE | 2610911031
Hersteller: BOSCH
Artikelnummer: EB-0601634742-2610911031
Netto: 4,53 € zzgl. MwSt.
zzgl. 6,90 € Versand (brutto)
einmalig pro Bestellung

Lieferzeit: 5 Werktage

Pos.
87
BOSCH Federring DIN 127-B 5 | Ersatzteile für GSA 1100 PE | 2916683006
Hersteller: BOSCH
Artikelnummer: EB-0601634742-2916683006
Netto: 3,94 € zzgl. MwSt.
zzgl. 6,90 € Versand (brutto)
einmalig pro Bestellung

Lieferzeit: 5 Werktage

Pos.
89
BOSCH Vorlegscheibe | Ersatzteile für GSA 1100 PE | 2610990026
Hersteller: BOSCH
Artikelnummer: EB-0601634742-2610990026
Netto: 4,53 € zzgl. MwSt.
zzgl. 6,90 € Versand (brutto)
einmalig pro Bestellung

Lieferzeit: 5 Werktage

Pos.
90
BOSCH Schraube | Ersatzteile für GSA 1100 PE | 2610991396
Hersteller: BOSCH
Artikelnummer: EB-0601634742-2610991396
Netto: 3,60 € zzgl. MwSt.
zzgl. 6,90 € Versand (brutto)
einmalig pro Bestellung

Lieferzeit: 5 Werktage

Pos.
91
BOSCH Dichtstreifen | Ersatzteile für GSA 1100 PE | 2610993597
Hersteller: BOSCH
Artikelnummer: EB-0601634742-2610993597
Netto: 4,53 € zzgl. MwSt.
zzgl. 6,90 € Versand (brutto)
einmalig pro Bestellung

Lieferzeit: 5 Werktage

Pos.
92
BOSCH Zylinderschraube M3x6,5-4.8 | Ersatzteile für GSA 1100 PE | 2603410001
Hersteller: BOSCH
Artikelnummer: EB-0601634742-2603410001
Netto: 3,94 € zzgl. MwSt.
zzgl. 6,90 € Versand (brutto)
einmalig pro Bestellung

Lieferzeit: 5 Werktage

Pos.
653
BOSCH Zusatzhandgriff M8x20 MM SCHWARZ | Ersatzteile für GSA 1100 PE | 3602025500
Hersteller: BOSCH
Artikelnummer: EB-0601634742-3602025500
nur Informationsartikel
Nie mehr lieferbar
keine Alternativen
Pos.
751
BOSCH Messerhalter | Ersatzteile für GSA 1100 PE | 2610908852
Hersteller: BOSCH
Artikelnummer: EB-0601634742-2610908852
nur Informationsartikel
Nie mehr lieferbar
keine Alternativen
Pos.
753
BOSCH Spannbügel | Ersatzteile für GSA 1100 PE | 1609203175
Hersteller: BOSCH
Artikelnummer: EB-0601634742-1609203175
nur Informationsartikel
Nie mehr lieferbar
keine Alternativen
Pos.
754
BOSCH Vakuumadapter | Ersatzteile für GSA 1100 PE | 2610990442
Hersteller: BOSCH
Artikelnummer: EB-0601634742-2610990442
nur Informationsartikel
Nie mehr lieferbar
keine Alternativen
Pos.
808
BOSCH Typschild | Ersatzteile für GSA 1100 PE | 3601119595
Hersteller: BOSCH
Artikelnummer: EB-0601634742-3601119595
Netto: 5,19 € zzgl. MwSt.
zzgl. 6,90 € Versand (brutto)
einmalig pro Bestellung

Lieferzeit: 5 Werktage

Pos.
816
BOSCH Bürstenhalter | Ersatzteile für GSA 1100 PE | 3604336506
Hersteller: BOSCH
Artikelnummer: EB-0601634742-3604336506
nur Informationsartikel
Nie mehr lieferbar
keine Alternativen
Pos.
826
BOSCH Dichtplatte | Ersatzteile für GSA 1100 PE | 2610908688
Hersteller: BOSCH
Artikelnummer: EB-0601634742-2610908688
Netto: 17,38 € zzgl. MwSt.
zzgl. 6,90 € Versand (brutto)
einmalig pro Bestellung

Lieferzeit: 5 Werktage

Pos.
829
BOSCH Ersatzteilsatz | Ersatzteile für GSA 1100 PE | 2610992459
Hersteller: BOSCH
Artikelnummer: EB-0601634742-2610992459
Netto: 11,92 € zzgl. MwSt.
zzgl. 6,90 € Versand (brutto)
einmalig pro Bestellung

Lieferzeit: 5 Werktage

Pos.
833
BOSCH Lagergehäuse | Ersatzteile für GSA 1100 PE | 2610991391
Hersteller: BOSCH
Artikelnummer: EB-0601634742-2610991391
Netto: 42,86 € zzgl. MwSt.
zzgl. 6,90 € Versand (brutto)
einmalig pro Bestellung

Lieferzeit: 5 Werktage

Pos.
845
BOSCH Lagerbrücke | Ersatzteile für GSA 1100 PE | 2610908863
Hersteller: BOSCH
Artikelnummer: EB-0601634742-2610908863
Netto: 39,11 € zzgl. MwSt.
zzgl. 6,90 € Versand (brutto)
einmalig pro Bestellung

Lieferzeit: 5 Werktage

Pos.
847
BOSCH Fussplatte | Ersatzteile für GSA 1100 PE | 2610919523
Hersteller: BOSCH
Artikelnummer: EB-0601634742-2610919523
nur Informationsartikel
Nie mehr lieferbar
keine Alternativen
Pos.
850
BOSCH Messerhalter | Ersatzteile für GSA 1100 PE | 2610908866
Hersteller: BOSCH
Artikelnummer: EB-0601634742-2610908866
Netto: 29,45 € zzgl. MwSt.
zzgl. 6,90 € Versand (brutto)
einmalig pro Bestellung

Lieferzeit: 5 Werktage

Pos.
888
BOSCH Ersatzteilsatz | Ersatzteile für GSA 1100 PE | 2610992462
Hersteller: BOSCH
Artikelnummer: EB-0601634742-2610992462
Netto: 4,53 € zzgl. MwSt.
zzgl. 6,90 € Versand (brutto)
einmalig pro Bestellung

Lieferzeit: 5 Werktage

Angaben zur Produktsicherheit

Hersteller:
Robert Bosch Power Tools GmbH
Postfach 30 02 20
70442 Stuttgart

E-Mail:
kontakt@bosch.de