BOSCH Getriebegehäuse | Ersatzteile für GSA 1200 E | 2610920683

Artikelnummer: EB-3601F4E032-2610920683

Position: 832

Marke: BOSCH


Bitte Kompatibilität prüfen!

Bitte prüfen Sie unbedingt die 10-stellige Typennummer Ihrer Maschine / Ihres Gerätes. Das Ersatzteil ist nur kompatibel, wenn Sie die Typennummer Ihrer Maschine in der unten stehenden Produktbeschreibung finden.

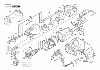
Bitte prüfen Sie ebenfalls detailliert die Explosionszeichnung mit Ihrem Artikelwunsch und der jeweiligen Pos-Nummer.

Alle Elemente, welche vom schwarzen Strich der Pos-Nummer ausgehend berührt / erfasst werden, gehören zu dieser Pos-Nummer und somit zu diesem Artikel. Jede Pos-Nummer ist ein eigenständiger Artikel, welchen Sie in der Auflistung finden.

Sie erhalten stets die aktuellste, neueste Produktversion zu der gewählten Pos-Nummer seitens des Herstellers. Es kann daher je nach Gerätealter vorkommen, dass Sie ggf. weitere, zugehörige Elemente, welche an diese Pos-Nummer grenzen, ebenfalls mittauschen müssen.

Nähere Informationen finden Sie unter dem Link
Hinweise zu Ihrer BOSCH Ersatzteilsuche

Preisübersicht

Einzelpreis: 41,34 €* (Brutto: 49,19 €)
Gesamtpreis: 41,34 €* 
Position:

Lieferzeit: 5 Werktage


Beschreibung

  • Getriebegehäuse
  • Original Bosch Zubehör / BOSCH Ersatzteil (2610920683)
  • im Gerät verbaut: 1
Dieses BOSCH Ersatzteil ist mit folgendem Gerät und Modell kompatibel:
  • BOSCH Gerätename: GSA 1200 E
  • BOSCH Explosionszeichnung: Position 832
  • BOSCH Typennummer: 3601F4E032
  • BOSCH Typennummer alternative Schreibweisen: 3 601 F4E 032, 3601 F4E 032, 3.601.F4E.032, 3-601-F4E-032
    Bitte prüfen Sie diese Typennummer auf Ihrem Gerät um die Kompatibilität des BOSCH Ersatzteils zu gewährleisten.
Weitere BOSCH Ersatzteile des Gerätes GSA 1200 E (Säbelsäge) mit der Typennummer 3601F4E032 finden Sie in der nachfolgenden Darstellung und im Dropdown zu Ihrer Auswahl:

Pos.
1
BOSCH Motorgehäuse | Ersatzteile für GSA 1200 E | 2610918050
Hersteller: BOSCH
Artikelnummer: EB-3601F4E032-2610918050
Netto: 14,92 € zzgl. MwSt.
zzgl. 6,90 € Versand (brutto)
einmalig pro Bestellung

Lieferzeit: 5 Werktage

Pos.
2
BOSCH Polschuh 230V | Ersatzteile für GSA 1200 E | 1604220367
Hersteller: BOSCH
Artikelnummer: EB-3601F4E032-1604220367
Netto: 16,70 € zzgl. MwSt.
zzgl. 6,90 € Versand (brutto)
einmalig pro Bestellung

Lieferzeit: 5 Werktage

Pos.
4
BOSCH Schalter | Ersatzteile für GSA 1200 E | 2610925949
Hersteller: BOSCH
Artikelnummer: EB-3601F4E032-2610925949
Netto: 17,38 € zzgl. MwSt.
zzgl. 6,90 € Versand (brutto)
einmalig pro Bestellung

Lieferzeit: 5 Werktage

Pos.
13
BOSCH Kugellager | Ersatzteile für GSA 1200 E | 1619P01511
Hersteller: BOSCH
Artikelnummer: EB-3601F4E032-1619P01511
Netto: 7,30 € zzgl. MwSt.
zzgl. 6,90 € Versand (brutto)
einmalig pro Bestellung

Lieferzeit: 5 Werktage

Pos.
14
BOSCH Rillenkugellager 12x28x8 | Ersatzteile für GSA 1200 E | 1900905161
Hersteller: BOSCH
Artikelnummer: EB-3601F4E032-1900905161
Netto: 19,18 € zzgl. MwSt.
zzgl. 6,90 € Versand (brutto)
einmalig pro Bestellung

Lieferzeit: 5 Werktage

Pos.
16
BOSCH Bürstenhalter | Ersatzteile für GSA 1200 E | 2610913034
Hersteller: BOSCH
Artikelnummer: EB-3601F4E032-2610913034
Netto: 4,53 € zzgl. MwSt.
zzgl. 6,90 € Versand (brutto)
einmalig pro Bestellung

Lieferzeit: 5 Werktage

Pos.
17
BOSCH Spiralfeder | Ersatzteile für GSA 1200 E | 3604652500
Hersteller: BOSCH
Artikelnummer: EB-3601F4E032-3604652500
Netto: 3,63 € zzgl. MwSt.
zzgl. 6,90 € Versand (brutto)
einmalig pro Bestellung

Lieferzeit: 5 Werktage

Pos.
18
BOSCH Flachstecker | Ersatzteile für GSA 1200 E | 1604477005
Hersteller: BOSCH
Artikelnummer: EB-3601F4E032-1604477005
Netto: 3,94 € zzgl. MwSt.
zzgl. 6,90 € Versand (brutto)
einmalig pro Bestellung

Lieferzeit: 5 Werktage

Pos.
19
BOSCH Stift | Ersatzteile für GSA 1200 E | 2610350103
Hersteller: BOSCH
Artikelnummer: EB-3601F4E032-2610350103
Netto: 3,94 € zzgl. MwSt.
zzgl. 6,90 € Versand (brutto)
einmalig pro Bestellung

Lieferzeit: 5 Werktage

Pos.
23
BOSCH Umlenkblech | Ersatzteile für GSA 1200 E | 2610919119
Hersteller: BOSCH
Artikelnummer: EB-3601F4E032-2610919119
Netto: 4,82 € zzgl. MwSt.
zzgl. 6,90 € Versand (brutto)
einmalig pro Bestellung

Lieferzeit: 5 Werktage

Pos.
25
BOSCH Gummibuchse | Ersatzteile für GSA 1200 E | 3600206501
Hersteller: BOSCH
Artikelnummer: EB-3601F4E032-3600206501
nur Informationsartikel
Nie mehr lieferbar
keine Alternativen
Pos.
27
BOSCH Distanzstück | Ersatzteile für GSA 1200 E | 2610918033
Hersteller: BOSCH
Artikelnummer: EB-3601F4E032-2610918033
Netto: 4,32 € zzgl. MwSt.
zzgl. 6,90 € Versand (brutto)
einmalig pro Bestellung

Lieferzeit: 5 Werktage

Pos.
28
BOSCH Schutzscheibe | Ersatzteile für GSA 1200 E | 2610908804
Hersteller: BOSCH
Artikelnummer: EB-3601F4E032-2610908804
nur Informationsartikel
Nie mehr lieferbar
keine Alternativen
Pos.
33
BOSCH Leiterplatte | Ersatzteile für GSA 1200 E | 2610930253
Hersteller: BOSCH
Artikelnummer: EB-3601F4E032-2610930253
Netto: 21,16 € zzgl. MwSt.
zzgl. 6,90 € Versand (brutto)
einmalig pro Bestellung

Lieferzeit: 5 Werktage

Pos.
35
BOSCH Tragplatte | Ersatzteile für GSA 1200 E | 2610918048
Hersteller: BOSCH
Artikelnummer: EB-3601F4E032-2610918048
Netto: 15,75 € zzgl. MwSt.
zzgl. 6,90 € Versand (brutto)
einmalig pro Bestellung

Lieferzeit: 5 Werktage

Pos.
36
BOSCH Spindelgruppe | Ersatzteile für GSA 1200 E | 2610917060
Hersteller: BOSCH
Artikelnummer: EB-3601F4E032-2610917060
nur Informationsartikel
Nie mehr lieferbar
keine Alternativen
Pos.
37
BOSCH Lagerschale | Ersatzteile für GSA 1200 E | 2610908698
Hersteller: BOSCH
Artikelnummer: EB-3601F4E032-2610908698
Netto: 7,76 € zzgl. MwSt.
zzgl. 6,90 € Versand (brutto)
einmalig pro Bestellung

Lieferzeit: 5 Werktage

Pos.
39
BOSCH Filzring SP 14,0 | Ersatzteile für GSA 1200 E | 2610030004
Hersteller: BOSCH
Artikelnummer: EB-3601F4E032-2610030004
Netto: 4,32 € zzgl. MwSt.
zzgl. 6,90 € Versand (brutto)
einmalig pro Bestellung

Lieferzeit: 5 Werktage

Pos.
40
BOSCH Wellendichtung | Ersatzteile für GSA 1200 E | 2610995815
Hersteller: BOSCH
Artikelnummer: EB-3601F4E032-2610995815
Netto: 9,18 € zzgl. MwSt.
zzgl. 6,90 € Versand (brutto)
einmalig pro Bestellung

Lieferzeit: 5 Werktage

Pos.
41
BOSCH Montagehaken | Ersatzteile für GSA 1200 E | 2610918077
Hersteller: BOSCH
Artikelnummer: EB-3601F4E032-2610918077
Netto: 17,38 € zzgl. MwSt.
zzgl. 6,90 € Versand (brutto)
einmalig pro Bestellung

Lieferzeit: 5 Werktage

Pos.
42
BOSCH Kabelklemme | Ersatzteile für GSA 1200 E | 2610993191
Hersteller: BOSCH
Artikelnummer: EB-3601F4E032-2610993191
Netto: 3,94 € zzgl. MwSt.
zzgl. 6,90 € Versand (brutto)
einmalig pro Bestellung

Lieferzeit: 5 Werktage

Pos.
43
BOSCH Dichtplatte | Ersatzteile für GSA 1200 E | 1619P01757
Hersteller: BOSCH
Artikelnummer: EB-3601F4E032-1619P01757
nur Informationsartikel
Nie mehr lieferbar
keine Alternativen
Pos.
44
BOSCH Zahnrad | Ersatzteile für GSA 1200 E | 2610908802
Hersteller: BOSCH
Artikelnummer: EB-3601F4E032-2610908802
Netto: 11,41 € zzgl. MwSt.
zzgl. 6,90 € Versand (brutto)
einmalig pro Bestellung

Lieferzeit: 5 Werktage

Pos.
45
BOSCH Gerätefuss | Ersatzteile für GSA 1200 E | 2610923226
Hersteller: BOSCH
Artikelnummer: EB-3601F4E032-2610923226
Netto: 23,72 € zzgl. MwSt.
zzgl. 6,90 € Versand (brutto)
einmalig pro Bestellung

Lieferzeit: 5 Werktage

Pos.
46
BOSCH Rückhalteblech | Ersatzteile für GSA 1200 E | 1619P01307
Hersteller: BOSCH
Artikelnummer: EB-3601F4E032-1619P01307
Netto: 3,94 € zzgl. MwSt.
zzgl. 6,90 € Versand (brutto)
einmalig pro Bestellung

Lieferzeit: 5 Werktage

Pos.
47
BOSCH Verschlussstück | Ersatzteile für GSA 1200 E | 2610922567
Hersteller: BOSCH
Artikelnummer: EB-3601F4E032-2610922567
nur Informationsartikel
Nie mehr lieferbar
keine Alternativen
Pos.
48
BOSCH Druckfeder | Ersatzteile für GSA 1200 E | 2610918060
Hersteller: BOSCH
Artikelnummer: EB-3601F4E032-2610918060
Netto: 3,63 € zzgl. MwSt.
zzgl. 6,90 € Versand (brutto)
einmalig pro Bestellung

Lieferzeit: 5 Werktage

Pos.
50
BOSCH Isolierhülse | Ersatzteile für GSA 1200 E | 2610918061
Hersteller: BOSCH
Artikelnummer: EB-3601F4E032-2610918061
nur Informationsartikel
Nie mehr lieferbar
keine Alternativen
Pos.
51
BOSCH Taumelscheibe | Ersatzteile für GSA 1200 E | 2610918075
Hersteller: BOSCH
Artikelnummer: EB-3601F4E032-2610918075
Netto: 47,09 € zzgl. MwSt.
zzgl. 6,90 € Versand (brutto)
einmalig pro Bestellung

Lieferzeit: 5 Werktage

Pos.
52
BOSCH Rillenkugellager | Ersatzteile für GSA 1200 E | 2610015361
Hersteller: BOSCH
Artikelnummer: EB-3601F4E032-2610015361
Netto: 14,36 € zzgl. MwSt.
zzgl. 6,90 € Versand (brutto)
einmalig pro Bestellung

Lieferzeit: 5 Werktage

Pos.
53
BOSCH Rückhalteblech | Ersatzteile für GSA 1200 E | 1619P01308
Hersteller: BOSCH
Artikelnummer: EB-3601F4E032-1619P01308
Netto: 3,94 € zzgl. MwSt.
zzgl. 6,90 € Versand (brutto)
einmalig pro Bestellung

Lieferzeit: 5 Werktage

Pos.
61
BOSCH Laufbolzen | Ersatzteile für GSA 1200 E | 2610918051
Hersteller: BOSCH
Artikelnummer: EB-3601F4E032-2610918051
Netto: 3,94 € zzgl. MwSt.
zzgl. 6,90 € Versand (brutto)
einmalig pro Bestellung

Lieferzeit: 5 Werktage

Pos.
62
BOSCH Schraube | Ersatzteile für GSA 1200 E | 1619P01447
Hersteller: BOSCH
Artikelnummer: EB-3601F4E032-1619P01447
Netto: 3,63 € zzgl. MwSt.
zzgl. 6,90 € Versand (brutto)
einmalig pro Bestellung

Lieferzeit: 5 Werktage

Pos.
63
BOSCH Schraube | Ersatzteile für GSA 1200 E | 1619P01505
Hersteller: BOSCH
Artikelnummer: EB-3601F4E032-1619P01505
nur Informationsartikel
Nie mehr lieferbar
keine Alternativen
Pos.
64
BOSCH Schraube | Ersatzteile für GSA 1200 E | 1619X00504
Hersteller: BOSCH
Artikelnummer: EB-3601F4E032-1619X00504
Netto: 3,63 € zzgl. MwSt.
zzgl. 6,90 € Versand (brutto)
einmalig pro Bestellung

Lieferzeit: 5 Werktage

Pos.
65
BOSCH Schraube | Ersatzteile für GSA 1200 E | 2610918063
Hersteller: BOSCH
Artikelnummer: EB-3601F4E032-2610918063
nur Informationsartikel
Nie mehr lieferbar
keine Alternativen
Pos.
66
BOSCH Schraube SCHWARZ | Ersatzteile für GSA 1200 E | 2610909719
Hersteller: BOSCH
Artikelnummer: EB-3601F4E032-2610909719
Netto: 3,94 € zzgl. MwSt.
zzgl. 6,90 € Versand (brutto)
einmalig pro Bestellung

Lieferzeit: 5 Werktage

Pos.
67
BOSCH Schraube | Ersatzteile für GSA 1200 E | 1619P01491
Hersteller: BOSCH
Artikelnummer: EB-3601F4E032-1619P01491
Netto: 3,63 € zzgl. MwSt.
zzgl. 6,90 € Versand (brutto)
einmalig pro Bestellung

Lieferzeit: 5 Werktage

Pos.
68
BOSCH Schraube | Ersatzteile für GSA 1200 E | 1619P01508
Hersteller: BOSCH
Artikelnummer: EB-3601F4E032-1619P01508
Netto: 3,63 € zzgl. MwSt.
zzgl. 6,90 € Versand (brutto)
einmalig pro Bestellung

Lieferzeit: 5 Werktage

Pos.
69
BOSCH Schraube | Ersatzteile für GSA 1200 E | 2610918049
Hersteller: BOSCH
Artikelnummer: EB-3601F4E032-2610918049
Netto: 4,32 € zzgl. MwSt.
zzgl. 6,90 € Versand (brutto)
einmalig pro Bestellung

Lieferzeit: 5 Werktage

Pos.
70
BOSCH Schraube | Ersatzteile für GSA 1200 E | 2610907504
Hersteller: BOSCH
Artikelnummer: EB-3601F4E032-2610907504
Netto: 4,32 € zzgl. MwSt.
zzgl. 6,90 € Versand (brutto)
einmalig pro Bestellung

Lieferzeit: 5 Werktage

Pos.
73
BOSCH Auflageplatte | Ersatzteile für GSA 1200 E | 2610919447
Hersteller: BOSCH
Artikelnummer: EB-3601F4E032-2610919447
Netto: 4,32 € zzgl. MwSt.
zzgl. 6,90 € Versand (brutto)
einmalig pro Bestellung

Lieferzeit: 5 Werktage

Pos.
74
BOSCH Dichtplatte | Ersatzteile für GSA 1200 E | 2610918038
Hersteller: BOSCH
Artikelnummer: EB-3601F4E032-2610918038
Netto: 4,53 € zzgl. MwSt.
zzgl. 6,90 € Versand (brutto)
einmalig pro Bestellung

Lieferzeit: 5 Werktage

Pos.
76
BOSCH Schwenkkugel | Ersatzteile für GSA 1200 E | 2610937394
Hersteller: BOSCH
Artikelnummer: EB-3601F4E032-2610937394
Netto: 3,63 € zzgl. MwSt.
zzgl. 6,90 € Versand (brutto)
einmalig pro Bestellung

Lieferzeit: 5 Werktage

Pos.
77
BOSCH Tülle | Ersatzteile für GSA 1200 E | 3600703500
Hersteller: BOSCH
Artikelnummer: EB-3601F4E032-3600703500
Netto: 5,67 € zzgl. MwSt.
zzgl. 6,90 € Versand (brutto)
einmalig pro Bestellung

Lieferzeit: 5 Werktage

Pos.
80
BOSCH Federring DIN 127-B 5 | Ersatzteile für GSA 1200 E | 2916683006
Hersteller: BOSCH
Artikelnummer: EB-3601F4E032-2916683006
Netto: 3,94 € zzgl. MwSt.
zzgl. 6,90 € Versand (brutto)
einmalig pro Bestellung

Lieferzeit: 5 Werktage

Pos.
81
BOSCH Clip | Ersatzteile für GSA 1200 E | 2610947364
Hersteller: BOSCH
Artikelnummer: EB-3601F4E032-2610947364
nur Informationsartikel
Nie mehr lieferbar
keine Alternativen
Pos.
803
BOSCH Anker 220-230V | Ersatzteile für GSA 1200 E | 2610927652
Hersteller: BOSCH
Artikelnummer: EB-3601F4E032-2610927652
nur Informationsartikel
Nie mehr lieferbar
keine Alternativen
Pos.
805
BOSCH Netzanschlussleitung CH 4,25m 2 x 1,0mm H07 RN-F | Ersatzteile für GSA 1200 E | 3604460541
Hersteller: BOSCH
Artikelnummer: EB-3601F4E032-3604460541
nur Informationsartikel
Nie mehr lieferbar
keine Alternativen
Pos.
808
BOSCH Typschild | Ersatzteile für GSA 1200 E | 2610930733
Hersteller: BOSCH
Artikelnummer: EB-3601F4E032-2610930733
nur Informationsartikel
Nie mehr lieferbar
keine Alternativen
Pos.
810
BOSCH Kohlebürstensatz | Ersatzteile für GSA 1200 E | 2610920682
Hersteller: BOSCH
Artikelnummer: EB-3601F4E032-2610920682
nur Informationsartikel
Nie mehr lieferbar
keine Alternativen
Pos.
824
BOSCH Handgriff-Set | Ersatzteile für GSA 1200 E | 2610947790
Hersteller: BOSCH
Artikelnummer: EB-3601F4E032-2610947790
nur Informationsartikel
Nie mehr lieferbar
keine Alternativen
Pos.
832
BOSCH Getriebegehäuse | Ersatzteile für GSA 1200 E | 2610920683
Hersteller: BOSCH
Artikelnummer: EB-3601F4E032-2610920683
Netto: 41,34 € zzgl. MwSt.
zzgl. 6,90 € Versand (brutto)
einmalig pro Bestellung

Lieferzeit: 5 Werktage

Pos.
857
BOSCH Werkzeughalter | Ersatzteile für GSA 1200 E | 2610920684
Hersteller: BOSCH
Artikelnummer: EB-3601F4E032-2610920684
Netto: 17,38 € zzgl. MwSt.
zzgl. 6,90 € Versand (brutto)
einmalig pro Bestellung

Lieferzeit: 5 Werktage

Angaben zur Produktsicherheit

Hersteller:
Robert Bosch Power Tools GmbH
Postfach 30 02 20
70442 Stuttgart

E-Mail:
kontakt@bosch.de