BOSCH Kabel | Ersatzteile für GSA 24 VE | 2610907407

Artikelnummer: EB-0601645742-2610907407

Position: 87

Marke: BOSCH


Bitte Kompatibilität prüfen!

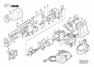
Bitte prüfen Sie unbedingt die 10-stellige Typennummer Ihrer Maschine / Ihres Gerätes. Das Ersatzteil ist nur kompatibel, wenn Sie die Typennummer Ihrer Maschine in der unten stehenden Produktbeschreibung finden.

Bitte prüfen Sie ebenfalls detailliert die Explosionszeichnung mit Ihrem Artikelwunsch und der jeweiligen Pos-Nummer.

Alle Elemente, welche vom schwarzen Strich der Pos-Nummer ausgehend berührt / erfasst werden, gehören zu dieser Pos-Nummer und somit zu diesem Artikel. Jede Pos-Nummer ist ein eigenständiger Artikel, welchen Sie in der Auflistung finden.

Sie erhalten stets die aktuellste, neueste Produktversion zu der gewählten Pos-Nummer seitens des Herstellers. Es kann daher je nach Gerätealter vorkommen, dass Sie ggf. weitere, zugehörige Elemente, welche an diese Pos-Nummer grenzen, ebenfalls mittauschen müssen.

Nähere Informationen finden Sie unter dem Link
Hinweise zu Ihrer BOSCH Ersatzteilsuche

Preisübersicht

Einzelpreis: 5,59 €* (Brutto: 6,65 €)
Gesamtpreis: 5,59 €* 
Position:

Lieferzeit: 5 Werktage


Beschreibung

  • Kabel
  • Original Bosch Zubehör / BOSCH Ersatzteil (2610907407)
  • im Gerät verbaut: 1
Dieses BOSCH Ersatzteil ist mit folgendem Gerät und Modell kompatibel:
  • BOSCH Gerätename: GSA 24 VE
  • BOSCH Explosionszeichnung: Position 87
  • BOSCH Typennummer: 0601645742
  • BOSCH Typennummer alternative Schreibweisen: 0 601 645 742, 0601 645 742, 0.601.645.742, 0-601-645-742
    Bitte prüfen Sie diese Typennummer auf Ihrem Gerät um die Kompatibilität des BOSCH Ersatzteils zu gewährleisten.
Weitere BOSCH Ersatzteile des Gerätes GSA 24 VE (Säbelsäge) mit der Typennummer 0601645742 finden Sie in der nachfolgenden Darstellung und im Dropdown zu Ihrer Auswahl:

Pos.
1
BOSCH Motorgehäuse | Ersatzteile für GSA 24 VE | 2610995800
Hersteller: BOSCH
Artikelnummer: EB-0601645742-2610995800
Netto: 14,92 € zzgl. MwSt.
zzgl. 6,90 € Versand (brutto)
einmalig pro Bestellung

Lieferzeit: 5 Werktage

Pos.
2
BOSCH Polgehäuse 14,4-24V | Ersatzteile für GSA 24 VE | 2610942109
Hersteller: BOSCH
Artikelnummer: EB-0601645742-2610942109
Netto: 19,18 € zzgl. MwSt.
zzgl. 6,90 € Versand (brutto)
einmalig pro Bestellung

Lieferzeit: 5 Werktage

Pos.
3
BOSCH Anker | Ersatzteile für GSA 24 VE | 2610909088
Hersteller: BOSCH
Artikelnummer: EB-0601645742-2610909088
nur Informationsartikel
Nie mehr lieferbar
keine Alternativen
Pos.
4
BOSCH Ein/Aus-Schalter | Ersatzteile für GSA 24 VE | 2610995801
Hersteller: BOSCH
Artikelnummer: EB-0601645742-2610995801
nur Informationsartikel
Nie mehr lieferbar
keine Alternativen
Pos.
8
BOSCH Typschild | Ersatzteile für GSA 24 VE | 2610907683
Hersteller: BOSCH
Artikelnummer: EB-0601645742-2610907683
nur Informationsartikel
Nie mehr lieferbar
keine Alternativen
Pos.
9
BOSCH Firmenschild | Ersatzteile für GSA 24 VE | 2610907679
Hersteller: BOSCH
Artikelnummer: EB-0601645742-2610907679
Netto: 5,19 € zzgl. MwSt.
zzgl. 6,90 € Versand (brutto)
einmalig pro Bestellung

Lieferzeit: 5 Werktage

Pos.
13
BOSCH Kugellager | Ersatzteile für GSA 24 VE | 1619P01511
Hersteller: BOSCH
Artikelnummer: EB-0601645742-1619P01511
Netto: 7,30 € zzgl. MwSt.
zzgl. 6,90 € Versand (brutto)
einmalig pro Bestellung

Lieferzeit: 5 Werktage

Pos.
16
BOSCH Bürstenhalter | Ersatzteile für GSA 24 VE | 2610995803
Hersteller: BOSCH
Artikelnummer: EB-0601645742-2610995803
Netto: 5,13 € zzgl. MwSt.
zzgl. 6,90 € Versand (brutto)
einmalig pro Bestellung

Lieferzeit: 5 Werktage

Pos.
19
BOSCH Schraube ST3,9x19 | Ersatzteile für GSA 24 VE | 2610315386
Hersteller: BOSCH
Artikelnummer: EB-0601645742-2610315386
Netto: 3,94 € zzgl. MwSt.
zzgl. 6,90 € Versand (brutto)
einmalig pro Bestellung

Lieferzeit: 5 Werktage

Pos.
20
BOSCH Hinweisschild | Ersatzteile für GSA 24 VE | 2610907680
Hersteller: BOSCH
Artikelnummer: EB-0601645742-2610907680
Netto: 5,17 € zzgl. MwSt.
zzgl. 6,90 € Versand (brutto)
einmalig pro Bestellung

Lieferzeit: 5 Werktage

Pos.
21
BOSCH Spiralfeder | Ersatzteile für GSA 24 VE | 1619P14306
Hersteller: BOSCH
Artikelnummer: EB-0601645742-1619P14306
nur Informationsartikel
Nie mehr lieferbar
keine Alternativen
Pos.
22
BOSCH Unterlegscheibe | Ersatzteile für GSA 24 VE | 2610990845
Hersteller: BOSCH
Artikelnummer: EB-0601645742-2610990845
Netto: 3,94 € zzgl. MwSt.
zzgl. 6,90 € Versand (brutto)
einmalig pro Bestellung

Lieferzeit: 5 Werktage

Pos.
28
BOSCH Handgriff | Ersatzteile für GSA 24 VE | 2610917454
Hersteller: BOSCH
Artikelnummer: EB-0601645742-2610917454
nur Informationsartikel
Nie mehr lieferbar
keine Alternativen
Pos.
29
BOSCH Dichtscheibe | Ersatzteile für GSA 24 VE | 2610995849
Hersteller: BOSCH
Artikelnummer: EB-0601645742-2610995849
Netto: 5,65 € zzgl. MwSt.
zzgl. 6,90 € Versand (brutto)
einmalig pro Bestellung

Lieferzeit: 5 Werktage

Pos.
32
BOSCH Zylinderstift DIN 6325-4M6x24 | Ersatzteile für GSA 24 VE | 2917530101
Hersteller: BOSCH
Artikelnummer: EB-0601645742-2917530101
nur Informationsartikel
Nie mehr lieferbar
keine Alternativen
Pos.
33
BOSCH Gabel | Ersatzteile für GSA 24 VE | 2610995810
Hersteller: BOSCH
Artikelnummer: EB-0601645742-2610995810
Netto: 52,14 € zzgl. MwSt.
zzgl. 6,90 € Versand (brutto)
einmalig pro Bestellung

Lieferzeit: 5 Werktage

Pos.
36
BOSCH Schubstange | Ersatzteile für GSA 24 VE | 2610912954
Hersteller: BOSCH
Artikelnummer: EB-0601645742-2610912954
Netto: 32,74 € zzgl. MwSt.
zzgl. 6,90 € Versand (brutto)
einmalig pro Bestellung

Lieferzeit: 5 Werktage

Pos.
38
BOSCH Haltering | Ersatzteile für GSA 24 VE | 2610027867
Hersteller: BOSCH
Artikelnummer: EB-0601645742-2610027867
Netto: 5,59 € zzgl. MwSt.
zzgl. 6,90 € Versand (brutto)
einmalig pro Bestellung

Lieferzeit: 5 Werktage

Pos.
39
BOSCH Filzring SP 14,0 | Ersatzteile für GSA 24 VE | 2610030004
Hersteller: BOSCH
Artikelnummer: EB-0601645742-2610030004
Netto: 4,32 € zzgl. MwSt.
zzgl. 6,90 € Versand (brutto)
einmalig pro Bestellung

Lieferzeit: 5 Werktage

Pos.
40
BOSCH Wellendichtung | Ersatzteile für GSA 24 VE | 2610995815
Hersteller: BOSCH
Artikelnummer: EB-0601645742-2610995815
Netto: 9,18 € zzgl. MwSt.
zzgl. 6,90 € Versand (brutto)
einmalig pro Bestellung

Lieferzeit: 5 Werktage

Pos.
41
BOSCH Lagerdeckel | Ersatzteile für GSA 24 VE | 2610995816
Hersteller: BOSCH
Artikelnummer: EB-0601645742-2610995816
Netto: 8,13 € zzgl. MwSt.
zzgl. 6,90 € Versand (brutto)
einmalig pro Bestellung

Lieferzeit: 5 Werktage

Pos.
47
BOSCH Fussplatte | Ersatzteile für GSA 24 VE | 2610995821
Hersteller: BOSCH
Artikelnummer: EB-0601645742-2610995821
nur Informationsartikel
Nie mehr lieferbar
keine Alternativen
Pos.
48
BOSCH Isolierkappe | Ersatzteile für GSA 24 VE | 2610995826
Hersteller: BOSCH
Artikelnummer: EB-0601645742-2610995826
Netto: 35,77 € zzgl. MwSt.
zzgl. 6,90 € Versand (brutto)
einmalig pro Bestellung

Lieferzeit: 5 Werktage

Pos.
50
BOSCH Taumelscheibe | Ersatzteile für GSA 24 VE | 2610995840
Hersteller: BOSCH
Artikelnummer: EB-0601645742-2610995840
Netto: 66,09 € zzgl. MwSt.
zzgl. 6,90 € Versand (brutto)
einmalig pro Bestellung

Lieferzeit: 5 Werktage

Pos.
54
BOSCH Manschette | Ersatzteile für GSA 24 VE | 2610995827
Hersteller: BOSCH
Artikelnummer: EB-0601645742-2610995827
Netto: 8,33 € zzgl. MwSt.
zzgl. 6,90 € Versand (brutto)
einmalig pro Bestellung

Lieferzeit: 5 Werktage

Pos.
55
BOSCH Rillenkugellager | Ersatzteile für GSA 24 VE | 2610015361
Hersteller: BOSCH
Artikelnummer: EB-0601645742-2610015361
Netto: 14,36 € zzgl. MwSt.
zzgl. 6,90 € Versand (brutto)
einmalig pro Bestellung

Lieferzeit: 5 Werktage

Pos.
56
BOSCH Bolzen | Ersatzteile für GSA 24 VE | 2610995829
Hersteller: BOSCH
Artikelnummer: EB-0601645742-2610995829
Netto: 9,18 € zzgl. MwSt.
zzgl. 6,90 € Versand (brutto)
einmalig pro Bestellung

Lieferzeit: 5 Werktage

Pos.
65
BOSCH Federring DIN 127-B 5 | Ersatzteile für GSA 24 VE | 2916683006
Hersteller: BOSCH
Artikelnummer: EB-0601645742-2916683006
Netto: 3,94 € zzgl. MwSt.
zzgl. 6,90 € Versand (brutto)
einmalig pro Bestellung

Lieferzeit: 5 Werktage

Pos.
66
BOSCH Innensechskantschraube M 5x10 | Ersatzteile für GSA 24 VE | 2910131152
Hersteller: BOSCH
Artikelnummer: EB-0601645742-2910131152
Netto: 4,32 € zzgl. MwSt.
zzgl. 6,90 € Versand (brutto)
einmalig pro Bestellung

Lieferzeit: 5 Werktage

Pos.
82
BOSCH Umlenkblech | Ersatzteile für GSA 24 VE | 2610995833
Hersteller: BOSCH
Artikelnummer: EB-0601645742-2610995833
Netto: 7,76 € zzgl. MwSt.
zzgl. 6,90 € Versand (brutto)
einmalig pro Bestellung

Lieferzeit: 5 Werktage

Pos.
83
BOSCH Gummipuffer | Ersatzteile für GSA 24 VE | 3602391503
Hersteller: BOSCH
Artikelnummer: EB-0601645742-3602391503
nur Informationsartikel
Nie mehr lieferbar
keine Alternativen
Pos.
85
BOSCH Wechselschalter | Ersatzteile für GSA 24 VE | 2610995835
Hersteller: BOSCH
Artikelnummer: EB-0601645742-2610995835
nur Informationsartikel
Nie mehr lieferbar
keine Alternativen
Pos.
86
BOSCH Kontakthalter | Ersatzteile für GSA 24 VE | 1609280362
Hersteller: BOSCH
Artikelnummer: EB-0601645742-1609280362
Netto: 29,45 € zzgl. MwSt.
zzgl. 6,90 € Versand (brutto)
einmalig pro Bestellung

Lieferzeit: 5 Werktage

Pos.
87
BOSCH Kabel | Ersatzteile für GSA 24 VE | 2610907407
Hersteller: BOSCH
Artikelnummer: EB-0601645742-2610907407
Netto: 5,59 € zzgl. MwSt.
zzgl. 6,90 € Versand (brutto)
einmalig pro Bestellung

Lieferzeit: 5 Werktage

Pos.
88
BOSCH Schraube | Ersatzteile für GSA 24 VE | 2610907504
Hersteller: BOSCH
Artikelnummer: EB-0601645742-2610907504
Netto: 4,32 € zzgl. MwSt.
zzgl. 6,90 € Versand (brutto)
einmalig pro Bestellung

Lieferzeit: 5 Werktage

Pos.
89
BOSCH Blechschraube | Ersatzteile für GSA 24 VE | 2610991306
Hersteller: BOSCH
Artikelnummer: EB-0601645742-2610991306
Netto: 3,94 € zzgl. MwSt.
zzgl. 6,90 € Versand (brutto)
einmalig pro Bestellung

Lieferzeit: 5 Werktage

Pos.
90
BOSCH Blechschraube | Ersatzteile für GSA 24 VE | 2610908547
Hersteller: BOSCH
Artikelnummer: EB-0601645742-2610908547
nur Informationsartikel
Nie mehr lieferbar
keine Alternativen
Pos.
91
BOSCH Blechschraube | Ersatzteile für GSA 24 VE | 2610995848
Hersteller: BOSCH
Artikelnummer: EB-0601645742-2610995848
nur Informationsartikel
Nie mehr lieferbar
keine Alternativen
Pos.
93
BOSCH Schraube | Ersatzteile für GSA 24 VE | 1619P01446
Hersteller: BOSCH
Artikelnummer: EB-0601645742-1619P01446
Netto: 3,63 € zzgl. MwSt.
zzgl. 6,90 € Versand (brutto)
einmalig pro Bestellung

Lieferzeit: 5 Werktage

Pos.
95
BOSCH Blechschraube | Ersatzteile für GSA 24 VE | 2610914920
Hersteller: BOSCH
Artikelnummer: EB-0601645742-2610914920
Netto: 3,63 € zzgl. MwSt.
zzgl. 6,90 € Versand (brutto)
einmalig pro Bestellung

Lieferzeit: 5 Werktage

Pos.
96
BOSCH Schraube | Ersatzteile für GSA 24 VE | 1619P01491
Hersteller: BOSCH
Artikelnummer: EB-0601645742-1619P01491
Netto: 3,63 € zzgl. MwSt.
zzgl. 6,90 € Versand (brutto)
einmalig pro Bestellung

Lieferzeit: 5 Werktage

Pos.
651
BOSCH Akku-Paket 24V,2,0Ah,NiCd | Ersatzteile für GSA 24 VE | 2607335445
Hersteller: BOSCH
Artikelnummer: EB-0601645742-2607335445
nur Informationsartikel
Nie mehr lieferbar
keine Alternativen
Pos.
651
BOSCH Akku-Paket 24V,2,6Ah,NiMh | Ersatzteile für GSA 24 VE | 2607335561
Hersteller: BOSCH
Artikelnummer: EB-0601645742-2607335561
nur Informationsartikel
Nie mehr lieferbar
keine Alternativen
Pos.
653
BOSCH Schnell-Lader AUS 240/7,2-24V, 1h | Ersatzteile für GSA 24 VE | 2607224429
Hersteller: BOSCH
Artikelnummer: EB-0601645742-2607224429
Netto: 96,32 € zzgl. MwSt.
zzgl. 6,90 € Versand (brutto)
einmalig pro Bestellung

Lieferzeit: 5 Werktage

Pos.
653
BOSCH Schnell-Lader EU 230/7,2-24V, 1h | Ersatzteile für GSA 24 VE | 2607224425
Hersteller: BOSCH
Artikelnummer: EB-0601645742-2607224425
nur Informationsartikel
Nie mehr lieferbar
keine Alternativen
Pos.
653
BOSCH Schnell-Lader GB 230/7,2-24V, 1h | Ersatzteile für GSA 24 VE | 2607224427
Hersteller: BOSCH
Artikelnummer: EB-0601645742-2607224427
Netto: 82,83 € zzgl. MwSt.
zzgl. 6,90 € Versand (brutto)
einmalig pro Bestellung

Lieferzeit: 5 Werktage

Pos.
653
BOSCH Schnell-Lader GB 230/7,2-24V, 30 MIN. | Ersatzteile für GSA 24 VE | 2607225029
Hersteller: BOSCH
Artikelnummer: EB-0601645742-2607225029
nur Informationsartikel
Nie mehr lieferbar
keine Alternativen
Pos.
808
BOSCH Typschild | Ersatzteile für GSA 24 VE | 1619P01431
Hersteller: BOSCH
Artikelnummer: EB-0601645742-1619P01431
nur Informationsartikel
Nie mehr lieferbar
keine Alternativen
Pos.
810
BOSCH Kohlebürstensatz | Ersatzteile für GSA 24 VE | 2610918932
Hersteller: BOSCH
Artikelnummer: EB-0601645742-2610918932
nur Informationsartikel
Nie mehr lieferbar
keine Alternativen
Pos.
830
BOSCH Lagerplatte | Ersatzteile für GSA 24 VE | 2610995813
Hersteller: BOSCH
Artikelnummer: EB-0601645742-2610995813
Netto: 70,50 € zzgl. MwSt.
zzgl. 6,90 € Versand (brutto)
einmalig pro Bestellung

Lieferzeit: 5 Werktage

Pos.
831
BOSCH Gehäusevorderteil | Ersatzteile für GSA 24 VE | 2610995814
Hersteller: BOSCH
Artikelnummer: EB-0601645742-2610995814
Netto: 70,50 € zzgl. MwSt.
zzgl. 6,90 € Versand (brutto)
einmalig pro Bestellung

Lieferzeit: 5 Werktage

Pos.
843
BOSCH Schrägzahnrad | Ersatzteile für GSA 24 VE | 2610995817
Hersteller: BOSCH
Artikelnummer: EB-0601645742-2610995817
Netto: 116,63 € zzgl. MwSt.
zzgl. 6,90 € Versand (brutto)
einmalig pro Bestellung

Lieferzeit: 5 Werktage

Pos.
860
BOSCH Messerhalter | Ersatzteile für GSA 24 VE | 2610995820
Hersteller: BOSCH
Artikelnummer: EB-0601645742-2610995820
Netto: 15,75 € zzgl. MwSt.
zzgl. 6,90 € Versand (brutto)
einmalig pro Bestellung

Lieferzeit: 5 Werktage

Pos.
875
BOSCH Verschlussplatte | Ersatzteile für GSA 24 VE | 2610995825
Hersteller: BOSCH
Artikelnummer: EB-0601645742-2610995825
nur Informationsartikel
Nie mehr lieferbar
keine Alternativen

Angaben zur Produktsicherheit

Hersteller:
Robert Bosch Power Tools GmbH
Postfach 30 02 20
70442 Stuttgart

E-Mail:
kontakt@bosch.de