BOSCH Fetttube Albida | Ersatzteile für GSB 10 RE | 3605430003

Artikelnummer: EB-3601B161J0-3605430003

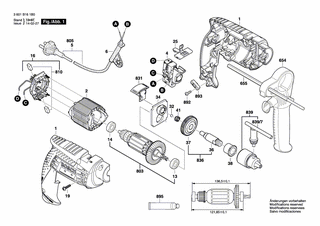
Position: 895

Marke: BOSCH


Bitte Kompatibilität prüfen!

Bitte prüfen Sie unbedingt die 10-stellige Typennummer Ihrer Maschine / Ihres Gerätes. Das Ersatzteil ist nur kompatibel, wenn Sie die Typennummer Ihrer Maschine in der unten stehenden Produktbeschreibung finden.

Bitte prüfen Sie ebenfalls detailliert die Explosionszeichnung mit Ihrem Artikelwunsch und der jeweiligen Pos-Nummer.

Alle Elemente, welche vom schwarzen Strich der Pos-Nummer ausgehend berührt / erfasst werden, gehören zu dieser Pos-Nummer und somit zu diesem Artikel. Jede Pos-Nummer ist ein eigenständiger Artikel, welchen Sie in der Auflistung finden.

Sie erhalten stets die aktuellste, neueste Produktversion zu der gewählten Pos-Nummer seitens des Herstellers. Es kann daher je nach Gerätealter vorkommen, dass Sie ggf. weitere, zugehörige Elemente, welche an diese Pos-Nummer grenzen, ebenfalls mittauschen müssen.

Nähere Informationen finden Sie unter dem Link
Hinweise zu Ihrer BOSCH Ersatzteilsuche

Preisübersicht

Einzelpreis: 24,13 €* (Brutto: 28,71 €)
Gesamtpreis: 24,13 €* 
Position:

Lieferzeit: 5 Werktage


Beschreibung

  • Fetttube Albida
  • Original Bosch Zubehör / BOSCH Ersatzteil (3605430003)
  • im Gerät verbaut: 1
Dieses BOSCH Ersatzteil ist mit folgendem Gerät und Modell kompatibel:
  • BOSCH Gerätename: GSB 10 RE
  • BOSCH Explosionszeichnung: Position 895
  • BOSCH Typennummer: 3601B161J0
  • BOSCH Typennummer alternative Schreibweisen: 3 601 B16 1J0, 3601 B16 1J0, 3.601.B16.1J0, 3-601-B16-1J0
    Bitte prüfen Sie diese Typennummer auf Ihrem Gerät um die Kompatibilität des BOSCH Ersatzteils zu gewährleisten.
Weitere BOSCH Ersatzteile des Gerätes GSB 10 RE (Schlagbohrmaschine) mit der Typennummer 3601B161J0 finden Sie in der nachfolgenden Darstellung und im Dropdown zu Ihrer Auswahl:

Pos.
1
BOSCH Motorgehäuse | Ersatzteile für GSB 10 RE | 2609100427
Hersteller: BOSCH
Artikelnummer: EB-3601B161J0-2609100427
nur Informationsartikel
Nie mehr lieferbar
keine Alternativen
Pos.
839/7
BOSCH Bohrfutterschlüssel SG2 | Ersatzteile für GSB 10 RE | 2607950007
Hersteller: BOSCH
Artikelnummer: EB-3601B161J0-2607950007
Netto: 7,30 € zzgl. MwSt.
zzgl. 6,90 € Versand (brutto)
einmalig pro Bestellung

Lieferzeit: 5 Werktage

Pos.
2
BOSCH Polschuh 230V | Ersatzteile für GSB 10 RE | 1619P21238
Hersteller: BOSCH
Artikelnummer: EB-3601B161J0-1619P21238
Netto: 14,36 € zzgl. MwSt.
zzgl. 6,90 € Versand (brutto)
einmalig pro Bestellung

Lieferzeit: 5 Werktage

Pos.
4
BOSCH Schalter ROT | Ersatzteile für GSB 10 RE | 2607200567
Hersteller: BOSCH
Artikelnummer: EB-3601B161J0-2607200567
Netto: 21,19 € zzgl. MwSt.
zzgl. 6,90 € Versand (brutto)
einmalig pro Bestellung

Lieferzeit: 5 Werktage

Pos.
5
BOSCH Netzanschlussleitung GB 230V 2,65m 2 x 1,0mm H05 VV-F | Ersatzteile für GSB 10 RE | 2604460243
Hersteller: BOSCH
Artikelnummer: EB-3601B161J0-2604460243
nur Informationsartikel
Nie mehr lieferbar
keine Alternativen
Pos.
6
BOSCH Tülle Ø6,9 MM | Ersatzteile für GSB 10 RE | 2600707059
Hersteller: BOSCH
Artikelnummer: EB-3601B161J0-2600707059
Netto: 5,19 € zzgl. MwSt.
zzgl. 6,90 € Versand (brutto)
einmalig pro Bestellung

Lieferzeit: 5 Werktage

Pos.
13
BOSCH Kugellager 8x22x7 | Ersatzteile für GSB 10 RE | 2609110153
Hersteller: BOSCH
Artikelnummer: EB-3601B161J0-2609110153
Netto: 6,70 € zzgl. MwSt.
zzgl. 6,90 € Versand (brutto)
einmalig pro Bestellung

Lieferzeit: 65 Werktage

Pos.
14
BOSCH Kugellager | Ersatzteile für GSB 10 RE | 2609110491
Hersteller: BOSCH
Artikelnummer: EB-3601B161J0-2609110491
Netto: 6,15 € zzgl. MwSt.
zzgl. 6,90 € Versand (brutto)
einmalig pro Bestellung

Lieferzeit: 5 Werktage

Pos.
16
BOSCH Bürstenplatte | Ersatzteile für GSB 10 RE | 2609120375
Hersteller: BOSCH
Artikelnummer: EB-3601B161J0-2609120375
Netto: 11,92 € zzgl. MwSt.
zzgl. 6,90 € Versand (brutto)
einmalig pro Bestellung

Lieferzeit: 5 Werktage

Pos.
21
BOSCH Schrumpfschlauch | Ersatzteile für GSB 10 RE | 2600409021
Hersteller: BOSCH
Artikelnummer: EB-3601B161J0-2600409021
Netto: 3,59 € zzgl. MwSt.
zzgl. 6,90 € Versand (brutto)
einmalig pro Bestellung

Lieferzeit: 5 Werktage

Pos.
25
BOSCH Hebel | Ersatzteile für GSB 10 RE | 2609100580
Hersteller: BOSCH
Artikelnummer: EB-3601B161J0-2609100580
Netto: 4,53 € zzgl. MwSt.
zzgl. 6,90 € Versand (brutto)
einmalig pro Bestellung

Lieferzeit: 5 Werktage

Pos.
32
BOSCH Kugel DIN 5401-5,5MM-III-ST | Ersatzteile für GSB 10 RE | 1903230010
Hersteller: BOSCH
Artikelnummer: EB-3601B161J0-1903230010
Netto: 3,63 € zzgl. MwSt.
zzgl. 6,90 € Versand (brutto)
einmalig pro Bestellung

Lieferzeit: 5 Werktage

Pos.
34
BOSCH Lagerbrücke | Ersatzteile für GSB 10 RE | 2609199073
Hersteller: BOSCH
Artikelnummer: EB-3601B161J0-2609199073
Netto: 9,18 € zzgl. MwSt.
zzgl. 6,90 € Versand (brutto)
einmalig pro Bestellung

Lieferzeit: 5 Werktage

Pos.
36
BOSCH Spindel | Ersatzteile für GSB 10 RE | 2609110440
Hersteller: BOSCH
Artikelnummer: EB-3601B161J0-2609110440
nur Informationsartikel
Nie mehr lieferbar
keine Alternativen
Pos.
37
BOSCH Umsetzgetriebe | Ersatzteile für GSB 10 RE | 2606320092
Hersteller: BOSCH
Artikelnummer: EB-3601B161J0-2606320092
Netto: 9,18 € zzgl. MwSt.
zzgl. 6,90 € Versand (brutto)
einmalig pro Bestellung

Lieferzeit: 5 Werktage

Pos.
38
BOSCH Sinterbuchse | Ersatzteile für GSB 10 RE | 2609110442
Hersteller: BOSCH
Artikelnummer: EB-3601B161J0-2609110442
Netto: 3,63 € zzgl. MwSt.
zzgl. 6,90 € Versand (brutto)
einmalig pro Bestellung

Lieferzeit: 5 Werktage

Pos.
41
BOSCH Druckfeder | Ersatzteile für GSB 10 RE | 2604616006
Hersteller: BOSCH
Artikelnummer: EB-3601B161J0-2604616006
Netto: 3,94 € zzgl. MwSt.
zzgl. 6,90 € Versand (brutto)
einmalig pro Bestellung

Lieferzeit: 5 Werktage

Pos.
803
BOSCH Anker 220-240V | Ersatzteile für GSB 10 RE | 2609120232
Hersteller: BOSCH
Artikelnummer: EB-3601B161J0-2609120232
Netto: 17,38 € zzgl. MwSt.
zzgl. 6,90 € Versand (brutto)
einmalig pro Bestellung

Lieferzeit: 5 Werktage

Pos.
810
BOSCH Kohlebürstensatz | Ersatzteile für GSB 10 RE | 2610391290
Hersteller: BOSCH
Artikelnummer: EB-3601B161J0-2610391290
Netto: 6,15 € zzgl. MwSt.
zzgl. 6,90 € Versand (brutto)
einmalig pro Bestellung

Lieferzeit: 5 Werktage

Pos.
831
BOSCH Umschalter | Ersatzteile für GSB 10 RE | 2609160127
Hersteller: BOSCH
Artikelnummer: EB-3601B161J0-2609160127
Netto: 4,82 € zzgl. MwSt.
zzgl. 6,90 € Versand (brutto)
einmalig pro Bestellung

Lieferzeit: 5 Werktage

Pos.
836
BOSCH Bohrspindel | Ersatzteile für GSB 10 RE | 2609160122
Hersteller: BOSCH
Artikelnummer: EB-3601B161J0-2609160122
nur Informationsartikel
Nie mehr lieferbar
keine Alternativen
Pos.
839
BOSCH Bohrfutter Ø1,0-10 MM, 3/8" | Ersatzteile für GSB 10 RE | 1608571079
Hersteller: BOSCH
Artikelnummer: EB-3601B161J0-1608571079
Netto: 24,13 € zzgl. MwSt.
zzgl. 6,90 € Versand (brutto)
einmalig pro Bestellung

Lieferzeit: 5 Werktage

Pos.
892
BOSCH Schraube 4x16 | Ersatzteile für GSB 10 RE | 2603490022
Hersteller: BOSCH
Artikelnummer: EB-3601B161J0-2603490022
Netto: 3,63 € zzgl. MwSt.
zzgl. 6,90 € Versand (brutto)
einmalig pro Bestellung

Lieferzeit: 5 Werktage

Pos.
893
BOSCH Leitungshalter | Ersatzteile für GSB 10 RE | 2601035001
Hersteller: BOSCH
Artikelnummer: EB-3601B161J0-2601035001
Netto: 3,94 € zzgl. MwSt.
zzgl. 6,90 € Versand (brutto)
einmalig pro Bestellung

Lieferzeit: 5 Werktage

Pos.
895
BOSCH Fetttube Albida | Ersatzteile für GSB 10 RE | 3605430003
Hersteller: BOSCH
Artikelnummer: EB-3601B161J0-3605430003
Netto: 24,13 € zzgl. MwSt.
zzgl. 6,90 € Versand (brutto)
einmalig pro Bestellung

Lieferzeit: 5 Werktage

Angaben zur Produktsicherheit

Hersteller:
Robert Bosch Power Tools GmbH
Postfach 30 02 20
70442 Stuttgart

E-Mail:
kontakt@bosch.de