BOSCH Klebeschild SCHATTENSEITE | Ersatzteile für GSB 12 VE | 2601110606

Artikelnummer: EB-0601930542-2601110606

Position: 20

Marke: BOSCH


Bitte Kompatibilität prüfen!

Bitte prüfen Sie unbedingt die 10-stellige Typennummer Ihrer Maschine / Ihres Gerätes. Das Ersatzteil ist nur kompatibel, wenn Sie die Typennummer Ihrer Maschine in der unten stehenden Produktbeschreibung finden.

Bitte prüfen Sie ebenfalls detailliert die Explosionszeichnung mit Ihrem Artikelwunsch und der jeweiligen Pos-Nummer.

Alle Elemente, welche vom schwarzen Strich der Pos-Nummer ausgehend berührt / erfasst werden, gehören zu dieser Pos-Nummer und somit zu diesem Artikel. Jede Pos-Nummer ist ein eigenständiger Artikel, welchen Sie in der Auflistung finden.

Sie erhalten stets die aktuellste, neueste Produktversion zu der gewählten Pos-Nummer seitens des Herstellers. Es kann daher je nach Gerätealter vorkommen, dass Sie ggf. weitere, zugehörige Elemente, welche an diese Pos-Nummer grenzen, ebenfalls mittauschen müssen.

Nähere Informationen finden Sie unter dem Link
Hinweise zu Ihrer BOSCH Ersatzteilsuche

Preisübersicht

Einzelpreis: 3,92 €* (Brutto: 4,66 €)
Gesamtpreis: 3,92 €* 
Position:

Lieferzeit: 5 Werktage


Beschreibung

  • Klebeschild SCHATTENSEITE
  • Original Bosch Zubehör / BOSCH Ersatzteil (2601110606)
  • im Gerät verbaut: 1
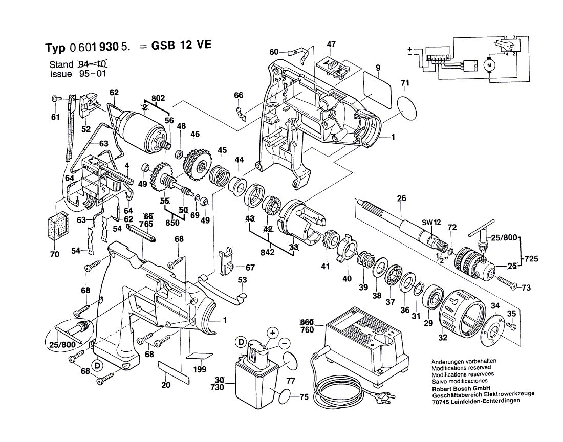
Dieses BOSCH Ersatzteil ist mit folgendem Gerät und Modell kompatibel:
  • BOSCH Gerätename: GSB 12 VE
  • BOSCH Explosionszeichnung: Position 20
  • BOSCH Typennummer: 0601930542
  • BOSCH Typennummer alternative Schreibweisen: 0 601 930 542, 0601 930 542, 0.601.930.542, 0-601-930-542
    Bitte prüfen Sie diese Typennummer auf Ihrem Gerät um die Kompatibilität des BOSCH Ersatzteils zu gewährleisten.
Weitere BOSCH Ersatzteile des Gerätes GSB 12 VE (Gw-Akkuschlagbohrmaschine) mit der Typennummer 0601930542 finden Sie in der nachfolgenden Darstellung und im Dropdown zu Ihrer Auswahl:

Pos.
1
BOSCH Gehäuseschale BLAU | Ersatzteile für GSB 12 VE | 2605104355
Hersteller: BOSCH
Artikelnummer: EB-0601930542-2605104355
nur Informationsartikel
Nie mehr lieferbar
keine Alternativen
Pos.
4
BOSCH Ein/Aus-Schalter | Ersatzteile für GSB 12 VE | 2607200302
Hersteller: BOSCH
Artikelnummer: EB-0601930542-2607200302
Netto: 39,11 € zzgl. MwSt.
zzgl. 6,90 € Versand (brutto)
einmalig pro Bestellung

Lieferzeit: 5 Werktage

Pos.
9
BOSCH Klebeschild SONNENSEITE | Ersatzteile für GSB 12 VE | 2601118092
Hersteller: BOSCH
Artikelnummer: EB-0601930542-2601118092
nur Informationsartikel
Nie mehr lieferbar
keine Alternativen
Pos.
20
BOSCH Klebeschild SCHATTENSEITE | Ersatzteile für GSB 12 VE | 2601110606
Hersteller: BOSCH
Artikelnummer: EB-0601930542-2601110606
Netto: 3,92 € zzgl. MwSt.
zzgl. 6,90 € Versand (brutto)
einmalig pro Bestellung

Lieferzeit: 5 Werktage

Pos.
26
BOSCH Bohrspindel 1/2",SW 11,1/4" | Ersatzteile für GSB 12 VE | 2606135031
Hersteller: BOSCH
Artikelnummer: EB-0601930542-2606135031
nur Informationsartikel
Nie mehr lieferbar
keine Alternativen
Pos.
29
BOSCH Rillenkugellager 15x32x9 | Ersatzteile für GSB 12 VE | 1900905122
Hersteller: BOSCH
Artikelnummer: EB-0601930542-1900905122
Netto: 9,18 € zzgl. MwSt.
zzgl. 6,90 € Versand (brutto)
einmalig pro Bestellung

Lieferzeit: 5 Werktage

Pos.
31
BOSCH Sicherungsbügel DIN 471-15x1-FSt | Ersatzteile für GSB 12 VE | 2916650006
Hersteller: BOSCH
Artikelnummer: EB-0601930542-2916650006
Netto: 3,94 € zzgl. MwSt.
zzgl. 6,90 € Versand (brutto)
einmalig pro Bestellung

Lieferzeit: 5 Werktage

Pos.
32
BOSCH Einstellring | Ersatzteile für GSB 12 VE | 2600451001
Hersteller: BOSCH
Artikelnummer: EB-0601930542-2600451001
nur Informationsartikel
Nie mehr lieferbar
keine Alternativen
Pos.
34
BOSCH Haltescheibe | Ersatzteile für GSB 12 VE | 2600190048
Hersteller: BOSCH
Artikelnummer: EB-0601930542-2600190048
nur Informationsartikel
Nie mehr lieferbar
keine Alternativen
Pos.
35
BOSCH Gewindefurchschraube DIN 7500 C M 3x8 MM | Ersatzteile für GSB 12 VE | 2603490003
Hersteller: BOSCH
Artikelnummer: EB-0601930542-2603490003
nur Informationsartikel
Nie mehr lieferbar
keine Alternativen
Pos.
36
BOSCH Lagerring | Ersatzteile für GSB 12 VE | 2600190049
Hersteller: BOSCH
Artikelnummer: EB-0601930542-2600190049
nur Informationsartikel
Nie mehr lieferbar
keine Alternativen
Pos.
37
BOSCH Kugelkäfig | Ersatzteile für GSB 12 VE | 2600923001
Hersteller: BOSCH
Artikelnummer: EB-0601930542-2600923001
nur Informationsartikel
Nie mehr lieferbar
keine Alternativen
Pos.
38
BOSCH Ausgleichscheibe 1,5 MM | Ersatzteile für GSB 12 VE | 2600101668
Hersteller: BOSCH
Artikelnummer: EB-0601930542-2600101668
Netto: 4,82 € zzgl. MwSt.
zzgl. 6,90 € Versand (brutto)
einmalig pro Bestellung

Lieferzeit: 5 Werktage

Pos.
39
BOSCH Druckfeder | Ersatzteile für GSB 12 VE | 2604617000
Hersteller: BOSCH
Artikelnummer: EB-0601930542-2604617000
Netto: 4,53 € zzgl. MwSt.
zzgl. 6,90 € Versand (brutto)
einmalig pro Bestellung

Lieferzeit: 5 Werktage

Pos.
40
BOSCH Stützring | Ersatzteile für GSB 12 VE | 2600290021
Hersteller: BOSCH
Artikelnummer: EB-0601930542-2600290021
nur Informationsartikel
Nie mehr lieferbar
keine Alternativen
Pos.
41
BOSCH Rasterscheibe | Ersatzteile für GSB 12 VE | 2606490049
Hersteller: BOSCH
Artikelnummer: EB-0601930542-2606490049
nur Informationsartikel
Nie mehr lieferbar
keine Alternativen
Pos.
44
BOSCH Schläger | Ersatzteile für GSB 12 VE | 2600322045
Hersteller: BOSCH
Artikelnummer: EB-0601930542-2600322045
nur Informationsartikel
Nie mehr lieferbar
keine Alternativen
Pos.
45
BOSCH Druckfeder | Ersatzteile für GSB 12 VE | 2604618000
Hersteller: BOSCH
Artikelnummer: EB-0601930542-2604618000
nur Informationsartikel
Nie mehr lieferbar
keine Alternativen
Pos.
46
BOSCH Zahnradsatz Z=58/67 | Ersatzteile für GSB 12 VE | 1609340007
Hersteller: BOSCH
Artikelnummer: EB-0601930542-1609340007
Netto: 12,98 € zzgl. MwSt.
zzgl. 6,90 € Versand (brutto)
einmalig pro Bestellung

Lieferzeit: 5 Werktage

Pos.
47
BOSCH Verstellschieber SCHWARZ | Ersatzteile für GSB 12 VE | 2601099027
Hersteller: BOSCH
Artikelnummer: EB-0601930542-2601099027
nur Informationsartikel
Nie mehr lieferbar
keine Alternativen
Pos.
48
BOSCH Sinterbuchse | Ersatzteile für GSB 12 VE | 2600301011
Hersteller: BOSCH
Artikelnummer: EB-0601930542-2600301011
nur Informationsartikel
Nie mehr lieferbar
keine Alternativen
Pos.
49
BOSCH Sinterbuchse | Ersatzteile für GSB 12 VE | 2600302002
Hersteller: BOSCH
Artikelnummer: EB-0601930542-2600302002
nur Informationsartikel
Nie mehr lieferbar
keine Alternativen
Pos.
52
BOSCH Kühlkörper | Ersatzteile für GSB 12 VE | 2605715000
Hersteller: BOSCH
Artikelnummer: EB-0601930542-2605715000
nur Informationsartikel
Nie mehr lieferbar
keine Alternativen
Pos.
53
BOSCH Haltefeder Ø8,7 MM | Ersatzteile für GSB 12 VE | 2601251003
Hersteller: BOSCH
Artikelnummer: EB-0601930542-2601251003
nur Informationsartikel
Nie mehr lieferbar
keine Alternativen
Pos.
54
BOSCH Kontaktfeder | Ersatzteile für GSB 12 VE | 2601324012
Hersteller: BOSCH
Artikelnummer: EB-0601930542-2601324012
nur Informationsartikel
Nie mehr lieferbar
keine Alternativen
Pos.
56
BOSCH Ritzel Z=14 | Ersatzteile für GSB 12 VE | 2606316120
Hersteller: BOSCH
Artikelnummer: EB-0601930542-2606316120
nur Informationsartikel
Nie mehr lieferbar
keine Alternativen
Pos.
60
BOSCH Klemmfeder | Ersatzteile für GSB 12 VE | 2601250003
Hersteller: BOSCH
Artikelnummer: EB-0601930542-2601250003
nur Informationsartikel
Nie mehr lieferbar
keine Alternativen
Pos.
61
BOSCH Linsenschraube DIN 7985-M3x8-4.8 | Ersatzteile für GSB 12 VE | 2910641050
Hersteller: BOSCH
Artikelnummer: EB-0601930542-2910641050
Netto: 3,60 € zzgl. MwSt.
zzgl. 6,90 € Versand (brutto)
einmalig pro Bestellung

Lieferzeit: 5 Werktage

Pos.
63
BOSCH Elektr Leitung L=52 MM WEISS | Ersatzteile für GSB 12 VE | 2604413005
Hersteller: BOSCH
Artikelnummer: EB-0601930542-2604413005
nur Informationsartikel
Nie mehr lieferbar
keine Alternativen
Pos.
64
BOSCH Elektr Leitung L=79 MM WEISS | Ersatzteile für GSB 12 VE | 2604413004
Hersteller: BOSCH
Artikelnummer: EB-0601930542-2604413004
nur Informationsartikel
Nie mehr lieferbar
keine Alternativen
Pos.
66
BOSCH Haltefeder | Ersatzteile für GSB 12 VE | 2601250002
Hersteller: BOSCH
Artikelnummer: EB-0601930542-2601250002
nur Informationsartikel
Nie mehr lieferbar
keine Alternativen
Pos.
67
BOSCH Sperrhebel 36,5 MM | Ersatzteile für GSB 12 VE | 2601099026
Hersteller: BOSCH
Artikelnummer: EB-0601930542-2601099026
nur Informationsartikel
Nie mehr lieferbar
keine Alternativen
Pos.
68
BOSCH Schraube 4x16 | Ersatzteile für GSB 12 VE | 2603490022
Hersteller: BOSCH
Artikelnummer: EB-0601930542-2603490022
Netto: 3,63 € zzgl. MwSt.
zzgl. 6,90 € Versand (brutto)
einmalig pro Bestellung

Lieferzeit: 5 Werktage

Pos.
69
BOSCH Ausgleichscheibe 0,3 MM DICK | Ersatzteile für GSB 12 VE | 2600100636
Hersteller: BOSCH
Artikelnummer: EB-0601930542-2600100636
nur Informationsartikel
Nie mehr lieferbar
keine Alternativen
Pos.
70
BOSCH Staubschutz | Ersatzteile für GSB 12 VE | 2601010038
Hersteller: BOSCH
Artikelnummer: EB-0601930542-2601010038
nur Informationsartikel
Nie mehr lieferbar
keine Alternativen
Pos.
71
BOSCH Klebeschild AKKU | Ersatzteile für GSB 12 VE | 2601110461
Hersteller: BOSCH
Artikelnummer: EB-0601930542-2601110461
nur Informationsartikel
Nie mehr lieferbar
keine Alternativen
Pos.
71
BOSCH Klebeschild GELB | Ersatzteile für GSB 12 VE | 2601110230
Hersteller: BOSCH
Artikelnummer: EB-0601930542-2601110230
nur Informationsartikel
Nie mehr lieferbar
keine Alternativen
Pos.
72
BOSCH Sprengring | Ersatzteile für GSB 12 VE | 2604601004
Hersteller: BOSCH
Artikelnummer: EB-0601930542-2604601004
nur Informationsartikel
Nie mehr lieferbar
keine Alternativen
Pos.
73
BOSCH Senkschraube M6x23 | Ersatzteile für GSB 12 VE | 2603421229
Hersteller: BOSCH
Artikelnummer: EB-0601930542-2603421229
Netto: 3,94 € zzgl. MwSt.
zzgl. 6,90 € Versand (brutto)
einmalig pro Bestellung

Lieferzeit: 5 Werktage

Pos.
75
BOSCH Hinweisschild | Ersatzteile für GSB 12 VE | 2601118023
Hersteller: BOSCH
Artikelnummer: EB-0601930542-2601118023
nur Informationsartikel
Nie mehr lieferbar
keine Alternativen
Pos.
725
BOSCH Schnellspannbohrfutter Ø 2-13 MM,1/2" | Ersatzteile für GSB 12 VE | 2608572088
Hersteller: BOSCH
Artikelnummer: EB-0601930542-2608572088
nur Informationsartikel
Nie mehr lieferbar
keine Alternativen
Pos.
730
BOSCH Einschub-Akkupaket 12V, 1,4Ah, NiCd | Ersatzteile für GSB 12 VE | 2607335021
Hersteller: BOSCH
Artikelnummer: EB-0601930542-2607335021
nur Informationsartikel
Nie mehr lieferbar
keine Alternativen
Pos.
760
BOSCH Schnell-Lader GB 230/7,2-14,4V, 30 MIN. | Ersatzteile für GSB 12 VE | 2607224703
Hersteller: BOSCH
Artikelnummer: EB-0601930542-2607224703
Netto: 91,88 € zzgl. MwSt.
zzgl. 6,90 € Versand (brutto)
einmalig pro Bestellung

Lieferzeit: 5 Werktage

Pos.
760
BOSCH Schnell-Lader GB 230/7,2-24V, 1h | Ersatzteile für GSB 12 VE | 2607224427
Hersteller: BOSCH
Artikelnummer: EB-0601930542-2607224427
Netto: 82,83 € zzgl. MwSt.
zzgl. 6,90 € Versand (brutto)
einmalig pro Bestellung

Lieferzeit: 5 Werktage

Pos.
765
BOSCH Schrauberklinge 6 MM | Ersatzteile für GSB 12 VE | 1609200147
Hersteller: BOSCH
Artikelnummer: EB-0601930542-1609200147
Netto: 5,19 € zzgl. MwSt.
zzgl. 6,90 € Versand (brutto)
einmalig pro Bestellung

Lieferzeit: 5 Werktage

Pos.
802
BOSCH Gleichstrommotor 9,6-12V | Ersatzteile für GSB 12 VE | 2607022921
Hersteller: BOSCH
Artikelnummer: EB-0601930542-2607022921
nur Informationsartikel
Nie mehr lieferbar
keine Alternativen
Pos.
842
BOSCH Rastenscheibe | Ersatzteile für GSB 12 VE | 2606490915
Hersteller: BOSCH
Artikelnummer: EB-0601930542-2606490915
nur Informationsartikel
Nie mehr lieferbar
keine Alternativen
Pos.
850
BOSCH Zahnwelle Z= 10/19/63 | Ersatzteile für GSB 12 VE | 2606308914
Hersteller: BOSCH
Artikelnummer: EB-0601930542-2606308914
nur Informationsartikel
Nie mehr lieferbar
keine Alternativen
Pos.
899
BOSCH Gw-Akkuschlagbohrmaschine + AKKU OHNE LADEGERAET | Ersatzteile für GSB 12 VE | 0601930520
Hersteller: BOSCH
Artikelnummer: EB-0601930542-0601930520
nur Informationsartikel
Nie mehr lieferbar
keine Alternativen

Angaben zur Produktsicherheit

Hersteller:
Robert Bosch Power Tools GmbH
Postfach 30 02 20
70442 Stuttgart

E-Mail:
kontakt@bosch.de