BOSCH Umsetzgetriebe | Ersatzteile für GSB 13 | 2606320092

Artikelnummer: EB-3601B170K1-2606320092

Position: 37

Marke: BOSCH


Bitte Kompatibilität prüfen!

Bitte prüfen Sie unbedingt die 10-stellige Typennummer Ihrer Maschine / Ihres Gerätes. Das Ersatzteil ist nur kompatibel, wenn Sie die Typennummer Ihrer Maschine in der unten stehenden Produktbeschreibung finden.

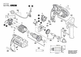
Bitte prüfen Sie ebenfalls detailliert die Explosionszeichnung mit Ihrem Artikelwunsch und der jeweiligen Pos-Nummer.

Alle Elemente, welche vom schwarzen Strich der Pos-Nummer ausgehend berührt / erfasst werden, gehören zu dieser Pos-Nummer und somit zu diesem Artikel. Jede Pos-Nummer ist ein eigenständiger Artikel, welchen Sie in der Auflistung finden.

Sie erhalten stets die aktuellste, neueste Produktversion zu der gewählten Pos-Nummer seitens des Herstellers. Es kann daher je nach Gerätealter vorkommen, dass Sie ggf. weitere, zugehörige Elemente, welche an diese Pos-Nummer grenzen, ebenfalls mittauschen müssen.

Nähere Informationen finden Sie unter dem Link
Hinweise zu Ihrer BOSCH Ersatzteilsuche

Preisübersicht

Einzelpreis: 9,18 €* (Brutto: 10,92 €)
Gesamtpreis: 9,18 €* 
Position:

Lieferzeit: 5 Werktage


Beschreibung

  • Umsetzgetriebe
  • Original Bosch Zubehör / BOSCH Ersatzteil (2606320092)
  • im Gerät verbaut: 1
Dieses BOSCH Ersatzteil ist mit folgendem Gerät und Modell kompatibel:
  • BOSCH Gerätename: GSB 13
  • BOSCH Explosionszeichnung: Position 37
  • BOSCH Typennummer: 3601B170K1
  • BOSCH Typennummer alternative Schreibweisen: 3 601 B17 0K1, 3601 B17 0K1, 3.601.B17.0K1, 3-601-B17-0K1
    Bitte prüfen Sie diese Typennummer auf Ihrem Gerät um die Kompatibilität des BOSCH Ersatzteils zu gewährleisten.
Weitere BOSCH Ersatzteile des Gerätes GSB 13 (Schlagbohrmaschine) mit der Typennummer 3601B170K1 finden Sie in der nachfolgenden Darstellung und im Dropdown zu Ihrer Auswahl:

Pos.
1
BOSCH Gehäuse | Ersatzteile für GSB 13 | 2609100428
Hersteller: BOSCH
Artikelnummer: EB-3601B170K1-2609100428
Netto: 15,75 € zzgl. MwSt.
zzgl. 6,90 € Versand (brutto)
einmalig pro Bestellung

Lieferzeit: 5 Werktage

Pos.
839/7
BOSCH Bohrfutterschlüssel SG2 | Ersatzteile für GSB 13 | 2607950007
Hersteller: BOSCH
Artikelnummer: EB-3601B170K1-2607950007
Netto: 7,30 € zzgl. MwSt.
zzgl. 6,90 € Versand (brutto)
einmalig pro Bestellung

Lieferzeit: 5 Werktage

Pos.
2
BOSCH Polschuh 230V | Ersatzteile für GSB 13 | 1619P21238
Hersteller: BOSCH
Artikelnummer: EB-3601B170K1-1619P21238
Netto: 14,36 € zzgl. MwSt.
zzgl. 6,90 € Versand (brutto)
einmalig pro Bestellung

Lieferzeit: 5 Werktage

Pos.
4
BOSCH Ein/Aus-Schalter SCHWARZ | Ersatzteile für GSB 13 | 1607200508
Hersteller: BOSCH
Artikelnummer: EB-3601B170K1-1607200508
Netto: 7,30 € zzgl. MwSt.
zzgl. 6,90 € Versand (brutto)
einmalig pro Bestellung

Lieferzeit: 5 Werktage

Pos.
5
BOSCH Netzanschlussleitung CN 220V 2,65m 2 x 0,75mm H05 VV-F | Ersatzteile für GSB 13 | 1604460262
Hersteller: BOSCH
Artikelnummer: EB-3601B170K1-1604460262
nur Informationsartikel
Nie mehr lieferbar
keine Alternativen
Pos.
6
BOSCH Tülle Ø6,9 MM | Ersatzteile für GSB 13 | 2600707059
Hersteller: BOSCH
Artikelnummer: EB-3601B170K1-2600707059
Netto: 5,19 € zzgl. MwSt.
zzgl. 6,90 € Versand (brutto)
einmalig pro Bestellung

Lieferzeit: 5 Werktage

Pos.
9
BOSCH Firmenschild GSB 13 | Ersatzteile für GSB 13 | 2609130910
Hersteller: BOSCH
Artikelnummer: EB-3601B170K1-2609130910
Netto: 1,61 € zzgl. MwSt.
zzgl. 6,90 € Versand (brutto)
einmalig pro Bestellung

Lieferzeit: 5 Werktage

Pos.
13
BOSCH Kugellager 8x22x7 | Ersatzteile für GSB 13 | 2609110153
Hersteller: BOSCH
Artikelnummer: EB-3601B170K1-2609110153
Netto: 6,70 € zzgl. MwSt.
zzgl. 6,90 € Versand (brutto)
einmalig pro Bestellung

Lieferzeit: 65 Werktage

Pos.
14
BOSCH Kugellager | Ersatzteile für GSB 13 | 2609110491
Hersteller: BOSCH
Artikelnummer: EB-3601B170K1-2609110491
Netto: 6,15 € zzgl. MwSt.
zzgl. 6,90 € Versand (brutto)
einmalig pro Bestellung

Lieferzeit: 5 Werktage

Pos.
16
BOSCH Bürstenplatte | Ersatzteile für GSB 13 | 2609120317
Hersteller: BOSCH
Artikelnummer: EB-3601B170K1-2609120317
Netto: 10,92 € zzgl. MwSt.
zzgl. 6,90 € Versand (brutto)
einmalig pro Bestellung

Lieferzeit: 5 Werktage

Pos.
21
BOSCH Schrumpfschlauch | Ersatzteile für GSB 13 | 2600409021
Hersteller: BOSCH
Artikelnummer: EB-3601B170K1-2600409021
Netto: 3,59 € zzgl. MwSt.
zzgl. 6,90 € Versand (brutto)
einmalig pro Bestellung

Lieferzeit: 5 Werktage

Pos.
32
BOSCH Kugel DIN 5401-5,5MM-III-ST | Ersatzteile für GSB 13 | 1903230010
Hersteller: BOSCH
Artikelnummer: EB-3601B170K1-1903230010
Netto: 3,63 € zzgl. MwSt.
zzgl. 6,90 € Versand (brutto)
einmalig pro Bestellung

Lieferzeit: 5 Werktage

Pos.
34
BOSCH Lagerbrücke | Ersatzteile für GSB 13 | 2609199073
Hersteller: BOSCH
Artikelnummer: EB-3601B170K1-2609199073
Netto: 9,18 € zzgl. MwSt.
zzgl. 6,90 € Versand (brutto)
einmalig pro Bestellung

Lieferzeit: 5 Werktage

Pos.
36
BOSCH Bohrspindel | Ersatzteile für GSB 13 | 2609110441
Hersteller: BOSCH
Artikelnummer: EB-3601B170K1-2609110441
Netto: 9,18 € zzgl. MwSt.
zzgl. 6,90 € Versand (brutto)
einmalig pro Bestellung

Lieferzeit: 5 Werktage

Pos.
37
BOSCH Umsetzgetriebe | Ersatzteile für GSB 13 | 2606320092
Hersteller: BOSCH
Artikelnummer: EB-3601B170K1-2606320092
Netto: 9,18 € zzgl. MwSt.
zzgl. 6,90 € Versand (brutto)
einmalig pro Bestellung

Lieferzeit: 5 Werktage

Pos.
38
BOSCH Sinterbuchse | Ersatzteile für GSB 13 | 2609110442
Hersteller: BOSCH
Artikelnummer: EB-3601B170K1-2609110442
Netto: 3,63 € zzgl. MwSt.
zzgl. 6,90 € Versand (brutto)
einmalig pro Bestellung

Lieferzeit: 5 Werktage

Pos.
41
BOSCH Druckfeder | Ersatzteile für GSB 13 | 2604616006
Hersteller: BOSCH
Artikelnummer: EB-3601B170K1-2604616006
Netto: 3,94 € zzgl. MwSt.
zzgl. 6,90 € Versand (brutto)
einmalig pro Bestellung

Lieferzeit: 5 Werktage

Pos.
654
BOSCH Zusatzhandgriff | Ersatzteile für GSB 13 | 2602025094
Hersteller: BOSCH
Artikelnummer: EB-3601B170K1-2602025094
Netto: 7,76 € zzgl. MwSt.
zzgl. 6,90 € Versand (brutto)
einmalig pro Bestellung

Lieferzeit: 5 Werktage

Pos.
655
BOSCH Tiefenanschlag | Ersatzteile für GSB 13 | 2609005615
Hersteller: BOSCH
Artikelnummer: EB-3601B170K1-2609005615
Netto: 5,67 € zzgl. MwSt.
zzgl. 6,90 € Versand (brutto)
einmalig pro Bestellung

Lieferzeit: 5 Werktage

Pos.
803
BOSCH Anker 220-240V | Ersatzteile für GSB 13 | 2609120232
Hersteller: BOSCH
Artikelnummer: EB-3601B170K1-2609120232
Netto: 17,38 € zzgl. MwSt.
zzgl. 6,90 € Versand (brutto)
einmalig pro Bestellung

Lieferzeit: 5 Werktage

Pos.
810
BOSCH Kohlebürstensatz | Ersatzteile für GSB 13 | 2610391290
Hersteller: BOSCH
Artikelnummer: EB-3601B170K1-2610391290
Netto: 6,15 € zzgl. MwSt.
zzgl. 6,90 € Versand (brutto)
einmalig pro Bestellung

Lieferzeit: 5 Werktage

Pos.
831
BOSCH Umschalter | Ersatzteile für GSB 13 | 2609160127
Hersteller: BOSCH
Artikelnummer: EB-3601B170K1-2609160127
Netto: 4,82 € zzgl. MwSt.
zzgl. 6,90 € Versand (brutto)
einmalig pro Bestellung

Lieferzeit: 5 Werktage

Pos.
836
BOSCH Bohrspindel | Ersatzteile für GSB 13 | 2609160123
Hersteller: BOSCH
Artikelnummer: EB-3601B170K1-2609160123
Netto: 12,98 € zzgl. MwSt.
zzgl. 6,90 € Versand (brutto)
einmalig pro Bestellung

Lieferzeit: 5 Werktage

Pos.
839
BOSCH Zahnkranzbohrfutter Ø1,5-13 MM | Ersatzteile für GSB 13 | 1608571080
Hersteller: BOSCH
Artikelnummer: EB-3601B170K1-1608571080
Netto: 24,13 € zzgl. MwSt.
zzgl. 6,90 € Versand (brutto)
einmalig pro Bestellung

Lieferzeit: 5 Werktage

Pos.
892
BOSCH Schraube 4x16 | Ersatzteile für GSB 13 | 2603490022
Hersteller: BOSCH
Artikelnummer: EB-3601B170K1-2603490022
Netto: 3,63 € zzgl. MwSt.
zzgl. 6,90 € Versand (brutto)
einmalig pro Bestellung

Lieferzeit: 5 Werktage

Pos.
893
BOSCH Leitungshalter | Ersatzteile für GSB 13 | 2601035001
Hersteller: BOSCH
Artikelnummer: EB-3601B170K1-2601035001
Netto: 3,94 € zzgl. MwSt.
zzgl. 6,90 € Versand (brutto)
einmalig pro Bestellung

Lieferzeit: 5 Werktage

Pos.
895
BOSCH Fetttube Albida | Ersatzteile für GSB 13 | 3605430003
Hersteller: BOSCH
Artikelnummer: EB-3601B170K1-3605430003
Netto: 24,13 € zzgl. MwSt.
zzgl. 6,90 € Versand (brutto)
einmalig pro Bestellung

Lieferzeit: 5 Werktage

Angaben zur Produktsicherheit

Hersteller:
Robert Bosch Power Tools GmbH
Postfach 30 02 20
70442 Stuttgart

E-Mail:
kontakt@bosch.de