BOSCH Leitungshalter | Ersatzteile für GSB 13 RE | 2601035001

Artikelnummer: EB-3601B17160-2601035001

Position: 893

Marke: BOSCH


Bitte Kompatibilität prüfen!

Bitte prüfen Sie unbedingt die 10-stellige Typennummer Ihrer Maschine / Ihres Gerätes. Das Ersatzteil ist nur kompatibel, wenn Sie die Typennummer Ihrer Maschine in der unten stehenden Produktbeschreibung finden.

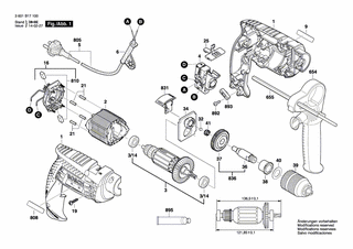
Bitte prüfen Sie ebenfalls detailliert die Explosionszeichnung mit Ihrem Artikelwunsch und der jeweiligen Pos-Nummer.

Alle Elemente, welche vom schwarzen Strich der Pos-Nummer ausgehend berührt / erfasst werden, gehören zu dieser Pos-Nummer und somit zu diesem Artikel. Jede Pos-Nummer ist ein eigenständiger Artikel, welchen Sie in der Auflistung finden.

Sie erhalten stets die aktuellste, neueste Produktversion zu der gewählten Pos-Nummer seitens des Herstellers. Es kann daher je nach Gerätealter vorkommen, dass Sie ggf. weitere, zugehörige Elemente, welche an diese Pos-Nummer grenzen, ebenfalls mittauschen müssen.

Nähere Informationen finden Sie unter dem Link
Hinweise zu Ihrer BOSCH Ersatzteilsuche

Preisübersicht

Einzelpreis: 3,94 €* (Brutto: 4,69 €)
Gesamtpreis: 3,94 €* 
Position:

Lieferzeit: 5 Werktage


Beschreibung

  • Leitungshalter
  • Original Bosch Zubehör / BOSCH Ersatzteil (2601035001)
  • im Gerät verbaut: 1
Dieses BOSCH Ersatzteil ist mit folgendem Gerät und Modell kompatibel:
  • BOSCH Gerätename: GSB 13 RE
  • BOSCH Explosionszeichnung: Position 893
  • BOSCH Typennummer: 3601B17160
  • BOSCH Typennummer alternative Schreibweisen: 3 601 B17 160, 3601 B17 160, 3.601.B17.160, 3-601-B17-160
    Bitte prüfen Sie diese Typennummer auf Ihrem Gerät um die Kompatibilität des BOSCH Ersatzteils zu gewährleisten.
Weitere BOSCH Ersatzteile des Gerätes GSB 13 RE (Schlagbohrmaschine) mit der Typennummer 3601B17160 finden Sie in der nachfolgenden Darstellung und im Dropdown zu Ihrer Auswahl:

Pos.
1
BOSCH Gehäuse | Ersatzteile für GSB 13 RE | 2605105190
Hersteller: BOSCH
Artikelnummer: EB-3601B17160-2605105190
Netto: 16,23 € zzgl. MwSt.
zzgl. 6,90 € Versand (brutto)
einmalig pro Bestellung

Lieferzeit: 5 Werktage

Pos.
3/14
BOSCH Rillenkugellager 8x22x7 608-2Z/C3 | Ersatzteile für GSB 13 RE | 3130900020
Hersteller: BOSCH
Artikelnummer: EB-3601B17160-3130900020
Netto: 7,30 € zzgl. MwSt.
zzgl. 6,90 € Versand (brutto)
einmalig pro Bestellung

Lieferzeit: 5 Werktage

Pos.
2
BOSCH Polschuh 100-110V | Ersatzteile für GSB 13 RE | 2604220654
Hersteller: BOSCH
Artikelnummer: EB-3601B17160-2604220654
Netto: 15,75 € zzgl. MwSt.
zzgl. 6,90 € Versand (brutto)
einmalig pro Bestellung

Lieferzeit: 5 Werktage

Pos.
3
BOSCH Anker 110-115V | Ersatzteile für GSB 13 RE | 2604011376
Hersteller: BOSCH
Artikelnummer: EB-3601B17160-2604011376
nur Informationsartikel
Nie mehr lieferbar
keine Alternativen
Pos.
BOSCH Schalter | Ersatzteile für GSB 13 RE | 1607200275
Hersteller: BOSCH
Artikelnummer:
Netto: 21,16 € zzgl. MwSt.
zzgl. 6,90 € Versand (brutto)
einmalig pro Bestellung

Lieferzeit: 5 Werktage

Pos.
5
BOSCH Netzanschlussleitung GB 110V 2,65m 2 x 1,0mm H05 VV-F | Ersatzteile für GSB 13 RE | 2604460207
Hersteller: BOSCH
Artikelnummer: EB-3601B17160-2604460207
Netto: 15,75 € zzgl. MwSt.
zzgl. 6,90 € Versand (brutto)
einmalig pro Bestellung

Lieferzeit: 5 Werktage

Pos.
6
BOSCH Tülle Ø6,9 MM | Ersatzteile für GSB 13 RE | 2600707059
Hersteller: BOSCH
Artikelnummer: EB-3601B17160-2600707059
Netto: 5,19 € zzgl. MwSt.
zzgl. 6,90 € Versand (brutto)
einmalig pro Bestellung

Lieferzeit: 5 Werktage

Pos.
9
BOSCH Firmenschild GSB 13 RE | Ersatzteile für GSB 13 RE | 2609130906
Hersteller: BOSCH
Artikelnummer: EB-3601B17160-2609130906
Netto: 5,19 € zzgl. MwSt.
zzgl. 6,90 € Versand (brutto)
einmalig pro Bestellung

Lieferzeit: 5 Werktage

Pos.
16
BOSCH Bürstenplatte | Ersatzteile für GSB 13 RE | 2604337109
Hersteller: BOSCH
Artikelnummer: EB-3601B17160-2604337109
nur Informationsartikel
Nie mehr lieferbar
keine Alternativen
Pos.
21
BOSCH Schrumpfschlauch | Ersatzteile für GSB 13 RE | 2600409021
Hersteller: BOSCH
Artikelnummer: EB-3601B17160-2600409021
Netto: 3,59 € zzgl. MwSt.
zzgl. 6,90 € Versand (brutto)
einmalig pro Bestellung

Lieferzeit: 5 Werktage

Pos.
25
BOSCH Hebel | Ersatzteile für GSB 13 RE | 2609100580
Hersteller: BOSCH
Artikelnummer: EB-3601B17160-2609100580
Netto: 4,53 € zzgl. MwSt.
zzgl. 6,90 € Versand (brutto)
einmalig pro Bestellung

Lieferzeit: 5 Werktage

Pos.
32
BOSCH Kugel 5,25 MM | Ersatzteile für GSB 13 RE | 2603230007
Hersteller: BOSCH
Artikelnummer: EB-3601B17160-2603230007
Netto: 3,63 € zzgl. MwSt.
zzgl. 6,90 € Versand (brutto)
einmalig pro Bestellung

Lieferzeit: 5 Werktage

Pos.
34
BOSCH Lagerbrücke | Ersatzteile für GSB 13 RE | 2609199073
Hersteller: BOSCH
Artikelnummer: EB-3601B17160-2609199073
Netto: 9,18 € zzgl. MwSt.
zzgl. 6,90 € Versand (brutto)
einmalig pro Bestellung

Lieferzeit: 5 Werktage

Pos.
36
BOSCH Bohrspindel | Ersatzteile für GSB 13 RE | 2606135123
Hersteller: BOSCH
Artikelnummer: EB-3601B17160-2606135123
nur Informationsartikel
Nie mehr lieferbar
keine Alternativen
Pos.
37
BOSCH Umsetzgetriebe | Ersatzteile für GSB 13 RE | 2606320092
Hersteller: BOSCH
Artikelnummer: EB-3601B17160-2606320092
Netto: 9,18 € zzgl. MwSt.
zzgl. 6,90 € Versand (brutto)
einmalig pro Bestellung

Lieferzeit: 5 Werktage

Pos.
38
BOSCH Sinterbuchse | Ersatzteile für GSB 13 RE | 2609110442
Hersteller: BOSCH
Artikelnummer: EB-3601B17160-2609110442
Netto: 3,63 € zzgl. MwSt.
zzgl. 6,90 € Versand (brutto)
einmalig pro Bestellung

Lieferzeit: 5 Werktage

Pos.
39
BOSCH Schnellspannbohrfutter | Ersatzteile für GSB 13 RE | 2608572236
Hersteller: BOSCH
Artikelnummer: EB-3601B17160-1600A01SA9
Netto: 40,00 € zzgl. MwSt.
zzgl. 6,90 € Versand (brutto)
einmalig pro Bestellung

Lieferzeit: 5 Werktage

Pos.
40
BOSCH Unterlegscheibe | Ersatzteile für GSB 13 RE | 2600100105
Hersteller: BOSCH
Artikelnummer: EB-3601B17160-2600100105
Netto: 3,63 € zzgl. MwSt.
zzgl. 6,90 € Versand (brutto)
einmalig pro Bestellung

Lieferzeit: 5 Werktage

Pos.
41
BOSCH Druckfeder | Ersatzteile für GSB 13 RE | 2604616006
Hersteller: BOSCH
Artikelnummer: EB-3601B17160-2604616006
Netto: 3,94 € zzgl. MwSt.
zzgl. 6,90 € Versand (brutto)
einmalig pro Bestellung

Lieferzeit: 5 Werktage

Pos.
654
BOSCH Zusatzhandgriff | Ersatzteile für GSB 13 RE | 2602025094
Hersteller: BOSCH
Artikelnummer: EB-3601B17160-2602025094
Netto: 7,76 € zzgl. MwSt.
zzgl. 6,90 € Versand (brutto)
einmalig pro Bestellung

Lieferzeit: 5 Werktage

Pos.
655
BOSCH Tiefenanschlag | Ersatzteile für GSB 13 RE | 2609005615
Hersteller: BOSCH
Artikelnummer: EB-3601B17160-2609005615
Netto: 5,67 € zzgl. MwSt.
zzgl. 6,90 € Versand (brutto)
einmalig pro Bestellung

Lieferzeit: 5 Werktage

Pos.
808
BOSCH Typenschild | Ersatzteile für GSB 13 RE | 2601115044
Hersteller: BOSCH
Artikelnummer: EB-3601B17160-2601115044
nur Informationsartikel
Nie mehr lieferbar
keine Alternativen
Pos.
810
BOSCH Kohlebürstensatz | Ersatzteile für GSB 13 RE | 2609160125
Hersteller: BOSCH
Artikelnummer: EB-3601B17160-2609160125
Netto: 7,30 € zzgl. MwSt.
zzgl. 6,90 € Versand (brutto)
einmalig pro Bestellung

Lieferzeit: 5 Werktage

Pos.
831
BOSCH Umschalter | Ersatzteile für GSB 13 RE | 2609160127
Hersteller: BOSCH
Artikelnummer: EB-3601B17160-2609160127
Netto: 4,82 € zzgl. MwSt.
zzgl. 6,90 € Versand (brutto)
einmalig pro Bestellung

Lieferzeit: 5 Werktage

Pos.
836
BOSCH Bohrspindel | Ersatzteile für GSB 13 RE | 2606135939
Hersteller: BOSCH
Artikelnummer: EB-3601B17160-2606135939
nur Informationsartikel
Nie mehr lieferbar
keine Alternativen
Pos.
892
BOSCH Schraube 4x16 | Ersatzteile für GSB 13 RE | 2603490022
Hersteller: BOSCH
Artikelnummer: EB-3601B17160-2603490022
Netto: 3,63 € zzgl. MwSt.
zzgl. 6,90 € Versand (brutto)
einmalig pro Bestellung

Lieferzeit: 5 Werktage

Pos.
893
BOSCH Leitungshalter | Ersatzteile für GSB 13 RE | 2601035001
Hersteller: BOSCH
Artikelnummer: EB-3601B17160-2601035001
Netto: 3,94 € zzgl. MwSt.
zzgl. 6,90 € Versand (brutto)
einmalig pro Bestellung

Lieferzeit: 5 Werktage

Pos.
895
BOSCH Fetttube Albida | Ersatzteile für GSB 13 RE | 3605430003
Hersteller: BOSCH
Artikelnummer: EB-3601B17160-3605430003
Netto: 24,13 € zzgl. MwSt.
zzgl. 6,90 € Versand (brutto)
einmalig pro Bestellung

Lieferzeit: 5 Werktage

Angaben zur Produktsicherheit

Hersteller:
Robert Bosch Power Tools GmbH
Postfach 30 02 20
70442 Stuttgart

E-Mail:
kontakt@bosch.de