BOSCH Bohrfutterschlüssel SG2 | Ersatzteile für GSB 16 RE | 2607950007

Artikelnummer: EB-0601140670-2607950007

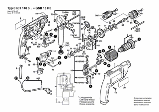
Position: 756/7

Marke: BOSCH


Bitte Kompatibilität prüfen!

Bitte prüfen Sie unbedingt die 10-stellige Typennummer Ihrer Maschine / Ihres Gerätes. Das Ersatzteil ist nur kompatibel, wenn Sie die Typennummer Ihrer Maschine in der unten stehenden Produktbeschreibung finden.

Bitte prüfen Sie ebenfalls detailliert die Explosionszeichnung mit Ihrem Artikelwunsch und der jeweiligen Pos-Nummer.

Alle Elemente, welche vom schwarzen Strich der Pos-Nummer ausgehend berührt / erfasst werden, gehören zu dieser Pos-Nummer und somit zu diesem Artikel. Jede Pos-Nummer ist ein eigenständiger Artikel, welchen Sie in der Auflistung finden.

Sie erhalten stets die aktuellste, neueste Produktversion zu der gewählten Pos-Nummer seitens des Herstellers. Es kann daher je nach Gerätealter vorkommen, dass Sie ggf. weitere, zugehörige Elemente, welche an diese Pos-Nummer grenzen, ebenfalls mittauschen müssen.

Nähere Informationen finden Sie unter dem Link
Hinweise zu Ihrer BOSCH Ersatzteilsuche

Preisübersicht

Einzelpreis: 7,30 €* (Brutto: 8,69 €)
Gesamtpreis: 7,30 €* 
Position:

Lieferzeit: 5 Werktage


Beschreibung

  • Bohrfutterschlüssel SG2
  • Original Bosch Zubehör / BOSCH Ersatzteil (2607950007)
  • im Gerät verbaut: 1
Dieses BOSCH Ersatzteil ist mit folgendem Gerät und Modell kompatibel:
  • BOSCH Gerätename: GSB 16 RE
  • BOSCH Explosionszeichnung: Position 756/7
  • BOSCH Typennummer: 0601140670
  • BOSCH Typennummer alternative Schreibweisen: 0 601 140 670, 0601 140 670, 0.601.140.670, 0-601-140-670
    Bitte prüfen Sie diese Typennummer auf Ihrem Gerät um die Kompatibilität des BOSCH Ersatzteils zu gewährleisten.
Weitere BOSCH Ersatzteile des Gerätes GSB 16 RE (Schlagbohrmaschine) mit der Typennummer 0601140670 finden Sie in der nachfolgenden Darstellung und im Dropdown zu Ihrer Auswahl:

Pos.
60/1
BOSCH Senkschraube M 6x34 MM LINKSGEWINDE | Ersatzteile für GSB 16 RE | 2603421213
Hersteller: BOSCH
Artikelnummer: EB-0601140670-2603421213
nur Informationsartikel
Nie mehr lieferbar
keine Alternativen
Pos.
754/20
BOSCH Sechskantmutter DIN 934-M6-8-A | Ersatzteile für GSB 16 RE | 2915011007
Hersteller: BOSCH
Artikelnummer: EB-0601140670-2915011007
Netto: 3,63 € zzgl. MwSt.
zzgl. 6,90 € Versand (brutto)
einmalig pro Bestellung

Lieferzeit: 5 Werktage

Pos.
756/7
BOSCH Bohrfutterschlüssel SG2 | Ersatzteile für GSB 16 RE | 2607950007
Hersteller: BOSCH
Artikelnummer: EB-0601140670-2607950007
Netto: 7,30 € zzgl. MwSt.
zzgl. 6,90 € Versand (brutto)
einmalig pro Bestellung

Lieferzeit: 5 Werktage

Pos.
4
BOSCH Schalter | Ersatzteile für GSB 16 RE | 2607200209
Hersteller: BOSCH
Artikelnummer: EB-0601140670-2607200209
Netto: 35,77 € zzgl. MwSt.
zzgl. 6,90 € Versand (brutto)
einmalig pro Bestellung

Lieferzeit: 5 Werktage

Pos.
7
BOSCH Leitungshalter | Ersatzteile für GSB 16 RE | 2601035001
Hersteller: BOSCH
Artikelnummer: EB-0601140670-2601035001
Netto: 3,94 € zzgl. MwSt.
zzgl. 6,90 € Versand (brutto)
einmalig pro Bestellung

Lieferzeit: 5 Werktage

Pos.
16
BOSCH Bürstenplatte | Ersatzteile für GSB 16 RE | 2605807060
Hersteller: BOSCH
Artikelnummer: EB-0601140670-2605807060
nur Informationsartikel
Nie mehr lieferbar
keine Alternativen
Pos.
18
BOSCH Zylinderschraube M3x6,5-4.8 | Ersatzteile für GSB 16 RE | 2603410001
Hersteller: BOSCH
Artikelnummer: EB-0601140670-2603410001
Netto: 3,94 € zzgl. MwSt.
zzgl. 6,90 € Versand (brutto)
einmalig pro Bestellung

Lieferzeit: 5 Werktage

Pos.
19
BOSCH Schraube 4x16 | Ersatzteile für GSB 16 RE | 2603490022
Hersteller: BOSCH
Artikelnummer: EB-0601140670-2603490022
Netto: 3,63 € zzgl. MwSt.
zzgl. 6,90 € Versand (brutto)
einmalig pro Bestellung

Lieferzeit: 5 Werktage

Pos.
27
BOSCH Torx-Linsenschraube 3x10 | Ersatzteile für GSB 16 RE | 2603490017
Hersteller: BOSCH
Artikelnummer: EB-0601140670-2603490017
Netto: 4,32 € zzgl. MwSt.
zzgl. 6,90 € Versand (brutto)
einmalig pro Bestellung

Lieferzeit: 5 Werktage

Pos.
29
BOSCH Dämmplatte | Ersatzteile für GSB 16 RE | 2601022000
Hersteller: BOSCH
Artikelnummer: EB-0601140670-2601022000
nur Informationsartikel
Nie mehr lieferbar
keine Alternativen
Pos.
30
BOSCH Bohrspindel 1/2 Zoll,M6 LINKSGEWINDE | Ersatzteile für GSB 16 RE | 2606135033
Hersteller: BOSCH
Artikelnummer: EB-0601140670-2606135033
nur Informationsartikel
Nie mehr lieferbar
keine Alternativen
Pos.
31
BOSCH Sicherungsscheibe 0,3 MM | Ersatzteile für GSB 16 RE | 2600118006
Hersteller: BOSCH
Artikelnummer: EB-0601140670-2600118006
nur Informationsartikel
Nie mehr lieferbar
keine Alternativen
Pos.
33
BOSCH Rillenkugellager 15x32x9 | Ersatzteile für GSB 16 RE | 1900905122
Hersteller: BOSCH
Artikelnummer: EB-0601140670-1900905122
Netto: 9,18 € zzgl. MwSt.
zzgl. 6,90 € Versand (brutto)
einmalig pro Bestellung

Lieferzeit: 5 Werktage

Pos.
34
BOSCH Stirnrad Z=42 | Ersatzteile für GSB 16 RE | 2606320050
Hersteller: BOSCH
Artikelnummer: EB-0601140670-2606320050
nur Informationsartikel
Nie mehr lieferbar
keine Alternativen
Pos.
36
BOSCH Schaltscheibe SCHWARZ | Ersatzteile für GSB 16 RE | 2601990001
Hersteller: BOSCH
Artikelnummer: EB-0601140670-2601990001
nur Informationsartikel
Nie mehr lieferbar
keine Alternativen
Pos.
49
BOSCH Elektr Leitung L=173 MM WEISS | Ersatzteile für GSB 16 RE | 2604448060
Hersteller: BOSCH
Artikelnummer: EB-0601140670-2604448060
nur Informationsartikel
Nie mehr lieferbar
keine Alternativen
Pos.
55
BOSCH Erdleitung | Ersatzteile für GSB 16 RE | 2604448103
Hersteller: BOSCH
Artikelnummer: EB-0601140670-2604448103
nur Informationsartikel
Nie mehr lieferbar
keine Alternativen
Pos.
56
BOSCH Bohrfutter Ø1,5-13 MM, 1/2 Zoll | Ersatzteile für GSB 16 RE | 1608571069
Hersteller: BOSCH
Artikelnummer: EB-0601140670-1608571069
Netto: 21,16 € zzgl. MwSt.
zzgl. 6,90 € Versand (brutto)
einmalig pro Bestellung

Lieferzeit: 5 Werktage

Pos.
56
BOSCH Schnellspannbohrfutter Ø 1,5-13 MM, 1/2 Zoll | Ersatzteile für GSB 16 RE | 2608572106
Hersteller: BOSCH
Artikelnummer: EB-0601140670-2608572106
Netto: 77,60 € zzgl. MwSt.
zzgl. 6,90 € Versand (brutto)
einmalig pro Bestellung

Lieferzeit: 5 Werktage

Pos.
753
BOSCH Bohreraufnahme | Ersatzteile für GSB 16 RE | 2607000122
Hersteller: BOSCH
Artikelnummer: EB-0601140670-2607000122
nur Informationsartikel
Nie mehr lieferbar
keine Alternativen
Pos.
754
BOSCH Zusatzhandgriff | Ersatzteile für GSB 16 RE | 1619PB4323
Hersteller: BOSCH
Artikelnummer: EB-0601140670-1619PB4323
Netto: 9,18 € zzgl. MwSt.
zzgl. 6,90 € Versand (brutto)
einmalig pro Bestellung

Lieferzeit: 5 Werktage

Pos.
754
BOSCH Zusatzhandgriff Ø43 MM SCHWARZ | Ersatzteile für GSB 16 RE | 1612025031
Hersteller: BOSCH
Artikelnummer: EB-0601140670-1612025031
nur Informationsartikel
Nie mehr lieferbar
keine Alternativen
Pos.
805
BOSCH Netzanschlussleitung EU 2,6m 2 x 1,0 mm | Ersatzteile für GSB 16 RE | 1607000385
Hersteller: BOSCH
Artikelnummer: EB-0601140670-1607000385
Netto: 12,98 € zzgl. MwSt.
zzgl. 6,90 € Versand (brutto)
einmalig pro Bestellung

Lieferzeit: 5 Werktage

Pos.
825
BOSCH Umschalter | Ersatzteile für GSB 16 RE | 2607200231
Hersteller: BOSCH
Artikelnummer: EB-0601140670-2607200231
Netto: 14,36 € zzgl. MwSt.
zzgl. 6,90 € Versand (brutto)
einmalig pro Bestellung

Lieferzeit: 5 Werktage

Angaben zur Produktsicherheit

Hersteller:
Robert Bosch Power Tools GmbH
Postfach 30 02 20
70442 Stuttgart

E-Mail:
kontakt@bosch.de