BOSCH Schnellspannbohrfutter Ø 1,5-13 MM, 1/2 Zoll | Ersatzteile für GSB 16 RE | 2608572106

Artikelnummer: EB-0601140684-2608572106

Position: 56

Marke: BOSCH


Bitte Kompatibilität prüfen!

Bitte prüfen Sie unbedingt die 10-stellige Typennummer Ihrer Maschine / Ihres Gerätes. Das Ersatzteil ist nur kompatibel, wenn Sie die Typennummer Ihrer Maschine in der unten stehenden Produktbeschreibung finden.

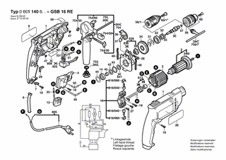
Bitte prüfen Sie ebenfalls detailliert die Explosionszeichnung mit Ihrem Artikelwunsch und der jeweiligen Pos-Nummer.

Alle Elemente, welche vom schwarzen Strich der Pos-Nummer ausgehend berührt / erfasst werden, gehören zu dieser Pos-Nummer und somit zu diesem Artikel. Jede Pos-Nummer ist ein eigenständiger Artikel, welchen Sie in der Auflistung finden.

Sie erhalten stets die aktuellste, neueste Produktversion zu der gewählten Pos-Nummer seitens des Herstellers. Es kann daher je nach Gerätealter vorkommen, dass Sie ggf. weitere, zugehörige Elemente, welche an diese Pos-Nummer grenzen, ebenfalls mittauschen müssen.

Nähere Informationen finden Sie unter dem Link
Hinweise zu Ihrer BOSCH Ersatzteilsuche

Preisübersicht

Einzelpreis: 77,60 €* (Brutto: 92,34 €)
Gesamtpreis: 77,60 €* 
Position:

Lieferzeit: 5 Werktage


Beschreibung

  • Schnellspannbohrfutter Ø 1,5-13 MM, 1/2 Zoll"
  • Original Bosch Zubehör / BOSCH Ersatzteil (2608572106)
  • im Gerät verbaut: 1
Dieses BOSCH Ersatzteil ist mit folgendem Gerät und Modell kompatibel:
  • BOSCH Gerätename: GSB 16 RE
  • BOSCH Explosionszeichnung: Position 56
  • BOSCH Typennummer: 0601140684
  • BOSCH Typennummer alternative Schreibweisen: 0 601 140 684, 0601 140 684, 0.601.140.684, 0-601-140-684
    Bitte prüfen Sie diese Typennummer auf Ihrem Gerät um die Kompatibilität des BOSCH Ersatzteils zu gewährleisten.
Weitere BOSCH Ersatzteile des Gerätes GSB 16 RE (Schlagbohrmaschine) mit der Typennummer 0601140684 finden Sie in der nachfolgenden Darstellung und im Dropdown zu Ihrer Auswahl:

Pos.
1
BOSCH Gehäuseschale BLAU | Ersatzteile für GSB 16 RE | 2605104436
Hersteller: BOSCH
Artikelnummer: EB-0601140684-2605104436
Netto: 26,88 € zzgl. MwSt.
zzgl. 6,90 € Versand (brutto)
einmalig pro Bestellung

Lieferzeit: 5 Werktage

Pos.
3/60
BOSCH Lüfter | Ersatzteile für GSB 16 RE | 2606610029
Hersteller: BOSCH
Artikelnummer: EB-0601140684-2606610029
Netto: 4,53 € zzgl. MwSt.
zzgl. 6,90 € Versand (brutto)
einmalig pro Bestellung

Lieferzeit: 5 Werktage

Pos.
60/1
BOSCH Senkschraube M 6x34 MM LINKSGEWINDE | Ersatzteile für GSB 16 RE | 2603421213
Hersteller: BOSCH
Artikelnummer: EB-0601140684-2603421213
nur Informationsartikel
Nie mehr lieferbar
keine Alternativen
Pos.
754/20
BOSCH Sechskantmutter DIN 934-M6-8-A | Ersatzteile für GSB 16 RE | 2915011007
Hersteller: BOSCH
Artikelnummer: EB-0601140684-2915011007
Netto: 3,63 € zzgl. MwSt.
zzgl. 6,90 € Versand (brutto)
einmalig pro Bestellung

Lieferzeit: 5 Werktage

Pos.
754/30
BOSCH Flügelschraube M6x(15)55 | Ersatzteile für GSB 16 RE | 1613480007
Hersteller: BOSCH
Artikelnummer: EB-0601140684-1613480007
Netto: 3,94 € zzgl. MwSt.
zzgl. 6,90 € Versand (brutto)
einmalig pro Bestellung

Lieferzeit: 5 Werktage

Pos.
754/50
BOSCH Spannplatte M6 | Ersatzteile für GSB 16 RE | 2608040014
Hersteller: BOSCH
Artikelnummer: EB-0601140684-2608040014
nur Informationsartikel
Nie mehr lieferbar
keine Alternativen
Pos.
754/60
BOSCH Flügelschraube M6x20 MM | Ersatzteile für GSB 16 RE | 1613480008
Hersteller: BOSCH
Artikelnummer: EB-0601140684-1613480008
Netto: 3,94 € zzgl. MwSt.
zzgl. 6,90 € Versand (brutto)
einmalig pro Bestellung

Lieferzeit: 5 Werktage

Pos.
756/7
BOSCH Bohrfutterschlüssel SG2 | Ersatzteile für GSB 16 RE | 2607950007
Hersteller: BOSCH
Artikelnummer: EB-0601140684-2607950007
Netto: 7,30 € zzgl. MwSt.
zzgl. 6,90 € Versand (brutto)
einmalig pro Bestellung

Lieferzeit: 5 Werktage

Pos.
816/040
BOSCH Kohlebürstensatz | Ersatzteile für GSB 16 RE | 2604321916
Hersteller: BOSCH
Artikelnummer: EB-0601140684-2604321916
nur Informationsartikel
Nie mehr lieferbar
keine Alternativen
Pos.
816/060
BOSCH Rastkappe | Ersatzteile für GSB 16 RE | 2601322013
Hersteller: BOSCH
Artikelnummer: EB-0601140684-2601329051
Netto: 3,94 € zzgl. MwSt.
zzgl. 6,90 € Versand (brutto)
einmalig pro Bestellung

Lieferzeit: 5 Werktage

Pos.
2
BOSCH Polschuh 115V | Ersatzteile für GSB 16 RE | 2604220440
Hersteller: BOSCH
Artikelnummer: EB-0601140684-2604220440
Netto: 24,13 € zzgl. MwSt.
zzgl. 6,90 € Versand (brutto)
einmalig pro Bestellung

Lieferzeit: 5 Werktage

Pos.
3
BOSCH Anker 100V | Ersatzteile für GSB 16 RE | 2604011086
Hersteller: BOSCH
Artikelnummer: EB-0601140684-2604011086
nur Informationsartikel
Nie mehr lieferbar
keine Alternativen
Pos.
4
BOSCH Schalter | Ersatzteile für GSB 16 RE | 2607200210
Hersteller: BOSCH
Artikelnummer: EB-0601140684-2607200210
Netto: 42,86 € zzgl. MwSt.
zzgl. 6,90 € Versand (brutto)
einmalig pro Bestellung

Lieferzeit: 5 Werktage

Pos.
5
BOSCH Netzanschlussleitung J 2,5m 2 x 0,75mm PVC | Ersatzteile für GSB 16 RE | 2604460153
Hersteller: BOSCH
Artikelnummer: EB-0601140684-2604460153
Netto: 15,75 € zzgl. MwSt.
zzgl. 6,90 € Versand (brutto)
einmalig pro Bestellung

Lieferzeit: 5 Werktage

Pos.
6
BOSCH Tülle Ø8,8 MM | Ersatzteile für GSB 16 RE | 2600707061
Hersteller: BOSCH
Artikelnummer: EB-0601140684-2600707061
nur Informationsartikel
Nie mehr lieferbar
keine Alternativen
Pos.
7
BOSCH Leitungshalter | Ersatzteile für GSB 16 RE | 1611035005
Hersteller: BOSCH
Artikelnummer: EB-0601140684-1611035005
nur Informationsartikel
Nie mehr lieferbar
keine Alternativen
Pos.
9
BOSCH Firmenschild SONNENSEITE | Ersatzteile für GSB 16 RE | 2601118433
Hersteller: BOSCH
Artikelnummer: EB-0601140684-2601118433
nur Informationsartikel
Nie mehr lieferbar
keine Alternativen
Pos.
12
BOSCH Entstörfilter | Ersatzteile für GSB 16 RE | 2607329114
Hersteller: BOSCH
Artikelnummer: EB-0601140684-2607329114
nur Informationsartikel
Nie mehr lieferbar
keine Alternativen
Pos.
14
BOSCH Rillenkugellager 9x24x7 | Ersatzteile für GSB 16 RE | 2600905039
Hersteller: BOSCH
Artikelnummer: EB-0601140684-2600905039
Netto: 10,92 € zzgl. MwSt.
zzgl. 6,90 € Versand (brutto)
einmalig pro Bestellung

Lieferzeit: 5 Werktage

Pos.
16
BOSCH Bürstenplatte | Ersatzteile für GSB 16 RE | 2609992626
Hersteller: BOSCH
Artikelnummer: EB-0601140684-2609992626
nur Informationsartikel
Nie mehr lieferbar
keine Alternativen
Pos.
18
BOSCH Zylinderschraube M3x6,5-4.8 | Ersatzteile für GSB 16 RE | 2603410001
Hersteller: BOSCH
Artikelnummer: EB-0601140684-2603410001
Netto: 3,94 € zzgl. MwSt.
zzgl. 6,90 € Versand (brutto)
einmalig pro Bestellung

Lieferzeit: 5 Werktage

Pos.
19
BOSCH Schraube 4x16 | Ersatzteile für GSB 16 RE | 2603490022
Hersteller: BOSCH
Artikelnummer: EB-0601140684-2603490022
Netto: 3,63 € zzgl. MwSt.
zzgl. 6,90 € Versand (brutto)
einmalig pro Bestellung

Lieferzeit: 5 Werktage

Pos.
20
BOSCH Firmenschild SCHATTENSEITE | Ersatzteile für GSB 16 RE | 2601118739
Hersteller: BOSCH
Artikelnummer: EB-0601140684-2601118739
nur Informationsartikel
Nie mehr lieferbar
keine Alternativen
Pos.
27
BOSCH Torx-Linsenschraube 3x10 | Ersatzteile für GSB 16 RE | 2603490017
Hersteller: BOSCH
Artikelnummer: EB-0601140684-2603490017
Netto: 4,32 € zzgl. MwSt.
zzgl. 6,90 € Versand (brutto)
einmalig pro Bestellung

Lieferzeit: 5 Werktage

Pos.
28
BOSCH Zylinderschraube DIN 84-BM4x30-8.8 | Ersatzteile für GSB 16 RE | 2910021134
Hersteller: BOSCH
Artikelnummer: EB-0601140684-2910021134
Netto: 3,94 € zzgl. MwSt.
zzgl. 6,90 € Versand (brutto)
einmalig pro Bestellung

Lieferzeit: 5 Werktage

Pos.
29
BOSCH Dämmplatte | Ersatzteile für GSB 16 RE | 2601022000
Hersteller: BOSCH
Artikelnummer: EB-0601140684-2601022000
nur Informationsartikel
Nie mehr lieferbar
keine Alternativen
Pos.
30
BOSCH Bohrspindel 1/2 Zoll,M6 LINKSGEWINDE | Ersatzteile für GSB 16 RE | 2606135033
Hersteller: BOSCH
Artikelnummer: EB-0601140684-2606135033
nur Informationsartikel
Nie mehr lieferbar
keine Alternativen
Pos.
31
BOSCH Sicherungsscheibe 0,3 MM | Ersatzteile für GSB 16 RE | 2600118006
Hersteller: BOSCH
Artikelnummer: EB-0601140684-2600118006
nur Informationsartikel
Nie mehr lieferbar
keine Alternativen
Pos.
31
BOSCH Sicherungsscheibe 0,6 MM | Ersatzteile für GSB 16 RE | 2600118001
Hersteller: BOSCH
Artikelnummer: EB-0601140684-2600118001
Netto: 3,63 € zzgl. MwSt.
zzgl. 6,90 € Versand (brutto)
einmalig pro Bestellung

Lieferzeit: 5 Werktage

Pos.
31
BOSCH Sicherungsscheibe 0,8 MM | Ersatzteile für GSB 16 RE | 2600118002
Hersteller: BOSCH
Artikelnummer: EB-0601140684-2600118002
Netto: 3,94 € zzgl. MwSt.
zzgl. 6,90 € Versand (brutto)
einmalig pro Bestellung

Lieferzeit: 5 Werktage

Pos.
31
BOSCH Sicherungsscheibe 1,2 MM | Ersatzteile für GSB 16 RE | 2600118007
Hersteller: BOSCH
Artikelnummer: EB-0601140684-2600118007
nur Informationsartikel
Nie mehr lieferbar
keine Alternativen
Pos.
32
BOSCH Druckfeder | Ersatzteile für GSB 16 RE | 2604617000
Hersteller: BOSCH
Artikelnummer: EB-0601140684-2604617000
Netto: 4,53 € zzgl. MwSt.
zzgl. 6,90 € Versand (brutto)
einmalig pro Bestellung

Lieferzeit: 5 Werktage

Pos.
33
BOSCH Rillenkugellager 15x32x9 | Ersatzteile für GSB 16 RE | 1900905122
Hersteller: BOSCH
Artikelnummer: EB-0601140684-1900905122
Netto: 9,18 € zzgl. MwSt.
zzgl. 6,90 € Versand (brutto)
einmalig pro Bestellung

Lieferzeit: 5 Werktage

Pos.
34
BOSCH Stirnrad Z=42 | Ersatzteile für GSB 16 RE | 2606320050
Hersteller: BOSCH
Artikelnummer: EB-0601140684-2606320050
nur Informationsartikel
Nie mehr lieferbar
keine Alternativen
Pos.
35
BOSCH Kugel DIN 5401-5,5MM-III-ST | Ersatzteile für GSB 16 RE | 1903230010
Hersteller: BOSCH
Artikelnummer: EB-0601140684-1903230010
Netto: 3,63 € zzgl. MwSt.
zzgl. 6,90 € Versand (brutto)
einmalig pro Bestellung

Lieferzeit: 5 Werktage

Pos.
36
BOSCH Schaltscheibe SCHWARZ | Ersatzteile für GSB 16 RE | 2601990001
Hersteller: BOSCH
Artikelnummer: EB-0601140684-2601990001
nur Informationsartikel
Nie mehr lieferbar
keine Alternativen
Pos.
37
BOSCH Druckplatte | Ersatzteile für GSB 16 RE | 2601074003
Hersteller: BOSCH
Artikelnummer: EB-0601140684-2601074003
Netto: 3,63 € zzgl. MwSt.
zzgl. 6,90 € Versand (brutto)
einmalig pro Bestellung

Lieferzeit: 5 Werktage

Pos.
39
BOSCH Rasterscheibe | Ersatzteile für GSB 16 RE | 2606490056
Hersteller: BOSCH
Artikelnummer: EB-0601140684-2606490056
nur Informationsartikel
Nie mehr lieferbar
keine Alternativen
Pos.
42
BOSCH Tellerscheibe | Ersatzteile für GSB 16 RE | 2600500014
Hersteller: BOSCH
Artikelnummer: EB-0601140684-2600500014
nur Informationsartikel
Nie mehr lieferbar
keine Alternativen
Pos.
43
BOSCH O-Ring 18x3 MM | Ersatzteile für GSB 16 RE | 1900210117
Hersteller: BOSCH
Artikelnummer: EB-0601140684-1900210117
nur Informationsartikel
Nie mehr lieferbar
keine Alternativen
Pos.
44
BOSCH Sicherungsring DIN 472-24x1,2 MM | Ersatzteile für GSB 16 RE | 2916660008
Hersteller: BOSCH
Artikelnummer: EB-0601140684-2916660008
Netto: 4,32 € zzgl. MwSt.
zzgl. 6,90 € Versand (brutto)
einmalig pro Bestellung

Lieferzeit: 5 Werktage

Pos.
45
BOSCH Steckhülse | Ersatzteile für GSB 16 RE | 2600400008
Hersteller: BOSCH
Artikelnummer: EB-0601140684-2600400008
Netto: 3,94 € zzgl. MwSt.
zzgl. 6,90 € Versand (brutto)
einmalig pro Bestellung

Lieferzeit: 5 Werktage

Pos.
47
BOSCH O-Ring 5,0x1,5 MM | Ersatzteile für GSB 16 RE | 1900210000
Hersteller: BOSCH
Artikelnummer: EB-0601140684-1900210000
Netto: 3,94 € zzgl. MwSt.
zzgl. 6,90 € Versand (brutto)
einmalig pro Bestellung

Lieferzeit: 5 Werktage

Pos.
48
BOSCH Filzstreifen | Ersatzteile für GSB 16 RE | 2601005011
Hersteller: BOSCH
Artikelnummer: EB-0601140684-2601005011
Netto: 4,39 € zzgl. MwSt.
zzgl. 6,90 € Versand (brutto)
einmalig pro Bestellung

Lieferzeit: 5 Werktage

Pos.
49
BOSCH Elektr Leitung L=173 MM WEISS | Ersatzteile für GSB 16 RE | 2604448060
Hersteller: BOSCH
Artikelnummer: EB-0601140684-2604448060
nur Informationsartikel
Nie mehr lieferbar
keine Alternativen
Pos.
50
BOSCH Elektr Leitung L=98 MM SCHWARZ | Ersatzteile für GSB 16 RE | 2604448045
Hersteller: BOSCH
Artikelnummer: EB-0601140684-2604448045
nur Informationsartikel
Nie mehr lieferbar
keine Alternativen
Pos.
51
BOSCH Verbindungsleitung L=88 MM WEISS | Ersatzteile für GSB 16 RE | 2604448034
Hersteller: BOSCH
Artikelnummer: EB-0601140684-2604448034
Netto: 3,94 € zzgl. MwSt.
zzgl. 6,90 € Versand (brutto)
einmalig pro Bestellung

Lieferzeit: 5 Werktage

Pos.
52
BOSCH Verbindungsleitung L=103 MM BLAU | Ersatzteile für GSB 16 RE | 2604448132
Hersteller: BOSCH
Artikelnummer: EB-0601140684-2604448132
Netto: 3,63 € zzgl. MwSt.
zzgl. 6,90 € Versand (brutto)
einmalig pro Bestellung

Lieferzeit: 5 Werktage

Pos.
53
BOSCH Verbindungskabel L=73 MM WEISS | Ersatzteile für GSB 16 RE | 2604448115
Hersteller: BOSCH
Artikelnummer: EB-0601140684-2604448115
Netto: 3,63 € zzgl. MwSt.
zzgl. 6,90 € Versand (brutto)
einmalig pro Bestellung

Lieferzeit: 5 Werktage

Pos.
55
BOSCH Erdleitung | Ersatzteile für GSB 16 RE | 2604448103
Hersteller: BOSCH
Artikelnummer: EB-0601140684-2604448103
nur Informationsartikel
Nie mehr lieferbar
keine Alternativen
Pos.
56
BOSCH Bohrfutter Ø1,5-13 MM, 1/2 Zoll | Ersatzteile für GSB 16 RE | 1608571069
Hersteller: BOSCH
Artikelnummer: EB-0601140684-1608571069
Netto: 21,16 € zzgl. MwSt.
zzgl. 6,90 € Versand (brutto)
einmalig pro Bestellung

Lieferzeit: 5 Werktage

Pos.
56
BOSCH Schnellspannbohrfutter Ø 1,5-13 MM, 1/2 Zoll | Ersatzteile für GSB 16 RE | 2608572106
Hersteller: BOSCH
Artikelnummer: EB-0601140684-2608572106
Netto: 77,60 € zzgl. MwSt.
zzgl. 6,90 € Versand (brutto)
einmalig pro Bestellung

Lieferzeit: 5 Werktage

Pos.
57
BOSCH Sprengring | Ersatzteile für GSB 16 RE | 2604601004
Hersteller: BOSCH
Artikelnummer: EB-0601140684-2604601004
nur Informationsartikel
Nie mehr lieferbar
keine Alternativen
Pos.
59
BOSCH Klebeschild | Ersatzteile für GSB 16 RE | 2601110580
Hersteller: BOSCH
Artikelnummer: EB-0601140684-2601110580
nur Informationsartikel
Nie mehr lieferbar
keine Alternativen
Pos.
60
BOSCH Senkschraube M 6x38 MM LINKSGEWINDE | Ersatzteile für GSB 16 RE | 2603421215
Hersteller: BOSCH
Artikelnummer: EB-0601140684-2603421215
nur Informationsartikel
Nie mehr lieferbar
keine Alternativen
Pos.
180
BOSCH Warnschild ACHTUNG | Ersatzteile für GSB 16 RE | 3601119137
Hersteller: BOSCH
Artikelnummer: EB-0601140684-3601119137
Netto: 5,19 € zzgl. MwSt.
zzgl. 6,90 € Versand (brutto)
einmalig pro Bestellung

Lieferzeit: 5 Werktage

Pos.
753
BOSCH Bohreraufnahme | Ersatzteile für GSB 16 RE | 2607000122
Hersteller: BOSCH
Artikelnummer: EB-0601140684-2607000122
nur Informationsartikel
Nie mehr lieferbar
keine Alternativen
Pos.
754
BOSCH Zusatzhandgriff | Ersatzteile für GSB 16 RE | 1619PB4323
Hersteller: BOSCH
Artikelnummer: EB-0601140684-1619PB4323
Netto: 9,18 € zzgl. MwSt.
zzgl. 6,90 € Versand (brutto)
einmalig pro Bestellung

Lieferzeit: 5 Werktage

Pos.
754
BOSCH Zusatzhandgriff Ø43 MM SCHWARZ | Ersatzteile für GSB 16 RE | 1612025031
Hersteller: BOSCH
Artikelnummer: EB-0601140684-1612025031
nur Informationsartikel
Nie mehr lieferbar
keine Alternativen
Pos.
755
BOSCH Tiefenanschlag SW 6x210 MM | Ersatzteile für GSB 16 RE | 1613001005
Hersteller: BOSCH
Artikelnummer: EB-0601140684-1613001005
nur Informationsartikel
Nie mehr lieferbar
keine Alternativen
Pos.
813
BOSCH Nadelhülse | Ersatzteile für GSB 16 RE | 2600917902
Hersteller: BOSCH
Artikelnummer: EB-0601140684-2600917902
nur Informationsartikel
Nie mehr lieferbar
keine Alternativen
Pos.
825
BOSCH Umschalter | Ersatzteile für GSB 16 RE | 2607200231
Hersteller: BOSCH
Artikelnummer: EB-0601140684-2607200231
Netto: 14,36 € zzgl. MwSt.
zzgl. 6,90 € Versand (brutto)
einmalig pro Bestellung

Lieferzeit: 5 Werktage

Pos.
838
BOSCH Lagerbrücke | Ersatzteile für GSB 16 RE | 2605807029
Hersteller: BOSCH
Artikelnummer: EB-0601140684-2605807029
nur Informationsartikel
Nie mehr lieferbar
keine Alternativen
Pos.
839
BOSCH Lagerbrücke | Ersatzteile für GSB 16 RE | 2605807915
Hersteller: BOSCH
Artikelnummer: EB-0601140684-2605807915
nur Informationsartikel
Nie mehr lieferbar
keine Alternativen
Pos.
841
BOSCH Filzscheibe | Ersatzteile für GSB 16 RE | 2600108000
Hersteller: BOSCH
Artikelnummer: EB-0601140684-2600108000
nur Informationsartikel
Nie mehr lieferbar
keine Alternativen

Angaben zur Produktsicherheit

Hersteller:
Robert Bosch Power Tools GmbH
Postfach 30 02 20
70442 Stuttgart

E-Mail:
kontakt@bosch.de