BOSCH Leitungshalter | Ersatzteile für GSB 16 RE | 2601035001

Artikelnummer: EB-0601140706-2601035001

Position: 7

Marke: BOSCH


Bitte Kompatibilität prüfen!

Bitte prüfen Sie unbedingt die 10-stellige Typennummer Ihrer Maschine / Ihres Gerätes. Das Ersatzteil ist nur kompatibel, wenn Sie die Typennummer Ihrer Maschine in der unten stehenden Produktbeschreibung finden.

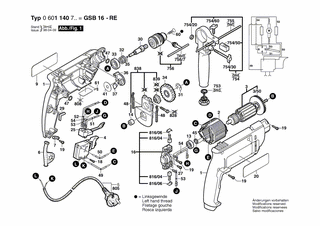
Bitte prüfen Sie ebenfalls detailliert die Explosionszeichnung mit Ihrem Artikelwunsch und der jeweiligen Pos-Nummer.

Alle Elemente, welche vom schwarzen Strich der Pos-Nummer ausgehend berührt / erfasst werden, gehören zu dieser Pos-Nummer und somit zu diesem Artikel. Jede Pos-Nummer ist ein eigenständiger Artikel, welchen Sie in der Auflistung finden.

Sie erhalten stets die aktuellste, neueste Produktversion zu der gewählten Pos-Nummer seitens des Herstellers. Es kann daher je nach Gerätealter vorkommen, dass Sie ggf. weitere, zugehörige Elemente, welche an diese Pos-Nummer grenzen, ebenfalls mittauschen müssen.

Nähere Informationen finden Sie unter dem Link
Hinweise zu Ihrer BOSCH Ersatzteilsuche

Preisübersicht

Einzelpreis: 3,94 €* (Brutto: 4,69 €)
Gesamtpreis: 3,94 €* 
Position:

Lieferzeit: 5 Werktage


Beschreibung

  • Leitungshalter
  • Original Bosch Zubehör / BOSCH Ersatzteil (2601035001)
  • im Gerät verbaut: 1
Dieses BOSCH Ersatzteil ist mit folgendem Gerät und Modell kompatibel:
  • BOSCH Gerätename: GSB 16 RE
  • BOSCH Explosionszeichnung: Position 7
  • BOSCH Typennummer: 0601140706
  • BOSCH Typennummer alternative Schreibweisen: 0 601 140 706, 0601 140 706, 0.601.140.706, 0-601-140-706
    Bitte prüfen Sie diese Typennummer auf Ihrem Gerät um die Kompatibilität des BOSCH Ersatzteils zu gewährleisten.
Weitere BOSCH Ersatzteile des Gerätes GSB 16 RE (Schlagbohrmaschine) mit der Typennummer 0601140706 finden Sie in der nachfolgenden Darstellung und im Dropdown zu Ihrer Auswahl:

Pos.
1
BOSCH Gehäuseschale BLAU | Ersatzteile für GSB 16 RE | 2605104554
Hersteller: BOSCH
Artikelnummer: EB-0601140706-2605104554
nur Informationsartikel
Nie mehr lieferbar
keine Alternativen
Pos.
754/20
BOSCH Sechskantmutter DIN 934-M6-8-A | Ersatzteile für GSB 16 RE | 2915011007
Hersteller: BOSCH
Artikelnummer: EB-0601140706-2915011007
Netto: 3,63 € zzgl. MwSt.
zzgl. 6,90 € Versand (brutto)
einmalig pro Bestellung

Lieferzeit: 5 Werktage

Pos.
756/7
BOSCH Bohrfutterschlüssel SG2 | Ersatzteile für GSB 16 RE | 2607950007
Hersteller: BOSCH
Artikelnummer: EB-0601140706-2607950007
Netto: 7,30 € zzgl. MwSt.
zzgl. 6,90 € Versand (brutto)
einmalig pro Bestellung

Lieferzeit: 5 Werktage

Pos.
816/06
BOSCH Rastkappe | Ersatzteile für GSB 16 RE | 2601322017
Hersteller: BOSCH
Artikelnummer: EB-0601140706-2601322017
nur Informationsartikel
Nie mehr lieferbar
keine Alternativen
Pos.
4
BOSCH Schalter | Ersatzteile für GSB 16 RE | 2607200209
Hersteller: BOSCH
Artikelnummer: EB-0601140706-2607200209
Netto: 35,77 € zzgl. MwSt.
zzgl. 6,90 € Versand (brutto)
einmalig pro Bestellung

Lieferzeit: 5 Werktage

Pos.
6
BOSCH Tülle Ø6,9 MM | Ersatzteile für GSB 16 RE | 2600707059
Hersteller: BOSCH
Artikelnummer: EB-0601140706-2600707059
Netto: 5,19 € zzgl. MwSt.
zzgl. 6,90 € Versand (brutto)
einmalig pro Bestellung

Lieferzeit: 5 Werktage

Pos.
7
BOSCH Leitungshalter | Ersatzteile für GSB 16 RE | 2601035001
Hersteller: BOSCH
Artikelnummer: EB-0601140706-2601035001
Netto: 3,94 € zzgl. MwSt.
zzgl. 6,90 € Versand (brutto)
einmalig pro Bestellung

Lieferzeit: 5 Werktage

Pos.
9
BOSCH Firmenschild | Ersatzteile für GSB 16 RE | 2601119653
Hersteller: BOSCH
Artikelnummer: EB-0601140706-2601119653
nur Informationsartikel
Nie mehr lieferbar
keine Alternativen
Pos.
13
BOSCH Kugellager 7x19x6 | Ersatzteile für GSB 16 RE | 2600905032
Hersteller: BOSCH
Artikelnummer: EB-0601140706-2600905032
Netto: 6,15 € zzgl. MwSt.
zzgl. 6,90 € Versand (brutto)
einmalig pro Bestellung

Lieferzeit: 23 Werktage

Pos.
18
BOSCH Zylinderschraube M3x6,5-4.8 | Ersatzteile für GSB 16 RE | 2603410001
Hersteller: BOSCH
Artikelnummer: EB-0601140706-2603410001
Netto: 3,94 € zzgl. MwSt.
zzgl. 6,90 € Versand (brutto)
einmalig pro Bestellung

Lieferzeit: 5 Werktage

Pos.
19
BOSCH Schraube 4x16 | Ersatzteile für GSB 16 RE | 2603490022
Hersteller: BOSCH
Artikelnummer: EB-0601140706-2603490022
Netto: 3,63 € zzgl. MwSt.
zzgl. 6,90 € Versand (brutto)
einmalig pro Bestellung

Lieferzeit: 5 Werktage

Pos.
25
BOSCH Umschalter | Ersatzteile für GSB 16 RE | 2607200231
Hersteller: BOSCH
Artikelnummer: EB-0601140706-2607200231
Netto: 14,36 € zzgl. MwSt.
zzgl. 6,90 € Versand (brutto)
einmalig pro Bestellung

Lieferzeit: 5 Werktage

Pos.
27
BOSCH Torx-Linsenschraube 3x18 | Ersatzteile für GSB 16 RE | 2603490018
Hersteller: BOSCH
Artikelnummer: EB-0601140706-2603490018
nur Informationsartikel
Nie mehr lieferbar
keine Alternativen
Pos.
29
BOSCH Dämmplatte | Ersatzteile für GSB 16 RE | 2601022000
Hersteller: BOSCH
Artikelnummer: EB-0601140706-2601022000
nur Informationsartikel
Nie mehr lieferbar
keine Alternativen
Pos.
31
BOSCH Sicherungsscheibe 0,3 MM | Ersatzteile für GSB 16 RE | 2600118006
Hersteller: BOSCH
Artikelnummer: EB-0601140706-2600118006
nur Informationsartikel
Nie mehr lieferbar
keine Alternativen
Pos.
33
BOSCH Rillenkugellager 15x32x9 | Ersatzteile für GSB 16 RE | 1900905122
Hersteller: BOSCH
Artikelnummer: EB-0601140706-1900905122
Netto: 9,18 € zzgl. MwSt.
zzgl. 6,90 € Versand (brutto)
einmalig pro Bestellung

Lieferzeit: 5 Werktage

Pos.
34
BOSCH Stirnrad Z=42 | Ersatzteile für GSB 16 RE | 2606320050
Hersteller: BOSCH
Artikelnummer: EB-0601140706-2606320050
nur Informationsartikel
Nie mehr lieferbar
keine Alternativen
Pos.
36
BOSCH Schaltscheibe SCHWARZ | Ersatzteile für GSB 16 RE | 2601990001
Hersteller: BOSCH
Artikelnummer: EB-0601140706-2601990001
nur Informationsartikel
Nie mehr lieferbar
keine Alternativen
Pos.
49
BOSCH Elektr Leitung L=173 MM WEISS | Ersatzteile für GSB 16 RE | 2604448060
Hersteller: BOSCH
Artikelnummer: EB-0601140706-2604448060
nur Informationsartikel
Nie mehr lieferbar
keine Alternativen
Pos.
60
BOSCH Senkschraube M6x27 LINKSGEWINDE | Ersatzteile für GSB 16 RE | 2603421226
Hersteller: BOSCH
Artikelnummer: EB-0601140706-2603421226
Netto: 3,94 € zzgl. MwSt.
zzgl. 6,90 € Versand (brutto)
einmalig pro Bestellung

Lieferzeit: 5 Werktage

Pos.
753
BOSCH Bohreraufnahme | Ersatzteile für GSB 16 RE | 2607000122
Hersteller: BOSCH
Artikelnummer: EB-0601140706-2607000122
nur Informationsartikel
Nie mehr lieferbar
keine Alternativen
Pos.
754
BOSCH Zusatzhandgriff | Ersatzteile für GSB 16 RE C | 1619PB4323
Hersteller: BOSCH
Artikelnummer: EB-0601140706-1619PB4323
Netto: 9,18 € zzgl. MwSt.
zzgl. 6,90 € Versand (brutto)
einmalig pro Bestellung

Lieferzeit: 5 Werktage

Pos.
754
BOSCH Zusatzhandgriff Ø43 MM SCHWARZ | Ersatzteile für GSB 16 RE | 1612025031
Hersteller: BOSCH
Artikelnummer: EB-0601140706-1612025031
nur Informationsartikel
Nie mehr lieferbar
keine Alternativen
Pos.
808
BOSCH Typschild | Ersatzteile für GSB 16 RE | 160111A3H3
Hersteller: BOSCH
Artikelnummer: EB-0601140706-160111A3H3
Netto: 4,53 € zzgl. MwSt.
zzgl. 6,90 € Versand (brutto)
einmalig pro Bestellung

Lieferzeit: 5 Werktage

Pos.
826
BOSCH Blechschraube DIN 7981-3,9x19-C-Z-ST | Ersatzteile für GSB 16 RE | 2912401020
Hersteller: BOSCH
Artikelnummer: EB-0601140706-2912401020
Netto: 3,63 € zzgl. MwSt.
zzgl. 6,90 € Versand (brutto)
einmalig pro Bestellung

Lieferzeit: 5 Werktage

Pos.
838
BOSCH Lagerbrücke | Ersatzteile für GSB 16 RE | 2605807930
Hersteller: BOSCH
Artikelnummer: EB-0601140706-2605807930
nur Informationsartikel
Nie mehr lieferbar
keine Alternativen

Angaben zur Produktsicherheit

Hersteller:
Robert Bosch Power Tools GmbH
Postfach 30 02 20
70442 Stuttgart

E-Mail:
kontakt@bosch.de