BOSCH Druckplatte | Ersatzteile für GSB 162-2 | 2601074009

Artikelnummer: EB-3601A8B094-2601074009

Position: 42

Marke: BOSCH


Bitte Kompatibilität prüfen!

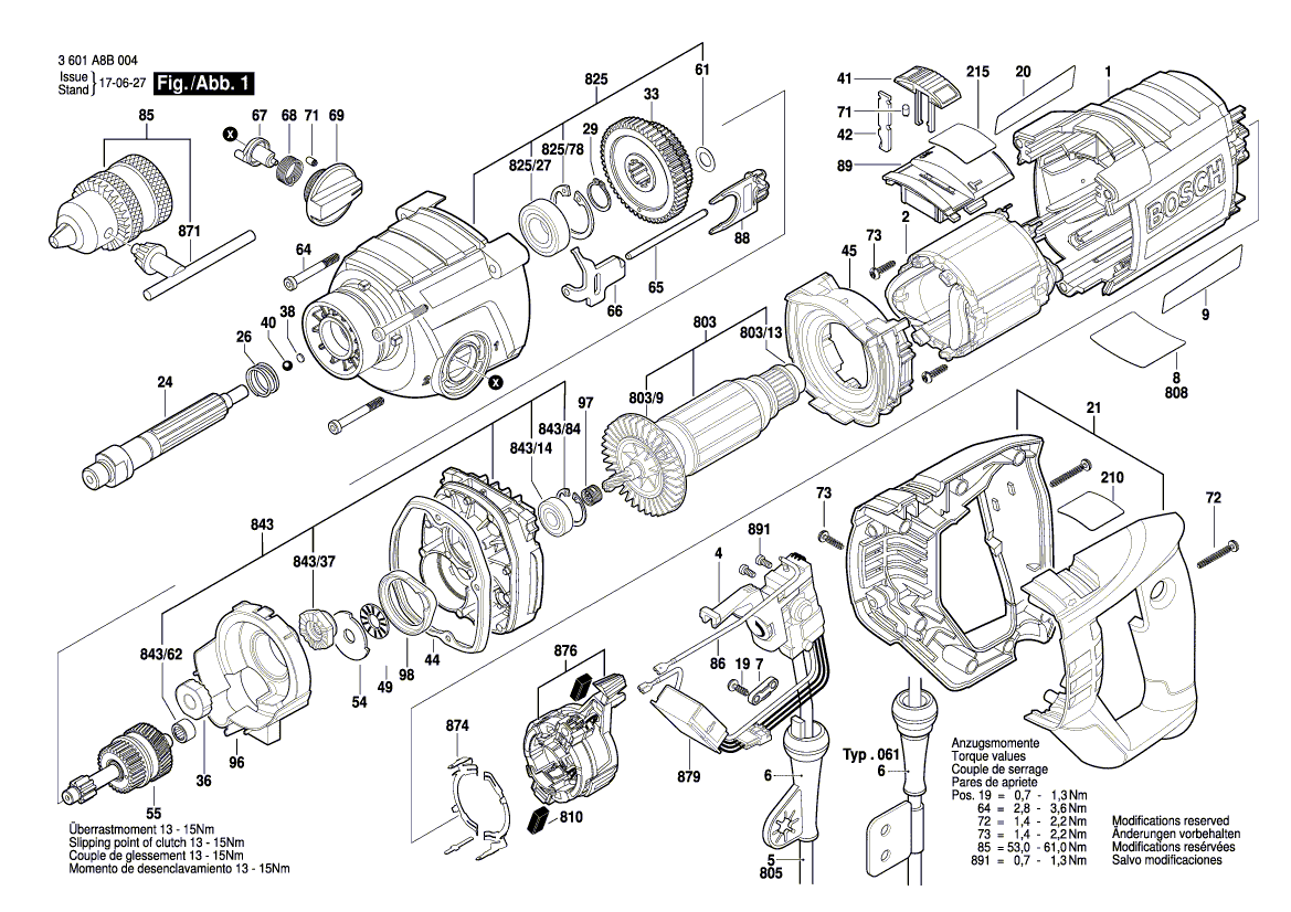
Bitte prüfen Sie unbedingt die 10-stellige Typennummer Ihrer Maschine / Ihres Gerätes. Das Ersatzteil ist nur kompatibel, wenn Sie die Typennummer Ihrer Maschine in der unten stehenden Produktbeschreibung finden.

Bitte prüfen Sie ebenfalls detailliert die Explosionszeichnung mit Ihrem Artikelwunsch und der jeweiligen Pos-Nummer.

Alle Elemente, welche vom schwarzen Strich der Pos-Nummer ausgehend berührt / erfasst werden, gehören zu dieser Pos-Nummer und somit zu diesem Artikel. Jede Pos-Nummer ist ein eigenständiger Artikel, welchen Sie in der Auflistung finden.

Sie erhalten stets die aktuellste, neueste Produktversion zu der gewählten Pos-Nummer seitens des Herstellers. Es kann daher je nach Gerätealter vorkommen, dass Sie ggf. weitere, zugehörige Elemente, welche an diese Pos-Nummer grenzen, ebenfalls mittauschen müssen.

Nähere Informationen finden Sie unter dem Link
Hinweise zu Ihrer BOSCH Ersatzteilsuche

Preisübersicht

Einzelpreis: 3,94 €* (Brutto: 4,69 €)
Gesamtpreis: 3,94 €* 
Position:

Lieferzeit: 5 Werktage


Beschreibung

  • Druckplatte
  • Original Bosch Zubehör / BOSCH Ersatzteil (2601074009)
  • im Gerät verbaut: 1
Dieses BOSCH Ersatzteil ist mit folgendem Gerät und Modell kompatibel:
  • BOSCH Gerätename: GSB 162-2
  • BOSCH Explosionszeichnung: Position 42
  • BOSCH Typennummer: 3601A8B094
  • BOSCH Typennummer alternative Schreibweisen: 3 601 A8B 094, 3601 A8B 094, 3.601.A8B.094, 3-601-A8B-094
    Bitte prüfen Sie diese Typennummer auf Ihrem Gerät um die Kompatibilität des BOSCH Ersatzteils zu gewährleisten.
Weitere BOSCH Ersatzteile des Gerätes GSB 162-2 (Schlagbohrmaschine) mit der Typennummer 3601A8B094 finden Sie in der nachfolgenden Darstellung und im Dropdown zu Ihrer Auswahl:

Pos.
1
BOSCH Motorgehäuse | Ersatzteile für GSB 162-2 | 2605105138
Hersteller: BOSCH
Artikelnummer: EB-3601A8B094-2605105138
Netto: 24,13 € zzgl. MwSt.
zzgl. 6,90 € Versand (brutto)
einmalig pro Bestellung

Lieferzeit: 5 Werktage

Pos.
653/12
BOSCH Flügelschraube | Ersatzteile für GSB 162-2 | 2603481021
Hersteller: BOSCH
Artikelnummer: EB-3601A8B094-2603481021
Netto: 11,92 € zzgl. MwSt.
zzgl. 6,90 € Versand (brutto)
einmalig pro Bestellung

Lieferzeit: 5 Werktage

Pos.
653/23
BOSCH Sechskantmutter | Ersatzteile für GSB 162-2 | 2915051140
Hersteller: BOSCH
Artikelnummer: EB-3601A8B094-2915051140
nur Informationsartikel
Nie mehr lieferbar
keine Alternativen
Pos.
653/8
BOSCH Sechskantschraube | Ersatzteile für GSB 162-2 | 2911061971
Hersteller: BOSCH
Artikelnummer: EB-3601A8B094-2911061971
Netto: 8,23 € zzgl. MwSt.
zzgl. 6,90 € Versand (brutto)
einmalig pro Bestellung

Lieferzeit: 5 Werktage

Pos.
653/82
BOSCH Klemmhalter | Ersatzteile für GSB 162-2 | 2602025905
Hersteller: BOSCH
Artikelnummer: EB-3601A8B094-2602025905
nur Informationsartikel
Nie mehr lieferbar
keine Alternativen
Pos.
653/9
BOSCH Griff | Ersatzteile für GSB 162-2 | 2602025206
Hersteller: BOSCH
Artikelnummer: EB-3601A8B094-2602025206
nur Informationsartikel
Nie mehr lieferbar
keine Alternativen
Pos.
803/13
BOSCH Rillenkugellager 7x19x6 | Ersatzteile für GSB 162-2 | 2600905086
Hersteller: BOSCH
Artikelnummer: EB-3601A8B094-2600905086
Netto: 6,70 € zzgl. MwSt.
zzgl. 6,90 € Versand (brutto)
einmalig pro Bestellung

Lieferzeit: 11 Werktage

Pos.
803/9
BOSCH Lüfter | Ersatzteile für GSB 162-2 | 2606610137
Hersteller: BOSCH
Artikelnummer: EB-3601A8B094-2606610137
Netto: 6,70 € zzgl. MwSt.
zzgl. 6,90 € Versand (brutto)
einmalig pro Bestellung

Lieferzeit: 5 Werktage

Pos.
825/27
BOSCH Rillenkugellager 17x35x10 | Ersatzteile für GSB 162-2 | 1900905163
Hersteller: BOSCH
Artikelnummer: EB-3601A8B094-1900905163
Netto: 9,95 € zzgl. MwSt.
zzgl. 6,90 € Versand (brutto)
einmalig pro Bestellung

Lieferzeit: 5 Werktage

Pos.
825/78
BOSCH Sicherungsring DIN 472 35x1,5 MM | Ersatzteile für GSB 162-2 | 2916660014
Hersteller: BOSCH
Artikelnummer: EB-3601A8B094-2916660014
Netto: 3,94 € zzgl. MwSt.
zzgl. 6,90 € Versand (brutto)
einmalig pro Bestellung

Lieferzeit: 5 Werktage

Pos.
843/14
BOSCH Kugellager 9x24x7 | Ersatzteile für GSB 162-2 | 2600905095
Hersteller: BOSCH
Artikelnummer: EB-3601A8B094-2600905095
Netto: 10,92 € zzgl. MwSt.
zzgl. 6,90 € Versand (brutto)
einmalig pro Bestellung

Lieferzeit: 5 Werktage

Pos.
843/37
BOSCH Rastscheibe | Ersatzteile für GSB 162-2 | 2600190121
Hersteller: BOSCH
Artikelnummer: EB-3601A8B094-2600190121
Netto: 9,95 € zzgl. MwSt.
zzgl. 6,90 € Versand (brutto)
einmalig pro Bestellung

Lieferzeit: 5 Werktage

Pos.
843/62
BOSCH Nadelhülse | Ersatzteile für GSB 162-2 | 2600917023
Hersteller: BOSCH
Artikelnummer: EB-3601A8B094-2600917023
Netto: 5,67 € zzgl. MwSt.
zzgl. 6,90 € Versand (brutto)
einmalig pro Bestellung

Lieferzeit: 5 Werktage

Pos.
843/84
BOSCH Sicherungsring DIN 472-24x1,2 MM | Ersatzteile für GSB 162-2 | 2916660008
Hersteller: BOSCH
Artikelnummer: EB-3601A8B094-2916660008
Netto: 4,32 € zzgl. MwSt.
zzgl. 6,90 € Versand (brutto)
einmalig pro Bestellung

Lieferzeit: 5 Werktage

Pos.
2
BOSCH Polschuh 230-240V | Ersatzteile für GSB 162-2 | 1619P08347
Hersteller: BOSCH
Artikelnummer: EB-3601A8B094-1619P08347
Netto: 47,09 € zzgl. MwSt.
zzgl. 6,90 € Versand (brutto)
einmalig pro Bestellung

Lieferzeit: 5 Werktage

Pos.
4
BOSCH Schalter | Ersatzteile für GSB 162-2 | 2607200675
Hersteller: BOSCH
Artikelnummer: EB-3601A8B094-2607200675
Netto: 35,77 € zzgl. MwSt.
zzgl. 6,90 € Versand (brutto)
einmalig pro Bestellung

Lieferzeit: 5 Werktage

Pos.
6
BOSCH Tülle | Ersatzteile für GSB 162-2 | 2600707072
Hersteller: BOSCH
Artikelnummer: EB-3601A8B094-2600707072
Netto: 4,56 € zzgl. MwSt.
zzgl. 6,90 € Versand (brutto)
einmalig pro Bestellung

Lieferzeit: 5 Werktage

Pos.
7
BOSCH Leitungshalter | Ersatzteile für GSB 162-2 | 2601035004
Hersteller: BOSCH
Artikelnummer: EB-3601A8B094-2601035004
Netto: 4,32 € zzgl. MwSt.
zzgl. 6,90 € Versand (brutto)
einmalig pro Bestellung

Lieferzeit: 5 Werktage

Pos.
9
BOSCH Firmenschild GSB 162-2 RE | Ersatzteile für GSB 162-2 | 160111C15F
Hersteller: BOSCH
Artikelnummer: EB-3601A8B094-160111C15F
Netto: 4,82 € zzgl. MwSt.
zzgl. 6,90 € Versand (brutto)
einmalig pro Bestellung

Lieferzeit: 5 Werktage

Pos.
19
BOSCH Torx-Linsenschraube 4x12 | Ersatzteile für GSB 162-2 | 2603490021
Hersteller: BOSCH
Artikelnummer: EB-3601A8B094-2603490021
Netto: 3,63 € zzgl. MwSt.
zzgl. 6,90 € Versand (brutto)
einmalig pro Bestellung

Lieferzeit: 5 Werktage

Pos.
20
BOSCH Hinweisschild | Ersatzteile für GSB 162-2 | 160111C1V2
Hersteller: BOSCH
Artikelnummer: EB-3601A8B094-160111C1V2
Netto: 5,19 € zzgl. MwSt.
zzgl. 6,90 € Versand (brutto)
einmalig pro Bestellung

Lieferzeit: 5 Werktage

Pos.
21
BOSCH Handgriff | Ersatzteile für GSB 162-2 | 2602025178
Hersteller: BOSCH
Artikelnummer: EB-3601A8B094-2602025178
Netto: 24,13 € zzgl. MwSt.
zzgl. 6,90 € Versand (brutto)
einmalig pro Bestellung

Lieferzeit: 5 Werktage

Pos.
24
BOSCH Bohrspindel | Ersatzteile für GSB 162-2 | 2606135143
Hersteller: BOSCH
Artikelnummer: EB-3601A8B094-1617S02078
Netto: 35,77 € zzgl. MwSt.
zzgl. 6,90 € Versand (brutto)
einmalig pro Bestellung

Lieferzeit: 5 Werktage

Pos.
26
BOSCH Druckfeder | Ersatzteile für GSB 162-2 | 2604616002
Hersteller: BOSCH
Artikelnummer: EB-3601A8B094-2604616002
Netto: 3,94 € zzgl. MwSt.
zzgl. 6,90 € Versand (brutto)
einmalig pro Bestellung

Lieferzeit: 5 Werktage

Pos.
29
BOSCH Sicherungsring DIN 471 17x1 MM | Ersatzteile für GSB 162-2 | 2916650008
Hersteller: BOSCH
Artikelnummer: EB-3601A8B094-2916650008
Netto: 3,94 € zzgl. MwSt.
zzgl. 6,90 € Versand (brutto)
einmalig pro Bestellung

Lieferzeit: 5 Werktage

Pos.
33
BOSCH Doppelzahnrad | Ersatzteile für GSB 162-2 | 1600A00L2N
Hersteller: BOSCH
Artikelnummer: EB-3601A8B094-1600A00L2N
Netto: 12,98 € zzgl. MwSt.
zzgl. 6,90 € Versand (brutto)
einmalig pro Bestellung

Lieferzeit: 5 Werktage

Pos.
36
BOSCH Rastscheibe | Ersatzteile für GSB 162-2 | 2600190105
Hersteller: BOSCH
Artikelnummer: EB-3601A8B094-2600190105
Netto: 4,53 € zzgl. MwSt.
zzgl. 6,90 € Versand (brutto)
einmalig pro Bestellung

Lieferzeit: 5 Werktage

Pos.
38
BOSCH Distanzscheibe | Ersatzteile für GSB 162-2 | 2600000045
Hersteller: BOSCH
Artikelnummer: EB-3601A8B094-2600000045
Netto: 3,63 € zzgl. MwSt.
zzgl. 6,90 € Versand (brutto)
einmalig pro Bestellung

Lieferzeit: 5 Werktage

Pos.
38
BOSCH Distanzscheibe 1,0 MM | Ersatzteile für GSB 162-2 | 2600000021
Hersteller: BOSCH
Artikelnummer: EB-3601A8B094-2600000021
Netto: 3,94 € zzgl. MwSt.
zzgl. 6,90 € Versand (brutto)
einmalig pro Bestellung

Lieferzeit: 5 Werktage

Pos.
40
BOSCH Kugel DIN 5401-5,5MM-III-ST | Ersatzteile für GSB 162-2 | 1903230010
Hersteller: BOSCH
Artikelnummer: EB-3601A8B094-1903230010
Netto: 3,63 € zzgl. MwSt.
zzgl. 6,90 € Versand (brutto)
einmalig pro Bestellung

Lieferzeit: 5 Werktage

Pos.
41
BOSCH Schiebeschalter | Ersatzteile für GSB 162-2 | 2602319030
Hersteller: BOSCH
Artikelnummer: EB-3601A8B094-2602319030
Netto: 5,67 € zzgl. MwSt.
zzgl. 6,90 € Versand (brutto)
einmalig pro Bestellung

Lieferzeit: 5 Werktage

Pos.
42
BOSCH Druckplatte | Ersatzteile für GSB 162-2 | 2601074009
Hersteller: BOSCH
Artikelnummer: EB-3601A8B094-2601074009
Netto: 3,94 € zzgl. MwSt.
zzgl. 6,90 € Versand (brutto)
einmalig pro Bestellung

Lieferzeit: 5 Werktage

Pos.
44
BOSCH Dichtung | Ersatzteile für GSB 162-2 | 2601015104
Hersteller: BOSCH
Artikelnummer: EB-3601A8B094-2601015104
Netto: 7,76 € zzgl. MwSt.
zzgl. 6,90 € Versand (brutto)
einmalig pro Bestellung

Lieferzeit: 5 Werktage

Pos.
45
BOSCH Luftleitring | Ersatzteile für GSB 162-2 | 2600148015
Hersteller: BOSCH
Artikelnummer: EB-3601A8B094-2600148015
Netto: 6,70 € zzgl. MwSt.
zzgl. 6,90 € Versand (brutto)
einmalig pro Bestellung

Lieferzeit: 5 Werktage

Pos.
49
BOSCH Axialnadelkranz | Ersatzteile für GSB 162-2 | 2600913042
Hersteller: BOSCH
Artikelnummer: EB-3601A8B094-2600913042
Netto: 5,19 € zzgl. MwSt.
zzgl. 6,90 € Versand (brutto)
einmalig pro Bestellung

Lieferzeit: 5 Werktage

Pos.
49
BOSCH Axialnadellager | Ersatzteile für GSB 162-2 | 3608872471
Hersteller: BOSCH
Artikelnummer: EB-3601A8B094-3608872471
Netto: 4,32 € zzgl. MwSt.
zzgl. 6,90 € Versand (brutto)
einmalig pro Bestellung

Lieferzeit: 5 Werktage

Pos.
54
BOSCH Anlaufscheibe | Ersatzteile für GSB 162-2 | 2600114087
Hersteller: BOSCH
Artikelnummer: EB-3601A8B094-2600114087
Netto: 4,82 € zzgl. MwSt.
zzgl. 6,90 € Versand (brutto)
einmalig pro Bestellung

Lieferzeit: 5 Werktage

Pos.
55
BOSCH Vorgelege | Ersatzteile für GSB 162-2 | 1600A00L2M
Hersteller: BOSCH
Artikelnummer: EB-3601A8B094-1600A00L2M
Netto: 57,47 € zzgl. MwSt.
zzgl. 6,90 € Versand (brutto)
einmalig pro Bestellung

Lieferzeit: 5 Werktage

Pos.
61
BOSCH Ausgleichscheibe | Ersatzteile für GSB 162-2 | 2600100712
Hersteller: BOSCH
Artikelnummer: EB-3601A8B094-2600100712
Netto: 4,53 € zzgl. MwSt.
zzgl. 6,90 € Versand (brutto)
einmalig pro Bestellung

Lieferzeit: 5 Werktage

Pos.
64
BOSCH Schaftschraube | Ersatzteile für GSB 162-2 | 2603435085
Hersteller: BOSCH
Artikelnummer: EB-3601A8B094-2603435085
Netto: 3,63 € zzgl. MwSt.
zzgl. 6,90 € Versand (brutto)
einmalig pro Bestellung

Lieferzeit: 5 Werktage

Pos.
65
BOSCH Zylinderstift | Ersatzteile für GSB 162-2 | 2603105132
Hersteller: BOSCH
Artikelnummer: EB-3601A8B094-2603105132
Netto: 4,53 € zzgl. MwSt.
zzgl. 6,90 € Versand (brutto)
einmalig pro Bestellung

Lieferzeit: 5 Werktage

Pos.
66
BOSCH Verstellschieber | Ersatzteile für GSB 162-2 | 2601099226
Hersteller: BOSCH
Artikelnummer: EB-3601A8B094-2601099226
Netto: 6,70 € zzgl. MwSt.
zzgl. 6,90 € Versand (brutto)
einmalig pro Bestellung

Lieferzeit: 5 Werktage

Pos.
67
BOSCH Kulissenführung | Ersatzteile für GSB 162-2 | 2602033021
Hersteller: BOSCH
Artikelnummer: EB-3601A8B094-2602033021
Netto: 9,95 € zzgl. MwSt.
zzgl. 6,90 € Versand (brutto)
einmalig pro Bestellung

Lieferzeit: 5 Werktage

Pos.
68
BOSCH Schenkelfeder | Ersatzteile für GSB 162-2 | 2604651026
Hersteller: BOSCH
Artikelnummer: EB-3601A8B094-2604651026
Netto: 3,94 € zzgl. MwSt.
zzgl. 6,90 € Versand (brutto)
einmalig pro Bestellung

Lieferzeit: 5 Werktage

Pos.
69
BOSCH Drehknopf | Ersatzteile für GSB 162-2 | 2602026172
Hersteller: BOSCH
Artikelnummer: EB-3601A8B094-2602026172
Netto: 6,15 € zzgl. MwSt.
zzgl. 6,90 € Versand (brutto)
einmalig pro Bestellung

Lieferzeit: 5 Werktage

Pos.
71
BOSCH Rastkappe | Ersatzteile für GSB 162-2 | 2600590006
Hersteller: BOSCH
Artikelnummer: EB-3601A8B094-2600590006
Netto: 3,94 € zzgl. MwSt.
zzgl. 6,90 € Versand (brutto)
einmalig pro Bestellung

Lieferzeit: 5 Werktage

Pos.
72
BOSCH Torx-Linsenschraube 4x30 | Ersatzteile für GSB 162-2 | 2603490025
Hersteller: BOSCH
Artikelnummer: EB-3601A8B094-2603490025
Netto: 3,63 € zzgl. MwSt.
zzgl. 6,90 € Versand (brutto)
einmalig pro Bestellung

Lieferzeit: 5 Werktage

Pos.
73
BOSCH Schraube 4x16 | Ersatzteile für GSB 162-2 | 2603490022
Hersteller: BOSCH
Artikelnummer: EB-3601A8B094-2603490022
Netto: 3,63 € zzgl. MwSt.
zzgl. 6,90 € Versand (brutto)
einmalig pro Bestellung

Lieferzeit: 5 Werktage

Pos.
85
BOSCH Zahnkranzbohrfutter Ø3-16MM,5/8" | Ersatzteile für GSB 162-2 | 1608571083
Hersteller: BOSCH
Artikelnummer: EB-3601A8B094-1608571083
Netto: 70,50 € zzgl. MwSt.
zzgl. 6,90 € Versand (brutto)
einmalig pro Bestellung

Lieferzeit: 5 Werktage

Pos.
86
BOSCH Verbindungsleitung | Ersatzteile für GSB 162-2 | 2604448328
Hersteller: BOSCH
Artikelnummer: EB-3601A8B094-2604448328
Netto: 3,94 € zzgl. MwSt.
zzgl. 6,90 € Versand (brutto)
einmalig pro Bestellung

Lieferzeit: 5 Werktage

Pos.
88
BOSCH Halteplatte | Ersatzteile für GSB 162-2 | 2601328086
Hersteller: BOSCH
Artikelnummer: EB-3601A8B094-2601328086
Netto: 4,82 € zzgl. MwSt.
zzgl. 6,90 € Versand (brutto)
einmalig pro Bestellung

Lieferzeit: 5 Werktage

Pos.
89
BOSCH Blende | Ersatzteile für GSB 162-2 | 2605510276
Hersteller: BOSCH
Artikelnummer: EB-3601A8B094-2605510276
Netto: 8,33 € zzgl. MwSt.
zzgl. 6,90 € Versand (brutto)
einmalig pro Bestellung

Lieferzeit: 5 Werktage

Pos.
96
BOSCH Dichtungsdeckel | Ersatzteile für GSB 162-2 | 1600A00L17
Hersteller: BOSCH
Artikelnummer: EB-3601A8B094-1600A00L17
Netto: 4,82 € zzgl. MwSt.
zzgl. 6,90 € Versand (brutto)
einmalig pro Bestellung

Lieferzeit: 5 Werktage

Pos.
97
BOSCH Dichtring | Ersatzteile für GSB 162-2 | 2605808138
Hersteller: BOSCH
Artikelnummer: EB-3601A8B094-2605808138
Netto: 3,63 € zzgl. MwSt.
zzgl. 6,90 € Versand (brutto)
einmalig pro Bestellung

Lieferzeit: 5 Werktage

Pos.
98
BOSCH Dichtung | Ersatzteile für GSB 162-2 | 2601015114
Hersteller: BOSCH
Artikelnummer: EB-3601A8B094-2601015114
Netto: 6,15 € zzgl. MwSt.
zzgl. 6,90 € Versand (brutto)
einmalig pro Bestellung

Lieferzeit: 5 Werktage

Pos.
210
BOSCH Hinweisschild | Ersatzteile für GSB 162-2 | 2601112190
Hersteller: BOSCH
Artikelnummer: EB-3601A8B094-2601112190
Netto: 4,53 € zzgl. MwSt.
zzgl. 6,90 € Versand (brutto)
einmalig pro Bestellung

Lieferzeit: 5 Werktage

Pos.
215
BOSCH Warnschild | Ersatzteile für GSB 162-2 | 160111C1K1
Hersteller: BOSCH
Artikelnummer: EB-3601A8B094-160111C1K1
Netto: 4,53 € zzgl. MwSt.
zzgl. 6,90 € Versand (brutto)
einmalig pro Bestellung

Lieferzeit: 5 Werktage

Pos.
653
BOSCH Zusatzhandgriff | Ersatzteile für GSB 162-2 | 2602025205
Hersteller: BOSCH
Artikelnummer: EB-3601A8B094-2602025205
Netto: 39,11 € zzgl. MwSt.
zzgl. 6,90 € Versand (brutto)
einmalig pro Bestellung

Lieferzeit: 5 Werktage

Pos.
655
BOSCH Tiefenanschlag | Ersatzteile für GSB 162-2 | 2600460045
Hersteller: BOSCH
Artikelnummer: EB-3601A8B094-2600460045
Netto: 6,15 € zzgl. MwSt.
zzgl. 6,90 € Versand (brutto)
einmalig pro Bestellung

Lieferzeit: 5 Werktage

Pos.
803
BOSCH Ankerbaugruppe 220-240V | Ersatzteile für GSB 162-2 | 1600A004L1
Hersteller: BOSCH
Artikelnummer: EB-3601A8B094-1600A004L1
Netto: 96,32 € zzgl. MwSt.
zzgl. 6,90 € Versand (brutto)
einmalig pro Bestellung

Lieferzeit: 5 Werktage

Pos.
805
BOSCH Netzanschlussleitung EU 2,6m 2 x 1,0 mm | Ersatzteile für GSB 162-2 | 1607000385
Hersteller: BOSCH
Artikelnummer: EB-3601A8B094-1607000385
Netto: 12,98 € zzgl. MwSt.
zzgl. 6,90 € Versand (brutto)
einmalig pro Bestellung

Lieferzeit: 5 Werktage

Pos.
808
BOSCH Typschild | Ersatzteile für GSB 162-2 | 160111A5CD
Hersteller: BOSCH
Artikelnummer: EB-3601A8B094-160111A5CD
Netto: 5,19 € zzgl. MwSt.
zzgl. 6,90 € Versand (brutto)
einmalig pro Bestellung

Lieferzeit: 5 Werktage

Pos.
810
BOSCH Kohlebürstensatz | Ersatzteile für GSB 162-2 | 2604321947
Hersteller: BOSCH
Artikelnummer: EB-3601A8B094-2604321947
Netto: 17,38 € zzgl. MwSt.
zzgl. 6,90 € Versand (brutto)
einmalig pro Bestellung

Lieferzeit: 5 Werktage

Pos.
825
BOSCH Getriebegehäuse | Ersatzteile für GSB 162-2 | 2605806879
Hersteller: BOSCH
Artikelnummer: EB-3601A8B094-2605806879
Netto: 52,14 € zzgl. MwSt.
zzgl. 6,90 € Versand (brutto)
einmalig pro Bestellung

Lieferzeit: 5 Werktage

Pos.
843
BOSCH Lagerbrücke | Ersatzteile für GSB 162-2 | 2605807950
Hersteller: BOSCH
Artikelnummer: EB-3601A8B094-2605807950
Netto: 86,83 € zzgl. MwSt.
zzgl. 6,90 € Versand (brutto)
einmalig pro Bestellung

Lieferzeit: 5 Werktage

Pos.
871
BOSCH Bohrfutterschlüssel SG2 | Ersatzteile für GSB 162-2 | 2607950011
Hersteller: BOSCH
Artikelnummer: EB-3601A8B094-2607950011
Netto: 9,95 € zzgl. MwSt.
zzgl. 6,90 € Versand (brutto)
einmalig pro Bestellung

Lieferzeit: 5 Werktage

Pos.
874
BOSCH Schaltkontakt | Ersatzteile für GSB 162-2 | 2601324072
Hersteller: BOSCH
Artikelnummer: EB-3601A8B094-2601324072
Netto: 7,30 € zzgl. MwSt.
zzgl. 6,90 € Versand (brutto)
einmalig pro Bestellung

Lieferzeit: 5 Werktage

Pos.
876
BOSCH Bürstenplatte | Ersatzteile für GSB 162-2 | 2604337912
Hersteller: BOSCH
Artikelnummer: EB-3601A8B094-2604337912
Netto: 26,88 € zzgl. MwSt.
zzgl. 6,90 € Versand (brutto)
einmalig pro Bestellung

Lieferzeit: 5 Werktage

Pos.
879
BOSCH Drehzahlsteller | Ersatzteile für GSB 162-2 | 2607230906
Hersteller: BOSCH
Artikelnummer: EB-3601A8B094-2607230906
Netto: 57,47 € zzgl. MwSt.
zzgl. 6,90 € Versand (brutto)
einmalig pro Bestellung

Lieferzeit: 5 Werktage

Pos.
891
BOSCH Kreuzschlitzschraube | Ersatzteile für GSB 162-2 | 2603429010
Hersteller: BOSCH
Artikelnummer: EB-3601A8B094-2603429010
Netto: 4,53 € zzgl. MwSt.
zzgl. 6,90 € Versand (brutto)
einmalig pro Bestellung

Lieferzeit: 5 Werktage

Angaben zur Produktsicherheit

Hersteller:
Robert Bosch Power Tools GmbH
Postfach 30 02 20
70442 Stuttgart

E-Mail:
kontakt@bosch.de