BOSCH Ausgleichscheibe 0,3 MM | Ersatzteile für GSB 18-2 | 2600100607

Artikelnummer: EB-0601141005-2600100607

Position: 52

Marke: BOSCH


Bitte Kompatibilität prüfen!

Bitte prüfen Sie unbedingt die 10-stellige Typennummer Ihrer Maschine / Ihres Gerätes. Das Ersatzteil ist nur kompatibel, wenn Sie die Typennummer Ihrer Maschine in der unten stehenden Produktbeschreibung finden.

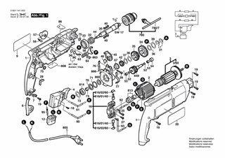
Bitte prüfen Sie ebenfalls detailliert die Explosionszeichnung mit Ihrem Artikelwunsch und der jeweiligen Pos-Nummer.

Alle Elemente, welche vom schwarzen Strich der Pos-Nummer ausgehend berührt / erfasst werden, gehören zu dieser Pos-Nummer und somit zu diesem Artikel. Jede Pos-Nummer ist ein eigenständiger Artikel, welchen Sie in der Auflistung finden.

Sie erhalten stets die aktuellste, neueste Produktversion zu der gewählten Pos-Nummer seitens des Herstellers. Es kann daher je nach Gerätealter vorkommen, dass Sie ggf. weitere, zugehörige Elemente, welche an diese Pos-Nummer grenzen, ebenfalls mittauschen müssen.

Nähere Informationen finden Sie unter dem Link
Hinweise zu Ihrer BOSCH Ersatzteilsuche

Preisübersicht

Einzelpreis: 3,94 €* (Brutto: 4,69 €)
Gesamtpreis: 3,94 €* 
Position:

Lieferzeit: 5 Werktage


Beschreibung

  • Ausgleichscheibe 0,3 MM
  • Original Bosch Zubehör / BOSCH Ersatzteil (2600100607)
  • im Gerät verbaut: 1
Dieses BOSCH Ersatzteil ist mit folgendem Gerät und Modell kompatibel:
  • BOSCH Gerätename: GSB 18-2
  • BOSCH Explosionszeichnung: Position 52
  • BOSCH Typennummer: 0601141005
  • BOSCH Typennummer alternative Schreibweisen: 0 601 141 005, 0601 141 005, 0.601.141.005, 0-601-141-005
    Bitte prüfen Sie diese Typennummer auf Ihrem Gerät um die Kompatibilität des BOSCH Ersatzteils zu gewährleisten.
Weitere BOSCH Ersatzteile des Gerätes GSB 18-2 (Schlagbohrmaschine) mit der Typennummer 0601141005 finden Sie in der nachfolgenden Darstellung und im Dropdown zu Ihrer Auswahl:

Pos.
753/20
BOSCH Sechskantmutter DIN 934-M6-8-A | Ersatzteile für GSB 18-2 | 2915011007
Hersteller: BOSCH
Artikelnummer: EB-0601141005-2915011007
Netto: 3,63 € zzgl. MwSt.
zzgl. 6,90 € Versand (brutto)
einmalig pro Bestellung

Lieferzeit: 5 Werktage

Pos.
780/7
BOSCH Bohrfutterschlüssel SG2 | Ersatzteile für GSB 18-2 | 2607950007
Hersteller: BOSCH
Artikelnummer: EB-0601141005-2607950007
Netto: 7,30 € zzgl. MwSt.
zzgl. 6,90 € Versand (brutto)
einmalig pro Bestellung

Lieferzeit: 5 Werktage

Pos.
816/01/40
BOSCH Kohlebürstensatz | Ersatzteile für GSB 18-2 | 2604321916
Hersteller: BOSCH
Artikelnummer: EB-0601141005-2604321916
nur Informationsartikel
Nie mehr lieferbar
keine Alternativen
Pos.
816/02/60
BOSCH Rastkappe | Ersatzteile für GSB 18-2 | 2601322013
Hersteller: BOSCH
Artikelnummer: EB-0601141005-2601329051
Netto: 3,94 € zzgl. MwSt.
zzgl. 6,90 € Versand (brutto)
einmalig pro Bestellung

Lieferzeit: 5 Werktage

Pos.
2
BOSCH Polschuh 110-115V | Ersatzteile für GSB 18-2 | 2604220439
Hersteller: BOSCH
Artikelnummer: EB-0601141005-2604220439
nur Informationsartikel
Nie mehr lieferbar
keine Alternativen
Pos.
3
BOSCH Anker 110-115V | Ersatzteile für GSB 18-2 | 2604010878
Hersteller: BOSCH
Artikelnummer: EB-0601141005-2604010878
nur Informationsartikel
Nie mehr lieferbar
keine Alternativen
Pos.
4
BOSCH Schalter | Ersatzteile für GSB 18-2 | 2607200260
Hersteller: BOSCH
Artikelnummer: EB-0601141005-2607200260
Netto: 9,18 € zzgl. MwSt.
zzgl. 6,90 € Versand (brutto)
einmalig pro Bestellung

Lieferzeit: 5 Werktage

Pos.
5
BOSCH Netzanschlussleitung USA/CDN 2,15m 2 x 082mm SJ 18/2 | Ersatzteile für GSB 18-2 | 2604460121
Hersteller: BOSCH
Artikelnummer: EB-0601141005-2604460121
nur Informationsartikel
Nie mehr lieferbar
keine Alternativen
Pos.
6
BOSCH Tülle Ø11,6-Ø12,5x84 MM | Ersatzteile für GSB 18-2 | 2600707060
Hersteller: BOSCH
Artikelnummer: EB-0601141005-2600707060
Netto: 4,53 € zzgl. MwSt.
zzgl. 6,90 € Versand (brutto)
einmalig pro Bestellung

Lieferzeit: 5 Werktage

Pos.
7
BOSCH Leitungshalter | Ersatzteile für GSB 18-2 | 2601035001
Hersteller: BOSCH
Artikelnummer: EB-0601141005-2601035001
Netto: 3,94 € zzgl. MwSt.
zzgl. 6,90 € Versand (brutto)
einmalig pro Bestellung

Lieferzeit: 5 Werktage

Pos.
9
BOSCH Firmenschild SONNENSEITE | Ersatzteile für GSB 18-2 | 2601118438
Hersteller: BOSCH
Artikelnummer: EB-0601141005-2601118438
nur Informationsartikel
Nie mehr lieferbar
keine Alternativen
Pos.
18
BOSCH Zylinderschraube M3x6,5-4.8 | Ersatzteile für GSB 18-2 | 2603410001
Hersteller: BOSCH
Artikelnummer: EB-0601141005-2603410001
Netto: 3,94 € zzgl. MwSt.
zzgl. 6,90 € Versand (brutto)
einmalig pro Bestellung

Lieferzeit: 5 Werktage

Pos.
19
BOSCH Schraube 4x16 | Ersatzteile für GSB 18-2 | 2603490022
Hersteller: BOSCH
Artikelnummer: EB-0601141005-2603490022
Netto: 3,63 € zzgl. MwSt.
zzgl. 6,90 € Versand (brutto)
einmalig pro Bestellung

Lieferzeit: 5 Werktage

Pos.
20
BOSCH Hinweisschild SCHATTENSEITE | Ersatzteile für GSB 18-2 | 2601118439
Hersteller: BOSCH
Artikelnummer: EB-0601141005-2601118439
nur Informationsartikel
Nie mehr lieferbar
keine Alternativen
Pos.
25
BOSCH Torx-Linsenschraube 3x30 | Ersatzteile für GSB 18-2 | 2603490019
Hersteller: BOSCH
Artikelnummer: EB-0601141005-2603490019
Netto: 3,63 € zzgl. MwSt.
zzgl. 6,90 € Versand (brutto)
einmalig pro Bestellung

Lieferzeit: 5 Werktage

Pos.
27
BOSCH Torx-Linsenschraube 3x18 | Ersatzteile für GSB 18-2 | 2603490018
Hersteller: BOSCH
Artikelnummer: EB-0601141005-2603490018
nur Informationsartikel
Nie mehr lieferbar
keine Alternativen
Pos.
28
BOSCH Zylinderschraube | Ersatzteile für GSB 18-2 | 2603429005
Hersteller: BOSCH
Artikelnummer: EB-0601141005-2603429005
Netto: 3,94 € zzgl. MwSt.
zzgl. 6,90 € Versand (brutto)
einmalig pro Bestellung

Lieferzeit: 5 Werktage

Pos.
29
BOSCH Dämmplatte | Ersatzteile für GSB 18-2 | 2601022000
Hersteller: BOSCH
Artikelnummer: EB-0601141005-2601022000
nur Informationsartikel
Nie mehr lieferbar
keine Alternativen
Pos.
30
BOSCH Bohrspindel 1/2 Zoll, SW 17 INNEN-LINKSGEWINDE | Ersatzteile für GSB 18-2 | 2606135044
Hersteller: BOSCH
Artikelnummer: EB-0601141005-2606135044
nur Informationsartikel
Nie mehr lieferbar
keine Alternativen
Pos.
31
BOSCH Sicherungsscheibe 0,3 MM | Ersatzteile für GSB 18-2 | 2600118006
Hersteller: BOSCH
Artikelnummer: EB-0601141005-2600118006
nur Informationsartikel
Nie mehr lieferbar
keine Alternativen
Pos.
31
BOSCH Sicherungsscheibe 0,6 MM | Ersatzteile für GSB 18-2 | 2600118001
Hersteller: BOSCH
Artikelnummer: EB-0601141005-2600118001
Netto: 3,63 € zzgl. MwSt.
zzgl. 6,90 € Versand (brutto)
einmalig pro Bestellung

Lieferzeit: 5 Werktage

Pos.
31
BOSCH Sicherungsscheibe 0,8 MM | Ersatzteile für GSB 18-2 | 2600118002
Hersteller: BOSCH
Artikelnummer: EB-0601141005-2600118002
Netto: 3,94 € zzgl. MwSt.
zzgl. 6,90 € Versand (brutto)
einmalig pro Bestellung

Lieferzeit: 5 Werktage

Pos.
33
BOSCH Rillenkugellager 17x35x10 | Ersatzteile für GSB 18-2 | 1900905163
Hersteller: BOSCH
Artikelnummer: EB-0601141005-1900905163
Netto: 9,95 € zzgl. MwSt.
zzgl. 6,90 € Versand (brutto)
einmalig pro Bestellung

Lieferzeit: 5 Werktage

Pos.
36
BOSCH Ausgleichscheibe 1,0 MM | Ersatzteile für GSB 18-2 | 2600101515
Hersteller: BOSCH
Artikelnummer: EB-0601141005-2600101515
Netto: 3,63 € zzgl. MwSt.
zzgl. 6,90 € Versand (brutto)
einmalig pro Bestellung

Lieferzeit: 5 Werktage

Pos.
39
BOSCH Haltescheibe | Ersatzteile für GSB 18-2 | 2600101671
Hersteller: BOSCH
Artikelnummer: EB-0601141005-2600101671
Netto: 3,94 € zzgl. MwSt.
zzgl. 6,90 € Versand (brutto)
einmalig pro Bestellung

Lieferzeit: 5 Werktage

Pos.
40
BOSCH Flachkeil | Ersatzteile für GSB 18-2 | 2602300028
Hersteller: BOSCH
Artikelnummer: EB-0601141005-2602300028
nur Informationsartikel
Nie mehr lieferbar
keine Alternativen
Pos.
42
BOSCH Rastscheibe | Ersatzteile für GSB 18-2 | 2600190052
Hersteller: BOSCH
Artikelnummer: EB-0601141005-2600190052
nur Informationsartikel
Nie mehr lieferbar
keine Alternativen
Pos.
44
BOSCH Kugel DIN 5401-5,5MM-III-ST | Ersatzteile für GSB 18-2 | 1903230010
Hersteller: BOSCH
Artikelnummer: EB-0601141005-1903230010
Netto: 3,63 € zzgl. MwSt.
zzgl. 6,90 € Versand (brutto)
einmalig pro Bestellung

Lieferzeit: 5 Werktage

Pos.
45
BOSCH Schaltscheibe SCHWARZ | Ersatzteile für GSB 18-2 | 2601990001
Hersteller: BOSCH
Artikelnummer: EB-0601141005-2601990001
nur Informationsartikel
Nie mehr lieferbar
keine Alternativen
Pos.
46
BOSCH Druckplatte | Ersatzteile für GSB 18-2 | 2601074003
Hersteller: BOSCH
Artikelnummer: EB-0601141005-2601074003
Netto: 3,63 € zzgl. MwSt.
zzgl. 6,90 € Versand (brutto)
einmalig pro Bestellung

Lieferzeit: 5 Werktage

Pos.
52
BOSCH Ausgleichscheibe 0,3 MM | Ersatzteile für GSB 18-2 | 2600100607
Hersteller: BOSCH
Artikelnummer: EB-0601141005-2600100607
Netto: 3,94 € zzgl. MwSt.
zzgl. 6,90 € Versand (brutto)
einmalig pro Bestellung

Lieferzeit: 5 Werktage

Pos.
53
BOSCH Nadellager Ø6 MM | Ersatzteile für GSB 18-2 | 2600914010
Hersteller: BOSCH
Artikelnummer: EB-0601141005-2600914010
Netto: 4,82 € zzgl. MwSt.
zzgl. 6,90 € Versand (brutto)
einmalig pro Bestellung

Lieferzeit: 5 Werktage

Pos.
54
BOSCH Lagerhülse | Ersatzteile für GSB 18-2 | 2600400027
Hersteller: BOSCH
Artikelnummer: EB-0601141005-2600400027
Netto: 5,67 € zzgl. MwSt.
zzgl. 6,90 € Versand (brutto)
einmalig pro Bestellung

Lieferzeit: 5 Werktage

Pos.
56
BOSCH Schaltgabel | Ersatzteile für GSB 18-2 | 2602033005
Hersteller: BOSCH
Artikelnummer: EB-0601141005-2602033005
nur Informationsartikel
Nie mehr lieferbar
keine Alternativen
Pos.
57
BOSCH Drehkopf | Ersatzteile für GSB 18-2 | 2602026091
Hersteller: BOSCH
Artikelnummer: EB-0601141005-2602026091
nur Informationsartikel
Nie mehr lieferbar
keine Alternativen
Pos.
58
BOSCH Rastkappe | Ersatzteile für GSB 18-2 | 2600590006
Hersteller: BOSCH
Artikelnummer: EB-0601141005-2600590006
Netto: 3,94 € zzgl. MwSt.
zzgl. 6,90 € Versand (brutto)
einmalig pro Bestellung

Lieferzeit: 5 Werktage

Pos.
62
BOSCH Mitnehmerstift | Ersatzteile für GSB 18-2 | 2601335001
Hersteller: BOSCH
Artikelnummer: EB-0601141005-2601335001
Netto: 4,32 € zzgl. MwSt.
zzgl. 6,90 € Versand (brutto)
einmalig pro Bestellung

Lieferzeit: 5 Werktage

Pos.
64
BOSCH Distanzscheibe | Ersatzteile für GSB 18-2 | 2600100618
Hersteller: BOSCH
Artikelnummer: EB-0601141005-2600100618
Netto: 3,63 € zzgl. MwSt.
zzgl. 6,90 € Versand (brutto)
einmalig pro Bestellung

Lieferzeit: 5 Werktage

Pos.
67
BOSCH Rastscheibe | Ersatzteile für GSB 18-2 | 2600190057
Hersteller: BOSCH
Artikelnummer: EB-0601141005-2600190057
nur Informationsartikel
Nie mehr lieferbar
keine Alternativen
Pos.
70
BOSCH Tellerscheibe | Ersatzteile für GSB 18-2 | 2600500014
Hersteller: BOSCH
Artikelnummer: EB-0601141005-2600500014
nur Informationsartikel
Nie mehr lieferbar
keine Alternativen
Pos.
71
BOSCH O-Ring 18x3 MM | Ersatzteile für GSB 18-2 | 1900210117
Hersteller: BOSCH
Artikelnummer: EB-0601141005-1900210117
nur Informationsartikel
Nie mehr lieferbar
keine Alternativen
Pos.
73
BOSCH Steckhülse | Ersatzteile für GSB 18-2 | 2600400008
Hersteller: BOSCH
Artikelnummer: EB-0601141005-2600400008
Netto: 3,94 € zzgl. MwSt.
zzgl. 6,90 € Versand (brutto)
einmalig pro Bestellung

Lieferzeit: 5 Werktage

Pos.
75
BOSCH O-Ring 5,0x1,5 MM | Ersatzteile für GSB 18-2 | 1900210000
Hersteller: BOSCH
Artikelnummer: EB-0601141005-1900210000
Netto: 3,94 € zzgl. MwSt.
zzgl. 6,90 € Versand (brutto)
einmalig pro Bestellung

Lieferzeit: 5 Werktage

Pos.
76
BOSCH Filzstreifen | Ersatzteile für GSB 18-2 | 2601005011
Hersteller: BOSCH
Artikelnummer: EB-0601141005-2601005011
Netto: 4,39 € zzgl. MwSt.
zzgl. 6,90 € Versand (brutto)
einmalig pro Bestellung

Lieferzeit: 5 Werktage

Pos.
77
BOSCH Filzstreifen | Ersatzteile für GSB 18-2 | 2601005016
Hersteller: BOSCH
Artikelnummer: EB-0601141005-2601005016
nur Informationsartikel
Nie mehr lieferbar
keine Alternativen
Pos.
86
BOSCH Klebeschild | Ersatzteile für GSB 18-2 | 2601110580
Hersteller: BOSCH
Artikelnummer: EB-0601141005-2601110580
nur Informationsartikel
Nie mehr lieferbar
keine Alternativen
Pos.
90
BOSCH Verbindungskabel L=133 MM WEISS | Ersatzteile für GSB 18-2 | 2604448136
Hersteller: BOSCH
Artikelnummer: EB-0601141005-2604448136
Netto: 3,94 € zzgl. MwSt.
zzgl. 6,90 € Versand (brutto)
einmalig pro Bestellung

Lieferzeit: 5 Werktage

Pos.
91
BOSCH Verbindungskabel L=83 MM SCHWARZ | Ersatzteile für GSB 18-2 | 2604448129
Hersteller: BOSCH
Artikelnummer: EB-0601141005-2604448129
nur Informationsartikel
Nie mehr lieferbar
keine Alternativen
Pos.
92
BOSCH Verbindungsleitung L=73 MM WEISS | Ersatzteile für GSB 18-2 | 2604448123
Hersteller: BOSCH
Artikelnummer: EB-0601141005-2604448123
nur Informationsartikel
Nie mehr lieferbar
keine Alternativen
Pos.
93
BOSCH Verbindungskabel L=88 MM WEISS | Ersatzteile für GSB 18-2 | 2604448130
Hersteller: BOSCH
Artikelnummer: EB-0601141005-2604448130
Netto: 3,94 € zzgl. MwSt.
zzgl. 6,90 € Versand (brutto)
einmalig pro Bestellung

Lieferzeit: 5 Werktage

Pos.
753
BOSCH Zusatzhandgriff | Ersatzteile für GSB 18-2 | 1619PB4323
Hersteller: BOSCH
Artikelnummer: EB-0601141005-1619PB4323
Netto: 9,18 € zzgl. MwSt.
zzgl. 6,90 € Versand (brutto)
einmalig pro Bestellung

Lieferzeit: 5 Werktage

Pos.
753
BOSCH Zusatzhandgriff Ø43 MM SCHWARZ | Ersatzteile für GSB 18-2 | 1612025031
Hersteller: BOSCH
Artikelnummer: EB-0601141005-1612025031
nur Informationsartikel
Nie mehr lieferbar
keine Alternativen
Pos.
754
BOSCH Bohreraufnahme | Ersatzteile für GSB 18-2 | 2607000122
Hersteller: BOSCH
Artikelnummer: EB-0601141005-2607000122
nur Informationsartikel
Nie mehr lieferbar
keine Alternativen
Pos.
755
BOSCH Tiefenanschlag | Ersatzteile für GSB 18-2 | 2603001019
Hersteller: BOSCH
Artikelnummer: EB-0601141005-2603001019
Netto: 6,08 € zzgl. MwSt.
zzgl. 6,90 € Versand (brutto)
einmalig pro Bestellung

Lieferzeit: 5 Werktage

Pos.
780
BOSCH Zahnkranzbohrfutter Ø1,5-13 MM | Ersatzteile für GSB 18-2 | 1608571080
Hersteller: BOSCH
Artikelnummer: EB-0601141005-1608571080
Netto: 24,13 € zzgl. MwSt.
zzgl. 6,90 € Versand (brutto)
einmalig pro Bestellung

Lieferzeit: 5 Werktage

Pos.
808
BOSCH Typschild | Ersatzteile für GSB 18-2 | 160111A3H3
Hersteller: BOSCH
Artikelnummer: EB-0601141005-160111A3H3
Netto: 4,53 € zzgl. MwSt.
zzgl. 6,90 € Versand (brutto)
einmalig pro Bestellung

Lieferzeit: 5 Werktage

Pos.
813
BOSCH Nadelhülse | Ersatzteile für GSB 18-2 | 2600917902
Hersteller: BOSCH
Artikelnummer: EB-0601141005-2600917902
nur Informationsartikel
Nie mehr lieferbar
keine Alternativen
Pos.
814
BOSCH Rillenkugellager 9x24x7 | Ersatzteile für GSB 18-2 | 2600905039
Hersteller: BOSCH
Artikelnummer: EB-0601141005-2600905039
Netto: 10,92 € zzgl. MwSt.
zzgl. 6,90 € Versand (brutto)
einmalig pro Bestellung

Lieferzeit: 5 Werktage

Pos.
869
BOSCH Filzscheibe | Ersatzteile für GSB 18-2 | 2600108000
Hersteller: BOSCH
Artikelnummer: EB-0601141005-2600108000
nur Informationsartikel
Nie mehr lieferbar
keine Alternativen

Angaben zur Produktsicherheit

Hersteller:
Robert Bosch Power Tools GmbH
Postfach 30 02 20
70442 Stuttgart

E-Mail:
kontakt@bosch.de