BOSCH Rastkappe | Ersatzteile für GSB 18-2 RE | 2600590006

Artikelnummer: EB-0601141670-2600590006

Position: 58

Marke: BOSCH


Bitte Kompatibilität prüfen!

Bitte prüfen Sie unbedingt die 10-stellige Typennummer Ihrer Maschine / Ihres Gerätes. Das Ersatzteil ist nur kompatibel, wenn Sie die Typennummer Ihrer Maschine in der unten stehenden Produktbeschreibung finden.

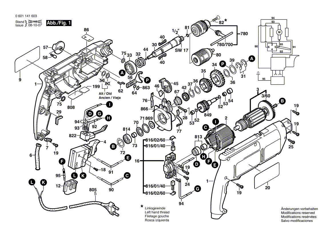
Bitte prüfen Sie ebenfalls detailliert die Explosionszeichnung mit Ihrem Artikelwunsch und der jeweiligen Pos-Nummer.

Alle Elemente, welche vom schwarzen Strich der Pos-Nummer ausgehend berührt / erfasst werden, gehören zu dieser Pos-Nummer und somit zu diesem Artikel. Jede Pos-Nummer ist ein eigenständiger Artikel, welchen Sie in der Auflistung finden.

Sie erhalten stets die aktuellste, neueste Produktversion zu der gewählten Pos-Nummer seitens des Herstellers. Es kann daher je nach Gerätealter vorkommen, dass Sie ggf. weitere, zugehörige Elemente, welche an diese Pos-Nummer grenzen, ebenfalls mittauschen müssen.

Nähere Informationen finden Sie unter dem Link
Hinweise zu Ihrer BOSCH Ersatzteilsuche

Preisübersicht

Einzelpreis: 3,94 €* (Brutto: 4,69 €)
Gesamtpreis: 3,94 €* 
Position:

Lieferzeit: 5 Werktage


Beschreibung

  • Rastkappe
  • Original Bosch Zubehör / BOSCH Ersatzteil (2600590006)
  • im Gerät verbaut: 1
Dieses BOSCH Ersatzteil ist mit folgendem Gerät und Modell kompatibel:
  • BOSCH Gerätename: GSB 18-2 RE
  • BOSCH Explosionszeichnung: Position 58
  • BOSCH Typennummer: 0601141670
  • BOSCH Typennummer alternative Schreibweisen: 0 601 141 670, 0601 141 670, 0.601.141.670, 0-601-141-670
    Bitte prüfen Sie diese Typennummer auf Ihrem Gerät um die Kompatibilität des BOSCH Ersatzteils zu gewährleisten.
Weitere BOSCH Ersatzteile des Gerätes GSB 18-2 RE (Schlagbohrmaschine) mit der Typennummer 0601141670 finden Sie in der nachfolgenden Darstellung und im Dropdown zu Ihrer Auswahl:

Pos.
753/20
BOSCH Sechskantmutter DIN 934-M6-8-A | Ersatzteile für GSB 18-2 RE | 2915011007
Hersteller: BOSCH
Artikelnummer: EB-0601141670-2915011007
Netto: 3,63 € zzgl. MwSt.
zzgl. 6,90 € Versand (brutto)
einmalig pro Bestellung

Lieferzeit: 5 Werktage

Pos.
753/30
BOSCH Flügelschraube M6x(15)55 | Ersatzteile für GSB 18-2 RE | 1613480007
Hersteller: BOSCH
Artikelnummer: EB-0601141670-1613480007
Netto: 3,94 € zzgl. MwSt.
zzgl. 6,90 € Versand (brutto)
einmalig pro Bestellung

Lieferzeit: 5 Werktage

Pos.
753/50
BOSCH Spannplatte M6 | Ersatzteile für GSB 18-2 RE | 2608040014
Hersteller: BOSCH
Artikelnummer: EB-0601141670-2608040014
nur Informationsartikel
Nie mehr lieferbar
keine Alternativen
Pos.
753/60
BOSCH Flügelschraube M6x20 MM | Ersatzteile für GSB 18-2 RE | 1613480008
Hersteller: BOSCH
Artikelnummer: EB-0601141670-1613480008
Netto: 3,94 € zzgl. MwSt.
zzgl. 6,90 € Versand (brutto)
einmalig pro Bestellung

Lieferzeit: 5 Werktage

Pos.
816/02/60
BOSCH Rastkappe | Ersatzteile für GSB 18-2 RE | 2601322017
Hersteller: BOSCH
Artikelnummer: EB-0601141670-2601322017
nur Informationsartikel
Nie mehr lieferbar
keine Alternativen
Pos.
2
BOSCH Polschuh 220-230V | Ersatzteile für GSB 18-2 RE | 2604220429
Hersteller: BOSCH
Artikelnummer: EB-0601141670-2604220429
Netto: 21,16 € zzgl. MwSt.
zzgl. 6,90 € Versand (brutto)
einmalig pro Bestellung

Lieferzeit: 5 Werktage

Pos.
4
BOSCH Schalter | Ersatzteile für GSB 18-2 RE | 2607200209
Hersteller: BOSCH
Artikelnummer: EB-0601141670-2607200209
Netto: 35,77 € zzgl. MwSt.
zzgl. 6,90 € Versand (brutto)
einmalig pro Bestellung

Lieferzeit: 5 Werktage

Pos.
6
BOSCH Tülle Ø6,5-Ø6,9x95 MM | Ersatzteile für GSB 18-2 RE | 2600703012
Hersteller: BOSCH
Artikelnummer: EB-0601141670-2600703012
Netto: 4,82 € zzgl. MwSt.
zzgl. 6,90 € Versand (brutto)
einmalig pro Bestellung

Lieferzeit: 5 Werktage

Pos.
7
BOSCH Leitungshalter | Ersatzteile für GSB 18-2 RE | 2601035001
Hersteller: BOSCH
Artikelnummer: EB-0601141670-2601035001
Netto: 3,94 € zzgl. MwSt.
zzgl. 6,90 € Versand (brutto)
einmalig pro Bestellung

Lieferzeit: 5 Werktage

Pos.
16
BOSCH Bürstenplatte | Ersatzteile für GSB 18-2 RE | 2605807060
Hersteller: BOSCH
Artikelnummer: EB-0601141670-2605807060
nur Informationsartikel
Nie mehr lieferbar
keine Alternativen
Pos.
18
BOSCH Zylinderschraube M3x6,5-4.8 | Ersatzteile für GSB 18-2 RE | 2603410001
Hersteller: BOSCH
Artikelnummer: EB-0601141670-2603410001
Netto: 3,94 € zzgl. MwSt.
zzgl. 6,90 € Versand (brutto)
einmalig pro Bestellung

Lieferzeit: 5 Werktage

Pos.
19
BOSCH Schraube 4x16 | Ersatzteile für GSB 18-2 RE | 2603490022
Hersteller: BOSCH
Artikelnummer: EB-0601141670-2603490022
Netto: 3,63 € zzgl. MwSt.
zzgl. 6,90 € Versand (brutto)
einmalig pro Bestellung

Lieferzeit: 5 Werktage

Pos.
24
BOSCH Torx-Linsenschraube 3x10 | Ersatzteile für GSB 18-2 RE | 2603490017
Hersteller: BOSCH
Artikelnummer: EB-0601141670-2603490017
Netto: 4,32 € zzgl. MwSt.
zzgl. 6,90 € Versand (brutto)
einmalig pro Bestellung

Lieferzeit: 5 Werktage

Pos.
29
BOSCH Dämmplatte | Ersatzteile für GSB 18-2 RE | 2601022000
Hersteller: BOSCH
Artikelnummer: EB-0601141670-2601022000
nur Informationsartikel
Nie mehr lieferbar
keine Alternativen
Pos.
31
BOSCH Sicherungsscheibe 0,3 MM | Ersatzteile für GSB 18-2 RE | 2600118006
Hersteller: BOSCH
Artikelnummer: EB-0601141670-2600118006
nur Informationsartikel
Nie mehr lieferbar
keine Alternativen
Pos.
33
BOSCH Rillenkugellager 17x35x10 | Ersatzteile für GSB 18-2 RE | 1900905163
Hersteller: BOSCH
Artikelnummer: EB-0601141670-1900905163
Netto: 9,95 € zzgl. MwSt.
zzgl. 6,90 € Versand (brutto)
einmalig pro Bestellung

Lieferzeit: 5 Werktage

Pos.
42
BOSCH Rastscheibe | Ersatzteile für GSB 18-2 RE | 2600190052
Hersteller: BOSCH
Artikelnummer: EB-0601141670-2600190052
nur Informationsartikel
Nie mehr lieferbar
keine Alternativen
Pos.
45
BOSCH Schaltscheibe SCHWARZ | Ersatzteile für GSB 18-2 RE | 2601990001
Hersteller: BOSCH
Artikelnummer: EB-0601141670-2601990001
nur Informationsartikel
Nie mehr lieferbar
keine Alternativen
Pos.
58
BOSCH Rastkappe | Ersatzteile für GSB 18-2 RE | 2600590006
Hersteller: BOSCH
Artikelnummer: EB-0601141670-2600590006
Netto: 3,94 € zzgl. MwSt.
zzgl. 6,90 € Versand (brutto)
einmalig pro Bestellung

Lieferzeit: 5 Werktage

Pos.
80
BOSCH Schnellspannbohrfutter | Ersatzteile für GSB 18-2 RE | 2608572123
Hersteller: BOSCH
Artikelnummer: EB-0601141670-2608572123
nur Informationsartikel
Nie mehr lieferbar
keine Alternativen
Pos.
90
BOSCH Elektr Leitung L=173 MM WEISS | Ersatzteile für GSB 18-2 RE | 2604448060
Hersteller: BOSCH
Artikelnummer: EB-0601141670-2604448060
nur Informationsartikel
Nie mehr lieferbar
keine Alternativen
Pos.
753
BOSCH Zusatzhandgriff | Ersatzteile für GSB 18-2 RE | 1619PB4323
Hersteller: BOSCH
Artikelnummer: EB-0601141670-1619PB4323
Netto: 9,18 € zzgl. MwSt.
zzgl. 6,90 € Versand (brutto)
einmalig pro Bestellung

Lieferzeit: 5 Werktage

Pos.
753
BOSCH Zusatzhandgriff Ø43 MM SCHWARZ | Ersatzteile für GSB 18-2 RE | 1612025031
Hersteller: BOSCH
Artikelnummer: EB-0601141670-1612025031
nur Informationsartikel
Nie mehr lieferbar
keine Alternativen
Pos.
754
BOSCH Bohreraufnahme | Ersatzteile für GSB 18-2 RE | 2607000122
Hersteller: BOSCH
Artikelnummer: EB-0601141670-2607000122
nur Informationsartikel
Nie mehr lieferbar
keine Alternativen
Pos.
755
BOSCH Tiefenanschlag | Ersatzteile für GSB 18-2 RE | 2603001019
Hersteller: BOSCH
Artikelnummer: EB-0601141670-2603001019
Netto: 6,08 € zzgl. MwSt.
zzgl. 6,90 € Versand (brutto)
einmalig pro Bestellung

Lieferzeit: 5 Werktage

Pos.
805
BOSCH Netzanschlussleitung EU 2,6m 2 x 1,0 mm | Ersatzteile für GSB 18-2 RE | 1607000385
Hersteller: BOSCH
Artikelnummer: EB-0601141670-1607000385
Netto: 12,98 € zzgl. MwSt.
zzgl. 6,90 € Versand (brutto)
einmalig pro Bestellung

Lieferzeit: 5 Werktage

Pos.
822
BOSCH Umschalter | Ersatzteile für GSB 18-2 RE | 2607200231
Hersteller: BOSCH
Artikelnummer: EB-0601141670-2607200231
Netto: 14,36 € zzgl. MwSt.
zzgl. 6,90 € Versand (brutto)
einmalig pro Bestellung

Lieferzeit: 5 Werktage

Angaben zur Produktsicherheit

Hersteller:
Robert Bosch Power Tools GmbH
Postfach 30 02 20
70442 Stuttgart

E-Mail:
kontakt@bosch.de