BOSCH Erdleitung | Ersatzteile für GSB 18 RE | 2604448097

Artikelnummer: EB-0601195734-2604448097

Position: 54

Marke: BOSCH


Bitte Kompatibilität prüfen!

Bitte prüfen Sie unbedingt die 10-stellige Typennummer Ihrer Maschine / Ihres Gerätes. Das Ersatzteil ist nur kompatibel, wenn Sie die Typennummer Ihrer Maschine in der unten stehenden Produktbeschreibung finden.

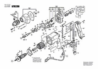
Bitte prüfen Sie ebenfalls detailliert die Explosionszeichnung mit Ihrem Artikelwunsch und der jeweiligen Pos-Nummer.

Alle Elemente, welche vom schwarzen Strich der Pos-Nummer ausgehend berührt / erfasst werden, gehören zu dieser Pos-Nummer und somit zu diesem Artikel. Jede Pos-Nummer ist ein eigenständiger Artikel, welchen Sie in der Auflistung finden.

Sie erhalten stets die aktuellste, neueste Produktversion zu der gewählten Pos-Nummer seitens des Herstellers. Es kann daher je nach Gerätealter vorkommen, dass Sie ggf. weitere, zugehörige Elemente, welche an diese Pos-Nummer grenzen, ebenfalls mittauschen müssen.

Nähere Informationen finden Sie unter dem Link
Hinweise zu Ihrer BOSCH Ersatzteilsuche

Preisübersicht

Einzelpreis: 3,94 €* (Brutto: 4,69 €)
Gesamtpreis: 3,94 €* 
Position:

Lieferzeit: 5 Werktage


Beschreibung

  • Erdleitung
  • Original Bosch Zubehör / BOSCH Ersatzteil (2604448097)
  • im Gerät verbaut: 1
Dieses BOSCH Ersatzteil ist mit folgendem Gerät und Modell kompatibel:
  • BOSCH Gerätename: GSB 18 RE
  • BOSCH Explosionszeichnung: Position 54
  • BOSCH Typennummer: 0601195734
  • BOSCH Typennummer alternative Schreibweisen: 0 601 195 734, 0601 195 734, 0.601.195.734, 0-601-195-734
    Bitte prüfen Sie diese Typennummer auf Ihrem Gerät um die Kompatibilität des BOSCH Ersatzteils zu gewährleisten.
Weitere BOSCH Ersatzteile des Gerätes GSB 18 RE (Schlagbohrmaschine) mit der Typennummer 0601195734 finden Sie in der nachfolgenden Darstellung und im Dropdown zu Ihrer Auswahl:

Pos.
1
BOSCH Motorgehäuse BLAU | Ersatzteile für GSB 18 RE | 2605104309
Hersteller: BOSCH
Artikelnummer: EB-0601195734-2605104309
Netto: 21,16 € zzgl. MwSt.
zzgl. 6,90 € Versand (brutto)
einmalig pro Bestellung

Lieferzeit: 5 Werktage

Pos.
3/60
BOSCH Lüfter | Ersatzteile für GSB 18 RE | 2606610029
Hersteller: BOSCH
Artikelnummer: EB-0601195734-2606610029
Netto: 4,53 € zzgl. MwSt.
zzgl. 6,90 € Versand (brutto)
einmalig pro Bestellung

Lieferzeit: 5 Werktage

Pos.
65/800
BOSCH Bohrfutterschlüssel SG2 | Ersatzteile für GSB 18 RE | 2607950007
Hersteller: BOSCH
Artikelnummer: EB-0601195734-2607950007
Netto: 7,30 € zzgl. MwSt.
zzgl. 6,90 € Versand (brutto)
einmalig pro Bestellung

Lieferzeit: 5 Werktage

Pos.
753/20
BOSCH Sechskantmutter DIN 934-M6-8-A | Ersatzteile für GSB 18 RE | 2915011007
Hersteller: BOSCH
Artikelnummer: EB-0601195734-2915011007
Netto: 3,63 € zzgl. MwSt.
zzgl. 6,90 € Versand (brutto)
einmalig pro Bestellung

Lieferzeit: 5 Werktage

Pos.
753/30
BOSCH Flügelschraube M6x(15)55 | Ersatzteile für GSB 18 RE | 1613480007
Hersteller: BOSCH
Artikelnummer: EB-0601195734-1613480007
Netto: 3,94 € zzgl. MwSt.
zzgl. 6,90 € Versand (brutto)
einmalig pro Bestellung

Lieferzeit: 5 Werktage

Pos.
753/50
BOSCH Spannplatte M6 | Ersatzteile für GSB 18 RE | 2608040014
Hersteller: BOSCH
Artikelnummer: EB-0601195734-2608040014
nur Informationsartikel
Nie mehr lieferbar
keine Alternativen
Pos.
753/60
BOSCH Flügelschraube M6x20 MM | Ersatzteile für GSB 18 RE | 1613480008
Hersteller: BOSCH
Artikelnummer: EB-0601195734-1613480008
Netto: 3,94 € zzgl. MwSt.
zzgl. 6,90 € Versand (brutto)
einmalig pro Bestellung

Lieferzeit: 5 Werktage

Pos.
2
BOSCH Polschuh 100-115V | Ersatzteile für GSB 18 RE | 2604220482
Hersteller: BOSCH
Artikelnummer: EB-0601195734-2604220482
nur Informationsartikel
Nie mehr lieferbar
keine Alternativen
Pos.
3
BOSCH Anker 110-115V | Ersatzteile für GSB 18 RE | 2604010793
Hersteller: BOSCH
Artikelnummer: EB-0601195734-2604010793
nur Informationsartikel
Nie mehr lieferbar
keine Alternativen
Pos.
4
BOSCH Schalter | Ersatzteile für GSB 18 RE | 2607200210
Hersteller: BOSCH
Artikelnummer: EB-0601195734-2607200210
Netto: 42,86 € zzgl. MwSt.
zzgl. 6,90 € Versand (brutto)
einmalig pro Bestellung

Lieferzeit: 5 Werktage

Pos.
5
BOSCH Netzanschlussleitung SAM 2,7m 2 x 0,82mm SJ 18/2 | Ersatzteile für GSB 18 RE | 2604460249
Hersteller: BOSCH
Artikelnummer: EB-0601195734-2604460249
Netto: 14,36 € zzgl. MwSt.
zzgl. 6,90 € Versand (brutto)
einmalig pro Bestellung

Lieferzeit: 5 Werktage

Pos.
6
BOSCH Tülle Ø11,6-Ø12,5x84 MM | Ersatzteile für GSB 18 RE | 2600707060
Hersteller: BOSCH
Artikelnummer: EB-0601195734-2600707060
Netto: 4,53 € zzgl. MwSt.
zzgl. 6,90 € Versand (brutto)
einmalig pro Bestellung

Lieferzeit: 5 Werktage

Pos.
6
BOSCH Tülle Ø6,9 MM | Ersatzteile für GSB 18 RE | 2600707059
Hersteller: BOSCH
Artikelnummer: EB-0601195734-2600707059
Netto: 5,19 € zzgl. MwSt.
zzgl. 6,90 € Versand (brutto)
einmalig pro Bestellung

Lieferzeit: 5 Werktage

Pos.
6
BOSCH Tülle Ø8,8 MM | Ersatzteile für GSB 18 RE | 2600707061
Hersteller: BOSCH
Artikelnummer: EB-0601195734-2600707061
nur Informationsartikel
Nie mehr lieferbar
keine Alternativen
Pos.
7
BOSCH Leitungshalter | Ersatzteile für GSB 18 RE | 2601035001
Hersteller: BOSCH
Artikelnummer: EB-0601195734-2601035001
Netto: 3,94 € zzgl. MwSt.
zzgl. 6,90 € Versand (brutto)
einmalig pro Bestellung

Lieferzeit: 5 Werktage

Pos.
9
BOSCH Klebeschild SONNENSEITE | Ersatzteile für GSB 18 RE | 2601110937
Hersteller: BOSCH
Artikelnummer: EB-0601195734-2601110937
nur Informationsartikel
Nie mehr lieferbar
keine Alternativen
Pos.
12
BOSCH Entstörfilter | Ersatzteile für GSB 18 RE | 2607329114
Hersteller: BOSCH
Artikelnummer: EB-0601195734-2607329114
nur Informationsartikel
Nie mehr lieferbar
keine Alternativen
Pos.
13
BOSCH Kugellager 7x22x7 | Ersatzteile für GSB 18 RE | 1900905018
Hersteller: BOSCH
Artikelnummer: EB-0601195734-1900905018
Netto: 15,75 € zzgl. MwSt.
zzgl. 6,90 € Versand (brutto)
einmalig pro Bestellung

Lieferzeit: 5 Werktage

Pos.
14
BOSCH Rillenkugellager 9x24x7 | Ersatzteile für GSB 18 RE | 2600905039
Hersteller: BOSCH
Artikelnummer: EB-0601195734-2600905039
Netto: 10,92 € zzgl. MwSt.
zzgl. 6,90 € Versand (brutto)
einmalig pro Bestellung

Lieferzeit: 5 Werktage

Pos.
16
BOSCH Bürstenhalter | Ersatzteile für GSB 18 RE | 2604337003
Hersteller: BOSCH
Artikelnummer: EB-0601195734-2604337003
Netto: 4,32 € zzgl. MwSt.
zzgl. 6,90 € Versand (brutto)
einmalig pro Bestellung

Lieferzeit: 5 Werktage

Pos.
18
BOSCH Zylinderschraube M3x6,5-4.8 | Ersatzteile für GSB 18 RE | 2603410001
Hersteller: BOSCH
Artikelnummer: EB-0601195734-2603410001
Netto: 3,94 € zzgl. MwSt.
zzgl. 6,90 € Versand (brutto)
einmalig pro Bestellung

Lieferzeit: 5 Werktage

Pos.
19
BOSCH Schraube 4x16 | Ersatzteile für GSB 18 RE | 2603490022
Hersteller: BOSCH
Artikelnummer: EB-0601195734-2603490022
Netto: 3,63 € zzgl. MwSt.
zzgl. 6,90 € Versand (brutto)
einmalig pro Bestellung

Lieferzeit: 5 Werktage

Pos.
20
BOSCH Klebeschild SCHATTENSEITE | Ersatzteile für GSB 18 RE | 2601110984
Hersteller: BOSCH
Artikelnummer: EB-0601195734-2601110984
nur Informationsartikel
Nie mehr lieferbar
keine Alternativen
Pos.
26
BOSCH Rillenkugellager 17x35x10 | Ersatzteile für GSB 18 RE | 1900905163
Hersteller: BOSCH
Artikelnummer: EB-0601195734-1900905163
Netto: 9,95 € zzgl. MwSt.
zzgl. 6,90 € Versand (brutto)
einmalig pro Bestellung

Lieferzeit: 5 Werktage

Pos.
27
BOSCH Druckfeder | Ersatzteile für GSB 18 RE | 2604616002
Hersteller: BOSCH
Artikelnummer: EB-0601195734-2604616002
Netto: 3,94 € zzgl. MwSt.
zzgl. 6,90 € Versand (brutto)
einmalig pro Bestellung

Lieferzeit: 5 Werktage

Pos.
28
BOSCH Sicherungsring DIN 471 17x1 MM | Ersatzteile für GSB 18 RE | 2916650008
Hersteller: BOSCH
Artikelnummer: EB-0601195734-2916650008
Netto: 3,94 € zzgl. MwSt.
zzgl. 6,90 € Versand (brutto)
einmalig pro Bestellung

Lieferzeit: 5 Werktage

Pos.
29
BOSCH Sicherungsring DIN 472 35x1,5 MM | Ersatzteile für GSB 18 RE | 2916660014
Hersteller: BOSCH
Artikelnummer: EB-0601195734-2916660014
Netto: 3,94 € zzgl. MwSt.
zzgl. 6,90 € Versand (brutto)
einmalig pro Bestellung

Lieferzeit: 5 Werktage

Pos.
30
BOSCH Stirnrad Z=39 | Ersatzteile für GSB 18 RE | 2606317053
Hersteller: BOSCH
Artikelnummer: EB-0601195734-2606317053
Netto: 15,42 € zzgl. MwSt.
zzgl. 6,90 € Versand (brutto)
einmalig pro Bestellung

Lieferzeit: 5 Werktage

Pos.
31
BOSCH Rastscheibe | Ersatzteile für GSB 18 RE | 2600190052
Hersteller: BOSCH
Artikelnummer: EB-0601195734-2600190052
nur Informationsartikel
Nie mehr lieferbar
keine Alternativen
Pos.
32
BOSCH Distanzscheibe 0,2 MM | Ersatzteile für GSB 18 RE | 2600000012
Hersteller: BOSCH
Artikelnummer: EB-0601195734-2600000012
Netto: 3,63 € zzgl. MwSt.
zzgl. 6,90 € Versand (brutto)
einmalig pro Bestellung

Lieferzeit: 5 Werktage

Pos.
32
BOSCH Distanzscheibe 0,5 MM | Ersatzteile für GSB 18 RE | 2600000014
Hersteller: BOSCH
Artikelnummer: EB-0601195734-2600000014
Netto: 3,63 € zzgl. MwSt.
zzgl. 6,90 € Versand (brutto)
einmalig pro Bestellung

Lieferzeit: 5 Werktage

Pos.
33
BOSCH Kugel DIN 5401-5,5MM-III-ST | Ersatzteile für GSB 18 RE | 1903230010
Hersteller: BOSCH
Artikelnummer: EB-0601195734-1903230010
Netto: 3,63 € zzgl. MwSt.
zzgl. 6,90 € Versand (brutto)
einmalig pro Bestellung

Lieferzeit: 5 Werktage

Pos.
35
BOSCH Rastscheibe | Ersatzteile für GSB 18 RE | 2600190057
Hersteller: BOSCH
Artikelnummer: EB-0601195734-2600190057
nur Informationsartikel
Nie mehr lieferbar
keine Alternativen
Pos.
36
BOSCH Nadellager Ø8x8 MM | Ersatzteile für GSB 18 RE | 2600917003
Hersteller: BOSCH
Artikelnummer: EB-0601195734-2600917003
Netto: 4,82 € zzgl. MwSt.
zzgl. 6,90 € Versand (brutto)
einmalig pro Bestellung

Lieferzeit: 5 Werktage

Pos.
37
BOSCH Drehknopf | Ersatzteile für GSB 18 RE | 2602026017
Hersteller: BOSCH
Artikelnummer: EB-0601195734-2602026017
Netto: 7,76 € zzgl. MwSt.
zzgl. 6,90 € Versand (brutto)
einmalig pro Bestellung

Lieferzeit: 5 Werktage

Pos.
38
BOSCH Spannstift 4x30 MM DIN 7346 | Ersatzteile für GSB 18 RE | 2917780105
Hersteller: BOSCH
Artikelnummer: EB-0601195734-2917780105
Netto: 3,63 € zzgl. MwSt.
zzgl. 6,90 € Versand (brutto)
einmalig pro Bestellung

Lieferzeit: 5 Werktage

Pos.
39
BOSCH Rastkappe | Ersatzteile für GSB 18 RE | 2600590006
Hersteller: BOSCH
Artikelnummer: EB-0601195734-2600590006
Netto: 3,94 € zzgl. MwSt.
zzgl. 6,90 € Versand (brutto)
einmalig pro Bestellung

Lieferzeit: 5 Werktage

Pos.
40
BOSCH Sicherungsring DIN 472-24x1,2 MM | Ersatzteile für GSB 18 RE | 2916660008
Hersteller: BOSCH
Artikelnummer: EB-0601195734-2916660008
Netto: 4,32 € zzgl. MwSt.
zzgl. 6,90 € Versand (brutto)
einmalig pro Bestellung

Lieferzeit: 5 Werktage

Pos.
41
BOSCH Tellerscheibe | Ersatzteile für GSB 18 RE | 2600500002
Hersteller: BOSCH
Artikelnummer: EB-0601195734-2600500002
Netto: 3,94 € zzgl. MwSt.
zzgl. 6,90 € Versand (brutto)
einmalig pro Bestellung

Lieferzeit: 5 Werktage

Pos.
42
BOSCH Filzring | Ersatzteile für GSB 18 RE | 2600108077
Hersteller: BOSCH
Artikelnummer: EB-0601195734-2600108077
Netto: 3,94 € zzgl. MwSt.
zzgl. 6,90 € Versand (brutto)
einmalig pro Bestellung

Lieferzeit: 5 Werktage

Pos.
43
BOSCH Steckhülse | Ersatzteile für GSB 18 RE | 2600400008
Hersteller: BOSCH
Artikelnummer: EB-0601195734-2600400008
Netto: 3,94 € zzgl. MwSt.
zzgl. 6,90 € Versand (brutto)
einmalig pro Bestellung

Lieferzeit: 5 Werktage

Pos.
44
BOSCH Nadellager Ø6 MM | Ersatzteile für GSB 18 RE | 2600914010
Hersteller: BOSCH
Artikelnummer: EB-0601195734-2600914010
Netto: 4,82 € zzgl. MwSt.
zzgl. 6,90 € Versand (brutto)
einmalig pro Bestellung

Lieferzeit: 5 Werktage

Pos.
45
BOSCH Ausgleichscheibe 0,3 MM | Ersatzteile für GSB 18 RE | 2600100607
Hersteller: BOSCH
Artikelnummer: EB-0601195734-2600100607
Netto: 3,94 € zzgl. MwSt.
zzgl. 6,90 € Versand (brutto)
einmalig pro Bestellung

Lieferzeit: 5 Werktage

Pos.
48
BOSCH Ausgleichscheibe | Ersatzteile für GSB 18 RE | 2600150004
Hersteller: BOSCH
Artikelnummer: EB-0601195734-2600150004
Netto: 4,32 € zzgl. MwSt.
zzgl. 6,90 € Versand (brutto)
einmalig pro Bestellung

Lieferzeit: 5 Werktage

Pos.
49
BOSCH Distanzscheibe 0,3 MM | Ersatzteile für GSB 18 RE | 2600101027
Hersteller: BOSCH
Artikelnummer: EB-0601195734-2600101027
Netto: 3,94 € zzgl. MwSt.
zzgl. 6,90 € Versand (brutto)
einmalig pro Bestellung

Lieferzeit: 5 Werktage

Pos.
49
BOSCH Distanzscheibe 0,5 MM | Ersatzteile für GSB 18 RE | 2600101667
Hersteller: BOSCH
Artikelnummer: EB-0601195734-2600101667
Netto: 3,94 € zzgl. MwSt.
zzgl. 6,90 € Versand (brutto)
einmalig pro Bestellung

Lieferzeit: 5 Werktage

Pos.
50
BOSCH Schraube | Ersatzteile für GSB 18 RE | 2603435034
Hersteller: BOSCH
Artikelnummer: EB-0601195734-2603435034
nur Informationsartikel
Nie mehr lieferbar
keine Alternativen
Pos.
51
BOSCH Schaftschraube 65 MM | Ersatzteile für GSB 18 RE | 2603435071
Hersteller: BOSCH
Artikelnummer: EB-0601195734-2603435071
nur Informationsartikel
Nie mehr lieferbar
keine Alternativen
Pos.
52
BOSCH Klebeschild BOHREN/SCHLAGBOHREN | Ersatzteile für GSB 18 RE | 2601110076
Hersteller: BOSCH
Artikelnummer: EB-0601195734-2601110076
nur Informationsartikel
Nie mehr lieferbar
keine Alternativen
Pos.
53
BOSCH Umschalter | Ersatzteile für GSB 18 RE | 2607200231
Hersteller: BOSCH
Artikelnummer: EB-0601195734-2607200231
Netto: 14,36 € zzgl. MwSt.
zzgl. 6,90 € Versand (brutto)
einmalig pro Bestellung

Lieferzeit: 5 Werktage

Pos.
54
BOSCH Erdleitung | Ersatzteile für GSB 18 RE | 2604448097
Hersteller: BOSCH
Artikelnummer: EB-0601195734-2604448097
Netto: 3,94 € zzgl. MwSt.
zzgl. 6,90 € Versand (brutto)
einmalig pro Bestellung

Lieferzeit: 5 Werktage

Pos.
55
BOSCH Abdeckscheibe | Ersatzteile für GSB 18 RE | 2601328033
Hersteller: BOSCH
Artikelnummer: EB-0601195734-2601328033
nur Informationsartikel
Nie mehr lieferbar
keine Alternativen
Pos.
56
BOSCH Blechschraube | Ersatzteile für GSB 18 RE | 2603435086
Hersteller: BOSCH
Artikelnummer: EB-0601195734-2603435086
Netto: 3,63 € zzgl. MwSt.
zzgl. 6,90 € Versand (brutto)
einmalig pro Bestellung

Lieferzeit: 5 Werktage

Pos.
57
BOSCH Gehäusedeckel BLAU | Ersatzteile für GSB 18 RE | 2605132049
Hersteller: BOSCH
Artikelnummer: EB-0601195734-2605132049
Netto: 7,58 € zzgl. MwSt.
zzgl. 6,90 € Versand (brutto)
einmalig pro Bestellung

Lieferzeit: 5 Werktage

Pos.
58
BOSCH Elektr Leitung L=130 MM WEISS | Ersatzteile für GSB 18 RE | 2604448005
Hersteller: BOSCH
Artikelnummer: EB-0601195734-2604448005
Netto: 3,94 € zzgl. MwSt.
zzgl. 6,90 € Versand (brutto)
einmalig pro Bestellung

Lieferzeit: 5 Werktage

Pos.
59
BOSCH Entstörfilter L=126 MM WEISS | Ersatzteile für GSB 18 RE | 2604465097
Hersteller: BOSCH
Artikelnummer: EB-0601195734-2604465097
Netto: 6,70 € zzgl. MwSt.
zzgl. 6,90 € Versand (brutto)
einmalig pro Bestellung

Lieferzeit: 5 Werktage

Pos.
60
BOSCH Torx-Linsenschraube 3x10 | Ersatzteile für GSB 18 RE | 2603490017
Hersteller: BOSCH
Artikelnummer: EB-0601195734-2603490017
Netto: 4,32 € zzgl. MwSt.
zzgl. 6,90 € Versand (brutto)
einmalig pro Bestellung

Lieferzeit: 5 Werktage

Pos.
61
BOSCH Torx-Linsenschraube 4x25 | Ersatzteile für GSB 18 RE | 2603490024
Hersteller: BOSCH
Artikelnummer: EB-0601195734-2603490024
Netto: 3,94 € zzgl. MwSt.
zzgl. 6,90 € Versand (brutto)
einmalig pro Bestellung

Lieferzeit: 5 Werktage

Pos.
63
BOSCH Ausgleichscheibe 0,3 MM | Ersatzteile für GSB 18 RE | 2600101617
Hersteller: BOSCH
Artikelnummer: EB-0601195734-2600101617
nur Informationsartikel
Nie mehr lieferbar
keine Alternativen
Pos.
63
BOSCH Ausgleichscheibe 0,5 MM | Ersatzteile für GSB 18 RE | 2600101616
Hersteller: BOSCH
Artikelnummer: EB-0601195734-2600101616
Netto: 4,82 € zzgl. MwSt.
zzgl. 6,90 € Versand (brutto)
einmalig pro Bestellung

Lieferzeit: 5 Werktage

Pos.
64
BOSCH Senkschraube M6x38/12(Ø11) LINKSGEWINDE | Ersatzteile für GSB 18 RE | 2603421208
Hersteller: BOSCH
Artikelnummer: EB-0601195734-2603421208
nur Informationsartikel
Nie mehr lieferbar
keine Alternativen
Pos.
66
BOSCH Flachdichtung | Ersatzteile für GSB 18 RE | 2601073012
Hersteller: BOSCH
Artikelnummer: EB-0601195734-2601073012
Netto: 3,63 € zzgl. MwSt.
zzgl. 6,90 € Versand (brutto)
einmalig pro Bestellung

Lieferzeit: 5 Werktage

Pos.
67
BOSCH Sprengring | Ersatzteile für GSB 18 RE | 2604601004
Hersteller: BOSCH
Artikelnummer: EB-0601195734-2604601004
nur Informationsartikel
Nie mehr lieferbar
keine Alternativen
Pos.
68
BOSCH Verbindungsleitung L=98 MM SCHWARZ | Ersatzteile für GSB 18 RE | 2604448074
Hersteller: BOSCH
Artikelnummer: EB-0601195734-2604448074
Netto: 4,32 € zzgl. MwSt.
zzgl. 6,90 € Versand (brutto)
einmalig pro Bestellung

Lieferzeit: 5 Werktage

Pos.
69
BOSCH Verbindungskabel L=68 MM WEISS | Ersatzteile für GSB 18 RE | 2604448100
Hersteller: BOSCH
Artikelnummer: EB-0601195734-2604448100
Netto: 3,63 € zzgl. MwSt.
zzgl. 6,90 € Versand (brutto)
einmalig pro Bestellung

Lieferzeit: 5 Werktage

Pos.
70
BOSCH Verbindungskabel L=110 MM WEISS | Ersatzteile für GSB 18 RE | 2604448146
Hersteller: BOSCH
Artikelnummer: EB-0601195734-2604448146
Netto: 3,94 € zzgl. MwSt.
zzgl. 6,90 € Versand (brutto)
einmalig pro Bestellung

Lieferzeit: 5 Werktage

Pos.
85
BOSCH Entstörfilter L=148 MM SCHWARZ | Ersatzteile für GSB 18 RE | 2604465086
Hersteller: BOSCH
Artikelnummer: EB-0601195734-2604465086
Netto: 6,70 € zzgl. MwSt.
zzgl. 6,90 € Versand (brutto)
einmalig pro Bestellung

Lieferzeit: 5 Werktage

Pos.
753
BOSCH Zusatzhandgriff | Ersatzteile für GSB 18 RE | 1619PB4323
Hersteller: BOSCH
Artikelnummer: EB-0601195734-1619PB4323
Netto: 9,18 € zzgl. MwSt.
zzgl. 6,90 € Versand (brutto)
einmalig pro Bestellung

Lieferzeit: 5 Werktage

Pos.
753
BOSCH Zusatzhandgriff Ø43 MM SCHWARZ | Ersatzteile für GSB 18 RE | 1612025031
Hersteller: BOSCH
Artikelnummer: EB-0601195734-1612025031
nur Informationsartikel
Nie mehr lieferbar
keine Alternativen
Pos.
754
BOSCH Tiefenanschlag SW 6x210 MM | Ersatzteile für GSB 18 RE | 1613001005
Hersteller: BOSCH
Artikelnummer: EB-0601195734-1613001005
nur Informationsartikel
Nie mehr lieferbar
keine Alternativen
Pos.
765
BOSCH Bohrfutter Ø1,5-13 MM, 1/2" | Ersatzteile für GSB 18 RE | 1608571069
Hersteller: BOSCH
Artikelnummer: EB-0601195734-1608571069
Netto: 21,16 € zzgl. MwSt.
zzgl. 6,90 € Versand (brutto)
einmalig pro Bestellung

Lieferzeit: 5 Werktage

Pos.
810
BOSCH Kohlebürstensatz | Ersatzteile für GSB 18 RE | 2604321905
Hersteller: BOSCH
Artikelnummer: EB-0601195734-2604321905
Netto: 9,18 € zzgl. MwSt.
zzgl. 6,90 € Versand (brutto)
einmalig pro Bestellung

Lieferzeit: 5 Werktage

Pos.
825
BOSCH Getriebegehäuse | Ersatzteile für GSB 18 RE | 2605806993
Hersteller: BOSCH
Artikelnummer: EB-0601195734-2605806993
nur Informationsartikel
Nie mehr lieferbar
keine Alternativen
Pos.
834
BOSCH Zwischenflansch | Ersatzteile für GSB 18 RE | 2605700936
Hersteller: BOSCH
Artikelnummer: EB-0601195734-2605700936
nur Informationsartikel
Nie mehr lieferbar
keine Alternativen
Pos.
846
BOSCH Zahnwelle | Ersatzteile für GSB 18 RE | 2606309911
Hersteller: BOSCH
Artikelnummer: EB-0601195734-2606309911
nur Informationsartikel
Nie mehr lieferbar
keine Alternativen
Pos.
888
BOSCH Typschild | Ersatzteile für GSB 18 RE | 160111A3H3
Hersteller: BOSCH
Artikelnummer: EB-0601195734-160111A3H3
Netto: 4,53 € zzgl. MwSt.
zzgl. 6,90 € Versand (brutto)
einmalig pro Bestellung

Lieferzeit: 5 Werktage

Angaben zur Produktsicherheit

Hersteller:
Robert Bosch Power Tools GmbH
Postfach 30 02 20
70442 Stuttgart

E-Mail:
kontakt@bosch.de