BOSCH Sicherungsring DIN 471 17x1 MM | Ersatzteile für GSB 19-2 RE | 2916650008

Artikelnummer: EB-3601A7B570-2916650008

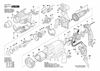
Position: 29

Marke: BOSCH


Bitte Kompatibilität prüfen!

Bitte prüfen Sie unbedingt die 10-stellige Typennummer Ihrer Maschine / Ihres Gerätes. Das Ersatzteil ist nur kompatibel, wenn Sie die Typennummer Ihrer Maschine in der unten stehenden Produktbeschreibung finden.

Bitte prüfen Sie ebenfalls detailliert die Explosionszeichnung mit Ihrem Artikelwunsch und der jeweiligen Pos-Nummer.

Alle Elemente, welche vom schwarzen Strich der Pos-Nummer ausgehend berührt / erfasst werden, gehören zu dieser Pos-Nummer und somit zu diesem Artikel. Jede Pos-Nummer ist ein eigenständiger Artikel, welchen Sie in der Auflistung finden.

Sie erhalten stets die aktuellste, neueste Produktversion zu der gewählten Pos-Nummer seitens des Herstellers. Es kann daher je nach Gerätealter vorkommen, dass Sie ggf. weitere, zugehörige Elemente, welche an diese Pos-Nummer grenzen, ebenfalls mittauschen müssen.

Nähere Informationen finden Sie unter dem Link
Hinweise zu Ihrer BOSCH Ersatzteilsuche

Preisübersicht

Einzelpreis: 3,94 €* (Brutto: 4,69 €)
Gesamtpreis: 3,94 €* 
Position:

Lieferzeit: 5 Werktage


Beschreibung

  • Sicherungsring DIN 471 17x1 MM
  • Original Bosch Zubehör / BOSCH Ersatzteil (2916650008)
  • im Gerät verbaut: 1
Dieses BOSCH Ersatzteil ist mit folgendem Gerät und Modell kompatibel:
  • BOSCH Gerätename: GSB 19-2 RE
  • BOSCH Explosionszeichnung: Position 29
  • BOSCH Typennummer: 3601A7B570
  • BOSCH Typennummer alternative Schreibweisen: 3 601 A7B 570, 3601 A7B 570, 3.601.A7B.570, 3-601-A7B-570
    Bitte prüfen Sie diese Typennummer auf Ihrem Gerät um die Kompatibilität des BOSCH Ersatzteils zu gewährleisten.
Weitere BOSCH Ersatzteile des Gerätes GSB 19-2 RE (Schlagbohrmaschine) mit der Typennummer 3601A7B570 finden Sie in der nachfolgenden Darstellung und im Dropdown zu Ihrer Auswahl:

Pos.
1
BOSCH Motorgehäuse | Ersatzteile für GSB 19-2 RE | 1618B00A04
Hersteller: BOSCH
Artikelnummer: EB-3601A7B570-1618B00A04
Netto: 26,88 € zzgl. MwSt.
zzgl. 6,90 € Versand (brutto)
einmalig pro Bestellung

Lieferzeit: 5 Werktage

Pos.
653/30/1
BOSCH Handgriff SCHWARZ | Ersatzteile für GSB 19-2 RE | 2602025180
Hersteller: BOSCH
Artikelnummer: EB-3601A7B570-2602025180
Netto: 6,34 € zzgl. MwSt.
zzgl. 6,90 € Versand (brutto)
einmalig pro Bestellung

Lieferzeit: 5 Werktage

Pos.
653/30/2
BOSCH Sechskantschraube M8x45 | Ersatzteile für GSB 19-2 RE | 2911061252
Hersteller: BOSCH
Artikelnummer: EB-3601A7B570-2911061252
nur Informationsartikel
Nie mehr lieferbar
keine Alternativen
Pos.
2
BOSCH Polschuh 220-240V | Ersatzteile für GSB 19-2 RE | 1604220456
Hersteller: BOSCH
Artikelnummer: EB-3601A7B570-1604220456
Netto: 18,57 € zzgl. MwSt.
zzgl. 6,90 € Versand (brutto)
einmalig pro Bestellung

Lieferzeit: 5 Werktage

Pos.
2
BOSCH Polschuh 230V | Ersatzteile für GSB 19-2 RE bare | 1604010BT0
Hersteller: BOSCH
Artikelnummer: EB-3601A7B570-1604010BT0
Netto: 19,18 € zzgl. MwSt.
zzgl. 6,90 € Versand (brutto)
einmalig pro Bestellung

Lieferzeit: 5 Werktage

Pos.
5
BOSCH Netzanschlussleitung GB 230V 4,15m 2 x 1,0mm H05 RN-F | Ersatzteile für GSB 19-2 RE | 2604460244
Hersteller: BOSCH
Artikelnummer: EB-3601A7B570-2604460244
nur Informationsartikel
Nie mehr lieferbar
keine Alternativen
Pos.
6
BOSCH Kabeldurchführungstülle Ø6,4-Ø7,0x66 MM | Ersatzteile für GSB 19-2 RE | 2600707075
Hersteller: BOSCH
Artikelnummer: EB-3601A7B570-2600707075
Netto: 4,53 € zzgl. MwSt.
zzgl. 6,90 € Versand (brutto)
einmalig pro Bestellung

Lieferzeit: 5 Werktage

Pos.
8
BOSCH Typschild | Ersatzteile für GSB 19-2 RE | 160111A3ZS
Hersteller: BOSCH
Artikelnummer: EB-3601A7B570-160111A99N
Netto: 4,53 € zzgl. MwSt.
zzgl. 6,90 € Versand (brutto)
einmalig pro Bestellung

Lieferzeit: 5 Werktage

Pos.
9
BOSCH Firmenschild GSB 19-2 RE | Ersatzteile für GSB 19-2 RE | 2601115611
Hersteller: BOSCH
Artikelnummer: EB-3601A7B570-2601115611
nur Informationsartikel
Nie mehr lieferbar
keine Alternativen
Pos.
19
BOSCH Torx-Linsenschraube 3x10 | Ersatzteile für GSB 19-2 RE | 2603490017
Hersteller: BOSCH
Artikelnummer: EB-3601A7B570-2603490017
Netto: 4,32 € zzgl. MwSt.
zzgl. 6,90 € Versand (brutto)
einmalig pro Bestellung

Lieferzeit: 5 Werktage

Pos.
20
BOSCH Hinweisschild | Ersatzteile für GSB 19-2 RE | 2601115517
Hersteller: BOSCH
Artikelnummer: EB-3601A7B570-2601115517
Netto: 4,38 € zzgl. MwSt.
zzgl. 6,90 € Versand (brutto)
einmalig pro Bestellung

Lieferzeit: 5 Werktage

Pos.
24
BOSCH Bohrspindel | Ersatzteile für GSB 19-2 RE | 2606135138
Hersteller: BOSCH
Artikelnummer: EB-3601A7B570-2606135138
Netto: 14,36 € zzgl. MwSt.
zzgl. 6,90 € Versand (brutto)
einmalig pro Bestellung

Lieferzeit: 5 Werktage

Pos.
26
BOSCH Druckfeder | Ersatzteile für GSB 19-2 RE | 2604616006
Hersteller: BOSCH
Artikelnummer: EB-3601A7B570-2604616006
Netto: 3,94 € zzgl. MwSt.
zzgl. 6,90 € Versand (brutto)
einmalig pro Bestellung

Lieferzeit: 5 Werktage

Pos.
27
BOSCH Rillenkugellager 17x35x10 | Ersatzteile für GSB 19-2 RE | 1900905163
Hersteller: BOSCH
Artikelnummer: EB-3601A7B570-1900905163
Netto: 9,95 € zzgl. MwSt.
zzgl. 6,90 € Versand (brutto)
einmalig pro Bestellung

Lieferzeit: 5 Werktage

Pos.
28
BOSCH Ausgleichscheibe 0,5 MM | Ersatzteile für GSB 19-2 RE | 2600100695
Hersteller: BOSCH
Artikelnummer: EB-3601A7B570-2600100695
Netto: 3,94 € zzgl. MwSt.
zzgl. 6,90 € Versand (brutto)
einmalig pro Bestellung

Lieferzeit: 5 Werktage

Pos.
29
BOSCH Sicherungsring DIN 471 17x1 MM | Ersatzteile für GSB 19-2 RE | 2916650008
Hersteller: BOSCH
Artikelnummer: EB-3601A7B570-2916650008
Netto: 3,94 € zzgl. MwSt.
zzgl. 6,90 € Versand (brutto)
einmalig pro Bestellung

Lieferzeit: 5 Werktage

Pos.
30
BOSCH Flachkeil | Ersatzteile für GSB 19-2 RE | 2602300032
Hersteller: BOSCH
Artikelnummer: EB-3601A7B570-2602300032
Netto: 5,19 € zzgl. MwSt.
zzgl. 6,90 € Versand (brutto)
einmalig pro Bestellung

Lieferzeit: 5 Werktage

Pos.
31
BOSCH Haltescheibe | Ersatzteile für GSB 19-2 RE | 2600101671
Hersteller: BOSCH
Artikelnummer: EB-3601A7B570-2600101671
Netto: 3,94 € zzgl. MwSt.
zzgl. 6,90 € Versand (brutto)
einmalig pro Bestellung

Lieferzeit: 5 Werktage

Pos.
33
BOSCH Stirnrad | Ersatzteile für GSB 19-2 RE | 2606317084
Hersteller: BOSCH
Artikelnummer: EB-3601A7B570-2606317084
Netto: 11,92 € zzgl. MwSt.
zzgl. 6,90 € Versand (brutto)
einmalig pro Bestellung

Lieferzeit: 5 Werktage

Pos.
34
BOSCH Stirnrad | Ersatzteile für GSB 19-2 RE | 2606317098
Hersteller: BOSCH
Artikelnummer: EB-3601A7B570-2606317098
Netto: 10,92 € zzgl. MwSt.
zzgl. 6,90 € Versand (brutto)
einmalig pro Bestellung

Lieferzeit: 5 Werktage

Pos.
35
BOSCH Ausgleichscheibe 0,3 MM | Ersatzteile für GSB 19-2 RE | 2600101047
Hersteller: BOSCH
Artikelnummer: EB-3601A7B570-2600101047
Netto: 3,94 € zzgl. MwSt.
zzgl. 6,90 € Versand (brutto)
einmalig pro Bestellung

Lieferzeit: 5 Werktage

Pos.
36
BOSCH Rastscheibe | Ersatzteile für GSB 19-2 RE | 2600190105
Hersteller: BOSCH
Artikelnummer: EB-3601A7B570-2600190105
Netto: 4,53 € zzgl. MwSt.
zzgl. 6,90 € Versand (brutto)
einmalig pro Bestellung

Lieferzeit: 5 Werktage

Pos.
38
BOSCH Distanzscheibe 1,0 MM | Ersatzteile für GSB 19-2 RE | 2600000021
Hersteller: BOSCH
Artikelnummer: EB-3601A7B570-2600000021
Netto: 3,94 € zzgl. MwSt.
zzgl. 6,90 € Versand (brutto)
einmalig pro Bestellung

Lieferzeit: 5 Werktage

Pos.
38
BOSCH Distanzscheibe 1,35 MM | Ersatzteile für GSB 19-2 RE | 2600000030
Hersteller: BOSCH
Artikelnummer: EB-3601A7B570-2600000030
Netto: 3,94 € zzgl. MwSt.
zzgl. 6,90 € Versand (brutto)
einmalig pro Bestellung

Lieferzeit: 5 Werktage

Pos.
38
BOSCH Distanzscheibe 1,7 MM | Ersatzteile für GSB 19-2 RE | 2600000031
Hersteller: BOSCH
Artikelnummer: EB-3601A7B570-2600000031
Netto: 3,94 € zzgl. MwSt.
zzgl. 6,90 € Versand (brutto)
einmalig pro Bestellung

Lieferzeit: 5 Werktage

Pos.
40
BOSCH Kugel 5,25 MM | Ersatzteile für GSB 19-2 RE | 2603230007
Hersteller: BOSCH
Artikelnummer: EB-3601A7B570-2603230007
Netto: 3,63 € zzgl. MwSt.
zzgl. 6,90 € Versand (brutto)
einmalig pro Bestellung

Lieferzeit: 5 Werktage

Pos.
40
BOSCH Kugel DIN 5401-5 G28 | Ersatzteile für GSB 19-2 RE | 1903230009
Hersteller: BOSCH
Artikelnummer: EB-3601A7B570-1903230009
Netto: 3,63 € zzgl. MwSt.
zzgl. 6,90 € Versand (brutto)
einmalig pro Bestellung

Lieferzeit: 5 Werktage

Pos.
40
BOSCH Kugel DIN 5401-5,5MM-III-ST | Ersatzteile für GSB 19-2 RE | 1903230010
Hersteller: BOSCH
Artikelnummer: EB-3601A7B570-1903230010
Netto: 3,63 € zzgl. MwSt.
zzgl. 6,90 € Versand (brutto)
einmalig pro Bestellung

Lieferzeit: 5 Werktage

Pos.
41
BOSCH Schiebeschalter | Ersatzteile für GSB 19-2 RE | 1618B00800
Hersteller: BOSCH
Artikelnummer: EB-3601A7B570-1618B00800
Netto: 3,63 € zzgl. MwSt.
zzgl. 6,90 € Versand (brutto)
einmalig pro Bestellung

Lieferzeit: 5 Werktage

Pos.
42
BOSCH Druckplatte | Ersatzteile für GSB 19-2 RE | 2601074008
Hersteller: BOSCH
Artikelnummer: EB-3601A7B570-2601074008
Netto: 3,94 € zzgl. MwSt.
zzgl. 6,90 € Versand (brutto)
einmalig pro Bestellung

Lieferzeit: 5 Werktage

Pos.
44
BOSCH Dichtung | Ersatzteile für GSB 19-2 RE | 2601015099
Hersteller: BOSCH
Artikelnummer: EB-3601A7B570-2601015099
Netto: 6,70 € zzgl. MwSt.
zzgl. 6,90 € Versand (brutto)
einmalig pro Bestellung

Lieferzeit: 5 Werktage

Pos.
46
BOSCH Gewindefurchschraube DIN 7981-ST3,5x9,5-F | Ersatzteile für GSB 19-2 RE | 1613435007
Hersteller: BOSCH
Artikelnummer: EB-3601A7B570-1613435007
Netto: 3,63 € zzgl. MwSt.
zzgl. 6,90 € Versand (brutto)
einmalig pro Bestellung

Lieferzeit: 5 Werktage

Pos.
47
BOSCH Gehäusedeckel | Ersatzteile für GSB 19-2 RE | 1618B00A02
Hersteller: BOSCH
Artikelnummer: EB-3601A7B570-1618B00A02
Netto: 12,98 € zzgl. MwSt.
zzgl. 6,90 € Versand (brutto)
einmalig pro Bestellung

Lieferzeit: 5 Werktage

Pos.
53
BOSCH Tellerfeder | Ersatzteile für GSB 19-2 RE | 2600550008
Hersteller: BOSCH
Artikelnummer: EB-3601A7B570-2600550008
Netto: 3,94 € zzgl. MwSt.
zzgl. 6,90 € Versand (brutto)
einmalig pro Bestellung

Lieferzeit: 5 Werktage

Pos.
59
BOSCH Vorgelege | Ersatzteile für GSB 19-2 RE | 2606309934
Hersteller: BOSCH
Artikelnummer: EB-3601A7B570-1600A00MM2
Netto: 24,13 € zzgl. MwSt.
zzgl. 6,90 € Versand (brutto)
einmalig pro Bestellung

Lieferzeit: 5 Werktage

Pos.
61
BOSCH Ausgleichscheibe 0,3 MM | Ersatzteile für GSB 19-2 RE | 2600100607
Hersteller: BOSCH
Artikelnummer: EB-3601A7B570-2600100607
Netto: 3,94 € zzgl. MwSt.
zzgl. 6,90 € Versand (brutto)
einmalig pro Bestellung

Lieferzeit: 5 Werktage

Pos.
63
BOSCH Schaftschraube | Ersatzteile für GSB 19-2 RE | 2603435085
Hersteller: BOSCH
Artikelnummer: EB-3601A7B570-2603435085
Netto: 3,63 € zzgl. MwSt.
zzgl. 6,90 € Versand (brutto)
einmalig pro Bestellung

Lieferzeit: 5 Werktage

Pos.
65
BOSCH Zylinderstift | Ersatzteile für GSB 19-2 RE | 2603105200
Hersteller: BOSCH
Artikelnummer: EB-3601A7B570-2603105200
Netto: 3,94 € zzgl. MwSt.
zzgl. 6,90 € Versand (brutto)
einmalig pro Bestellung

Lieferzeit: 5 Werktage

Pos.
66
BOSCH Verstellschieber | Ersatzteile für GSB 19-2 RE | 1618B00807
Hersteller: BOSCH
Artikelnummer: EB-3601A7B570-1618B00807
Netto: 3,94 € zzgl. MwSt.
zzgl. 6,90 € Versand (brutto)
einmalig pro Bestellung

Lieferzeit: 5 Werktage

Pos.
66
BOSCH Verstellschieber SCHWARZ | Ersatzteile für GSB 19-2 RE bare | 2601099180
Hersteller: BOSCH
Artikelnummer: EB-3601A7B570-2601099180
nur Informationsartikel
Nie mehr lieferbar
keine Alternativen
Pos.
68
BOSCH Druckfeder | Ersatzteile für GSB 19-2 RE | 2604616014
Hersteller: BOSCH
Artikelnummer: EB-3601A7B570-2604616014
Netto: 3,63 € zzgl. MwSt.
zzgl. 6,90 € Versand (brutto)
einmalig pro Bestellung

Lieferzeit: 5 Werktage

Pos.
69
BOSCH Drehknopf SCHWARZ | Ersatzteile für GSB 19-2 RE | 2602026157
Hersteller: BOSCH
Artikelnummer: EB-3601A7B570-2602026157
Netto: 4,32 € zzgl. MwSt.
zzgl. 6,90 € Versand (brutto)
einmalig pro Bestellung

Lieferzeit: 5 Werktage

Pos.
71
BOSCH Rastkappe | Ersatzteile für GSB 19-2 RE | 2600590006
Hersteller: BOSCH
Artikelnummer: EB-3601A7B570-2600590006
Netto: 3,94 € zzgl. MwSt.
zzgl. 6,90 € Versand (brutto)
einmalig pro Bestellung

Lieferzeit: 5 Werktage

Pos.
72
BOSCH Torx-Linsenschraube 4x40 | Ersatzteile für GSB 19-2 RE | 2603490027
Hersteller: BOSCH
Artikelnummer: EB-3601A7B570-2603490027
Netto: 3,63 € zzgl. MwSt.
zzgl. 6,90 € Versand (brutto)
einmalig pro Bestellung

Lieferzeit: 5 Werktage

Pos.
73
BOSCH Schraube 4x16 | Ersatzteile für GSB 19-2 RE | 2603490022
Hersteller: BOSCH
Artikelnummer: EB-3601A7B570-2603490022
Netto: 3,63 € zzgl. MwSt.
zzgl. 6,90 € Versand (brutto)
einmalig pro Bestellung

Lieferzeit: 5 Werktage

Pos.
74
BOSCH Schaltkontakt | Ersatzteile für GSB 19-2 RE | 2601324062
Hersteller: BOSCH
Artikelnummer: EB-3601A7B570-2601324062
Netto: 3,94 € zzgl. MwSt.
zzgl. 6,90 € Versand (brutto)
einmalig pro Bestellung

Lieferzeit: 5 Werktage

Pos.
75
BOSCH Kontakt | Ersatzteile für GSB 19-2 RE | 2601099259
Hersteller: BOSCH
Artikelnummer: EB-3601A7B570-2601099259
Netto: 3,94 € zzgl. MwSt.
zzgl. 6,90 € Versand (brutto)
einmalig pro Bestellung

Lieferzeit: 5 Werktage

Pos.
76
BOSCH Kontakt | Ersatzteile für GSB 19-2 RE | 2601099260
Hersteller: BOSCH
Artikelnummer: EB-3601A7B570-2601099260
Netto: 4,32 € zzgl. MwSt.
zzgl. 6,90 € Versand (brutto)
einmalig pro Bestellung

Lieferzeit: 5 Werktage

Pos.
78
BOSCH Sicherungsring DIN 472 35x1,5 MM | Ersatzteile für GSB 19-2 RE | 2916660014
Hersteller: BOSCH
Artikelnummer: EB-3601A7B570-2916660014
Netto: 3,94 € zzgl. MwSt.
zzgl. 6,90 € Versand (brutto)
einmalig pro Bestellung

Lieferzeit: 5 Werktage

Pos.
85
BOSCH Schnellspannbohrfutter | Ersatzteile für GSB 19-2 RE | 1600A028TE
Hersteller: BOSCH
Artikelnummer: EB-3601A7B570-1600A028TE
Netto: 35,77 € zzgl. MwSt.
zzgl. 6,90 € Versand (brutto)
einmalig pro Bestellung

Lieferzeit: 5 Werktage

Pos.
86
BOSCH Verbindungsleitung | Ersatzteile für GSB 19-2 RE | 2604448331
Hersteller: BOSCH
Artikelnummer: EB-3601A7B570-2604448331
Netto: 3,94 € zzgl. MwSt.
zzgl. 6,90 € Versand (brutto)
einmalig pro Bestellung

Lieferzeit: 5 Werktage

Pos.
87
BOSCH Verbindungsleitung 48 mm | Ersatzteile für GSB 19-2 RE | 2604448334
Hersteller: BOSCH
Artikelnummer: EB-3601A7B570-2604448334
Netto: 4,32 € zzgl. MwSt.
zzgl. 6,90 € Versand (brutto)
einmalig pro Bestellung

Lieferzeit: 5 Werktage

Pos.
88
BOSCH Halteplatte | Ersatzteile für GSB 19-2 RE | 1618B00808
Hersteller: BOSCH
Artikelnummer: EB-3601A7B570-1618B00808
Netto: 4,32 € zzgl. MwSt.
zzgl. 6,90 € Versand (brutto)
einmalig pro Bestellung

Lieferzeit: 5 Werktage

Pos.
89
BOSCH Blende | Ersatzteile für GSB 19-2 RE | 1618B00A06
Hersteller: BOSCH
Artikelnummer: EB-3601A7B570-1618B00A06
Netto: 4,82 € zzgl. MwSt.
zzgl. 6,90 € Versand (brutto)
einmalig pro Bestellung

Lieferzeit: 5 Werktage

Pos.
89
BOSCH Blende SCHWARZ | Ersatzteile für GSB 19-2 RE bare | 2605510266
Hersteller: BOSCH
Artikelnummer: EB-3601A7B570-2605510266
Netto: 6,27 € zzgl. MwSt.
zzgl. 6,90 € Versand (brutto)
einmalig pro Bestellung

Lieferzeit: 5 Werktage

Pos.
90
BOSCH Blende | Ersatzteile für GSB 19-2 RE | 2605510269
Hersteller: BOSCH
Artikelnummer: EB-3601A7B570-2605510269
Netto: 5,13 € zzgl. MwSt.
zzgl. 6,90 € Versand (brutto)
einmalig pro Bestellung

Lieferzeit: 5 Werktage

Pos.
93
BOSCH Gewindefurchschraube | Ersatzteile für GSB 19-2 RE | 2914491411
Hersteller: BOSCH
Artikelnummer: EB-3601A7B570-2914491411
Netto: 3,63 € zzgl. MwSt.
zzgl. 6,90 € Versand (brutto)
einmalig pro Bestellung

Lieferzeit: 5 Werktage

Pos.
95
BOSCH Clip SCHWARZ | Ersatzteile für GSB 19-2 RE | 2601329118
Hersteller: BOSCH
Artikelnummer: EB-3601A7B570-2601329118
Netto: 3,63 € zzgl. MwSt.
zzgl. 6,90 € Versand (brutto)
einmalig pro Bestellung

Lieferzeit: 5 Werktage

Pos.
653
BOSCH Zusatzhandgriff SCHWARZ | Ersatzteile für GSB 19-2 RE | 2602025175
Hersteller: BOSCH
Artikelnummer: EB-3601A7B570-2602025175
Netto: 14,36 € zzgl. MwSt.
zzgl. 6,90 € Versand (brutto)
einmalig pro Bestellung

Lieferzeit: 5 Werktage

Pos.
655
BOSCH Tiefenanschlag SW 6x210 MM | Ersatzteile für GSB 19-2 RE | 1613001009
Hersteller: BOSCH
Artikelnummer: EB-3601A7B570-1613001009
Netto: 5,19 € zzgl. MwSt.
zzgl. 6,90 € Versand (brutto)
einmalig pro Bestellung

Lieferzeit: 5 Werktage

Pos.
803
BOSCH Anker 230-240V | Ersatzteile für GSB 19-2 RE | 1604010BS8
Hersteller: BOSCH
Artikelnummer: EB-3601A7B570-1604010BS8
Netto: 47,09 € zzgl. MwSt.
zzgl. 6,90 € Versand (brutto)
einmalig pro Bestellung

Lieferzeit: 5 Werktage

Pos.
804
BOSCH Ein/Aus-Schalter | Ersatzteile für GSB 19-2 RE | 2607200922
Hersteller: BOSCH
Artikelnummer: EB-3601A7B570-2607200922
Netto: 20,47 € zzgl. MwSt.
zzgl. 6,90 € Versand (brutto)
einmalig pro Bestellung

Lieferzeit: 5 Werktage

Pos.
804
BOSCH Schalter | Ersatzteile für GSB 19-2 RE bare | 2607200665
Hersteller: BOSCH
Artikelnummer: EB-3601A7B570-2607200665
Netto: 19,18 € zzgl. MwSt.
zzgl. 6,90 € Versand (brutto)
einmalig pro Bestellung

Lieferzeit: 5 Werktage

Pos.
810
BOSCH Kohlebürstensatz | Ersatzteile für GSB 19-2 RE | 1617000525
Hersteller: BOSCH
Artikelnummer: EB-3601A7B570-1617000525
Netto: 9,18 € zzgl. MwSt.
zzgl. 6,90 € Versand (brutto)
einmalig pro Bestellung

Lieferzeit: 5 Werktage

Pos.
810
BOSCH Kohlebürstensatz 10 x 1 617 000 525 | Ersatzteile für GSB 19-2 RE | 1607000485
Hersteller: BOSCH
Artikelnummer: EB-3601A7B570-1607000485
Netto: 70,50 € zzgl. MwSt.
zzgl. 6,90 € Versand (brutto)
einmalig pro Bestellung

Lieferzeit: 5 Werktage

Pos.
816
BOSCH Bürstenplatte | Ersatzteile für GSB 19-2 RE | 1614336061
Hersteller: BOSCH
Artikelnummer: EB-3601A7B570-1614336061
Netto: 15,75 € zzgl. MwSt.
zzgl. 6,90 € Versand (brutto)
einmalig pro Bestellung

Lieferzeit: 5 Werktage

Pos.
825
BOSCH Getriebegehäuse | Ersatzteile für GSB 19-2 RE | 2605806884
Hersteller: BOSCH
Artikelnummer: EB-3601A7B570-2605806884
Netto: 32,74 € zzgl. MwSt.
zzgl. 6,90 € Versand (brutto)
einmalig pro Bestellung

Lieferzeit: 5 Werktage

Pos.
843
BOSCH Lagerbrücke | Ersatzteile für GSB 19-2 RE | 1600A0018A
Hersteller: BOSCH
Artikelnummer: EB-3601A7B570-1600A0018A
Netto: 29,45 € zzgl. MwSt.
zzgl. 6,90 € Versand (brutto)
einmalig pro Bestellung

Lieferzeit: 5 Werktage

Pos.
845
BOSCH Luftleitblech | Ersatzteile für GSB 19-2 RE | 2600148012
Hersteller: BOSCH
Artikelnummer: EB-3601A7B570-2600148012
Netto: 7,76 € zzgl. MwSt.
zzgl. 6,90 € Versand (brutto)
einmalig pro Bestellung

Lieferzeit: 5 Werktage

Pos.
867
BOSCH Kulissenführung SCHWARZ | Ersatzteile für GSB 19-2 RE | 2602033900
Hersteller: BOSCH
Artikelnummer: EB-3601A7B570-2602033900
Netto: 6,15 € zzgl. MwSt.
zzgl. 6,90 € Versand (brutto)
einmalig pro Bestellung

Lieferzeit: 5 Werktage

Pos.
890
BOSCH Befestigungssatz | Ersatzteile für GSB 19-2 RE | 2607001305
Hersteller: BOSCH
Artikelnummer: EB-3601A7B570-2607001305
Netto: 5,67 € zzgl. MwSt.
zzgl. 6,90 € Versand (brutto)
einmalig pro Bestellung

Lieferzeit: 5 Werktage

Pos.
891
BOSCH Kreuzschlitzschraube M3x5 | Ersatzteile für GSB 19-2 RE | 2603410046
Hersteller: BOSCH
Artikelnummer: EB-3601A7B570-2603410046
Netto: 4,32 € zzgl. MwSt.
zzgl. 6,90 € Versand (brutto)
einmalig pro Bestellung

Lieferzeit: 5 Werktage

Pos.
895
BOSCH Fetttube Albida | Ersatzteile für GSB 19-2 RE | 3605430003
Hersteller: BOSCH
Artikelnummer: EB-3601A7B570-3605430003
Netto: 24,13 € zzgl. MwSt.
zzgl. 6,90 € Versand (brutto)
einmalig pro Bestellung

Lieferzeit: 5 Werktage

Angaben zur Produktsicherheit

Hersteller:
Robert Bosch Power Tools GmbH
Postfach 30 02 20
70442 Stuttgart

E-Mail:
kontakt@bosch.de