BOSCH Typschild | Ersatzteile für GSB 20-2 | 160111A3H3

Artikelnummer: EB-0601184004-160111A3H3

Position: 808

Marke: BOSCH


Bitte Kompatibilität prüfen!

Bitte prüfen Sie unbedingt die 10-stellige Typennummer Ihrer Maschine / Ihres Gerätes. Das Ersatzteil ist nur kompatibel, wenn Sie die Typennummer Ihrer Maschine in der unten stehenden Produktbeschreibung finden.

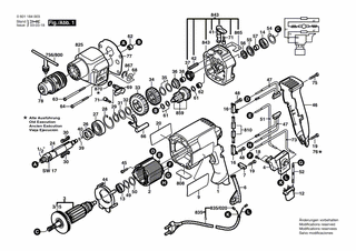
Bitte prüfen Sie ebenfalls detailliert die Explosionszeichnung mit Ihrem Artikelwunsch und der jeweiligen Pos-Nummer.

Alle Elemente, welche vom schwarzen Strich der Pos-Nummer ausgehend berührt / erfasst werden, gehören zu dieser Pos-Nummer und somit zu diesem Artikel. Jede Pos-Nummer ist ein eigenständiger Artikel, welchen Sie in der Auflistung finden.

Sie erhalten stets die aktuellste, neueste Produktversion zu der gewählten Pos-Nummer seitens des Herstellers. Es kann daher je nach Gerätealter vorkommen, dass Sie ggf. weitere, zugehörige Elemente, welche an diese Pos-Nummer grenzen, ebenfalls mittauschen müssen.

Nähere Informationen finden Sie unter dem Link
Hinweise zu Ihrer BOSCH Ersatzteilsuche

Preisübersicht

Einzelpreis: 4,53 €* (Brutto: 5,39 €)
Gesamtpreis: 4,53 €* 
Position:

Lieferzeit: 5 Werktage


Beschreibung

  • Typschild
  • Original Bosch Zubehör / BOSCH Ersatzteil (160111A3H3)
  • im Gerät verbaut: 1
Dieses BOSCH Ersatzteil ist mit folgendem Gerät und Modell kompatibel:
  • BOSCH Gerätename: GSB 20-2
  • BOSCH Explosionszeichnung: Position 808
  • BOSCH Typennummer: 0601184004
  • BOSCH Typennummer alternative Schreibweisen: 0 601 184 004, 0601 184 004, 0.601.184.004, 0-601-184-004
    Bitte prüfen Sie diese Typennummer auf Ihrem Gerät um die Kompatibilität des BOSCH Ersatzteils zu gewährleisten.
Weitere BOSCH Ersatzteile des Gerätes GSB 20-2 (Schlagbohrmaschine) mit der Typennummer 0601184004 finden Sie in der nachfolgenden Darstellung und im Dropdown zu Ihrer Auswahl:

Pos.
753/20
BOSCH Sechskantmutter DIN 934-M6-8-A | Ersatzteile für GSB 20-2 | 2915011007
Hersteller: BOSCH
Artikelnummer: EB-0601184004-2915011007
Netto: 3,63 € zzgl. MwSt.
zzgl. 6,90 € Versand (brutto)
einmalig pro Bestellung

Lieferzeit: 5 Werktage

Pos.
753/30
BOSCH Flügelschraube M6x(15)55 | Ersatzteile für GSB 20-2 | 1613480007
Hersteller: BOSCH
Artikelnummer: EB-0601184004-1613480007
Netto: 3,94 € zzgl. MwSt.
zzgl. 6,90 € Versand (brutto)
einmalig pro Bestellung

Lieferzeit: 5 Werktage

Pos.
753/50
BOSCH Spannplatte M6 | Ersatzteile für GSB 20-2 | 2608040014
Hersteller: BOSCH
Artikelnummer: EB-0601184004-2608040014
nur Informationsartikel
Nie mehr lieferbar
keine Alternativen
Pos.
753/60
BOSCH Flügelschraube M6x20 MM | Ersatzteile für GSB 20-2 | 1613480008
Hersteller: BOSCH
Artikelnummer: EB-0601184004-1613480008
Netto: 3,94 € zzgl. MwSt.
zzgl. 6,90 € Versand (brutto)
einmalig pro Bestellung

Lieferzeit: 5 Werktage

Pos.
756/800
BOSCH Bohrfutterschlüssel SG2 | Ersatzteile für GSB 20-2 | 2607950007
Hersteller: BOSCH
Artikelnummer: EB-0601184004-2607950007
Netto: 7,30 € zzgl. MwSt.
zzgl. 6,90 € Versand (brutto)
einmalig pro Bestellung

Lieferzeit: 5 Werktage

Pos.
835/020
BOSCH Aderendhülse DIN 46 228-A1-6 | Ersatzteile für GSB 20-2 | 1900452012
Hersteller: BOSCH
Artikelnummer: EB-0601184004-1900452012
Netto: 3,94 € zzgl. MwSt.
zzgl. 6,90 € Versand (brutto)
einmalig pro Bestellung

Lieferzeit: 5 Werktage

Pos.
2
BOSCH Polschuh 220-240V | Ersatzteile für GSB 20-2 | 1604220254
Hersteller: BOSCH
Artikelnummer: EB-0601184004-1604220254
Netto: 19,18 € zzgl. MwSt.
zzgl. 6,90 € Versand (brutto)
einmalig pro Bestellung

Lieferzeit: 5 Werktage

Pos.
6
BOSCH Tülle Ø6,9 MM | Ersatzteile für GSB 20-2 | 2600707059
Hersteller: BOSCH
Artikelnummer: EB-0601184004-2600707059
Netto: 5,19 € zzgl. MwSt.
zzgl. 6,90 € Versand (brutto)
einmalig pro Bestellung

Lieferzeit: 5 Werktage

Pos.
7
BOSCH Leitungshalter | Ersatzteile für GSB 20-2 | 2601035001
Hersteller: BOSCH
Artikelnummer: EB-0601184004-2601035001
Netto: 3,94 € zzgl. MwSt.
zzgl. 6,90 € Versand (brutto)
einmalig pro Bestellung

Lieferzeit: 5 Werktage

Pos.
13
BOSCH Kugellager 7x22x7 | Ersatzteile für GSB 20-2 | 1900905018
Hersteller: BOSCH
Artikelnummer: EB-0601184004-1900905018
Netto: 15,75 € zzgl. MwSt.
zzgl. 6,90 € Versand (brutto)
einmalig pro Bestellung

Lieferzeit: 5 Werktage

Pos.
14
BOSCH Kugellager 9x24x7 | Ersatzteile für GSB 20-2 | 2600905095
Hersteller: BOSCH
Artikelnummer: EB-0601184004-2600905095
Netto: 10,92 € zzgl. MwSt.
zzgl. 6,90 € Versand (brutto)
einmalig pro Bestellung

Lieferzeit: 5 Werktage

Pos.
18
BOSCH Zylinderschraube M3x6,5-4.8 | Ersatzteile für GSB 20-2 | 2603410001
Hersteller: BOSCH
Artikelnummer: EB-0601184004-2603410001
Netto: 3,94 € zzgl. MwSt.
zzgl. 6,90 € Versand (brutto)
einmalig pro Bestellung

Lieferzeit: 5 Werktage

Pos.
19
BOSCH Schraube 4x16 | Ersatzteile für GSB 20-2 | 2603490022
Hersteller: BOSCH
Artikelnummer: EB-0601184004-2603490022
Netto: 3,63 € zzgl. MwSt.
zzgl. 6,90 € Versand (brutto)
einmalig pro Bestellung

Lieferzeit: 5 Werktage

Pos.
27
BOSCH Rillenkugellager 17x35x10 | Ersatzteile für GSB 20-2 | 1900905163
Hersteller: BOSCH
Artikelnummer: EB-0601184004-1900905163
Netto: 9,95 € zzgl. MwSt.
zzgl. 6,90 € Versand (brutto)
einmalig pro Bestellung

Lieferzeit: 5 Werktage

Pos.
28
BOSCH Sicherungsring DIN 472 35x1,5 MM | Ersatzteile für GSB 20-2 | 2916660014
Hersteller: BOSCH
Artikelnummer: EB-0601184004-2916660014
Netto: 3,94 € zzgl. MwSt.
zzgl. 6,90 € Versand (brutto)
einmalig pro Bestellung

Lieferzeit: 5 Werktage

Pos.
29
BOSCH Sicherungsring DIN 471 17x1 MM | Ersatzteile für GSB 20-2 | 2916650008
Hersteller: BOSCH
Artikelnummer: EB-0601184004-2916650008
Netto: 3,94 € zzgl. MwSt.
zzgl. 6,90 € Versand (brutto)
einmalig pro Bestellung

Lieferzeit: 5 Werktage

Pos.
36
BOSCH Rastscheibe | Ersatzteile für GSB 20-2 | 2600190052
Hersteller: BOSCH
Artikelnummer: EB-0601184004-2600190052
nur Informationsartikel
Nie mehr lieferbar
keine Alternativen
Pos.
38
BOSCH Nadellager Ø8x8 MM | Ersatzteile für GSB 20-2 | 2600917003
Hersteller: BOSCH
Artikelnummer: EB-0601184004-2600917003
Netto: 4,82 € zzgl. MwSt.
zzgl. 6,90 € Versand (brutto)
einmalig pro Bestellung

Lieferzeit: 5 Werktage

Pos.
39
BOSCH Distanzscheibe 0,5 MM | Ersatzteile für GSB 20-2 | 2600000014
Hersteller: BOSCH
Artikelnummer: EB-0601184004-2600000014
Netto: 3,63 € zzgl. MwSt.
zzgl. 6,90 € Versand (brutto)
einmalig pro Bestellung

Lieferzeit: 5 Werktage

Pos.
39
BOSCH Distanzscheibe 1,35 MM | Ersatzteile für GSB 20-2 | 2600000030
Hersteller: BOSCH
Artikelnummer: EB-0601184004-2600000030
Netto: 3,94 € zzgl. MwSt.
zzgl. 6,90 € Versand (brutto)
einmalig pro Bestellung

Lieferzeit: 5 Werktage

Pos.
42
BOSCH Spannstift 4x30 MM DIN 7346 | Ersatzteile für GSB 20-2 | 2917780105
Hersteller: BOSCH
Artikelnummer: EB-0601184004-2917780105
Netto: 3,63 € zzgl. MwSt.
zzgl. 6,90 € Versand (brutto)
einmalig pro Bestellung

Lieferzeit: 5 Werktage

Pos.
48
BOSCH Torx-Linsenschraube 3x10 | Ersatzteile für GSB 20-2 | 2603490017
Hersteller: BOSCH
Artikelnummer: EB-0601184004-2603490017
Netto: 4,32 € zzgl. MwSt.
zzgl. 6,90 € Versand (brutto)
einmalig pro Bestellung

Lieferzeit: 5 Werktage

Pos.
49
BOSCH Ausgleichscheibe | Ersatzteile für GSB 20-2 | 2600150004
Hersteller: BOSCH
Artikelnummer: EB-0601184004-2600150004
Netto: 4,32 € zzgl. MwSt.
zzgl. 6,90 € Versand (brutto)
einmalig pro Bestellung

Lieferzeit: 5 Werktage

Pos.
50
BOSCH Distanzscheibe 0,3 MM | Ersatzteile für GSB 20-2 | 2600101027
Hersteller: BOSCH
Artikelnummer: EB-0601184004-2600101027
Netto: 3,94 € zzgl. MwSt.
zzgl. 6,90 € Versand (brutto)
einmalig pro Bestellung

Lieferzeit: 5 Werktage

Pos.
51
BOSCH Elektr Leitung L=130 MM WEISS | Ersatzteile für GSB 20-2 | 2604448005
Hersteller: BOSCH
Artikelnummer: EB-0601184004-2604448005
Netto: 3,94 € zzgl. MwSt.
zzgl. 6,90 € Versand (brutto)
einmalig pro Bestellung

Lieferzeit: 5 Werktage

Pos.
52
BOSCH Verbindungskabel L=96MM WEISS | Ersatzteile für GSB 20-2 | 2604448133
Hersteller: BOSCH
Artikelnummer: EB-0601184004-2604448133
nur Informationsartikel
Nie mehr lieferbar
keine Alternativen
Pos.
54
BOSCH Sicherungsring DIN 472-24x1,2 MM | Ersatzteile für GSB 20-2 | 2916660008
Hersteller: BOSCH
Artikelnummer: EB-0601184004-2916660008
Netto: 4,32 € zzgl. MwSt.
zzgl. 6,90 € Versand (brutto)
einmalig pro Bestellung

Lieferzeit: 5 Werktage

Pos.
55
BOSCH Tellerscheibe | Ersatzteile für GSB 20-2 | 2600500002
Hersteller: BOSCH
Artikelnummer: EB-0601184004-2600500002
Netto: 3,94 € zzgl. MwSt.
zzgl. 6,90 € Versand (brutto)
einmalig pro Bestellung

Lieferzeit: 5 Werktage

Pos.
62
BOSCH Nadellager Ø6 MM | Ersatzteile für GSB 20-2 | 2600914010
Hersteller: BOSCH
Artikelnummer: EB-0601184004-2600914010
Netto: 4,82 € zzgl. MwSt.
zzgl. 6,90 € Versand (brutto)
einmalig pro Bestellung

Lieferzeit: 5 Werktage

Pos.
63
BOSCH Schaftschraube | Ersatzteile für GSB 20-2 | 2603435070
Hersteller: BOSCH
Artikelnummer: EB-0601184004-2603435070
nur Informationsartikel
Nie mehr lieferbar
keine Alternativen
Pos.
68
BOSCH Distanzscheibe | Ersatzteile für GSB 20-2 | 2600100618
Hersteller: BOSCH
Artikelnummer: EB-0601184004-2600100618
Netto: 3,63 € zzgl. MwSt.
zzgl. 6,90 € Versand (brutto)
einmalig pro Bestellung

Lieferzeit: 5 Werktage

Pos.
71
BOSCH Rastkappe | Ersatzteile für GSB 20-2 | 2600590006
Hersteller: BOSCH
Artikelnummer: EB-0601184004-2600590006
Netto: 3,94 € zzgl. MwSt.
zzgl. 6,90 € Versand (brutto)
einmalig pro Bestellung

Lieferzeit: 5 Werktage

Pos.
75
BOSCH Torx-Linsenschraube 4x25 | Ersatzteile für GSB 20-2 | 2603490024
Hersteller: BOSCH
Artikelnummer: EB-0601184004-2603490024
Netto: 3,94 € zzgl. MwSt.
zzgl. 6,90 € Versand (brutto)
einmalig pro Bestellung

Lieferzeit: 5 Werktage

Pos.
76
BOSCH Torx-Linsenschraube 4x20 | Ersatzteile für GSB 20-2 | 2603490023
Hersteller: BOSCH
Artikelnummer: EB-0601184004-2603490023
Netto: 3,63 € zzgl. MwSt.
zzgl. 6,90 € Versand (brutto)
einmalig pro Bestellung

Lieferzeit: 5 Werktage

Pos.
77
BOSCH Flachdichtung | Ersatzteile für GSB 20-2 | 2601073012
Hersteller: BOSCH
Artikelnummer: EB-0601184004-2601073012
Netto: 3,63 € zzgl. MwSt.
zzgl. 6,90 € Versand (brutto)
einmalig pro Bestellung

Lieferzeit: 5 Werktage

Pos.
78
BOSCH Zahnkranzbohrfutter Ø1,5-13 MM | Ersatzteile für GSB 20-2 | 1608571080
Hersteller: BOSCH
Artikelnummer: EB-0601184004-1608571080
Netto: 24,13 € zzgl. MwSt.
zzgl. 6,90 € Versand (brutto)
einmalig pro Bestellung

Lieferzeit: 5 Werktage

Pos.
753
BOSCH Zusatzhandgriff | Ersatzteile für GSB 20-2 | 1619PB4323
Hersteller: BOSCH
Artikelnummer: EB-0601184004-1619PB4323
Netto: 9,18 € zzgl. MwSt.
zzgl. 6,90 € Versand (brutto)
einmalig pro Bestellung

Lieferzeit: 5 Werktage

Pos.
753
BOSCH Zusatzhandgriff Ø43 MM SCHWARZ | Ersatzteile für GSB 20-2 | 1612025031
Hersteller: BOSCH
Artikelnummer: EB-0601184004-1612025031
nur Informationsartikel
Nie mehr lieferbar
keine Alternativen
Pos.
754
BOSCH Tiefenanschlag | Ersatzteile für GSB 20-2 | 2603001019
Hersteller: BOSCH
Artikelnummer: EB-0601184004-2603001019
Netto: 6,08 € zzgl. MwSt.
zzgl. 6,90 € Versand (brutto)
einmalig pro Bestellung

Lieferzeit: 5 Werktage

Pos.
808
BOSCH Typschild | Ersatzteile für GSB 20-2 | 160111A3H3
Hersteller: BOSCH
Artikelnummer: EB-0601184004-160111A3H3
Netto: 4,53 € zzgl. MwSt.
zzgl. 6,90 € Versand (brutto)
einmalig pro Bestellung

Lieferzeit: 5 Werktage

Pos.
810
BOSCH Kohlebürstensatz | Ersatzteile für GSB 20-2 | 2604321905
Hersteller: BOSCH
Artikelnummer: EB-0601184004-2604321905
Netto: 9,18 € zzgl. MwSt.
zzgl. 6,90 € Versand (brutto)
einmalig pro Bestellung

Lieferzeit: 5 Werktage

Pos.
835
BOSCH Netzanschlussleitung EU 2,6m 2 x 1,0 mm | Ersatzteile für GSB 20-2 | 1607000385
Hersteller: BOSCH
Artikelnummer: EB-0601184004-1607000385
Netto: 12,98 € zzgl. MwSt.
zzgl. 6,90 € Versand (brutto)
einmalig pro Bestellung

Lieferzeit: 5 Werktage

Pos.
870
BOSCH Teilesatz | Ersatzteile für GSB 20-2 | 2607010226
Hersteller: BOSCH
Artikelnummer: EB-0601184004-2607010226
nur Informationsartikel
Nie mehr lieferbar
keine Alternativen

Angaben zur Produktsicherheit

Hersteller:
Robert Bosch Power Tools GmbH
Postfach 30 02 20
70442 Stuttgart

E-Mail:
kontakt@bosch.de