BOSCH Torx-Linsenschraube 4x20 | Ersatzteile für GSB 20-2 | 2603490023

Artikelnummer: EB-0601184034-2603490023

Position: 76

Marke: BOSCH


Bitte Kompatibilität prüfen!

Bitte prüfen Sie unbedingt die 10-stellige Typennummer Ihrer Maschine / Ihres Gerätes. Das Ersatzteil ist nur kompatibel, wenn Sie die Typennummer Ihrer Maschine in der unten stehenden Produktbeschreibung finden.

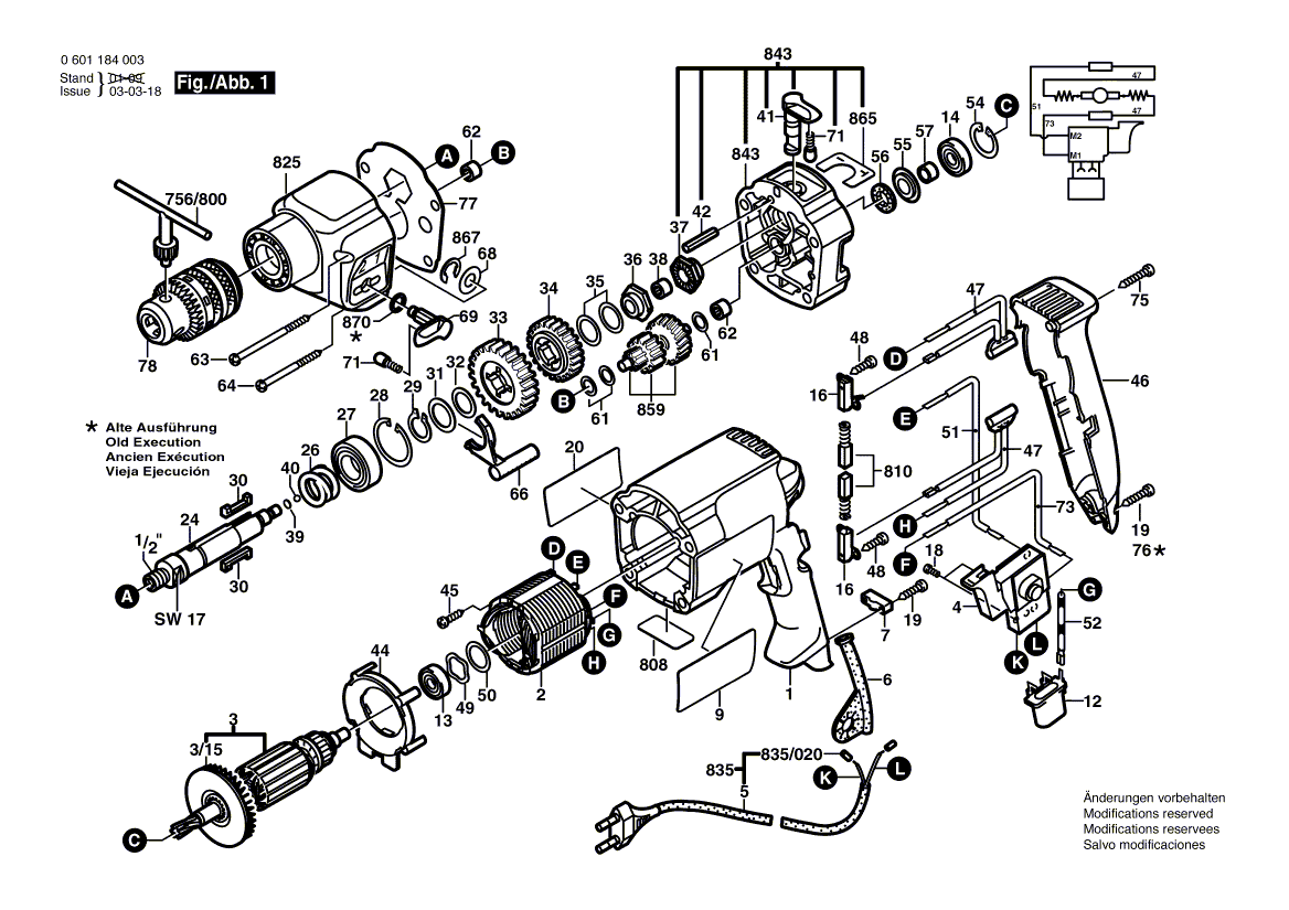
Bitte prüfen Sie ebenfalls detailliert die Explosionszeichnung mit Ihrem Artikelwunsch und der jeweiligen Pos-Nummer.

Alle Elemente, welche vom schwarzen Strich der Pos-Nummer ausgehend berührt / erfasst werden, gehören zu dieser Pos-Nummer und somit zu diesem Artikel. Jede Pos-Nummer ist ein eigenständiger Artikel, welchen Sie in der Auflistung finden.

Sie erhalten stets die aktuellste, neueste Produktversion zu der gewählten Pos-Nummer seitens des Herstellers. Es kann daher je nach Gerätealter vorkommen, dass Sie ggf. weitere, zugehörige Elemente, welche an diese Pos-Nummer grenzen, ebenfalls mittauschen müssen.

Nähere Informationen finden Sie unter dem Link
Hinweise zu Ihrer BOSCH Ersatzteilsuche

Preisübersicht

Einzelpreis: 3,63 €* (Brutto: 4,32 €)
Gesamtpreis: 3,63 €* 
Position:

Lieferzeit: 5 Werktage


Beschreibung

  • Torx-Linsenschraube 4x20
  • Original Bosch Zubehör / BOSCH Ersatzteil (2603490023)
  • im Gerät verbaut: 1
Dieses BOSCH Ersatzteil ist mit folgendem Gerät und Modell kompatibel:
  • BOSCH Gerätename: GSB 20-2
  • BOSCH Explosionszeichnung: Position 76
  • BOSCH Typennummer: 0601184034
  • BOSCH Typennummer alternative Schreibweisen: 0 601 184 034, 0601 184 034, 0.601.184.034, 0-601-184-034
    Bitte prüfen Sie diese Typennummer auf Ihrem Gerät um die Kompatibilität des BOSCH Ersatzteils zu gewährleisten.
Weitere BOSCH Ersatzteile des Gerätes GSB 20-2 (Schlagbohrmaschine) mit der Typennummer 0601184034 finden Sie in der nachfolgenden Darstellung und im Dropdown zu Ihrer Auswahl:

Pos.
1
BOSCH Motorgehäuse BLAU | Ersatzteile für GSB 20-2 | 2605104309
Hersteller: BOSCH
Artikelnummer: EB-0601184034-2605104309
Netto: 21,16 € zzgl. MwSt.
zzgl. 6,90 € Versand (brutto)
einmalig pro Bestellung

Lieferzeit: 5 Werktage

Pos.
3/15
BOSCH Lüfter | Ersatzteile für GSB 20-2 | 2606610029
Hersteller: BOSCH
Artikelnummer: EB-0601184034-2606610029
Netto: 4,53 € zzgl. MwSt.
zzgl. 6,90 € Versand (brutto)
einmalig pro Bestellung

Lieferzeit: 5 Werktage

Pos.
753/20
BOSCH Sechskantmutter DIN 934-M6-8-A | Ersatzteile für GSB 20-2 | 2915011007
Hersteller: BOSCH
Artikelnummer: EB-0601184034-2915011007
Netto: 3,63 € zzgl. MwSt.
zzgl. 6,90 € Versand (brutto)
einmalig pro Bestellung

Lieferzeit: 5 Werktage

Pos.
753/30
BOSCH Flügelschraube M6x(15)55 | Ersatzteile für GSB 20-2 | 1613480007
Hersteller: BOSCH
Artikelnummer: EB-0601184034-1613480007
Netto: 3,94 € zzgl. MwSt.
zzgl. 6,90 € Versand (brutto)
einmalig pro Bestellung

Lieferzeit: 5 Werktage

Pos.
753/50
BOSCH Spannplatte M6 | Ersatzteile für GSB 20-2 | 2608040014
Hersteller: BOSCH
Artikelnummer: EB-0601184034-2608040014
nur Informationsartikel
Nie mehr lieferbar
keine Alternativen
Pos.
753/60
BOSCH Flügelschraube M6x20 MM | Ersatzteile für GSB 20-2 | 1613480008
Hersteller: BOSCH
Artikelnummer: EB-0601184034-1613480008
Netto: 3,94 € zzgl. MwSt.
zzgl. 6,90 € Versand (brutto)
einmalig pro Bestellung

Lieferzeit: 5 Werktage

Pos.
756/800
BOSCH Bohrfutterschlüssel SG2 | Ersatzteile für GSB 20-2 | 2607950007
Hersteller: BOSCH
Artikelnummer: EB-0601184034-2607950007
Netto: 7,30 € zzgl. MwSt.
zzgl. 6,90 € Versand (brutto)
einmalig pro Bestellung

Lieferzeit: 5 Werktage

Pos.
2
BOSCH Polschuh 100-115V | Ersatzteile für GSB 20-2 | 2604220482
Hersteller: BOSCH
Artikelnummer: EB-0601184034-2604220482
nur Informationsartikel
Nie mehr lieferbar
keine Alternativen
Pos.
3
BOSCH Anker 110-115V | Ersatzteile für GSB 20-2 | 2604010791
Hersteller: BOSCH
Artikelnummer: EB-0601184034-2604010791
nur Informationsartikel
Nie mehr lieferbar
keine Alternativen
Pos.
4
BOSCH Schalter | Ersatzteile für GSB 20-2 | 2607200260
Hersteller: BOSCH
Artikelnummer: EB-0601184034-2607200260
Netto: 9,18 € zzgl. MwSt.
zzgl. 6,90 € Versand (brutto)
einmalig pro Bestellung

Lieferzeit: 5 Werktage

Pos.
5
BOSCH Netzanschlussleitung USA/CDN 2,15m 2 x 0,82mm SJ 18/2 | Ersatzteile für GSB 20-2 | 2604460122
Hersteller: BOSCH
Artikelnummer: EB-0601184034-2604460122
nur Informationsartikel
Nie mehr lieferbar
keine Alternativen
Pos.
6
BOSCH Tülle Ø11,6-Ø12,5x84 MM | Ersatzteile für GSB 20-2 | 2600707060
Hersteller: BOSCH
Artikelnummer: EB-0601184034-2600707060
Netto: 4,53 € zzgl. MwSt.
zzgl. 6,90 € Versand (brutto)
einmalig pro Bestellung

Lieferzeit: 5 Werktage

Pos.
6
BOSCH Tülle Ø8,8 MM | Ersatzteile für GSB 20-2 | 2600707061
Hersteller: BOSCH
Artikelnummer: EB-0601184034-2600707061
nur Informationsartikel
Nie mehr lieferbar
keine Alternativen
Pos.
7
BOSCH Leitungshalter | Ersatzteile für GSB 20-2 | 2601035001
Hersteller: BOSCH
Artikelnummer: EB-0601184034-2601035001
Netto: 3,94 € zzgl. MwSt.
zzgl. 6,90 € Versand (brutto)
einmalig pro Bestellung

Lieferzeit: 5 Werktage

Pos.
9
BOSCH Firmenschild | Ersatzteile für GSB 20-2 | 2601118689
Hersteller: BOSCH
Artikelnummer: EB-0601184034-2601118689
nur Informationsartikel
Nie mehr lieferbar
keine Alternativen
Pos.
13
BOSCH Kugellager 7x22x7 | Ersatzteile für GSB 20-2 | 1900905018
Hersteller: BOSCH
Artikelnummer: EB-0601184034-1900905018
Netto: 15,75 € zzgl. MwSt.
zzgl. 6,90 € Versand (brutto)
einmalig pro Bestellung

Lieferzeit: 5 Werktage

Pos.
14
BOSCH Kugellager 9x24x7 | Ersatzteile für GSB 20-2 | 2600905095
Hersteller: BOSCH
Artikelnummer: EB-0601184034-2600905095
Netto: 10,92 € zzgl. MwSt.
zzgl. 6,90 € Versand (brutto)
einmalig pro Bestellung

Lieferzeit: 5 Werktage

Pos.
16
BOSCH Bürstenhalter | Ersatzteile für GSB 20-2 | 2604337003
Hersteller: BOSCH
Artikelnummer: EB-0601184034-2604337003
Netto: 4,32 € zzgl. MwSt.
zzgl. 6,90 € Versand (brutto)
einmalig pro Bestellung

Lieferzeit: 5 Werktage

Pos.
18
BOSCH Zylinderschraube M3x6,5-4.8 | Ersatzteile für GSB 20-2 | 2603410001
Hersteller: BOSCH
Artikelnummer: EB-0601184034-2603410001
Netto: 3,94 € zzgl. MwSt.
zzgl. 6,90 € Versand (brutto)
einmalig pro Bestellung

Lieferzeit: 5 Werktage

Pos.
19
BOSCH Schraube 4x16 | Ersatzteile für GSB 20-2 | 2603490022
Hersteller: BOSCH
Artikelnummer: EB-0601184034-2603490022
Netto: 3,63 € zzgl. MwSt.
zzgl. 6,90 € Versand (brutto)
einmalig pro Bestellung

Lieferzeit: 5 Werktage

Pos.
20
BOSCH Hinweisschild SCHATTENSEITE | Ersatzteile für GSB 20-2 | 2601118697
Hersteller: BOSCH
Artikelnummer: EB-0601184034-2601118697
nur Informationsartikel
Nie mehr lieferbar
keine Alternativen
Pos.
24
BOSCH Bohrspindel 1/2" | Ersatzteile für GSB 20-2 | 2606135013
Hersteller: BOSCH
Artikelnummer: EB-0601184034-2606135013
nur Informationsartikel
Nie mehr lieferbar
keine Alternativen
Pos.
26
BOSCH Druckfeder | Ersatzteile für GSB 20-2 | 2604616002
Hersteller: BOSCH
Artikelnummer: EB-0601184034-2604616002
Netto: 3,94 € zzgl. MwSt.
zzgl. 6,90 € Versand (brutto)
einmalig pro Bestellung

Lieferzeit: 5 Werktage

Pos.
27
BOSCH Rillenkugellager 17x35x10 | Ersatzteile für GSB 20-2 | 1900905163
Hersteller: BOSCH
Artikelnummer: EB-0601184034-1900905163
Netto: 9,95 € zzgl. MwSt.
zzgl. 6,90 € Versand (brutto)
einmalig pro Bestellung

Lieferzeit: 5 Werktage

Pos.
28
BOSCH Sicherungsring DIN 472 35x1,5 MM | Ersatzteile für GSB 20-2 | 2916660014
Hersteller: BOSCH
Artikelnummer: EB-0601184034-2916660014
Netto: 3,94 € zzgl. MwSt.
zzgl. 6,90 € Versand (brutto)
einmalig pro Bestellung

Lieferzeit: 5 Werktage

Pos.
29
BOSCH Sicherungsring DIN 471 17x1 MM | Ersatzteile für GSB 20-2 | 2916650008
Hersteller: BOSCH
Artikelnummer: EB-0601184034-2916650008
Netto: 3,94 € zzgl. MwSt.
zzgl. 6,90 € Versand (brutto)
einmalig pro Bestellung

Lieferzeit: 5 Werktage

Pos.
30
BOSCH Flachkeil | Ersatzteile für GSB 20-2 | 2602300028
Hersteller: BOSCH
Artikelnummer: EB-0601184034-2602300028
nur Informationsartikel
Nie mehr lieferbar
keine Alternativen
Pos.
31
BOSCH Haltescheibe | Ersatzteile für GSB 20-2 | 2600101671
Hersteller: BOSCH
Artikelnummer: EB-0601184034-2600101671
Netto: 3,94 € zzgl. MwSt.
zzgl. 6,90 € Versand (brutto)
einmalig pro Bestellung

Lieferzeit: 5 Werktage

Pos.
32
BOSCH Ausgleichscheibe 1,0 MM | Ersatzteile für GSB 20-2 | 2600101515
Hersteller: BOSCH
Artikelnummer: EB-0601184034-2600101515
Netto: 3,63 € zzgl. MwSt.
zzgl. 6,90 € Versand (brutto)
einmalig pro Bestellung

Lieferzeit: 5 Werktage

Pos.
33
BOSCH Stirnrad Z=48 | Ersatzteile für GSB 20-2 | 2606317045
Hersteller: BOSCH
Artikelnummer: EB-0601184034-2606317045
Netto: 9,95 € zzgl. MwSt.
zzgl. 6,90 € Versand (brutto)
einmalig pro Bestellung

Lieferzeit: 5 Werktage

Pos.
34
BOSCH Stirnrad Z=36 | Ersatzteile für GSB 20-2 | 2606317037
Hersteller: BOSCH
Artikelnummer: EB-0601184034-2606317037
nur Informationsartikel
Nie mehr lieferbar
keine Alternativen
Pos.
35
BOSCH Ausgleichscheibe 0,3 MM | Ersatzteile für GSB 20-2 | 2600101617
Hersteller: BOSCH
Artikelnummer: EB-0601184034-2600101617
nur Informationsartikel
Nie mehr lieferbar
keine Alternativen
Pos.
35
BOSCH Ausgleichscheibe 0,5 MM | Ersatzteile für GSB 20-2 | 2600101616
Hersteller: BOSCH
Artikelnummer: EB-0601184034-2600101616
Netto: 4,82 € zzgl. MwSt.
zzgl. 6,90 € Versand (brutto)
einmalig pro Bestellung

Lieferzeit: 5 Werktage

Pos.
36
BOSCH Rastscheibe | Ersatzteile für GSB 20-2 | 2600190052
Hersteller: BOSCH
Artikelnummer: EB-0601184034-2600190052
nur Informationsartikel
Nie mehr lieferbar
keine Alternativen
Pos.
37
BOSCH Rastscheibe | Ersatzteile für GSB 20-2 | 2600190057
Hersteller: BOSCH
Artikelnummer: EB-0601184034-2600190057
nur Informationsartikel
Nie mehr lieferbar
keine Alternativen
Pos.
38
BOSCH Nadellager Ø8x8 MM | Ersatzteile für GSB 20-2 | 2600917003
Hersteller: BOSCH
Artikelnummer: EB-0601184034-2600917003
Netto: 4,82 € zzgl. MwSt.
zzgl. 6,90 € Versand (brutto)
einmalig pro Bestellung

Lieferzeit: 5 Werktage

Pos.
39
BOSCH Distanzscheibe 0,2 MM | Ersatzteile für GSB 20-2 | 2600000012
Hersteller: BOSCH
Artikelnummer: EB-0601184034-2600000012
Netto: 3,63 € zzgl. MwSt.
zzgl. 6,90 € Versand (brutto)
einmalig pro Bestellung

Lieferzeit: 5 Werktage

Pos.
39
BOSCH Distanzscheibe 0,5 MM | Ersatzteile für GSB 20-2 | 2600000014
Hersteller: BOSCH
Artikelnummer: EB-0601184034-2600000014
Netto: 3,63 € zzgl. MwSt.
zzgl. 6,90 € Versand (brutto)
einmalig pro Bestellung

Lieferzeit: 5 Werktage

Pos.
39
BOSCH Distanzscheibe 1,35 MM | Ersatzteile für GSB 20-2 | 2600000030
Hersteller: BOSCH
Artikelnummer: EB-0601184034-2600000030
Netto: 3,94 € zzgl. MwSt.
zzgl. 6,90 € Versand (brutto)
einmalig pro Bestellung

Lieferzeit: 5 Werktage

Pos.
40
BOSCH Kugel DIN 5401-5,5MM-III-ST | Ersatzteile für GSB 20-2 | 1903230010
Hersteller: BOSCH
Artikelnummer: EB-0601184034-1903230010
Netto: 3,63 € zzgl. MwSt.
zzgl. 6,90 € Versand (brutto)
einmalig pro Bestellung

Lieferzeit: 5 Werktage

Pos.
41
BOSCH Drehknopf | Ersatzteile für GSB 20-2 | 2602026017
Hersteller: BOSCH
Artikelnummer: EB-0601184034-2602026017
Netto: 7,76 € zzgl. MwSt.
zzgl. 6,90 € Versand (brutto)
einmalig pro Bestellung

Lieferzeit: 5 Werktage

Pos.
42
BOSCH Spannstift 4x30 MM DIN 7346 | Ersatzteile für GSB 20-2 | 2917780105
Hersteller: BOSCH
Artikelnummer: EB-0601184034-2917780105
Netto: 3,63 € zzgl. MwSt.
zzgl. 6,90 € Versand (brutto)
einmalig pro Bestellung

Lieferzeit: 5 Werktage

Pos.
44
BOSCH Abdeckscheibe | Ersatzteile für GSB 20-2 | 2601328033
Hersteller: BOSCH
Artikelnummer: EB-0601184034-2601328033
nur Informationsartikel
Nie mehr lieferbar
keine Alternativen
Pos.
45
BOSCH Blechschraube | Ersatzteile für GSB 20-2 | 2603435086
Hersteller: BOSCH
Artikelnummer: EB-0601184034-2603435086
Netto: 3,63 € zzgl. MwSt.
zzgl. 6,90 € Versand (brutto)
einmalig pro Bestellung

Lieferzeit: 5 Werktage

Pos.
46
BOSCH Gehäusedeckel BLAU | Ersatzteile für GSB 20-2 | 2605132049
Hersteller: BOSCH
Artikelnummer: EB-0601184034-2605132049
Netto: 7,58 € zzgl. MwSt.
zzgl. 6,90 € Versand (brutto)
einmalig pro Bestellung

Lieferzeit: 5 Werktage

Pos.
47
BOSCH Entstörfilter | Ersatzteile für GSB 20-2 | 2604465068
Hersteller: BOSCH
Artikelnummer: EB-0601184034-2604465068
nur Informationsartikel
Nie mehr lieferbar
keine Alternativen
Pos.
48
BOSCH Torx-Linsenschraube 3x10 | Ersatzteile für GSB 20-2 | 2603490017
Hersteller: BOSCH
Artikelnummer: EB-0601184034-2603490017
Netto: 4,32 € zzgl. MwSt.
zzgl. 6,90 € Versand (brutto)
einmalig pro Bestellung

Lieferzeit: 5 Werktage

Pos.
49
BOSCH Ausgleichscheibe | Ersatzteile für GSB 20-2 | 2600150004
Hersteller: BOSCH
Artikelnummer: EB-0601184034-2600150004
Netto: 4,32 € zzgl. MwSt.
zzgl. 6,90 € Versand (brutto)
einmalig pro Bestellung

Lieferzeit: 5 Werktage

Pos.
50
BOSCH Distanzscheibe 0,2 MM | Ersatzteile für GSB 20-2 | 2600101665
Hersteller: BOSCH
Artikelnummer: EB-0601184034-2600101665
Netto: 3,94 € zzgl. MwSt.
zzgl. 6,90 € Versand (brutto)
einmalig pro Bestellung

Lieferzeit: 5 Werktage

Pos.
50
BOSCH Distanzscheibe 0,3 MM | Ersatzteile für GSB 20-2 | 2600101027
Hersteller: BOSCH
Artikelnummer: EB-0601184034-2600101027
Netto: 3,94 € zzgl. MwSt.
zzgl. 6,90 € Versand (brutto)
einmalig pro Bestellung

Lieferzeit: 5 Werktage

Pos.
50
BOSCH Distanzscheibe 0,5 MM | Ersatzteile für GSB 20-2 | 2600101667
Hersteller: BOSCH
Artikelnummer: EB-0601184034-2600101667
Netto: 3,94 € zzgl. MwSt.
zzgl. 6,90 € Versand (brutto)
einmalig pro Bestellung

Lieferzeit: 5 Werktage

Pos.
51
BOSCH Elektr Leitung L=130 MM WEISS | Ersatzteile für GSB 20-2 | 2604448005
Hersteller: BOSCH
Artikelnummer: EB-0601184034-2604448005
Netto: 3,94 € zzgl. MwSt.
zzgl. 6,90 € Versand (brutto)
einmalig pro Bestellung

Lieferzeit: 5 Werktage

Pos.
52
BOSCH Verbindungskabel L=96MM WEISS | Ersatzteile für GSB 20-2 | 2604448133
Hersteller: BOSCH
Artikelnummer: EB-0601184034-2604448133
nur Informationsartikel
Nie mehr lieferbar
keine Alternativen
Pos.
54
BOSCH Sicherungsring DIN 472-24x1,2 MM | Ersatzteile für GSB 20-2 | 2916660008
Hersteller: BOSCH
Artikelnummer: EB-0601184034-2916660008
Netto: 4,32 € zzgl. MwSt.
zzgl. 6,90 € Versand (brutto)
einmalig pro Bestellung

Lieferzeit: 5 Werktage

Pos.
55
BOSCH Tellerscheibe | Ersatzteile für GSB 20-2 | 2600500002
Hersteller: BOSCH
Artikelnummer: EB-0601184034-2600500002
Netto: 3,94 € zzgl. MwSt.
zzgl. 6,90 € Versand (brutto)
einmalig pro Bestellung

Lieferzeit: 5 Werktage

Pos.
56
BOSCH Filzring | Ersatzteile für GSB 20-2 | 2600108077
Hersteller: BOSCH
Artikelnummer: EB-0601184034-2600108077
Netto: 3,94 € zzgl. MwSt.
zzgl. 6,90 € Versand (brutto)
einmalig pro Bestellung

Lieferzeit: 5 Werktage

Pos.
57
BOSCH Steckhülse | Ersatzteile für GSB 20-2 | 2600400008
Hersteller: BOSCH
Artikelnummer: EB-0601184034-2600400008
Netto: 3,94 € zzgl. MwSt.
zzgl. 6,90 € Versand (brutto)
einmalig pro Bestellung

Lieferzeit: 5 Werktage

Pos.
61
BOSCH Ausgleichscheibe 0,3 MM | Ersatzteile für GSB 20-2 | 2600100607
Hersteller: BOSCH
Artikelnummer: EB-0601184034-2600100607
Netto: 3,94 € zzgl. MwSt.
zzgl. 6,90 € Versand (brutto)
einmalig pro Bestellung

Lieferzeit: 5 Werktage

Pos.
62
BOSCH Nadellager Ø6 MM | Ersatzteile für GSB 20-2 | 2600914010
Hersteller: BOSCH
Artikelnummer: EB-0601184034-2600914010
Netto: 4,82 € zzgl. MwSt.
zzgl. 6,90 € Versand (brutto)
einmalig pro Bestellung

Lieferzeit: 5 Werktage

Pos.
63
BOSCH Schaftschraube | Ersatzteile für GSB 20-2 | 2603435070
Hersteller: BOSCH
Artikelnummer: EB-0601184034-2603435070
nur Informationsartikel
Nie mehr lieferbar
keine Alternativen
Pos.
64
BOSCH Schaftschraube 65 MM | Ersatzteile für GSB 20-2 | 2603435071
Hersteller: BOSCH
Artikelnummer: EB-0601184034-2603435071
nur Informationsartikel
Nie mehr lieferbar
keine Alternativen
Pos.
66
BOSCH Verstellschieber | Ersatzteile für GSB 20-2 | 2602033006
Hersteller: BOSCH
Artikelnummer: EB-0601184034-2602033006
Netto: 4,82 € zzgl. MwSt.
zzgl. 6,90 € Versand (brutto)
einmalig pro Bestellung

Lieferzeit: 5 Werktage

Pos.
68
BOSCH Distanzscheibe | Ersatzteile für GSB 20-2 | 2600100618
Hersteller: BOSCH
Artikelnummer: EB-0601184034-2600100618
Netto: 3,63 € zzgl. MwSt.
zzgl. 6,90 € Versand (brutto)
einmalig pro Bestellung

Lieferzeit: 5 Werktage

Pos.
69
BOSCH Drehknopf SCHWARZ | Ersatzteile für GSB 20-2 | 2602026038
Hersteller: BOSCH
Artikelnummer: EB-0601184034-2602026038
nur Informationsartikel
Nie mehr lieferbar
keine Alternativen
Pos.
71
BOSCH Rastkappe | Ersatzteile für GSB 20-2 | 2600590006
Hersteller: BOSCH
Artikelnummer: EB-0601184034-2600590006
Netto: 3,94 € zzgl. MwSt.
zzgl. 6,90 € Versand (brutto)
einmalig pro Bestellung

Lieferzeit: 5 Werktage

Pos.
75
BOSCH Torx-Linsenschraube 4x25 | Ersatzteile für GSB 20-2 | 2603490024
Hersteller: BOSCH
Artikelnummer: EB-0601184034-2603490024
Netto: 3,94 € zzgl. MwSt.
zzgl. 6,90 € Versand (brutto)
einmalig pro Bestellung

Lieferzeit: 5 Werktage

Pos.
76
BOSCH Torx-Linsenschraube 4x20 | Ersatzteile für GSB 20-2 | 2603490023
Hersteller: BOSCH
Artikelnummer: EB-0601184034-2603490023
Netto: 3,63 € zzgl. MwSt.
zzgl. 6,90 € Versand (brutto)
einmalig pro Bestellung

Lieferzeit: 5 Werktage

Pos.
77
BOSCH Flachdichtung | Ersatzteile für GSB 20-2 | 2601073012
Hersteller: BOSCH
Artikelnummer: EB-0601184034-2601073012
Netto: 3,63 € zzgl. MwSt.
zzgl. 6,90 € Versand (brutto)
einmalig pro Bestellung

Lieferzeit: 5 Werktage

Pos.
78
BOSCH Zahnkranzbohrfutter Ø1,5-13 MM | Ersatzteile für GSB 20-2 | 1608571080
Hersteller: BOSCH
Artikelnummer: EB-0601184034-1608571080
Netto: 24,13 € zzgl. MwSt.
zzgl. 6,90 € Versand (brutto)
einmalig pro Bestellung

Lieferzeit: 5 Werktage

Pos.
753
BOSCH Zusatzhandgriff | Ersatzteile für GSB 20-2 | 1619PB4323
Hersteller: BOSCH
Artikelnummer: EB-0601184034-1619PB4323
Netto: 9,18 € zzgl. MwSt.
zzgl. 6,90 € Versand (brutto)
einmalig pro Bestellung

Lieferzeit: 5 Werktage

Pos.
753
BOSCH Zusatzhandgriff Ø43 MM SCHWARZ | Ersatzteile für GSB 20-2 | 1612025031
Hersteller: BOSCH
Artikelnummer: EB-0601184034-1612025031
nur Informationsartikel
Nie mehr lieferbar
keine Alternativen
Pos.
754
BOSCH Tiefenanschlag | Ersatzteile für GSB 20-2 | 2603001019
Hersteller: BOSCH
Artikelnummer: EB-0601184034-2603001019
Netto: 6,08 € zzgl. MwSt.
zzgl. 6,90 € Versand (brutto)
einmalig pro Bestellung

Lieferzeit: 5 Werktage

Pos.
808
BOSCH Typschild | Ersatzteile für GSB 20-2 | 160111A3H3
Hersteller: BOSCH
Artikelnummer: EB-0601184034-160111A3H3
Netto: 4,53 € zzgl. MwSt.
zzgl. 6,90 € Versand (brutto)
einmalig pro Bestellung

Lieferzeit: 5 Werktage

Pos.
810
BOSCH Kohlebürstensatz | Ersatzteile für GSB 20-2 | 2604321913
Hersteller: BOSCH
Artikelnummer: EB-0601184034-2604321913
nur Informationsartikel
Nie mehr lieferbar
keine Alternativen
Pos.
825
BOSCH Getriebegehäuse BLAU | Ersatzteile für GSB 20-2 | 2605806990
Hersteller: BOSCH
Artikelnummer: EB-0601184034-2605806990
nur Informationsartikel
Nie mehr lieferbar
keine Alternativen
Pos.
843
BOSCH Zwischenflansch | Ersatzteile für GSB 20-2 | 2605700936
Hersteller: BOSCH
Artikelnummer: EB-0601184034-2605700936
nur Informationsartikel
Nie mehr lieferbar
keine Alternativen
Pos.
859
BOSCH Zahnwelle Z= 10/22/29 | Ersatzteile für GSB 20-2 | 2606100903
Hersteller: BOSCH
Artikelnummer: EB-0601184034-2606100903
nur Informationsartikel
Nie mehr lieferbar
keine Alternativen
Pos.
865
BOSCH Klebeschild BOHREN/SCHLAGBOHREN | Ersatzteile für GSB 20-2 | 2601110076
Hersteller: BOSCH
Artikelnummer: EB-0601184034-2601110076
nur Informationsartikel
Nie mehr lieferbar
keine Alternativen
Pos.
867
BOSCH Sicherungsscheibe DIN 6799-4-FSt | Ersatzteile für GSB 20-2 | 2916080007
Hersteller: BOSCH
Artikelnummer: EB-0601184034-2916080007
Netto: 4,53 € zzgl. MwSt.
zzgl. 6,90 € Versand (brutto)
einmalig pro Bestellung

Lieferzeit: 5 Werktage

Pos.
870
BOSCH Teilesatz | Ersatzteile für GSB 20-2 | 2607010226
Hersteller: BOSCH
Artikelnummer: EB-0601184034-2607010226
nur Informationsartikel
Nie mehr lieferbar
keine Alternativen

Angaben zur Produktsicherheit

Hersteller:
Robert Bosch Power Tools GmbH
Postfach 30 02 20
70442 Stuttgart

E-Mail:
kontakt@bosch.de