BOSCH Druckfeder | Ersatzteile für GSB 20-2 | 2604616006

Artikelnummer: EB-0601184264-2604616006

Position: 26

Marke: BOSCH


Bitte Kompatibilität prüfen!

Bitte prüfen Sie unbedingt die 10-stellige Typennummer Ihrer Maschine / Ihres Gerätes. Das Ersatzteil ist nur kompatibel, wenn Sie die Typennummer Ihrer Maschine in der unten stehenden Produktbeschreibung finden.

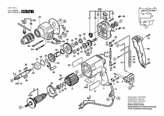
Bitte prüfen Sie ebenfalls detailliert die Explosionszeichnung mit Ihrem Artikelwunsch und der jeweiligen Pos-Nummer.

Alle Elemente, welche vom schwarzen Strich der Pos-Nummer ausgehend berührt / erfasst werden, gehören zu dieser Pos-Nummer und somit zu diesem Artikel. Jede Pos-Nummer ist ein eigenständiger Artikel, welchen Sie in der Auflistung finden.

Sie erhalten stets die aktuellste, neueste Produktversion zu der gewählten Pos-Nummer seitens des Herstellers. Es kann daher je nach Gerätealter vorkommen, dass Sie ggf. weitere, zugehörige Elemente, welche an diese Pos-Nummer grenzen, ebenfalls mittauschen müssen.

Nähere Informationen finden Sie unter dem Link
Hinweise zu Ihrer BOSCH Ersatzteilsuche

Preisübersicht

Einzelpreis: 3,94 €* (Brutto: 4,69 €)
Gesamtpreis: 3,94 €* 
Position:

Lieferzeit: 5 Werktage


Beschreibung

  • Druckfeder
  • Original Bosch Zubehör / BOSCH Ersatzteil (2604616006)
  • im Gerät verbaut: 1
Dieses BOSCH Ersatzteil ist mit folgendem Gerät und Modell kompatibel:
  • BOSCH Gerätename: GSB 20-2
  • BOSCH Explosionszeichnung: Position 26
  • BOSCH Typennummer: 0601184264
  • BOSCH Typennummer alternative Schreibweisen: 0 601 184 264, 0601 184 264, 0.601.184.264, 0-601-184-264
    Bitte prüfen Sie diese Typennummer auf Ihrem Gerät um die Kompatibilität des BOSCH Ersatzteils zu gewährleisten.
Weitere BOSCH Ersatzteile des Gerätes GSB 20-2 (Schlagbohrmaschine) mit der Typennummer 0601184264 finden Sie in der nachfolgenden Darstellung und im Dropdown zu Ihrer Auswahl:

Pos.
1
BOSCH Motorgehäuse BLAU | Ersatzteile für GSB 20-2 | 2605104653
Hersteller: BOSCH
Artikelnummer: EB-0601184264-2605104653
Netto: 12,98 € zzgl. MwSt.
zzgl. 6,90 € Versand (brutto)
einmalig pro Bestellung

Lieferzeit: 5 Werktage

Pos.
3/50
BOSCH Lüfter | Ersatzteile für GSB 20-2 | 2606610029
Hersteller: BOSCH
Artikelnummer: EB-0601184264-2606610029
Netto: 4,53 € zzgl. MwSt.
zzgl. 6,90 € Versand (brutto)
einmalig pro Bestellung

Lieferzeit: 5 Werktage

Pos.
753/20
BOSCH Sechskantmutter DIN 934-M6-8-A | Ersatzteile für GSB 20-2 | 2915011007
Hersteller: BOSCH
Artikelnummer: EB-0601184264-2915011007
Netto: 3,63 € zzgl. MwSt.
zzgl. 6,90 € Versand (brutto)
einmalig pro Bestellung

Lieferzeit: 5 Werktage

Pos.
753/50
BOSCH Spannplatte M6 | Ersatzteile für GSB 20-2 | 2608040014
Hersteller: BOSCH
Artikelnummer: EB-0601184264-2608040014
nur Informationsartikel
Nie mehr lieferbar
keine Alternativen
Pos.
780/7
BOSCH Bohrfutterschlüssel SG2 | Ersatzteile für GSB 20-2 | 2607950007
Hersteller: BOSCH
Artikelnummer: EB-0601184264-2607950007
Netto: 7,30 € zzgl. MwSt.
zzgl. 6,90 € Versand (brutto)
einmalig pro Bestellung

Lieferzeit: 5 Werktage

Pos.
2
BOSCH Polschuh 220-240V | Ersatzteile für GSB 20-2 | 1604220254
Hersteller: BOSCH
Artikelnummer: EB-0601184264-1604220254
Netto: 19,18 € zzgl. MwSt.
zzgl. 6,90 € Versand (brutto)
einmalig pro Bestellung

Lieferzeit: 5 Werktage

Pos.
4
BOSCH Ein/Aus-Schalter | Ersatzteile für GSB 20-2 | 2607200365
Hersteller: BOSCH
Artikelnummer: EB-0601184264-2607200365
nur Informationsartikel
Nie mehr lieferbar
keine Alternativen
Pos.
5
BOSCH Netzanschlussleitung AUS 2,6m 2 x 0,75mm PVC | Ersatzteile für GSB 20-2 | 2604460157
Hersteller: BOSCH
Artikelnummer: EB-0601184264-2604460157
Netto: 29,45 € zzgl. MwSt.
zzgl. 6,90 € Versand (brutto)
einmalig pro Bestellung

Lieferzeit: 5 Werktage

Pos.
6
BOSCH Tülle Ø11,6-Ø12,5x84 MM | Ersatzteile für GSB 20-2 | 2600707060
Hersteller: BOSCH
Artikelnummer: EB-0601184264-2600707060
Netto: 4,53 € zzgl. MwSt.
zzgl. 6,90 € Versand (brutto)
einmalig pro Bestellung

Lieferzeit: 5 Werktage

Pos.
6
BOSCH Tülle Ø8,8 MM | Ersatzteile für GSB 20-2 | 2600707061
Hersteller: BOSCH
Artikelnummer: EB-0601184264-2600707061
nur Informationsartikel
Nie mehr lieferbar
keine Alternativen
Pos.
7
BOSCH Leitungshalter | Ersatzteile für GSB 20-2 | 1611035005
Hersteller: BOSCH
Artikelnummer: EB-0601184264-1611035005
nur Informationsartikel
Nie mehr lieferbar
keine Alternativen
Pos.
9
BOSCH Firmenschild | Ersatzteile für GSB 20-2 | 2601117013
Hersteller: BOSCH
Artikelnummer: EB-0601184264-2601117013
nur Informationsartikel
Nie mehr lieferbar
keine Alternativen
Pos.
13
BOSCH Kugellager 7x22x7 | Ersatzteile für GSB 20-2 | 1900905018
Hersteller: BOSCH
Artikelnummer: EB-0601184264-1900905018
Netto: 15,75 € zzgl. MwSt.
zzgl. 6,90 € Versand (brutto)
einmalig pro Bestellung

Lieferzeit: 5 Werktage

Pos.
14
BOSCH Rillenkugellager | Ersatzteile für GSB 20-2 | 1619P02417
Hersteller: BOSCH
Artikelnummer: EB-0601184264-1619P02417
Netto: 7,30 € zzgl. MwSt.
zzgl. 6,90 € Versand (brutto)
einmalig pro Bestellung

Lieferzeit: 5 Werktage

Pos.
18
BOSCH Zylinderschraube M3x6,5-4.8 | Ersatzteile für GSB 20-2 | 2603410001
Hersteller: BOSCH
Artikelnummer: EB-0601184264-2603410001
Netto: 3,94 € zzgl. MwSt.
zzgl. 6,90 € Versand (brutto)
einmalig pro Bestellung

Lieferzeit: 5 Werktage

Pos.
20
BOSCH Hinweisschild | Ersatzteile für GSB 20-2 | 2601117095
Hersteller: BOSCH
Artikelnummer: EB-0601184264-2601117095
Netto: 5,19 € zzgl. MwSt.
zzgl. 6,90 € Versand (brutto)
einmalig pro Bestellung

Lieferzeit: 5 Werktage

Pos.
24
BOSCH Bohrspindel SW 14 | Ersatzteile für GSB 20-2 | 2606135086
Hersteller: BOSCH
Artikelnummer: EB-0601184264-2606135086
Netto: 14,36 € zzgl. MwSt.
zzgl. 6,90 € Versand (brutto)
einmalig pro Bestellung

Lieferzeit: 5 Werktage

Pos.
25
BOSCH Getriebegehäuse BLAU | Ersatzteile für GSB 20-2 | 2605806422
Hersteller: BOSCH
Artikelnummer: EB-0601184264-2605806422
Netto: 14,36 € zzgl. MwSt.
zzgl. 6,90 € Versand (brutto)
einmalig pro Bestellung

Lieferzeit: 5 Werktage

Pos.
26
BOSCH Druckfeder | Ersatzteile für GSB 20-2 | 2604616006
Hersteller: BOSCH
Artikelnummer: EB-0601184264-2604616006
Netto: 3,94 € zzgl. MwSt.
zzgl. 6,90 € Versand (brutto)
einmalig pro Bestellung

Lieferzeit: 5 Werktage

Pos.
27
BOSCH Sinterbuchse 14,7-0,15 | Ersatzteile für GSB 20-2 | 2600301031
Hersteller: BOSCH
Artikelnummer: EB-0601184264-2600301031
Netto: 5,67 € zzgl. MwSt.
zzgl. 6,90 € Versand (brutto)
einmalig pro Bestellung

Lieferzeit: 5 Werktage

Pos.
28
BOSCH Sicherungsring DIN 471 17x1 MM | Ersatzteile für GSB 20-2 | 2916650008
Hersteller: BOSCH
Artikelnummer: EB-0601184264-2916650008
Netto: 3,94 € zzgl. MwSt.
zzgl. 6,90 € Versand (brutto)
einmalig pro Bestellung

Lieferzeit: 5 Werktage

Pos.
30
BOSCH Flachkeil | Ersatzteile für GSB 20-2 | 2602300034
Hersteller: BOSCH
Artikelnummer: EB-0601184264-2602300034
Netto: 4,53 € zzgl. MwSt.
zzgl. 6,90 € Versand (brutto)
einmalig pro Bestellung

Lieferzeit: 5 Werktage

Pos.
31
BOSCH Haltescheibe | Ersatzteile für GSB 20-2 | 2600101084
Hersteller: BOSCH
Artikelnummer: EB-0601184264-2600101084
Netto: 3,94 € zzgl. MwSt.
zzgl. 6,90 € Versand (brutto)
einmalig pro Bestellung

Lieferzeit: 5 Werktage

Pos.
33
BOSCH Stirnrad | Ersatzteile für GSB 20-2 | 2606317083
Hersteller: BOSCH
Artikelnummer: EB-0601184264-2606317083
Netto: 9,95 € zzgl. MwSt.
zzgl. 6,90 € Versand (brutto)
einmalig pro Bestellung

Lieferzeit: 5 Werktage

Pos.
34
BOSCH Stirnrad | Ersatzteile für GSB 20-2 | 2606317082
Hersteller: BOSCH
Artikelnummer: EB-0601184264-2606317082
Netto: 11,42 € zzgl. MwSt.
zzgl. 6,90 € Versand (brutto)
einmalig pro Bestellung

Lieferzeit: 5 Werktage

Pos.
35
BOSCH Stützblech | Ersatzteile für GSB 20-2 | 2601098031
Hersteller: BOSCH
Artikelnummer: EB-0601184264-2601098031
Netto: 3,94 € zzgl. MwSt.
zzgl. 6,90 € Versand (brutto)
einmalig pro Bestellung

Lieferzeit: 5 Werktage

Pos.
36
BOSCH Rastscheibe | Ersatzteile für GSB 20-2 | 2600190070
Hersteller: BOSCH
Artikelnummer: EB-0601184264-2600190070
Netto: 6,70 € zzgl. MwSt.
zzgl. 6,90 € Versand (brutto)
einmalig pro Bestellung

Lieferzeit: 5 Werktage

Pos.
38
BOSCH Gewindefurchschraube M4x8 | Ersatzteile für GSB 20-2 | 2603410048
Hersteller: BOSCH
Artikelnummer: EB-0601184264-2603410048
Netto: 3,94 € zzgl. MwSt.
zzgl. 6,90 € Versand (brutto)
einmalig pro Bestellung

Lieferzeit: 5 Werktage

Pos.
39
BOSCH Distanzscheibe 0,5 MM | Ersatzteile für GSB 20-2 | 2600000014
Hersteller: BOSCH
Artikelnummer: EB-0601184264-2600000014
Netto: 3,63 € zzgl. MwSt.
zzgl. 6,90 € Versand (brutto)
einmalig pro Bestellung

Lieferzeit: 5 Werktage

Pos.
41
BOSCH Drehknopf SCHWARZ | Ersatzteile für GSB 20-2 | 2602026072
Hersteller: BOSCH
Artikelnummer: EB-0601184264-2602026072
nur Informationsartikel
Nie mehr lieferbar
keine Alternativen
Pos.
42
BOSCH Spannstift DIN 7346 4x24 | Ersatzteile für GSB 20-2 | 2917780101
Hersteller: BOSCH
Artikelnummer: EB-0601184264-2917780101
Netto: 3,63 € zzgl. MwSt.
zzgl. 6,90 € Versand (brutto)
einmalig pro Bestellung

Lieferzeit: 5 Werktage

Pos.
44
BOSCH Abdeckscheibe | Ersatzteile für GSB 20-2 | 2601328033
Hersteller: BOSCH
Artikelnummer: EB-0601184264-2601328033
nur Informationsartikel
Nie mehr lieferbar
keine Alternativen
Pos.
46
BOSCH Gehäusedeckel BLAU | Ersatzteile für GSB 20-2 | 2605132051
Hersteller: BOSCH
Artikelnummer: EB-0601184264-2605132051
Netto: 7,76 € zzgl. MwSt.
zzgl. 6,90 € Versand (brutto)
einmalig pro Bestellung

Lieferzeit: 5 Werktage

Pos.
47
BOSCH Bürstenhalter | Ersatzteile für GSB 20-2 | 2604337003
Hersteller: BOSCH
Artikelnummer: EB-0601184264-2604337003
Netto: 4,32 € zzgl. MwSt.
zzgl. 6,90 € Versand (brutto)
einmalig pro Bestellung

Lieferzeit: 5 Werktage

Pos.
48
BOSCH Torx-Linsenschraube 3x10 | Ersatzteile für GSB 20-2 | 1619P00220
Hersteller: BOSCH
Artikelnummer: EB-0601184264-1619P00220
Netto: 3,63 € zzgl. MwSt.
zzgl. 6,90 € Versand (brutto)
einmalig pro Bestellung

Lieferzeit: 5 Werktage

Pos.
50
BOSCH Distanzscheibe 0,3 MM | Ersatzteile für GSB 20-2 | 2600101027
Hersteller: BOSCH
Artikelnummer: EB-0601184264-2600101027
Netto: 3,94 € zzgl. MwSt.
zzgl. 6,90 € Versand (brutto)
einmalig pro Bestellung

Lieferzeit: 5 Werktage

Pos.
51
BOSCH Elektr Leitung L=130 MM WEISS | Ersatzteile für GSB 20-2 | 2604448005
Hersteller: BOSCH
Artikelnummer: EB-0601184264-2604448005
Netto: 3,94 € zzgl. MwSt.
zzgl. 6,90 € Versand (brutto)
einmalig pro Bestellung

Lieferzeit: 5 Werktage

Pos.
53
BOSCH Verbindungskabel L=96MM WEISS | Ersatzteile für GSB 20-2 | 2604448133
Hersteller: BOSCH
Artikelnummer: EB-0601184264-2604448133
nur Informationsartikel
Nie mehr lieferbar
keine Alternativen
Pos.
56
BOSCH Nadellager Ø6 MM | Ersatzteile für GSB 20-2 | 2600914010
Hersteller: BOSCH
Artikelnummer: EB-0601184264-2600914010
Netto: 4,82 € zzgl. MwSt.
zzgl. 6,90 € Versand (brutto)
einmalig pro Bestellung

Lieferzeit: 5 Werktage

Pos.
61
BOSCH Ausgleichscheibe 0,3 MM | Ersatzteile für GSB 20-2 | 2600100607
Hersteller: BOSCH
Artikelnummer: EB-0601184264-2600100607
Netto: 3,94 € zzgl. MwSt.
zzgl. 6,90 € Versand (brutto)
einmalig pro Bestellung

Lieferzeit: 5 Werktage

Pos.
62
BOSCH Tellerscheibe | Ersatzteile für GSB 20-2 | 2600500002
Hersteller: BOSCH
Artikelnummer: EB-0601184264-2600500002
Netto: 3,94 € zzgl. MwSt.
zzgl. 6,90 € Versand (brutto)
einmalig pro Bestellung

Lieferzeit: 5 Werktage

Pos.
63
BOSCH Schaftschraube | Ersatzteile für GSB 20-2 | 2603435070
Hersteller: BOSCH
Artikelnummer: EB-0601184264-2603435070
nur Informationsartikel
Nie mehr lieferbar
keine Alternativen
Pos.
64
BOSCH Schaftschraube 65 MM | Ersatzteile für GSB 20-2 | 2603435071
Hersteller: BOSCH
Artikelnummer: EB-0601184264-2603435071
nur Informationsartikel
Nie mehr lieferbar
keine Alternativen
Pos.
66
BOSCH Verstellschieber | Ersatzteile für GSB 20-2 | 2602033011
Hersteller: BOSCH
Artikelnummer: EB-0601184264-2602033011
Netto: 5,19 € zzgl. MwSt.
zzgl. 6,90 € Versand (brutto)
einmalig pro Bestellung

Lieferzeit: 5 Werktage

Pos.
69
BOSCH Drehknopf SCHWARZ | Ersatzteile für GSB 20-2 | 2602026038
Hersteller: BOSCH
Artikelnummer: EB-0601184264-2602026038
nur Informationsartikel
Nie mehr lieferbar
keine Alternativen
Pos.
71
BOSCH Rastkappe | Ersatzteile für GSB 20-2 | 2600590006
Hersteller: BOSCH
Artikelnummer: EB-0601184264-2600590006
Netto: 3,94 € zzgl. MwSt.
zzgl. 6,90 € Versand (brutto)
einmalig pro Bestellung

Lieferzeit: 5 Werktage

Pos.
79
BOSCH Senkschraube M6x27 LINKSGEWINDE | Ersatzteile für GSB 20-2 | 2603421226
Hersteller: BOSCH
Artikelnummer: EB-0601184264-2603421226
Netto: 3,94 € zzgl. MwSt.
zzgl. 6,90 € Versand (brutto)
einmalig pro Bestellung

Lieferzeit: 5 Werktage

Pos.
80
BOSCH Flachdichtung | Ersatzteile für GSB 20-2 | 2601073012
Hersteller: BOSCH
Artikelnummer: EB-0601184264-2601073012
Netto: 3,63 € zzgl. MwSt.
zzgl. 6,90 € Versand (brutto)
einmalig pro Bestellung

Lieferzeit: 5 Werktage

Pos.
753
BOSCH Zusatzhandgriff Ø43 MM SCHWARZ | Ersatzteile für GSB 20-2 | 1612025031
Hersteller: BOSCH
Artikelnummer: EB-0601184264-1612025031
nur Informationsartikel
Nie mehr lieferbar
keine Alternativen
Pos.
780
BOSCH Bohrfutter Ø1,5-13 MM, 1/2" | Ersatzteile für GSB 20-2 | 1608571069
Hersteller: BOSCH
Artikelnummer: EB-0601184264-1608571069
Netto: 21,16 € zzgl. MwSt.
zzgl. 6,90 € Versand (brutto)
einmalig pro Bestellung

Lieferzeit: 5 Werktage

Pos.
808
BOSCH Typschild | Ersatzteile für GSB 20-2 | 2601117145
Hersteller: BOSCH
Artikelnummer: EB-0601184264-2601117145
Netto: 5,21 € zzgl. MwSt.
zzgl. 6,90 € Versand (brutto)
einmalig pro Bestellung

Lieferzeit: 5 Werktage

Pos.
810
BOSCH Kohlebürstensatz | Ersatzteile für GSB 20-2 | 2604321905
Hersteller: BOSCH
Artikelnummer: EB-0601184264-2604321905
Netto: 9,18 € zzgl. MwSt.
zzgl. 6,90 € Versand (brutto)
einmalig pro Bestellung

Lieferzeit: 5 Werktage

Pos.
843
BOSCH Zwischenflansch | Ersatzteile für GSB 20-2 | 2605700941
Hersteller: BOSCH
Artikelnummer: EB-0601184264-2605700941
nur Informationsartikel
Nie mehr lieferbar
keine Alternativen
Pos.
859
BOSCH Zahnwelle Z= 10/29/22 | Ersatzteile für GSB 20-2 | 2606309931
Hersteller: BOSCH
Artikelnummer: EB-0601184264-2606309931
nur Informationsartikel
Nie mehr lieferbar
keine Alternativen
Pos.
867
BOSCH Sicherungsscheibe DIN 6799-4-FSt | Ersatzteile für GSB 20-2 | 2916080007
Hersteller: BOSCH
Artikelnummer: EB-0601184264-2916080007
Netto: 4,53 € zzgl. MwSt.
zzgl. 6,90 € Versand (brutto)
einmalig pro Bestellung

Lieferzeit: 5 Werktage

Pos.
870
BOSCH Teilesatz | Ersatzteile für GSB 20-2 | 2607010226
Hersteller: BOSCH
Artikelnummer: EB-0601184264-2607010226
nur Informationsartikel
Nie mehr lieferbar
keine Alternativen

Angaben zur Produktsicherheit

Hersteller:
Robert Bosch Power Tools GmbH
Postfach 30 02 20
70442 Stuttgart

E-Mail:
kontakt@bosch.de