BOSCH Bohrspindel | Ersatzteile für GSB 20-2 RE | 9618089688

Artikelnummer: EB-0601194579-9618089688

Position: 65

Marke: BOSCH


Bitte Kompatibilität prüfen!

Bitte prüfen Sie unbedingt die 10-stellige Typennummer Ihrer Maschine / Ihres Gerätes. Das Ersatzteil ist nur kompatibel, wenn Sie die Typennummer Ihrer Maschine in der unten stehenden Produktbeschreibung finden.

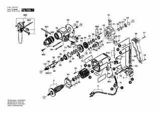
Bitte prüfen Sie ebenfalls detailliert die Explosionszeichnung mit Ihrem Artikelwunsch und der jeweiligen Pos-Nummer.

Alle Elemente, welche vom schwarzen Strich der Pos-Nummer ausgehend berührt / erfasst werden, gehören zu dieser Pos-Nummer und somit zu diesem Artikel. Jede Pos-Nummer ist ein eigenständiger Artikel, welchen Sie in der Auflistung finden.

Sie erhalten stets die aktuellste, neueste Produktversion zu der gewählten Pos-Nummer seitens des Herstellers. Es kann daher je nach Gerätealter vorkommen, dass Sie ggf. weitere, zugehörige Elemente, welche an diese Pos-Nummer grenzen, ebenfalls mittauschen müssen.

Nähere Informationen finden Sie unter dem Link
Hinweise zu Ihrer BOSCH Ersatzteilsuche

Preisübersicht

Einzelpreis: 15,42 €* (Brutto: 18,35 €)
Gesamtpreis: 15,42 €* 
Position:

Lieferzeit: 5 Werktage


Beschreibung

  • Bohrspindel
  • Original Bosch Zubehör / BOSCH Ersatzteil (9618089688)
  • im Gerät verbaut: 1
Dieses BOSCH Ersatzteil ist mit folgendem Gerät und Modell kompatibel:
  • BOSCH Gerätename: GSB 20-2 RE
  • BOSCH Explosionszeichnung: Position 65
  • BOSCH Typennummer: 0601194579
  • BOSCH Typennummer alternative Schreibweisen: 0 601 194 579, 0601 194 579, 0.601.194.579, 0-601-194-579
    Bitte prüfen Sie diese Typennummer auf Ihrem Gerät um die Kompatibilität des BOSCH Ersatzteils zu gewährleisten.
Weitere BOSCH Ersatzteile des Gerätes GSB 20-2 RE (Gw-2G-Schlagbohrmaschine) mit der Typennummer 0601194579 finden Sie in der nachfolgenden Darstellung und im Dropdown zu Ihrer Auswahl:

Pos.
2
BOSCH Polschuh 220V | Ersatzteile für GSB 20-2 RE | 9618089012
Hersteller: BOSCH
Artikelnummer: EB-0601194579-9618089012
Netto: 18,57 € zzgl. MwSt.
zzgl. 6,90 € Versand (brutto)
einmalig pro Bestellung

Lieferzeit: 5 Werktage

Pos.
3
BOSCH Anker 220V | Ersatzteile für GSB 20-2 RE | 9618089597
Hersteller: BOSCH
Artikelnummer: EB-0601194579-9618089597
Netto: 39,11 € zzgl. MwSt.
zzgl. 6,90 € Versand (brutto)
einmalig pro Bestellung

Lieferzeit: 5 Werktage

Pos.
4
BOSCH Schalter | Ersatzteile für GSB 20-2 RE | 2607200202
Hersteller: BOSCH
Artikelnummer: EB-0601194579-2607200202
Netto: 32,74 € zzgl. MwSt.
zzgl. 6,90 € Versand (brutto)
einmalig pro Bestellung

Lieferzeit: 5 Werktage

Pos.
5
BOSCH Netzanschlussleitung AR 2,00m 2 x 0,75mm H07 VV-F | Ersatzteile für GSB 20-2 RE | F000600295
Hersteller: BOSCH
Artikelnummer: EB-0601194579-F000600295
nur Informationsartikel
Nie mehr lieferbar
keine Alternativen
Pos.
6
BOSCH Tülle Ø11,6-Ø12,5x84 MM | Ersatzteile für GSB 20-2 RE | 2600707060
Hersteller: BOSCH
Artikelnummer: EB-0601194579-2600707060
Netto: 4,53 € zzgl. MwSt.
zzgl. 6,90 € Versand (brutto)
einmalig pro Bestellung

Lieferzeit: 5 Werktage

Pos.
7
BOSCH Leitungshalter | Ersatzteile für GSB 20-2 RE | 2601035001
Hersteller: BOSCH
Artikelnummer: EB-0601194579-2601035001
Netto: 3,94 € zzgl. MwSt.
zzgl. 6,90 € Versand (brutto)
einmalig pro Bestellung

Lieferzeit: 5 Werktage

Pos.
13
BOSCH Rillenkugellager DIN 625 627-2Z/C3 | Ersatzteile für GSB 20-2 RE | 1900905020
Hersteller: BOSCH
Artikelnummer: EB-0601194579-1900905020
Netto: 7,76 € zzgl. MwSt.
zzgl. 6,90 € Versand (brutto)
einmalig pro Bestellung

Lieferzeit: 5 Werktage

Pos.
14
BOSCH Rillenkugellager 9x24x7 | Ersatzteile für GSB 20-2 RE | 2600905021
Hersteller: BOSCH
Artikelnummer: EB-0601194579-2600905021
Netto: 8,33 € zzgl. MwSt.
zzgl. 6,90 € Versand (brutto)
einmalig pro Bestellung

Lieferzeit: 5 Werktage

Pos.
18
BOSCH Zylinderschraube M3x6,5-4.8 | Ersatzteile für GSB 20-2 RE | 2603410001
Hersteller: BOSCH
Artikelnummer: EB-0601194579-2603410001
Netto: 3,94 € zzgl. MwSt.
zzgl. 6,90 € Versand (brutto)
einmalig pro Bestellung

Lieferzeit: 5 Werktage

Pos.
25
BOSCH Getriebegehäuse | Ersatzteile für GSB 20-2 RE | F000635240
Hersteller: BOSCH
Artikelnummer: EB-0601194579-F000635240
Netto: 19,23 € zzgl. MwSt.
zzgl. 6,90 € Versand (brutto)
einmalig pro Bestellung

Lieferzeit: 5 Werktage

Pos.
26
BOSCH Druckfeder | Ersatzteile für GSB 20-2 RE | F000635233
Hersteller: BOSCH
Artikelnummer: EB-0601194579-F000635233
Netto: 4,61 € zzgl. MwSt.
zzgl. 6,90 € Versand (brutto)
einmalig pro Bestellung

Lieferzeit: 5 Werktage

Pos.
27
BOSCH Rillenkugellager 17x35x10 | Ersatzteile für GSB 20-2 RE | 1900905163
Hersteller: BOSCH
Artikelnummer: EB-0601194579-1900905163
Netto: 9,95 € zzgl. MwSt.
zzgl. 6,90 € Versand (brutto)
einmalig pro Bestellung

Lieferzeit: 5 Werktage

Pos.
28
BOSCH Sicherungsring DIN 472 35x1,5 MM | Ersatzteile für GSB 20-2 RE | 2916660014
Hersteller: BOSCH
Artikelnummer: EB-0601194579-2916660014
Netto: 3,94 € zzgl. MwSt.
zzgl. 6,90 € Versand (brutto)
einmalig pro Bestellung

Lieferzeit: 5 Werktage

Pos.
29
BOSCH Sicherungsring DIN 471 17x1 MM | Ersatzteile für GSB 20-2 RE | 2916650008
Hersteller: BOSCH
Artikelnummer: EB-0601194579-2916650008
Netto: 3,94 € zzgl. MwSt.
zzgl. 6,90 € Versand (brutto)
einmalig pro Bestellung

Lieferzeit: 5 Werktage

Pos.
30
BOSCH Flachkeil | Ersatzteile für GSB 20-2 RE | F000600352
Hersteller: BOSCH
Artikelnummer: EB-0601194579-F000600352
nur Informationsartikel
Nie mehr lieferbar
keine Alternativen
Pos.
31
BOSCH Haltescheibe | Ersatzteile für GSB 20-2 RE | 2600101671
Hersteller: BOSCH
Artikelnummer: EB-0601194579-2600101671
Netto: 3,94 € zzgl. MwSt.
zzgl. 6,90 € Versand (brutto)
einmalig pro Bestellung

Lieferzeit: 5 Werktage

Pos.
32
BOSCH Ausgleichscheibe 1,0 MM | Ersatzteile für GSB 20-2 RE | 2600101515
Hersteller: BOSCH
Artikelnummer: EB-0601194579-2600101515
Netto: 3,63 € zzgl. MwSt.
zzgl. 6,90 € Versand (brutto)
einmalig pro Bestellung

Lieferzeit: 5 Werktage

Pos.
33
BOSCH Stirnrad | Ersatzteile für GSB 20-2 RE | F000635394
Hersteller: BOSCH
Artikelnummer: EB-0601194579-F000635394
Netto: 18,86 € zzgl. MwSt.
zzgl. 6,90 € Versand (brutto)
einmalig pro Bestellung

Lieferzeit: 5 Werktage

Pos.
34
BOSCH Stirnrad Z=36 | Ersatzteile für GSB 20-2 RE | 2606317037
Hersteller: BOSCH
Artikelnummer: EB-0601194579-2606317037
nur Informationsartikel
Nie mehr lieferbar
keine Alternativen
Pos.
35
BOSCH Ausgleichscheibe 0,3 MM | Ersatzteile für GSB 20-2 RE | 2600101617
Hersteller: BOSCH
Artikelnummer: EB-0601194579-2600101617
nur Informationsartikel
Nie mehr lieferbar
keine Alternativen
Pos.
35
BOSCH Ausgleichscheibe 0,5 MM | Ersatzteile für GSB 20-2 RE | 2600101616
Hersteller: BOSCH
Artikelnummer: EB-0601194579-2600101616
Netto: 4,82 € zzgl. MwSt.
zzgl. 6,90 € Versand (brutto)
einmalig pro Bestellung

Lieferzeit: 5 Werktage

Pos.
36
BOSCH Rastscheibe | Ersatzteile für GSB 20-2 RE | 2600190052
Hersteller: BOSCH
Artikelnummer: EB-0601194579-2600190052
nur Informationsartikel
Nie mehr lieferbar
keine Alternativen
Pos.
37
BOSCH Rastenscheibe | Ersatzteile für GSB 20-2 RE | F000635093
Hersteller: BOSCH
Artikelnummer: EB-0601194579-F000635093
nur Informationsartikel
Nie mehr lieferbar
keine Alternativen
Pos.
38
BOSCH Nadellager Ø8x8 MM | Ersatzteile für GSB 20-2 RE | 2600917003
Hersteller: BOSCH
Artikelnummer: EB-0601194579-2600917003
Netto: 4,82 € zzgl. MwSt.
zzgl. 6,90 € Versand (brutto)
einmalig pro Bestellung

Lieferzeit: 5 Werktage

Pos.
39
BOSCH Distanzscheibe 0,2 MM | Ersatzteile für GSB 20-2 RE | 2600000012
Hersteller: BOSCH
Artikelnummer: EB-0601194579-2600000012
Netto: 3,63 € zzgl. MwSt.
zzgl. 6,90 € Versand (brutto)
einmalig pro Bestellung

Lieferzeit: 5 Werktage

Pos.
39
BOSCH Distanzscheibe 0,5 MM | Ersatzteile für GSB 20-2 RE | 2600000014
Hersteller: BOSCH
Artikelnummer: EB-0601194579-2600000014
Netto: 3,63 € zzgl. MwSt.
zzgl. 6,90 € Versand (brutto)
einmalig pro Bestellung

Lieferzeit: 5 Werktage

Pos.
40
BOSCH Kugel DIN 5401-5,5MM-III-ST | Ersatzteile für GSB 20-2 RE | 1903230010
Hersteller: BOSCH
Artikelnummer: EB-0601194579-1903230010
Netto: 3,63 € zzgl. MwSt.
zzgl. 6,90 € Versand (brutto)
einmalig pro Bestellung

Lieferzeit: 5 Werktage

Pos.
41
BOSCH Drehknopf | Ersatzteile für GSB 20-2 RE | F000600280
Hersteller: BOSCH
Artikelnummer: EB-0601194579-F000600280
Netto: 6,34 € zzgl. MwSt.
zzgl. 6,90 € Versand (brutto)
einmalig pro Bestellung

Lieferzeit: 5 Werktage

Pos.
42
BOSCH Spannstift 4x30 MM DIN 7346 | Ersatzteile für GSB 20-2 RE | 2917780105
Hersteller: BOSCH
Artikelnummer: EB-0601194579-2917780105
Netto: 3,63 € zzgl. MwSt.
zzgl. 6,90 € Versand (brutto)
einmalig pro Bestellung

Lieferzeit: 5 Werktage

Pos.
43
BOSCH Zwischenflansch | Ersatzteile für GSB 20-2 RE | F000635453
Hersteller: BOSCH
Artikelnummer: EB-0601194579-F000635453
nur Informationsartikel
Nie mehr lieferbar
keine Alternativen
Pos.
44
BOSCH Abdeckscheibe | Ersatzteile für GSB 20-2 RE | 2601328033
Hersteller: BOSCH
Artikelnummer: EB-0601194579-2601328033
nur Informationsartikel
Nie mehr lieferbar
keine Alternativen
Pos.
45
BOSCH Kreuzschlitzschraube | Ersatzteile für GSB 20-2 RE | F000616052
Hersteller: BOSCH
Artikelnummer: EB-0601194579-F000616052
nur Informationsartikel
Nie mehr lieferbar
keine Alternativen
Pos.
46
BOSCH Gehäusedeckel SCHWARZ | Ersatzteile für GSB 20-2 RE | 2605132025
Hersteller: BOSCH
Artikelnummer: EB-0601194579-2605132025
Netto: 7,66 € zzgl. MwSt.
zzgl. 6,90 € Versand (brutto)
einmalig pro Bestellung

Lieferzeit: 5 Werktage

Pos.
47
BOSCH Torx-Linsenschraube 3x10 | Ersatzteile für GSB 20-2 RE | 2603490017
Hersteller: BOSCH
Artikelnummer: EB-0601194579-2603490017
Netto: 4,32 € zzgl. MwSt.
zzgl. 6,90 € Versand (brutto)
einmalig pro Bestellung

Lieferzeit: 5 Werktage

Pos.
48
BOSCH Bürstenplatte | Ersatzteile für GSB 20-2 RE | 2601015047
Hersteller: BOSCH
Artikelnummer: EB-0601194579-2601015047
nur Informationsartikel
Nie mehr lieferbar
keine Alternativen
Pos.
49
BOSCH Ausgleichscheibe 0,2 MM | Ersatzteile für GSB 20-2 RE | 2600101022
Hersteller: BOSCH
Artikelnummer: EB-0601194579-2600101022
Netto: 3,94 € zzgl. MwSt.
zzgl. 6,90 € Versand (brutto)
einmalig pro Bestellung

Lieferzeit: 5 Werktage

Pos.
49
BOSCH Ausgleichscheibe 0,3 MM | Ersatzteile für GSB 20-2 RE | 2600101023
Hersteller: BOSCH
Artikelnummer: EB-0601194579-2600101023
Netto: 3,94 € zzgl. MwSt.
zzgl. 6,90 € Versand (brutto)
einmalig pro Bestellung

Lieferzeit: 5 Werktage

Pos.
49
BOSCH Ausgleichscheibe 0,5 MM | Ersatzteile für GSB 20-2 RE | 2600101020
Hersteller: BOSCH
Artikelnummer: EB-0601194579-2600101020
Netto: 3,94 € zzgl. MwSt.
zzgl. 6,90 € Versand (brutto)
einmalig pro Bestellung

Lieferzeit: 5 Werktage

Pos.
50
BOSCH Ausgleichscheibe | Ersatzteile für GSB 20-2 RE | F000635092
Hersteller: BOSCH
Artikelnummer: EB-0601194579-F000635092
nur Informationsartikel
Nie mehr lieferbar
keine Alternativen
Pos.
51
BOSCH Elektr Leitung L=130 MM WEISS | Ersatzteile für GSB 20-2 RE | 2604448005
Hersteller: BOSCH
Artikelnummer: EB-0601194579-2604448005
Netto: 3,94 € zzgl. MwSt.
zzgl. 6,90 € Versand (brutto)
einmalig pro Bestellung

Lieferzeit: 5 Werktage

Pos.
52
BOSCH Elektr Leitung | Ersatzteile für GSB 20-2 RE | 9618086874
Hersteller: BOSCH
Artikelnummer: EB-0601194579-9618086874
Netto: 3,94 € zzgl. MwSt.
zzgl. 6,90 € Versand (brutto)
einmalig pro Bestellung

Lieferzeit: 5 Werktage

Pos.
53
BOSCH Umschalter | Ersatzteile für GSB 20-2 RE | 2607200231
Hersteller: BOSCH
Artikelnummer: EB-0601194579-2607200231
Netto: 14,36 € zzgl. MwSt.
zzgl. 6,90 € Versand (brutto)
einmalig pro Bestellung

Lieferzeit: 5 Werktage

Pos.
54
BOSCH Sicherungsring DIN 472-24x1,2 MM | Ersatzteile für GSB 20-2 RE | 2916660008
Hersteller: BOSCH
Artikelnummer: EB-0601194579-2916660008
Netto: 4,32 € zzgl. MwSt.
zzgl. 6,90 € Versand (brutto)
einmalig pro Bestellung

Lieferzeit: 5 Werktage

Pos.
55
BOSCH Tellerscheibe | Ersatzteile für GSB 20-2 RE | 2600500002
Hersteller: BOSCH
Artikelnummer: EB-0601194579-2600500002
Netto: 3,94 € zzgl. MwSt.
zzgl. 6,90 € Versand (brutto)
einmalig pro Bestellung

Lieferzeit: 5 Werktage

Pos.
56
BOSCH Filzring | Ersatzteile für GSB 20-2 RE | 2600108077
Hersteller: BOSCH
Artikelnummer: EB-0601194579-2600108077
Netto: 3,94 € zzgl. MwSt.
zzgl. 6,90 € Versand (brutto)
einmalig pro Bestellung

Lieferzeit: 5 Werktage

Pos.
57
BOSCH Steckhülse | Ersatzteile für GSB 20-2 RE | 2600400008
Hersteller: BOSCH
Artikelnummer: EB-0601194579-2600400008
Netto: 3,94 € zzgl. MwSt.
zzgl. 6,90 € Versand (brutto)
einmalig pro Bestellung

Lieferzeit: 5 Werktage

Pos.
58
BOSCH Stirnrad | Ersatzteile für GSB 20-2 RE | F000635252
Hersteller: BOSCH
Artikelnummer: EB-0601194579-F000635252
Netto: 17,38 € zzgl. MwSt.
zzgl. 6,90 € Versand (brutto)
einmalig pro Bestellung

Lieferzeit: 5 Werktage

Pos.
59
BOSCH Zahnwelle | Ersatzteile für GSB 20-2 RE | F000635246
Hersteller: BOSCH
Artikelnummer: EB-0601194579-F000635246
Netto: 15,42 € zzgl. MwSt.
zzgl. 6,90 € Versand (brutto)
einmalig pro Bestellung

Lieferzeit: 5 Werktage

Pos.
60
BOSCH Stirnrad Z=22 | Ersatzteile für GSB 20-2 RE | 2606317055
Hersteller: BOSCH
Artikelnummer: EB-0601194579-2606317055
nur Informationsartikel
Nie mehr lieferbar
keine Alternativen
Pos.
61
BOSCH Ausgleichscheibe 0,3 MM | Ersatzteile für GSB 20-2 RE | 2600100607
Hersteller: BOSCH
Artikelnummer: EB-0601194579-2600100607
Netto: 3,94 € zzgl. MwSt.
zzgl. 6,90 € Versand (brutto)
einmalig pro Bestellung

Lieferzeit: 5 Werktage

Pos.
62
BOSCH Nadellager Ø6 MM | Ersatzteile für GSB 20-2 RE | 2600914010
Hersteller: BOSCH
Artikelnummer: EB-0601194579-2600914010
Netto: 4,82 € zzgl. MwSt.
zzgl. 6,90 € Versand (brutto)
einmalig pro Bestellung

Lieferzeit: 5 Werktage

Pos.
63
BOSCH Blechschraube 79 MM | Ersatzteile für GSB 20-2 RE | 2603435012
Hersteller: BOSCH
Artikelnummer: EB-0601194579-2603435012
nur Informationsartikel
Nie mehr lieferbar
keine Alternativen
Pos.
64
BOSCH Schaftschraube 65 MM | Ersatzteile für GSB 20-2 RE | 2603435013
Hersteller: BOSCH
Artikelnummer: EB-0601194579-2603435013
nur Informationsartikel
Nie mehr lieferbar
keine Alternativen
Pos.
65
BOSCH Bohrspindel | Ersatzteile für GSB 20-2 RE | 9618089688
Hersteller: BOSCH
Artikelnummer: EB-0601194579-9618089688
Netto: 15,42 € zzgl. MwSt.
zzgl. 6,90 € Versand (brutto)
einmalig pro Bestellung

Lieferzeit: 5 Werktage

Pos.
66
BOSCH Elektr Leitung | Ersatzteile für GSB 20-2 RE | 9618086875
Hersteller: BOSCH
Artikelnummer: EB-0601194579-9618086875
Netto: 3,62 € zzgl. MwSt.
zzgl. 6,90 € Versand (brutto)
einmalig pro Bestellung

Lieferzeit: 5 Werktage

Pos.
67
BOSCH Sicherungsscheibe DIN 6799-4-FSt | Ersatzteile für GSB 20-2 RE | 2916080007
Hersteller: BOSCH
Artikelnummer: EB-0601194579-2916080007
Netto: 4,53 € zzgl. MwSt.
zzgl. 6,90 € Versand (brutto)
einmalig pro Bestellung

Lieferzeit: 5 Werktage

Pos.
68
BOSCH Distanzscheibe | Ersatzteile für GSB 20-2 RE | 2600100618
Hersteller: BOSCH
Artikelnummer: EB-0601194579-2600100618
Netto: 3,63 € zzgl. MwSt.
zzgl. 6,90 € Versand (brutto)
einmalig pro Bestellung

Lieferzeit: 5 Werktage

Pos.
69
BOSCH Drehknopf SCHWARZ | Ersatzteile für GSB 20-2 RE | 2602026038
Hersteller: BOSCH
Artikelnummer: EB-0601194579-2602026038
nur Informationsartikel
Nie mehr lieferbar
keine Alternativen
Pos.
71
BOSCH Rastkappe | Ersatzteile für GSB 20-2 RE | 2600590006
Hersteller: BOSCH
Artikelnummer: EB-0601194579-2600590006
Netto: 3,94 € zzgl. MwSt.
zzgl. 6,90 € Versand (brutto)
einmalig pro Bestellung

Lieferzeit: 5 Werktage

Pos.
73
BOSCH Verstellschieber | Ersatzteile für GSB 20-2 RE | 2602033006
Hersteller: BOSCH
Artikelnummer: EB-0601194579-2602033006
Netto: 4,82 € zzgl. MwSt.
zzgl. 6,90 € Versand (brutto)
einmalig pro Bestellung

Lieferzeit: 5 Werktage

Pos.
76
BOSCH Blechschraube 4x16 MM | Ersatzteile für GSB 20-2 RE | 9618087099
Hersteller: BOSCH
Artikelnummer: EB-0601194579-9618087099
nur Informationsartikel
Nie mehr lieferbar
keine Alternativen
Pos.
77
BOSCH Blechschraube | Ersatzteile für GSB 20-2 RE | 9618087101
Hersteller: BOSCH
Artikelnummer: EB-0601194579-9618087101
nur Informationsartikel
Nie mehr lieferbar
keine Alternativen
Pos.
82
BOSCH Dichtplatte | Ersatzteile für GSB 20-2 RE | F000600112
Hersteller: BOSCH
Artikelnummer: EB-0601194579-F000600112
nur Informationsartikel
Nie mehr lieferbar
keine Alternativen
Pos.
660
BOSCH Bohrfutter | Ersatzteile für GSB 20-2 RE | F000632031
Hersteller: BOSCH
Artikelnummer: EB-0601194579-F000632031
nur Informationsartikel
Nie mehr lieferbar
keine Alternativen
Pos.
661
BOSCH Bohrfutterschlüssel | Ersatzteile für GSB 20-2 RE | 9617081894
Hersteller: BOSCH
Artikelnummer: EB-0601194579-F000632059
nur Informationsartikel
Nie mehr lieferbar
keine Alternativen
Pos.
662
BOSCH Handgriff | Ersatzteile für GSB 20-2 RE | F000633014
Hersteller: BOSCH
Artikelnummer: EB-0601194579-F000633014
Netto: 21,16 € zzgl. MwSt.
zzgl. 6,90 € Versand (brutto)
einmalig pro Bestellung

Lieferzeit: 5 Werktage

Pos.
663
BOSCH Tiefenanschlag SW 6x210 MM | Ersatzteile für GSB 20-2 RE | 1613001005
Hersteller: BOSCH
Artikelnummer: EB-0601194579-1613001005
nur Informationsartikel
Nie mehr lieferbar
keine Alternativen
Pos.
664
BOSCH Senkschraube M6x27 LINKSGEWINDE | Ersatzteile für GSB 20-2 RE | 2603421226
Hersteller: BOSCH
Artikelnummer: EB-0601194579-2603421226
Netto: 3,94 € zzgl. MwSt.
zzgl. 6,90 € Versand (brutto)
einmalig pro Bestellung

Lieferzeit: 5 Werktage

Pos.
801
BOSCH Gehäuse | Ersatzteile für GSB 20-2 RE | 9618089596
Hersteller: BOSCH
Artikelnummer: EB-0601194579-9618089596
nur Informationsartikel
Nie mehr lieferbar
keine Alternativen
Pos.
809
BOSCH Rastscheibe | Ersatzteile für GSB 20-2 RE | 2600190057
Hersteller: BOSCH
Artikelnummer: EB-0601194579-2600190057
nur Informationsartikel
Nie mehr lieferbar
keine Alternativen
Pos.
810
BOSCH Kohlebürste | Ersatzteile für GSB 20-2 RE | 9618088985
Hersteller: BOSCH
Artikelnummer: EB-0601194579-9618088985
Netto: 9,18 € zzgl. MwSt.
zzgl. 6,90 € Versand (brutto)
einmalig pro Bestellung

Lieferzeit: 5 Werktage

Pos.
811
BOSCH Bürstenhalter | Ersatzteile für GSB 20-2 RE | 9618086873
Hersteller: BOSCH
Artikelnummer: EB-0601194579-9618086873
Netto: 4,32 € zzgl. MwSt.
zzgl. 6,90 € Versand (brutto)
einmalig pro Bestellung

Lieferzeit: 5 Werktage

Pos.
812
BOSCH Bürstenhalter | Ersatzteile für GSB 20-2 RE | 9618086872
Hersteller: BOSCH
Artikelnummer: EB-0601194579-9618086872
Netto: 3,94 € zzgl. MwSt.
zzgl. 6,90 € Versand (brutto)
einmalig pro Bestellung

Lieferzeit: 5 Werktage

Angaben zur Produktsicherheit

Hersteller:
Robert Bosch Power Tools GmbH
Postfach 30 02 20
70442 Stuttgart

E-Mail:
kontakt@bosch.de