BOSCH Gehäusedeckel DUNKELBLAU | Ersatzteile für GSB 20-2 RE | 2605132055

Artikelnummer: EB-060119B414-2605132055

Position: 47

Marke: BOSCH


Bitte Kompatibilität prüfen!

Bitte prüfen Sie unbedingt die 10-stellige Typennummer Ihrer Maschine / Ihres Gerätes. Das Ersatzteil ist nur kompatibel, wenn Sie die Typennummer Ihrer Maschine in der unten stehenden Produktbeschreibung finden.

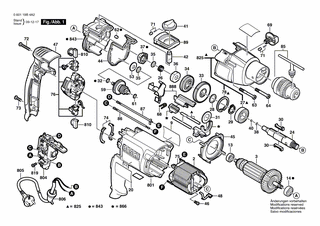
Bitte prüfen Sie ebenfalls detailliert die Explosionszeichnung mit Ihrem Artikelwunsch und der jeweiligen Pos-Nummer.

Alle Elemente, welche vom schwarzen Strich der Pos-Nummer ausgehend berührt / erfasst werden, gehören zu dieser Pos-Nummer und somit zu diesem Artikel. Jede Pos-Nummer ist ein eigenständiger Artikel, welchen Sie in der Auflistung finden.

Sie erhalten stets die aktuellste, neueste Produktversion zu der gewählten Pos-Nummer seitens des Herstellers. Es kann daher je nach Gerätealter vorkommen, dass Sie ggf. weitere, zugehörige Elemente, welche an diese Pos-Nummer grenzen, ebenfalls mittauschen müssen.

Nähere Informationen finden Sie unter dem Link
Hinweise zu Ihrer BOSCH Ersatzteilsuche

Preisübersicht

Einzelpreis: 11,92 €* (Brutto: 14,18 €)
Gesamtpreis: 11,92 €* 
Position:

Lieferzeit: 5 Werktage


Beschreibung

  • Gehäusedeckel DUNKELBLAU
  • Original Bosch Zubehör / BOSCH Ersatzteil (2605132055)
  • im Gerät verbaut: 1
Dieses BOSCH Ersatzteil ist mit folgendem Gerät und Modell kompatibel:
  • BOSCH Gerätename: GSB 20-2 RE
  • BOSCH Explosionszeichnung: Position 47
  • BOSCH Typennummer: 060119B414
  • BOSCH Typennummer alternative Schreibweisen: 0 601 19B 414, 0601 19B 414, 0.601.19B.414, 0-601-19B-414
    Bitte prüfen Sie diese Typennummer auf Ihrem Gerät um die Kompatibilität des BOSCH Ersatzteils zu gewährleisten.
Weitere BOSCH Ersatzteile des Gerätes GSB 20-2 RE (Schlagbohrmaschine) mit der Typennummer 060119B414 finden Sie in der nachfolgenden Darstellung und im Dropdown zu Ihrer Auswahl:

Pos.
2
BOSCH Polschuh 220V | Ersatzteile für GSB 20-2 RE | F000607088
Hersteller: BOSCH
Artikelnummer: EB-060119B414-F000607088
nur Informationsartikel
Nie mehr lieferbar
keine Alternativen
Pos.
3
BOSCH Anker 220V | Ersatzteile für GSB 20-2 RE | F000605131
Hersteller: BOSCH
Artikelnummer: EB-060119B414-F000605131
nur Informationsartikel
Nie mehr lieferbar
keine Alternativen
Pos.
9
BOSCH Firmenschild GSB 20-2 | Ersatzteile für GSB 20-2 RE | F000621619
Hersteller: BOSCH
Artikelnummer: EB-060119B414-F000621619
nur Informationsartikel
Nie mehr lieferbar
keine Alternativen
Pos.
13
BOSCH Rillenkugellager | Ersatzteile für GSB 20-2 RE | F000615056
Hersteller: BOSCH
Artikelnummer: EB-060119B414-F000615056
Netto: 8,34 € zzgl. MwSt.
zzgl. 6,90 € Versand (brutto)
einmalig pro Bestellung

Lieferzeit: 5 Werktage

Pos.
14
BOSCH Rillenkugellager 9x24x7 | Ersatzteile für GSB 20-2 RE | 1610905005
Hersteller: BOSCH
Artikelnummer: EB-060119B414-1610905005
Netto: 12,98 € zzgl. MwSt.
zzgl. 6,90 € Versand (brutto)
einmalig pro Bestellung

Lieferzeit: 5 Werktage

Pos.
20
BOSCH Hinweisschild | Ersatzteile für GSB 20-2 RE | F000621617
Hersteller: BOSCH
Artikelnummer: EB-060119B414-F000621617
nur Informationsartikel
Nie mehr lieferbar
keine Alternativen
Pos.
24
BOSCH Bohrspindel | Ersatzteile für GSB 20-2 RE | 2606135130
Hersteller: BOSCH
Artikelnummer: EB-060119B414-2606135130
Netto: 19,18 € zzgl. MwSt.
zzgl. 6,90 € Versand (brutto)
einmalig pro Bestellung

Lieferzeit: 5 Werktage

Pos.
26
BOSCH Druckfeder | Ersatzteile für GSB 20-2 RE | 2604616013
Hersteller: BOSCH
Artikelnummer: EB-060119B414-2604616013
Netto: 4,32 € zzgl. MwSt.
zzgl. 6,90 € Versand (brutto)
einmalig pro Bestellung

Lieferzeit: 5 Werktage

Pos.
27
BOSCH Rillenkugellager 17x35x10 | Ersatzteile für GSB 20-2 RE | 1900905163
Hersteller: BOSCH
Artikelnummer: EB-060119B414-1900905163
Netto: 9,95 € zzgl. MwSt.
zzgl. 6,90 € Versand (brutto)
einmalig pro Bestellung

Lieferzeit: 5 Werktage

Pos.
28
BOSCH Ausgleichscheibe 0,5 MM | Ersatzteile für GSB 20-2 RE | 2600100695
Hersteller: BOSCH
Artikelnummer: EB-060119B414-2600100695
Netto: 3,94 € zzgl. MwSt.
zzgl. 6,90 € Versand (brutto)
einmalig pro Bestellung

Lieferzeit: 5 Werktage

Pos.
29
BOSCH Sicherungsring DIN 472-24x1,2 MM | Ersatzteile für GSB 20-2 RE | 2916660008
Hersteller: BOSCH
Artikelnummer: EB-060119B414-2916660008
Netto: 4,32 € zzgl. MwSt.
zzgl. 6,90 € Versand (brutto)
einmalig pro Bestellung

Lieferzeit: 5 Werktage

Pos.
30
BOSCH Flachkeil | Ersatzteile für GSB 20-2 RE | 2602300032
Hersteller: BOSCH
Artikelnummer: EB-060119B414-2602300032
Netto: 5,19 € zzgl. MwSt.
zzgl. 6,90 € Versand (brutto)
einmalig pro Bestellung

Lieferzeit: 5 Werktage

Pos.
31
BOSCH Haltescheibe | Ersatzteile für GSB 20-2 RE | 2600101671
Hersteller: BOSCH
Artikelnummer: EB-060119B414-2600101671
Netto: 3,94 € zzgl. MwSt.
zzgl. 6,90 € Versand (brutto)
einmalig pro Bestellung

Lieferzeit: 5 Werktage

Pos.
32
BOSCH Ausgleichscheibe | Ersatzteile für GSB 20-2 RE | 2600101056
Hersteller: BOSCH
Artikelnummer: EB-060119B414-2600101056
Netto: 3,94 € zzgl. MwSt.
zzgl. 6,90 € Versand (brutto)
einmalig pro Bestellung

Lieferzeit: 5 Werktage

Pos.
33
BOSCH Stirnrad | Ersatzteile für GSB 20-2 RE | 2606317084
Hersteller: BOSCH
Artikelnummer: EB-060119B414-2606317084
Netto: 11,92 € zzgl. MwSt.
zzgl. 6,90 € Versand (brutto)
einmalig pro Bestellung

Lieferzeit: 5 Werktage

Pos.
34
BOSCH Stirnrad | Ersatzteile für GSB 20-2 RE | 2606317098
Hersteller: BOSCH
Artikelnummer: EB-060119B414-2606317098
Netto: 10,92 € zzgl. MwSt.
zzgl. 6,90 € Versand (brutto)
einmalig pro Bestellung

Lieferzeit: 5 Werktage

Pos.
35
BOSCH Ausgleichscheibe 0,3 MM | Ersatzteile für GSB 20-2 RE | 2600101047
Hersteller: BOSCH
Artikelnummer: EB-060119B414-2600101047
Netto: 3,94 € zzgl. MwSt.
zzgl. 6,90 € Versand (brutto)
einmalig pro Bestellung

Lieferzeit: 5 Werktage

Pos.
36
BOSCH Rastscheibe | Ersatzteile für GSB 20-2 RE | 2600190090
Hersteller: BOSCH
Artikelnummer: EB-060119B414-2600190090
nur Informationsartikel
Nie mehr lieferbar
keine Alternativen
Pos.
37
BOSCH Rastscheibe | Ersatzteile für GSB 20-2 RE | F000614005
Hersteller: BOSCH
Artikelnummer: EB-060119B414-F000614005
nur Informationsartikel
Nie mehr lieferbar
keine Alternativen
Pos.
38
BOSCH Distanzscheibe 1,0 MM | Ersatzteile für GSB 20-2 RE | 2600000021
Hersteller: BOSCH
Artikelnummer: EB-060119B414-2600000021
Netto: 3,94 € zzgl. MwSt.
zzgl. 6,90 € Versand (brutto)
einmalig pro Bestellung

Lieferzeit: 5 Werktage

Pos.
38
BOSCH Distanzscheibe 1,35 MM | Ersatzteile für GSB 20-2 RE | 2600000030
Hersteller: BOSCH
Artikelnummer: EB-060119B414-2600000030
Netto: 3,94 € zzgl. MwSt.
zzgl. 6,90 € Versand (brutto)
einmalig pro Bestellung

Lieferzeit: 5 Werktage

Pos.
38
BOSCH Distanzscheibe 1,7 MM | Ersatzteile für GSB 20-2 RE | 2600000031
Hersteller: BOSCH
Artikelnummer: EB-060119B414-2600000031
Netto: 3,94 € zzgl. MwSt.
zzgl. 6,90 € Versand (brutto)
einmalig pro Bestellung

Lieferzeit: 5 Werktage

Pos.
40
BOSCH Kugel 5,25 MM | Ersatzteile für GSB 20-2 RE | 2603230007
Hersteller: BOSCH
Artikelnummer: EB-060119B414-2603230007
Netto: 3,63 € zzgl. MwSt.
zzgl. 6,90 € Versand (brutto)
einmalig pro Bestellung

Lieferzeit: 5 Werktage

Pos.
40
BOSCH Kugel DIN 5401-5 G28 | Ersatzteile für GSB 20-2 RE | 1903230009
Hersteller: BOSCH
Artikelnummer: EB-060119B414-1903230009
Netto: 3,63 € zzgl. MwSt.
zzgl. 6,90 € Versand (brutto)
einmalig pro Bestellung

Lieferzeit: 5 Werktage

Pos.
40
BOSCH Kugel DIN 5401-5,5MM-III-ST | Ersatzteile für GSB 20-2 RE | 1903230010
Hersteller: BOSCH
Artikelnummer: EB-060119B414-1903230010
Netto: 3,63 € zzgl. MwSt.
zzgl. 6,90 € Versand (brutto)
einmalig pro Bestellung

Lieferzeit: 5 Werktage

Pos.
41
BOSCH Drehknopf | Ersatzteile für GSB 20-2 RE | 2602026118
Hersteller: BOSCH
Artikelnummer: EB-060119B414-2602026118
nur Informationsartikel
Nie mehr lieferbar
keine Alternativen
Pos.
42
BOSCH Schaltwelle | Ersatzteile für GSB 20-2 RE | 2603120064
Hersteller: BOSCH
Artikelnummer: EB-060119B414-2603120064
Netto: 4,82 € zzgl. MwSt.
zzgl. 6,90 € Versand (brutto)
einmalig pro Bestellung

Lieferzeit: 5 Werktage

Pos.
44
BOSCH Dichtung | Ersatzteile für GSB 20-2 RE | 2601015091
Hersteller: BOSCH
Artikelnummer: EB-060119B414-2601015091
Netto: 5,19 € zzgl. MwSt.
zzgl. 6,90 € Versand (brutto)
einmalig pro Bestellung

Lieferzeit: 5 Werktage

Pos.
45
BOSCH Luftleitblech | Ersatzteile für GSB 20-2 RE | 2600148008
Hersteller: BOSCH
Artikelnummer: EB-060119B414-2600148008
Netto: 4,82 € zzgl. MwSt.
zzgl. 6,90 € Versand (brutto)
einmalig pro Bestellung

Lieferzeit: 5 Werktage

Pos.
46
BOSCH Kreuzschlitzschraube | Ersatzteile für GSB 20-2 RE | F000616052
Hersteller: BOSCH
Artikelnummer: EB-060119B414-F000616052
nur Informationsartikel
Nie mehr lieferbar
keine Alternativen
Pos.
47
BOSCH Gehäusedeckel DUNKELBLAU | Ersatzteile für GSB 20-2 RE | 2605132055
Hersteller: BOSCH
Artikelnummer: EB-060119B414-2605132055
Netto: 11,92 € zzgl. MwSt.
zzgl. 6,90 € Versand (brutto)
einmalig pro Bestellung

Lieferzeit: 5 Werktage

Pos.
48
BOSCH Kontaktfeder | Ersatzteile für GSB 20-2 RE | 2601324048
Hersteller: BOSCH
Artikelnummer: EB-060119B414-2601324048
nur Informationsartikel
Nie mehr lieferbar
keine Alternativen
Pos.
53
BOSCH Tellerfeder | Ersatzteile für GSB 20-2 RE | 2600550008
Hersteller: BOSCH
Artikelnummer: EB-060119B414-2600550008
Netto: 3,94 € zzgl. MwSt.
zzgl. 6,90 € Versand (brutto)
einmalig pro Bestellung

Lieferzeit: 5 Werktage

Pos.
59
BOSCH Vorgelege | Ersatzteile für GSB 20-2 RE | F000617041
Hersteller: BOSCH
Artikelnummer: EB-060119B414-F000617041
Netto: 39,11 € zzgl. MwSt.
zzgl. 6,90 € Versand (brutto)
einmalig pro Bestellung

Lieferzeit: 5 Werktage

Pos.
61
BOSCH Ausgleichscheibe 0,3 MM | Ersatzteile für GSB 20-2 RE | 2600100607
Hersteller: BOSCH
Artikelnummer: EB-060119B414-2600100607
Netto: 3,94 € zzgl. MwSt.
zzgl. 6,90 € Versand (brutto)
einmalig pro Bestellung

Lieferzeit: 5 Werktage

Pos.
62
BOSCH Nadellager Ø6 MM | Ersatzteile für GSB 20-2 RE | 2600914010
Hersteller: BOSCH
Artikelnummer: EB-060119B414-2600914010
Netto: 4,82 € zzgl. MwSt.
zzgl. 6,90 € Versand (brutto)
einmalig pro Bestellung

Lieferzeit: 5 Werktage

Pos.
63
BOSCH Schaftschraube | Ersatzteile für GSB 20-2 RE | 2603435084
Hersteller: BOSCH
Artikelnummer: EB-060119B414-2603435084
Netto: 3,63 € zzgl. MwSt.
zzgl. 6,90 € Versand (brutto)
einmalig pro Bestellung

Lieferzeit: 5 Werktage

Pos.
64
BOSCH Schaftschraube | Ersatzteile für GSB 20-2 RE | 2603435085
Hersteller: BOSCH
Artikelnummer: EB-060119B414-2603435085
Netto: 3,63 € zzgl. MwSt.
zzgl. 6,90 € Versand (brutto)
einmalig pro Bestellung

Lieferzeit: 5 Werktage

Pos.
68
BOSCH Druckfeder | Ersatzteile für GSB 20-2 RE | 2604616014
Hersteller: BOSCH
Artikelnummer: EB-060119B414-2604616014
Netto: 3,63 € zzgl. MwSt.
zzgl. 6,90 € Versand (brutto)
einmalig pro Bestellung

Lieferzeit: 5 Werktage

Pos.
69
BOSCH Drehknopf SCHWARZ | Ersatzteile für GSB 20-2 RE | 2602026117
Hersteller: BOSCH
Artikelnummer: EB-060119B414-2602026117
Netto: 4,32 € zzgl. MwSt.
zzgl. 6,90 € Versand (brutto)
einmalig pro Bestellung

Lieferzeit: 5 Werktage

Pos.
71
BOSCH Rastkappe | Ersatzteile für GSB 20-2 RE | 2600590006
Hersteller: BOSCH
Artikelnummer: EB-060119B414-2600590006
Netto: 3,94 € zzgl. MwSt.
zzgl. 6,90 € Versand (brutto)
einmalig pro Bestellung

Lieferzeit: 5 Werktage

Pos.
73
BOSCH Blechschraube 4x20 MM | Ersatzteile für GSB 20-2 RE | 9618087100
Hersteller: BOSCH
Artikelnummer: EB-060119B414-9618087100
Netto: 3,94 € zzgl. MwSt.
zzgl. 6,90 € Versand (brutto)
einmalig pro Bestellung

Lieferzeit: 5 Werktage

Pos.
74
BOSCH Schaltkontakt | Ersatzteile für GSB 20-2 RE | 1611329024
Hersteller: BOSCH
Artikelnummer: EB-060119B414-1611329024
Netto: 3,94 € zzgl. MwSt.
zzgl. 6,90 € Versand (brutto)
einmalig pro Bestellung

Lieferzeit: 5 Werktage

Pos.
75
BOSCH Adaptermodul | Ersatzteile für GSB 20-2 RE | 1600A0032J
Hersteller: BOSCH
Artikelnummer: EB-060119B414-1614465012
Netto: 3,94 € zzgl. MwSt.
zzgl. 6,90 € Versand (brutto)
einmalig pro Bestellung

Lieferzeit: 5 Werktage

Pos.
76
BOSCH Bürstenplatte | Ersatzteile für GSB 20-2 RE | 1614336061
Hersteller: BOSCH
Artikelnummer: EB-060119B414-1614336061
Netto: 15,75 € zzgl. MwSt.
zzgl. 6,90 € Versand (brutto)
einmalig pro Bestellung

Lieferzeit: 5 Werktage

Pos.
78
BOSCH Sicherungsring DIN 472 35x1,5 MM | Ersatzteile für GSB 20-2 RE | 2916660014
Hersteller: BOSCH
Artikelnummer: EB-060119B414-2916660014
Netto: 3,94 € zzgl. MwSt.
zzgl. 6,90 € Versand (brutto)
einmalig pro Bestellung

Lieferzeit: 5 Werktage

Pos.
85
BOSCH Bohrfutter | Ersatzteile für GSB 20-2 RE | F000632031
Hersteller: BOSCH
Artikelnummer: EB-060119B414-F000632031
nur Informationsartikel
Nie mehr lieferbar
keine Alternativen
Pos.
86
BOSCH Verbindungsleitung | Ersatzteile für GSB 20-2 RE | F000610041
Hersteller: BOSCH
Artikelnummer: EB-060119B414-F000610041
nur Informationsartikel
Nie mehr lieferbar
keine Alternativen
Pos.
87
BOSCH Verbindungsleitung | Ersatzteile für GSB 20-2 RE | F000610042
Hersteller: BOSCH
Artikelnummer: EB-060119B414-F000610042
nur Informationsartikel
Nie mehr lieferbar
keine Alternativen
Pos.
89
BOSCH Blende SCHWARZ | Ersatzteile für GSB 20-2 RE | 2605510206
Hersteller: BOSCH
Artikelnummer: EB-060119B414-2605510206
Netto: 4,53 € zzgl. MwSt.
zzgl. 6,90 € Versand (brutto)
einmalig pro Bestellung

Lieferzeit: 5 Werktage

Pos.
801
BOSCH Motorgehäuse DUNKELBLAU | Ersatzteile für GSB 20-2 RE | F000601286
Hersteller: BOSCH
Artikelnummer: EB-060119B414-F000601286
Netto: 35,89 € zzgl. MwSt.
zzgl. 6,90 € Versand (brutto)
einmalig pro Bestellung

Lieferzeit: 5 Werktage

Pos.
804
BOSCH Schalter | Ersatzteile für GSB 20-2 RE | 2607200586
Hersteller: BOSCH
Artikelnummer: EB-060119B414-2607200586
Netto: 29,45 € zzgl. MwSt.
zzgl. 6,90 € Versand (brutto)
einmalig pro Bestellung

Lieferzeit: 5 Werktage

Pos.
805
BOSCH Netzanschlussleitung BR 2,00m 2 x 1,00mm H05 VVF | Ersatzteile für GSB 20-2 RE | F000609274
Hersteller: BOSCH
Artikelnummer: EB-060119B414-F000609274
Netto: 9,95 € zzgl. MwSt.
zzgl. 6,90 € Versand (brutto)
einmalig pro Bestellung

Lieferzeit: 5 Werktage

Pos.
806
BOSCH Tülle | Ersatzteile für GSB 20-2 RE | 2600707072
Hersteller: BOSCH
Artikelnummer: EB-060119B414-2600707072
Netto: 4,56 € zzgl. MwSt.
zzgl. 6,90 € Versand (brutto)
einmalig pro Bestellung

Lieferzeit: 5 Werktage

Pos.
810
BOSCH Kohlebürstensatz | Ersatzteile für GSB 20-2 RE | 1617000525
Hersteller: BOSCH
Artikelnummer: EB-060119B414-1617000525
Netto: 9,18 € zzgl. MwSt.
zzgl. 6,90 € Versand (brutto)
einmalig pro Bestellung

Lieferzeit: 5 Werktage

Pos.
819
BOSCH Torx-Linsenschraube 3x10 | Ersatzteile für GSB 20-2 RE | 2603490017
Hersteller: BOSCH
Artikelnummer: EB-060119B414-2603490017
Netto: 4,32 € zzgl. MwSt.
zzgl. 6,90 € Versand (brutto)
einmalig pro Bestellung

Lieferzeit: 5 Werktage

Pos.
825
BOSCH Getriebegehäuse | Ersatzteile für GSB 20-2 RE | 2605806892
Hersteller: BOSCH
Artikelnummer: EB-060119B414-2605806892
nur Informationsartikel
Nie mehr lieferbar
keine Alternativen
Pos.
843
BOSCH Lagerbrücke | Ersatzteile für GSB 20-2 RE | 2605700943
Hersteller: BOSCH
Artikelnummer: EB-060119B414-2605700943
Netto: 29,45 € zzgl. MwSt.
zzgl. 6,90 € Versand (brutto)
einmalig pro Bestellung

Lieferzeit: 5 Werktage

Pos.
866
BOSCH Verstellschieber | Ersatzteile für GSB 20-2 RE | 2602033018
Hersteller: BOSCH
Artikelnummer: EB-060119B414-2602033018
Netto: 5,67 € zzgl. MwSt.
zzgl. 6,90 € Versand (brutto)
einmalig pro Bestellung

Lieferzeit: 5 Werktage

Pos.
888
BOSCH Halteplatte SCHWARZ | Ersatzteile für GSB 20-2 RE | 2601328900
Hersteller: BOSCH
Artikelnummer: EB-060119B414-2601328900
Netto: 4,82 € zzgl. MwSt.
zzgl. 6,90 € Versand (brutto)
einmalig pro Bestellung

Lieferzeit: 5 Werktage

Angaben zur Produktsicherheit

Hersteller:
Robert Bosch Power Tools GmbH
Postfach 30 02 20
70442 Stuttgart

E-Mail:
kontakt@bosch.de