BOSCH Halteplatte | Ersatzteile für GSB 20-2 RE | 2609101436

Artikelnummer: EB-3601AA22B0-2609101436

Position: 15/54

Marke: BOSCH


Bitte Kompatibilität prüfen!

Bitte prüfen Sie unbedingt die 10-stellige Typennummer Ihrer Maschine / Ihres Gerätes. Das Ersatzteil ist nur kompatibel, wenn Sie die Typennummer Ihrer Maschine in der unten stehenden Produktbeschreibung finden.

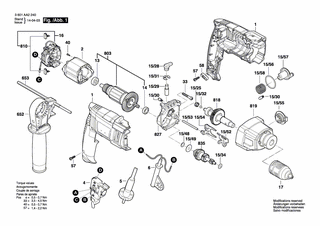
Bitte prüfen Sie ebenfalls detailliert die Explosionszeichnung mit Ihrem Artikelwunsch und der jeweiligen Pos-Nummer.

Alle Elemente, welche vom schwarzen Strich der Pos-Nummer ausgehend berührt / erfasst werden, gehören zu dieser Pos-Nummer und somit zu diesem Artikel. Jede Pos-Nummer ist ein eigenständiger Artikel, welchen Sie in der Auflistung finden.

Sie erhalten stets die aktuellste, neueste Produktversion zu der gewählten Pos-Nummer seitens des Herstellers. Es kann daher je nach Gerätealter vorkommen, dass Sie ggf. weitere, zugehörige Elemente, welche an diese Pos-Nummer grenzen, ebenfalls mittauschen müssen.

Nähere Informationen finden Sie unter dem Link
Hinweise zu Ihrer BOSCH Ersatzteilsuche

Preisübersicht

Einzelpreis: 3,63 €* (Brutto: 4,32 €)
Gesamtpreis: 3,63 €* 
Position:

Lieferzeit: 5 Werktage


Beschreibung

  • Halteplatte
  • Original Bosch Zubehör / BOSCH Ersatzteil (2609101436)
  • im Gerät verbaut: 1
Dieses BOSCH Ersatzteil ist mit folgendem Gerät und Modell kompatibel:
  • BOSCH Gerätename: GSB 20-2 RE
  • BOSCH Explosionszeichnung: Position 15/54
  • BOSCH Typennummer: 3601AA22B0
  • BOSCH Typennummer alternative Schreibweisen: 3 601 AA2 2B0, 3601 AA2 2B0, 3.601.AA2.2B0, 3-601-AA2-2B0
    Bitte prüfen Sie diese Typennummer auf Ihrem Gerät um die Kompatibilität des BOSCH Ersatzteils zu gewährleisten.
Weitere BOSCH Ersatzteile des Gerätes GSB 20-2 RE (Schlagbohrmaschine) mit der Typennummer 3601AA22B0 finden Sie in der nachfolgenden Darstellung und im Dropdown zu Ihrer Auswahl:

Pos.
1
BOSCH Motorgehäuse | Ersatzteile für GSB 20-2 RE | 2609100936
Hersteller: BOSCH
Artikelnummer: EB-3601AA22B0-2609100936
Netto: 17,38 € zzgl. MwSt.
zzgl. 6,90 € Versand (brutto)
einmalig pro Bestellung

Lieferzeit: 5 Werktage

Pos.
15/25
BOSCH Druckfeder | Ersatzteile für GSB 20-2 RE | 2604616006
Hersteller: BOSCH
Artikelnummer: EB-3601AA22B0-2604616006
Netto: 3,94 € zzgl. MwSt.
zzgl. 6,90 € Versand (brutto)
einmalig pro Bestellung

Lieferzeit: 5 Werktage

Pos.
15/28
BOSCH Knopf | Ersatzteile für GSB 20-2 RE | 2609100939
Hersteller: BOSCH
Artikelnummer: EB-3601AA22B0-2609100939
Netto: 3,63 € zzgl. MwSt.
zzgl. 6,90 € Versand (brutto)
einmalig pro Bestellung

Lieferzeit: 5 Werktage

Pos.
15/29
BOSCH Schaltwelle | Ersatzteile für GSB 20-2 RE | 2609111330
Hersteller: BOSCH
Artikelnummer: EB-3601AA22B0-2609111330
Netto: 7,76 € zzgl. MwSt.
zzgl. 6,90 € Versand (brutto)
einmalig pro Bestellung

Lieferzeit: 5 Werktage

Pos.
15/30
BOSCH Rastkappe | Ersatzteile für GSB 20-2 RE | 2600590006
Hersteller: BOSCH
Artikelnummer: EB-3601AA22B0-2600590006
Netto: 3,94 € zzgl. MwSt.
zzgl. 6,90 € Versand (brutto)
einmalig pro Bestellung

Lieferzeit: 5 Werktage

Pos.
15/31
BOSCH Sicherungsscheibe | Ersatzteile für GSB 20-2 RE | 2916080912
Hersteller: BOSCH
Artikelnummer: EB-3601AA22B0-2916080912
Netto: 3,63 € zzgl. MwSt.
zzgl. 6,90 € Versand (brutto)
einmalig pro Bestellung

Lieferzeit: 5 Werktage

Pos.
15/32
BOSCH Kugel DIN 5401-5,5MM-III-ST | Ersatzteile für GSB 20-2 RE | 1903230010
Hersteller: BOSCH
Artikelnummer: EB-3601AA22B0-1903230010
Netto: 3,63 € zzgl. MwSt.
zzgl. 6,90 € Versand (brutto)
einmalig pro Bestellung

Lieferzeit: 5 Werktage

Pos.
15/34
BOSCH Ausgleichscheibe | Ersatzteile für GSB 20-2 RE | 2609111487
Hersteller: BOSCH
Artikelnummer: EB-3601AA22B0-2609111487
Netto: 3,63 € zzgl. MwSt.
zzgl. 6,90 € Versand (brutto)
einmalig pro Bestellung

Lieferzeit: 5 Werktage

Pos.
15/48
BOSCH Ausgleichscheibe 0,3 MM | Ersatzteile für GSB 20-2 RE | 2600101047
Hersteller: BOSCH
Artikelnummer: EB-3601AA22B0-2600101047
Netto: 3,94 € zzgl. MwSt.
zzgl. 6,90 € Versand (brutto)
einmalig pro Bestellung

Lieferzeit: 5 Werktage

Pos.
15/49
BOSCH Tellerfeder | Ersatzteile für GSB 20-2 RE | 2600550008
Hersteller: BOSCH
Artikelnummer: EB-3601AA22B0-2600550008
Netto: 3,94 € zzgl. MwSt.
zzgl. 6,90 € Versand (brutto)
einmalig pro Bestellung

Lieferzeit: 5 Werktage

Pos.
15/52
BOSCH Verstellschieber | Ersatzteile für GSB 20-2 RE | 2609111907
Hersteller: BOSCH
Artikelnummer: EB-3601AA22B0-2609111907
Netto: 4,82 € zzgl. MwSt.
zzgl. 6,90 € Versand (brutto)
einmalig pro Bestellung

Lieferzeit: 5 Werktage

Pos.
15/53
BOSCH Gleitbolzen | Ersatzteile für GSB 20-2 RE | 2609111220
Hersteller: BOSCH
Artikelnummer: EB-3601AA22B0-2609111220
Netto: 3,94 € zzgl. MwSt.
zzgl. 6,90 € Versand (brutto)
einmalig pro Bestellung

Lieferzeit: 5 Werktage

Pos.
15/54
BOSCH Halteplatte | Ersatzteile für GSB 20-2 RE | 2609101436
Hersteller: BOSCH
Artikelnummer: EB-3601AA22B0-2609101436
Netto: 3,63 € zzgl. MwSt.
zzgl. 6,90 € Versand (brutto)
einmalig pro Bestellung

Lieferzeit: 5 Werktage

Pos.
15/55
BOSCH Drehknopf | Ersatzteile für GSB 20-2 RE | 2609101419
Hersteller: BOSCH
Artikelnummer: EB-3601AA22B0-2609101419
Netto: 3,63 € zzgl. MwSt.
zzgl. 6,90 € Versand (brutto)
einmalig pro Bestellung

Lieferzeit: 5 Werktage

Pos.
15/56
BOSCH O-Ring | Ersatzteile für GSB 20-2 RE | 2600206025
Hersteller: BOSCH
Artikelnummer: EB-3601AA22B0-2600206025
Netto: 3,63 € zzgl. MwSt.
zzgl. 6,90 € Versand (brutto)
einmalig pro Bestellung

Lieferzeit: 5 Werktage

Pos.
15/57
BOSCH Kulissenführung | Ersatzteile für GSB 20-2 RE | 2609111893
Hersteller: BOSCH
Artikelnummer: EB-3601AA22B0-2609111893
Netto: 8,33 € zzgl. MwSt.
zzgl. 6,90 € Versand (brutto)
einmalig pro Bestellung

Lieferzeit: 5 Werktage

Pos.
15/58
BOSCH Schenkelfeder | Ersatzteile für GSB 20-2 RE | 2604651026
Hersteller: BOSCH
Artikelnummer: EB-3601AA22B0-2604651026
Netto: 3,94 € zzgl. MwSt.
zzgl. 6,90 € Versand (brutto)
einmalig pro Bestellung

Lieferzeit: 5 Werktage

Pos.
2
BOSCH Polschuh | Ersatzteile für GSB 20-2 RE | 2609120463
Hersteller: BOSCH
Artikelnummer: EB-3601AA22B0-2609120463
Netto: 19,18 € zzgl. MwSt.
zzgl. 6,90 € Versand (brutto)
einmalig pro Bestellung

Lieferzeit: 5 Werktage

Pos.
4
BOSCH Schalter SCHWARZ | Ersatzteile für GSB 20-2 RE | 1607200270
Hersteller: BOSCH
Artikelnummer: EB-3601AA22B0-1607200270
Netto: 15,75 € zzgl. MwSt.
zzgl. 6,90 € Versand (brutto)
einmalig pro Bestellung

Lieferzeit: 5 Werktage

Pos.
6
BOSCH Tülle Ø6,9 MM | Ersatzteile für GSB 20-2 RE | 2600707059
Hersteller: BOSCH
Artikelnummer: EB-3601AA22B0-2600707059
Netto: 5,19 € zzgl. MwSt.
zzgl. 6,90 € Versand (brutto)
einmalig pro Bestellung

Lieferzeit: 5 Werktage

Pos.
9
BOSCH Firmenschild GSB 20-2 RE | Ersatzteile für GSB 20-2 RE | 2609133447
Hersteller: BOSCH
Artikelnummer: EB-3601AA22B0-2609133447
nur Informationsartikel
Nie mehr lieferbar
keine Alternativen
Pos.
13
BOSCH Rillenkugellager DIN 625 627-2Z/C3 | Ersatzteile für GSB 20-2 RE | 1900905020
Hersteller: BOSCH
Artikelnummer: EB-3601AA22B0-1900905020
Netto: 7,76 € zzgl. MwSt.
zzgl. 6,90 € Versand (brutto)
einmalig pro Bestellung

Lieferzeit: 5 Werktage

Pos.
14
BOSCH Rillenkugellager 9x24x7 | Ersatzteile für GSB 20-2 RE | 1900905021
Hersteller: BOSCH
Artikelnummer: EB-3601AA22B0-1900905021
Netto: 6,15 € zzgl. MwSt.
zzgl. 6,90 € Versand (brutto)
einmalig pro Bestellung

Lieferzeit: 5 Werktage

Pos.
16
BOSCH Bürstenplatte | Ersatzteile für GSB 20-2 RE | 2609199439
Hersteller: BOSCH
Artikelnummer: EB-3601AA22B0-2609199439
Netto: 15,75 € zzgl. MwSt.
zzgl. 6,90 € Versand (brutto)
einmalig pro Bestellung

Lieferzeit: 5 Werktage

Pos.
17
BOSCH Schnellspannbohrfutter Ø 1,5-13 MM, 1/2" | Ersatzteile für GSB 20-2 RE | 2608572106
Hersteller: BOSCH
Artikelnummer: EB-3601AA22B0-2608572106
Netto: 77,60 € zzgl. MwSt.
zzgl. 6,90 € Versand (brutto)
einmalig pro Bestellung

Lieferzeit: 5 Werktage

Pos.
33
BOSCH Schaftschraube | Ersatzteile für GSB 20-2 RE | 2609111383
Hersteller: BOSCH
Artikelnummer: EB-3601AA22B0-2609111383
Netto: 3,63 € zzgl. MwSt.
zzgl. 6,90 € Versand (brutto)
einmalig pro Bestellung

Lieferzeit: 5 Werktage

Pos.
40
BOSCH Blechschraube DIN 7981-ST2,2x9,5-C-H | Ersatzteile für GSB 20-2 RE | 2910611002
Hersteller: BOSCH
Artikelnummer: EB-3601AA22B0-2910611002
Netto: 3,63 € zzgl. MwSt.
zzgl. 6,90 € Versand (brutto)
einmalig pro Bestellung

Lieferzeit: 5 Werktage

Pos.
57
BOSCH Schraube 4x16 | Ersatzteile für GSB 20-2 RE | 2603490022
Hersteller: BOSCH
Artikelnummer: EB-3601AA22B0-2603490022
Netto: 3,63 € zzgl. MwSt.
zzgl. 6,90 € Versand (brutto)
einmalig pro Bestellung

Lieferzeit: 5 Werktage

Pos.
58
BOSCH Leitungshalter | Ersatzteile für GSB 20-2 RE | 2601035001
Hersteller: BOSCH
Artikelnummer: EB-3601AA22B0-2601035001
Netto: 3,94 € zzgl. MwSt.
zzgl. 6,90 € Versand (brutto)
einmalig pro Bestellung

Lieferzeit: 5 Werktage

Pos.
652
BOSCH Zusatzhandgriff | Ersatzteile für GSB 20-2 RE | 2609199430
Hersteller: BOSCH
Artikelnummer: EB-3601AA22B0-2609199430
Netto: 9,95 € zzgl. MwSt.
zzgl. 6,90 € Versand (brutto)
einmalig pro Bestellung

Lieferzeit: 5 Werktage

Pos.
653
BOSCH Tiefenanschlag | Ersatzteile für GSB 20-2 RE | 2603001009
Hersteller: BOSCH
Artikelnummer: EB-3601AA22B0-2603001009
Netto: 6,15 € zzgl. MwSt.
zzgl. 6,90 € Versand (brutto)
einmalig pro Bestellung

Lieferzeit: 65 Werktage

Pos.
803
BOSCH Ankersatz 230-240V | Ersatzteile für GSB 20-2 RE | 2609199451
Hersteller: BOSCH
Artikelnummer: EB-3601AA22B0-2609199451
Netto: 35,77 € zzgl. MwSt.
zzgl. 6,90 € Versand (brutto)
einmalig pro Bestellung

Lieferzeit: 5 Werktage

Pos.
808
BOSCH Typschild | Ersatzteile für GSB 20-2 RE | 2609134351
Hersteller: BOSCH
Artikelnummer: EB-3601AA22B0-2609134351
nur Informationsartikel
Nie mehr lieferbar
keine Alternativen
Pos.
810
BOSCH Kohlebürstensatz | Ersatzteile für GSB 20-2 RE | 1617000525
Hersteller: BOSCH
Artikelnummer: EB-3601AA22B0-1617000525
Netto: 9,18 € zzgl. MwSt.
zzgl. 6,90 € Versand (brutto)
einmalig pro Bestellung

Lieferzeit: 5 Werktage

Pos.
818
BOSCH Bohrspindel | Ersatzteile für GSB 20-2 RE | 2609199446
Hersteller: BOSCH
Artikelnummer: EB-3601AA22B0-2609199446
Netto: 19,18 € zzgl. MwSt.
zzgl. 6,90 € Versand (brutto)
einmalig pro Bestellung

Lieferzeit: 5 Werktage

Pos.
819
BOSCH Getriebegehäuse | Ersatzteile für GSB 20-2 RE | 2609199450
Hersteller: BOSCH
Artikelnummer: EB-3601AA22B0-2609199450
Netto: 21,16 € zzgl. MwSt.
zzgl. 6,90 € Versand (brutto)
einmalig pro Bestellung

Lieferzeit: 5 Werktage

Pos.
827
BOSCH Lagerflansch | Ersatzteile für GSB 20-2 RE | 2609199449
Hersteller: BOSCH
Artikelnummer: EB-3601AA22B0-2609199449
Netto: 19,18 € zzgl. MwSt.
zzgl. 6,90 € Versand (brutto)
einmalig pro Bestellung

Lieferzeit: 5 Werktage

Pos.
835
BOSCH Vorgelege | Ersatzteile für GSB 20-2 RE | 2609199447
Hersteller: BOSCH
Artikelnummer: EB-3601AA22B0-2609199447
Netto: 24,13 € zzgl. MwSt.
zzgl. 6,90 € Versand (brutto)
einmalig pro Bestellung

Lieferzeit: 5 Werktage

Angaben zur Produktsicherheit

Hersteller:
Robert Bosch Power Tools GmbH
Postfach 30 02 20
70442 Stuttgart

E-Mail:
kontakt@bosch.de