BOSCH Blechschraube DIN 7981-ST3,9x19-C-H | Ersatzteile für GSB 400-2 | 2910611020

Artikelnummer: EB-060114B106-2910611020

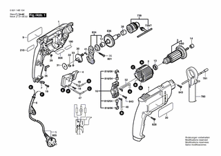
Position: 828

Marke: BOSCH


Bitte Kompatibilität prüfen!

Bitte prüfen Sie unbedingt die 10-stellige Typennummer Ihrer Maschine / Ihres Gerätes. Das Ersatzteil ist nur kompatibel, wenn Sie die Typennummer Ihrer Maschine in der unten stehenden Produktbeschreibung finden.

Bitte prüfen Sie ebenfalls detailliert die Explosionszeichnung mit Ihrem Artikelwunsch und der jeweiligen Pos-Nummer.

Alle Elemente, welche vom schwarzen Strich der Pos-Nummer ausgehend berührt / erfasst werden, gehören zu dieser Pos-Nummer und somit zu diesem Artikel. Jede Pos-Nummer ist ein eigenständiger Artikel, welchen Sie in der Auflistung finden.

Sie erhalten stets die aktuellste, neueste Produktversion zu der gewählten Pos-Nummer seitens des Herstellers. Es kann daher je nach Gerätealter vorkommen, dass Sie ggf. weitere, zugehörige Elemente, welche an diese Pos-Nummer grenzen, ebenfalls mittauschen müssen.

Nähere Informationen finden Sie unter dem Link
Hinweise zu Ihrer BOSCH Ersatzteilsuche

Preisübersicht

Einzelpreis: 3,94 €* (Brutto: 4,69 €)
Gesamtpreis: 3,94 €* 
Position:

Lieferzeit: 5 Werktage


Beschreibung

  • Blechschraube DIN 7981-ST3,9x19-C-H
  • Original Bosch Zubehör / BOSCH Ersatzteil (2910611020)
  • im Gerät verbaut: 1
Dieses BOSCH Ersatzteil ist mit folgendem Gerät und Modell kompatibel:
  • BOSCH Gerätename: GSB 400-2
  • BOSCH Explosionszeichnung: Position 828
  • BOSCH Typennummer: 060114B106
  • BOSCH Typennummer alternative Schreibweisen: 0 601 14B 106, 0601 14B 106, 0.601.14B.106, 0-601-14B-106
    Bitte prüfen Sie diese Typennummer auf Ihrem Gerät um die Kompatibilität des BOSCH Ersatzteils zu gewährleisten.
Weitere BOSCH Ersatzteile des Gerätes GSB 400-2 (Schlagbohrmaschine) mit der Typennummer 060114B106 finden Sie in der nachfolgenden Darstellung und im Dropdown zu Ihrer Auswahl:

Pos.
1
BOSCH Gehäuse | Ersatzteile für GSB 400-2 | 2609100142
Hersteller: BOSCH
Artikelnummer: EB-060114B106-2609100142
nur Informationsartikel
Nie mehr lieferbar
keine Alternativen
Pos.
3/60
BOSCH Lüfter | Ersatzteile für GSB 400-2 | 1606610116
Hersteller: BOSCH
Artikelnummer: EB-060114B106-1606610116
Netto: 5,34 € zzgl. MwSt.
zzgl. 6,90 € Versand (brutto)
einmalig pro Bestellung

Lieferzeit: 5 Werktage

Pos.
3/60
BOSCH Ventilator | Ersatzteile für GSB 400-2 | 1619P11262
Hersteller: BOSCH
Artikelnummer: EB-060114B106-1619P11262
Netto: 4,82 € zzgl. MwSt.
zzgl. 6,90 € Versand (brutto)
einmalig pro Bestellung

Lieferzeit: 5 Werktage

Pos.
739/7
BOSCH Bohrfutterschlüssel SG2 | Ersatzteile für GSB 400-2 | 2607950007
Hersteller: BOSCH
Artikelnummer: EB-060114B106-2607950007
Netto: 7,30 € zzgl. MwSt.
zzgl. 6,90 € Versand (brutto)
einmalig pro Bestellung

Lieferzeit: 5 Werktage

Pos.
816/04
BOSCH Kohlebürstensatz | Ersatzteile für GSB 400-2 | 2604321911
Hersteller: BOSCH
Artikelnummer: EB-060114B106-2604321911
nur Informationsartikel
Nie mehr lieferbar
keine Alternativen
Pos.
816/06
BOSCH Rastkappe | Ersatzteile für GSB 400-2 | 2601322013
Hersteller: BOSCH
Artikelnummer: EB-060114B106-2601322013
Netto: 3,94 € zzgl. MwSt.
zzgl. 6,90 € Versand (brutto)
einmalig pro Bestellung

Lieferzeit: 5 Werktage

Pos.
2
BOSCH Polschuh 220-240V | Ersatzteile für GSB 400-2 | 2604220423
Hersteller: BOSCH
Artikelnummer: EB-060114B106-2604220423
nur Informationsartikel
Nie mehr lieferbar
keine Alternativen
Pos.
3
BOSCH Anker Mit Lüfter 220-240V | Ersatzteile für GSB 400-2 | 2604011243
Hersteller: BOSCH
Artikelnummer: EB-060114B106-2604011243
nur Informationsartikel
Nie mehr lieferbar
keine Alternativen
Pos.
4
BOSCH Schalter | Ersatzteile für GSB 400-2 | 2607200373
Hersteller: BOSCH
Artikelnummer: EB-060114B106-2607200373
nur Informationsartikel
Nie mehr lieferbar
keine Alternativen
Pos.
5
BOSCH Netzanschlussleitung GB 230V 2,65m 2 x 0,75mm H05 VV-F | Ersatzteile für GSB 400-2 | 1604460260
Hersteller: BOSCH
Artikelnummer: EB-060114B106-1604460260
Netto: 9,95 € zzgl. MwSt.
zzgl. 6,90 € Versand (brutto)
einmalig pro Bestellung

Lieferzeit: 5 Werktage

Pos.
6
BOSCH Tülle Ø6,9 MM | Ersatzteile für GSB 400-2 | 2600707059
Hersteller: BOSCH
Artikelnummer: EB-060114B106-2600707059
Netto: 5,19 € zzgl. MwSt.
zzgl. 6,90 € Versand (brutto)
einmalig pro Bestellung

Lieferzeit: 5 Werktage

Pos.
7
BOSCH Leitungshalter | Ersatzteile für GSB 400-2 | 2601035001
Hersteller: BOSCH
Artikelnummer: EB-060114B106-2601035001
Netto: 3,94 € zzgl. MwSt.
zzgl. 6,90 € Versand (brutto)
einmalig pro Bestellung

Lieferzeit: 5 Werktage

Pos.
9
BOSCH Firmenschild | Ersatzteile für GSB 400-2 | 2609130740
Hersteller: BOSCH
Artikelnummer: EB-060114B106-2609130740
nur Informationsartikel
Nie mehr lieferbar
keine Alternativen
Pos.
13
BOSCH Rillenkugellager 8x19x6 | Ersatzteile für GSB 400-2 | 2600905046
Hersteller: BOSCH
Artikelnummer: EB-060114B106-2600905046
Netto: 9,95 € zzgl. MwSt.
zzgl. 6,90 € Versand (brutto)
einmalig pro Bestellung

Lieferzeit: 5 Werktage

Pos.
14
BOSCH Nadelhülse | Ersatzteile für GSB 400-2 | 2609110136
Hersteller: BOSCH
Artikelnummer: EB-060114B106-2609110136
Netto: 4,33 € zzgl. MwSt.
zzgl. 6,90 € Versand (brutto)
einmalig pro Bestellung

Lieferzeit: 5 Werktage

Pos.
16
BOSCH Bürstenplatte | Ersatzteile für GSB 400-2 | 2609992607
Hersteller: BOSCH
Artikelnummer: EB-060114B106-2609992607
nur Informationsartikel
Nie mehr lieferbar
keine Alternativen
Pos.
18
BOSCH Zylinderschraube M3x6,5-4.8 | Ersatzteile für GSB 400-2 | 2603410001
Hersteller: BOSCH
Artikelnummer: EB-060114B106-2603410001
Netto: 3,94 € zzgl. MwSt.
zzgl. 6,90 € Versand (brutto)
einmalig pro Bestellung

Lieferzeit: 5 Werktage

Pos.
19
BOSCH Blechschraube DIN 7981-ST3,9x16-C-H | Ersatzteile für GSB 400-2 | 2910611019
Hersteller: BOSCH
Artikelnummer: EB-060114B106-2910611019
nur Informationsartikel
Nie mehr lieferbar
keine Alternativen
Pos.
20
BOSCH Hinweisschild | Ersatzteile für GSB 400-2 | 2609130411
Hersteller: BOSCH
Artikelnummer: EB-060114B106-2609130411
nur Informationsartikel
Nie mehr lieferbar
keine Alternativen
Pos.
26
BOSCH Dämmplatte | Ersatzteile für GSB 400-2 | 2601022000
Hersteller: BOSCH
Artikelnummer: EB-060114B106-2601022000
nur Informationsartikel
Nie mehr lieferbar
keine Alternativen
Pos.
29
BOSCH O-Ring 5,0x1,5 MM | Ersatzteile für GSB 400-2 | 1900210000
Hersteller: BOSCH
Artikelnummer: EB-060114B106-1900210000
Netto: 3,94 € zzgl. MwSt.
zzgl. 6,90 € Versand (brutto)
einmalig pro Bestellung

Lieferzeit: 5 Werktage

Pos.
30
BOSCH Schaltscheibe | Ersatzteile für GSB 400-2 | 2601990000
Hersteller: BOSCH
Artikelnummer: EB-060114B106-2601990000
nur Informationsartikel
Nie mehr lieferbar
keine Alternativen
Pos.
31
BOSCH Stützscheibe | Ersatzteile für GSB 400-2 | 2600100034
Hersteller: BOSCH
Artikelnummer: EB-060114B106-2600100034
Netto: 3,63 € zzgl. MwSt.
zzgl. 6,90 € Versand (brutto)
einmalig pro Bestellung

Lieferzeit: 5 Werktage

Pos.
32
BOSCH Druckplatte | Ersatzteile für GSB 400-2 | 2600025005
Hersteller: BOSCH
Artikelnummer: EB-060114B106-2600025005
Netto: 3,63 € zzgl. MwSt.
zzgl. 6,90 € Versand (brutto)
einmalig pro Bestellung

Lieferzeit: 5 Werktage

Pos.
33
BOSCH Kugel DIN 5401-6 G28 | Ersatzteile für GSB 400-2 | 1903230011
Hersteller: BOSCH
Artikelnummer: EB-060114B106-1903230011
Netto: 4,53 € zzgl. MwSt.
zzgl. 6,90 € Versand (brutto)
einmalig pro Bestellung

Lieferzeit: 5 Werktage

Pos.
35
BOSCH Linsenschraube DIN 7985-M4x25-8.8 | Ersatzteile für GSB 400-2 | 2910951132
Hersteller: BOSCH
Artikelnummer: EB-060114B106-2910951132
nur Informationsartikel
Nie mehr lieferbar
keine Alternativen
Pos.
38
BOSCH Sinterbuchse | Ersatzteile für GSB 400-2 | 2600301013
Hersteller: BOSCH
Artikelnummer: EB-060114B106-2600301013
nur Informationsartikel
Nie mehr lieferbar
keine Alternativen
Pos.
41
BOSCH Tellerfeder | Ersatzteile für GSB 400-2 | 2601290014
Hersteller: BOSCH
Artikelnummer: EB-060114B106-2601290014
nur Informationsartikel
Nie mehr lieferbar
keine Alternativen
Pos.
46
BOSCH Elektr Leitung L=173 MM WEISS | Ersatzteile für GSB 400-2 | 2604448060
Hersteller: BOSCH
Artikelnummer: EB-060114B106-2604448060
nur Informationsartikel
Nie mehr lieferbar
keine Alternativen
Pos.
47
BOSCH Elektr Leitung L=98 MM SCHWARZ | Ersatzteile für GSB 400-2 | 2604448045
Hersteller: BOSCH
Artikelnummer: EB-060114B106-2604448045
nur Informationsartikel
Nie mehr lieferbar
keine Alternativen
Pos.
48
BOSCH Verbindungskabel L=88 MM WEISS | Ersatzteile für GSB 400-2 | 2604448130
Hersteller: BOSCH
Artikelnummer: EB-060114B106-2604448130
Netto: 3,94 € zzgl. MwSt.
zzgl. 6,90 € Versand (brutto)
einmalig pro Bestellung

Lieferzeit: 5 Werktage

Pos.
52
BOSCH Verbindungsleitung L=73 MM WEISS | Ersatzteile für GSB 400-2 | 2604448123
Hersteller: BOSCH
Artikelnummer: EB-060114B106-2604448123
nur Informationsartikel
Nie mehr lieferbar
keine Alternativen
Pos.
739
BOSCH Zahnkranzbohrfutter Ø 1-10 MM, 3/8" | Ersatzteile für GSB 400-2 | 1608571047
Hersteller: BOSCH
Artikelnummer: EB-060114B106-1608571047
nur Informationsartikel
Nie mehr lieferbar
keine Alternativen
Pos.
739
BOSCH Zahnkranzbohrfutter Ø1,5-10 MM, 3/8" | Ersatzteile für GSB 400-2 | 1608571053
Hersteller: BOSCH
Artikelnummer: EB-060114B106-1608571053
nur Informationsartikel
Nie mehr lieferbar
keine Alternativen
Pos.
780
BOSCH Zusatzhandgriff Ø43 MM SCHWARZ | Ersatzteile für GSB 400-2 | 2602025032
Hersteller: BOSCH
Artikelnummer: EB-060114B106-2602025032
nur Informationsartikel
Nie mehr lieferbar
keine Alternativen
Pos.
781
BOSCH Tiefenanschlag | Ersatzteile für GSB 400-2 | 2607010026
Hersteller: BOSCH
Artikelnummer: EB-060114B106-2607010026
nur Informationsartikel
Nie mehr lieferbar
keine Alternativen
Pos.
808
BOSCH Typschild | Ersatzteile für GSB 400-2 | 160111A3H3
Hersteller: BOSCH
Artikelnummer: EB-060114B106-160111A3H3
Netto: 4,53 € zzgl. MwSt.
zzgl. 6,90 € Versand (brutto)
einmalig pro Bestellung

Lieferzeit: 5 Werktage

Pos.
828
BOSCH Blechschraube DIN 7981-ST3,9x19-C-H | Ersatzteile für GSB 400-2 | 2910611020
Hersteller: BOSCH
Artikelnummer: EB-060114B106-2910611020
Netto: 3,94 € zzgl. MwSt.
zzgl. 6,90 € Versand (brutto)
einmalig pro Bestellung

Lieferzeit: 5 Werktage

Pos.
834
BOSCH Lagerbrücke | Ersatzteile für GSB 400-2 | 2609110137
Hersteller: BOSCH
Artikelnummer: EB-060114B106-2609110137
nur Informationsartikel
Nie mehr lieferbar
keine Alternativen
Pos.
836
BOSCH Bohrspindel Z=45 | Ersatzteile für GSB 400-2 | 2606135909
Hersteller: BOSCH
Artikelnummer: EB-060114B106-2606135909
nur Informationsartikel
Nie mehr lieferbar
keine Alternativen
Pos.
843
BOSCH Blechschraube DIN 7981-ST2,9x13-C-H | Ersatzteile für GSB 400-2 | 2910611006
Hersteller: BOSCH
Artikelnummer: EB-060114B106-2910611006
Netto: 3,94 € zzgl. MwSt.
zzgl. 6,90 € Versand (brutto)
einmalig pro Bestellung

Lieferzeit: 5 Werktage

Angaben zur Produktsicherheit

Hersteller:
Robert Bosch Power Tools GmbH
Postfach 30 02 20
70442 Stuttgart

E-Mail:
kontakt@bosch.de