BOSCH Firmenschild | Ersatzteile für GSB 550 RE | 2609130421

Artikelnummer: EB-060114D737-2609130421

Position: 9

Marke: BOSCH


Bitte Kompatibilität prüfen!

Bitte prüfen Sie unbedingt die 10-stellige Typennummer Ihrer Maschine / Ihres Gerätes. Das Ersatzteil ist nur kompatibel, wenn Sie die Typennummer Ihrer Maschine in der unten stehenden Produktbeschreibung finden.

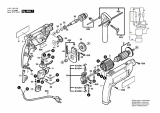
Bitte prüfen Sie ebenfalls detailliert die Explosionszeichnung mit Ihrem Artikelwunsch und der jeweiligen Pos-Nummer.

Alle Elemente, welche vom schwarzen Strich der Pos-Nummer ausgehend berührt / erfasst werden, gehören zu dieser Pos-Nummer und somit zu diesem Artikel. Jede Pos-Nummer ist ein eigenständiger Artikel, welchen Sie in der Auflistung finden.

Sie erhalten stets die aktuellste, neueste Produktversion zu der gewählten Pos-Nummer seitens des Herstellers. Es kann daher je nach Gerätealter vorkommen, dass Sie ggf. weitere, zugehörige Elemente, welche an diese Pos-Nummer grenzen, ebenfalls mittauschen müssen.

Nähere Informationen finden Sie unter dem Link
Hinweise zu Ihrer BOSCH Ersatzteilsuche

Preisübersicht

Einzelpreis: 5,21 €* (Brutto: 6,20 €)
Gesamtpreis: 5,21 €* 
Position:

Lieferzeit: 5 Werktage


Beschreibung

  • Firmenschild
  • Original Bosch Zubehör / BOSCH Ersatzteil (2609130421)
  • im Gerät verbaut: 1
Dieses BOSCH Ersatzteil ist mit folgendem Gerät und Modell kompatibel:
  • BOSCH Gerätename: GSB 550 RE
  • BOSCH Explosionszeichnung: Position 9
  • BOSCH Typennummer: 060114D737
  • BOSCH Typennummer alternative Schreibweisen: 0 601 14D 737, 0601 14D 737, 0.601.14D.737, 0-601-14D-737
    Bitte prüfen Sie diese Typennummer auf Ihrem Gerät um die Kompatibilität des BOSCH Ersatzteils zu gewährleisten.
Weitere BOSCH Ersatzteile des Gerätes GSB 550 RE (Schlagbohrmaschine) mit der Typennummer 060114D737 finden Sie in der nachfolgenden Darstellung und im Dropdown zu Ihrer Auswahl:

Pos.
1
BOSCH Gehäuseschale | Ersatzteile für GSB 550 RE | 2609100143
Hersteller: BOSCH
Artikelnummer: EB-060114D737-2609100143
nur Informationsartikel
Nie mehr lieferbar
keine Alternativen
Pos.
3/50
BOSCH Lüfter | Ersatzteile für GSB 550 RE | 2606610029
Hersteller: BOSCH
Artikelnummer: EB-060114D737-2606610029
Netto: 4,53 € zzgl. MwSt.
zzgl. 6,90 € Versand (brutto)
einmalig pro Bestellung

Lieferzeit: 5 Werktage

Pos.
816/04
BOSCH Kohlebürstensatz | Ersatzteile für GSB 550 RE | 2604321917
Hersteller: BOSCH
Artikelnummer: EB-060114D737-2604321917
nur Informationsartikel
Nie mehr lieferbar
keine Alternativen
Pos.
816/06
BOSCH Rastkappe | Ersatzteile für GSB 550 RE | 2601329051
Hersteller: BOSCH
Artikelnummer: EB-060114D737-2601329051
Netto: 3,94 € zzgl. MwSt.
zzgl. 6,90 € Versand (brutto)
einmalig pro Bestellung

Lieferzeit: 5 Werktage

Pos.
2
BOSCH Polschuh 220-240V | Ersatzteile für GSB 550 RE | 2604220562
Hersteller: BOSCH
Artikelnummer: EB-060114D737-2604220562
nur Informationsartikel
Nie mehr lieferbar
keine Alternativen
Pos.
3
BOSCH Anker 220-240V | Ersatzteile für GSB 550 RE | 2604011084
Hersteller: BOSCH
Artikelnummer: EB-060114D737-2604011084
nur Informationsartikel
Nie mehr lieferbar
keine Alternativen
Pos.
4
BOSCH Schalter ROT | Ersatzteile für GSB 550 RE | 1607200172
Hersteller: BOSCH
Artikelnummer: EB-060114D737-1607200172
nur Informationsartikel
Nie mehr lieferbar
keine Alternativen
Pos.
5
BOSCH Netzanschlussleitung AUS 2,6m 2 x 0,75mm PVC | Ersatzteile für GSB 550 RE | 2604460157
Hersteller: BOSCH
Artikelnummer: EB-060114D737-2604460157
Netto: 29,45 € zzgl. MwSt.
zzgl. 6,90 € Versand (brutto)
einmalig pro Bestellung

Lieferzeit: 5 Werktage

Pos.
6
BOSCH Tülle Ø11,6-Ø12,5x84 MM | Ersatzteile für GSB 550 RE | 2600707060
Hersteller: BOSCH
Artikelnummer: EB-060114D737-2600707060
Netto: 4,53 € zzgl. MwSt.
zzgl. 6,90 € Versand (brutto)
einmalig pro Bestellung

Lieferzeit: 5 Werktage

Pos.
7
BOSCH Leitungshalter | Ersatzteile für GSB 550 RE | 2601035001
Hersteller: BOSCH
Artikelnummer: EB-060114D737-2601035001
Netto: 3,94 € zzgl. MwSt.
zzgl. 6,90 € Versand (brutto)
einmalig pro Bestellung

Lieferzeit: 5 Werktage

Pos.
9
BOSCH Firmenschild | Ersatzteile für GSB 550 RE | 2609130421
Hersteller: BOSCH
Artikelnummer: EB-060114D737-2609130421
Netto: 5,21 € zzgl. MwSt.
zzgl. 6,90 € Versand (brutto)
einmalig pro Bestellung

Lieferzeit: 5 Werktage

Pos.
12
BOSCH Entstörfilter | Ersatzteile für GSB 550 RE | 2607329114
Hersteller: BOSCH
Artikelnummer: EB-060114D737-2607329114
nur Informationsartikel
Nie mehr lieferbar
keine Alternativen
Pos.
13
BOSCH Kugellager 7x19x6 | Ersatzteile für GSB 550 RE | 2600905032
Hersteller: BOSCH
Artikelnummer: EB-060114D737-2600905032
Netto: 6,15 € zzgl. MwSt.
zzgl. 6,90 € Versand (brutto)
einmalig pro Bestellung

Lieferzeit: 30 Werktage

Pos.
14
BOSCH Nadelhülse | Ersatzteile für GSB 550 RE | 2600914019
Hersteller: BOSCH
Artikelnummer: EB-060114D737-2600914019
Netto: 6,15 € zzgl. MwSt.
zzgl. 6,90 € Versand (brutto)
einmalig pro Bestellung

Lieferzeit: 5 Werktage

Pos.
16
BOSCH Bürstenplatte | Ersatzteile für GSB 550 RE | 2609992618
Hersteller: BOSCH
Artikelnummer: EB-060114D737-2609992618
nur Informationsartikel
Nie mehr lieferbar
keine Alternativen
Pos.
18
BOSCH Zylinderschraube M3x6,5-4.8 | Ersatzteile für GSB 550 RE | 2603410001
Hersteller: BOSCH
Artikelnummer: EB-060114D737-2603410001
Netto: 3,94 € zzgl. MwSt.
zzgl. 6,90 € Versand (brutto)
einmalig pro Bestellung

Lieferzeit: 5 Werktage

Pos.
19
BOSCH Blechschraube DIN 7981-ST3,9x16-C-H | Ersatzteile für GSB 550 RE | 2910611019
Hersteller: BOSCH
Artikelnummer: EB-060114D737-2910611019
nur Informationsartikel
Nie mehr lieferbar
keine Alternativen
Pos.
20
BOSCH Hinweisschild | Ersatzteile für GSB 550 RE | 2609130422
Hersteller: BOSCH
Artikelnummer: EB-060114D737-2609130422
Netto: 5,21 € zzgl. MwSt.
zzgl. 6,90 € Versand (brutto)
einmalig pro Bestellung

Lieferzeit: 5 Werktage

Pos.
25
BOSCH Umschalter | Ersatzteile für GSB 550 RE | 2607200231
Hersteller: BOSCH
Artikelnummer: EB-060114D737-2607200231
Netto: 14,36 € zzgl. MwSt.
zzgl. 6,90 € Versand (brutto)
einmalig pro Bestellung

Lieferzeit: 5 Werktage

Pos.
27
BOSCH Blechschraube DIN 7981-B2,9x16-C-H | Ersatzteile für GSB 550 RE | 2910611007
Hersteller: BOSCH
Artikelnummer: EB-060114D737-2910611007
Netto: 3,63 € zzgl. MwSt.
zzgl. 6,90 € Versand (brutto)
einmalig pro Bestellung

Lieferzeit: 5 Werktage

Pos.
29
BOSCH Dämmplatte | Ersatzteile für GSB 550 RE | 2601022000
Hersteller: BOSCH
Artikelnummer: EB-060114D737-2601022000
nur Informationsartikel
Nie mehr lieferbar
keine Alternativen
Pos.
30
BOSCH Bohrspindel | Ersatzteile für GSB 550 RE | 2609110126
Hersteller: BOSCH
Artikelnummer: EB-060114D737-2609110126
nur Informationsartikel
Nie mehr lieferbar
keine Alternativen
Pos.
31
BOSCH Ausgleichscheibe 0,2 MM | Ersatzteile für GSB 550 RE | 2600100692
Hersteller: BOSCH
Artikelnummer: EB-060114D737-2600100692
nur Informationsartikel
Nie mehr lieferbar
keine Alternativen
Pos.
32
BOSCH Druckfeder | Ersatzteile für GSB 550 RE | 2604617006
Hersteller: BOSCH
Artikelnummer: EB-060114D737-2604617006
nur Informationsartikel
Nie mehr lieferbar
keine Alternativen
Pos.
33
BOSCH Sinterbuchse | Ersatzteile für GSB 550 RE | 2600301028
Hersteller: BOSCH
Artikelnummer: EB-060114D737-2600301028
nur Informationsartikel
Nie mehr lieferbar
keine Alternativen
Pos.
34
BOSCH Stirnrad | Ersatzteile für GSB 550 RE | 2606320060
Hersteller: BOSCH
Artikelnummer: EB-060114D737-2606320060
nur Informationsartikel
Nie mehr lieferbar
keine Alternativen
Pos.
35
BOSCH Kugel DIN 5401-5,5MM-III-ST | Ersatzteile für GSB 550 RE | 1903230010
Hersteller: BOSCH
Artikelnummer: EB-060114D737-1903230010
Netto: 3,63 € zzgl. MwSt.
zzgl. 6,90 € Versand (brutto)
einmalig pro Bestellung

Lieferzeit: 5 Werktage

Pos.
36
BOSCH Schaltscheibe SCHWARZ | Ersatzteile für GSB 550 RE | 2601990001
Hersteller: BOSCH
Artikelnummer: EB-060114D737-2601990001
nur Informationsartikel
Nie mehr lieferbar
keine Alternativen
Pos.
37
BOSCH Druckplatte | Ersatzteile für GSB 550 RE | 2601074003
Hersteller: BOSCH
Artikelnummer: EB-060114D737-2601074003
Netto: 3,63 € zzgl. MwSt.
zzgl. 6,90 € Versand (brutto)
einmalig pro Bestellung

Lieferzeit: 5 Werktage

Pos.
38
BOSCH Lagerbrücke | Ersatzteile für GSB 550 RE | 2609110369
Hersteller: BOSCH
Artikelnummer: EB-060114D737-2609110369
nur Informationsartikel
Nie mehr lieferbar
keine Alternativen
Pos.
41
BOSCH Unterlegscheibe | Ersatzteile für GSB 550 RE | 2600100066
Hersteller: BOSCH
Artikelnummer: EB-060114D737-2600100066
Netto: 3,63 € zzgl. MwSt.
zzgl. 6,90 € Versand (brutto)
einmalig pro Bestellung

Lieferzeit: 5 Werktage

Pos.
45
BOSCH Distanzring | Ersatzteile für GSB 550 RE | 2600209012
Hersteller: BOSCH
Artikelnummer: EB-060114D737-2600209012
nur Informationsartikel
Nie mehr lieferbar
keine Alternativen
Pos.
47
BOSCH O-Ring 5,0x1,5 MM | Ersatzteile für GSB 550 RE | 1900210000
Hersteller: BOSCH
Artikelnummer: EB-060114D737-1900210000
Netto: 3,94 € zzgl. MwSt.
zzgl. 6,90 € Versand (brutto)
einmalig pro Bestellung

Lieferzeit: 5 Werktage

Pos.
48
BOSCH Filzstreifen | Ersatzteile für GSB 550 RE | 2601005011
Hersteller: BOSCH
Artikelnummer: EB-060114D737-2601005011
Netto: 4,39 € zzgl. MwSt.
zzgl. 6,90 € Versand (brutto)
einmalig pro Bestellung

Lieferzeit: 5 Werktage

Pos.
49
BOSCH Elektr Leitung L=173 MM WEISS | Ersatzteile für GSB 550 RE | 2604448060
Hersteller: BOSCH
Artikelnummer: EB-060114D737-2604448060
nur Informationsartikel
Nie mehr lieferbar
keine Alternativen
Pos.
50
BOSCH Elektr Leitung L=98 MM SCHWARZ | Ersatzteile für GSB 550 RE | 2604448045
Hersteller: BOSCH
Artikelnummer: EB-060114D737-2604448045
nur Informationsartikel
Nie mehr lieferbar
keine Alternativen
Pos.
51
BOSCH Verbindungsleitung L=88 MM WEISS | Ersatzteile für GSB 550 RE | 2604448034
Hersteller: BOSCH
Artikelnummer: EB-060114D737-2604448034
Netto: 3,94 € zzgl. MwSt.
zzgl. 6,90 € Versand (brutto)
einmalig pro Bestellung

Lieferzeit: 5 Werktage

Pos.
52
BOSCH Verbindungsleitung L=103 MM BLAU | Ersatzteile für GSB 550 RE | 2604448132
Hersteller: BOSCH
Artikelnummer: EB-060114D737-2604448132
Netto: 3,63 € zzgl. MwSt.
zzgl. 6,90 € Versand (brutto)
einmalig pro Bestellung

Lieferzeit: 5 Werktage

Pos.
53
BOSCH Verbindungskabel L=73 MM WEISS | Ersatzteile für GSB 550 RE | 2604448115
Hersteller: BOSCH
Artikelnummer: EB-060114D737-2604448115
Netto: 3,63 € zzgl. MwSt.
zzgl. 6,90 € Versand (brutto)
einmalig pro Bestellung

Lieferzeit: 5 Werktage

Pos.
55
BOSCH Erdleitung | Ersatzteile für GSB 550 RE | 2604448103
Hersteller: BOSCH
Artikelnummer: EB-060114D737-2604448103
nur Informationsartikel
Nie mehr lieferbar
keine Alternativen
Pos.
654
BOSCH Zusatzhandgriff | Ersatzteile für GSB 550 RE | 2602025094
Hersteller: BOSCH
Artikelnummer: EB-060114D737-2602025094
Netto: 7,76 € zzgl. MwSt.
zzgl. 6,90 € Versand (brutto)
einmalig pro Bestellung

Lieferzeit: 5 Werktage

Pos.
655
BOSCH Tiefenanschlag | Ersatzteile für GSB 550 RE | 2609005615
Hersteller: BOSCH
Artikelnummer: EB-060114D737-2609005615
Netto: 5,67 € zzgl. MwSt.
zzgl. 6,90 € Versand (brutto)
einmalig pro Bestellung

Lieferzeit: 5 Werktage

Pos.
798
BOSCH Bohreraufnahme | Ersatzteile für GSB 550 RE | 2607000122
Hersteller: BOSCH
Artikelnummer: EB-060114D737-2607000122
nur Informationsartikel
Nie mehr lieferbar
keine Alternativen
Pos.
808
BOSCH Typschild | Ersatzteile für GSB 550 RE | 160111A3H3
Hersteller: BOSCH
Artikelnummer: EB-060114D737-160111A3H3
Netto: 4,53 € zzgl. MwSt.
zzgl. 6,90 € Versand (brutto)
einmalig pro Bestellung

Lieferzeit: 5 Werktage

Pos.
826
BOSCH Blechschraube DIN 7981-3,9x19-C-Z-ST | Ersatzteile für GSB 550 RE | 2912401020
Hersteller: BOSCH
Artikelnummer: EB-060114D737-2912401020
Netto: 3,63 € zzgl. MwSt.
zzgl. 6,90 € Versand (brutto)
einmalig pro Bestellung

Lieferzeit: 5 Werktage

Pos.
828
BOSCH Zylinderschraube DIN 84-BM4x30-8.8 | Ersatzteile für GSB 550 RE | 2910021134
Hersteller: BOSCH
Artikelnummer: EB-060114D737-2910021134
Netto: 3,94 € zzgl. MwSt.
zzgl. 6,90 € Versand (brutto)
einmalig pro Bestellung

Lieferzeit: 5 Werktage

Pos.
839
BOSCH Lagerbuchse | Ersatzteile für GSB 550 RE | 2609110370
Hersteller: BOSCH
Artikelnummer: EB-060114D737-2609110370
nur Informationsartikel
Nie mehr lieferbar
keine Alternativen
Pos.
856
BOSCH Zahnkranzbohrfutter Ø1,5-13 MM | Ersatzteile für GSB 550 RE | 1608571080
Hersteller: BOSCH
Artikelnummer: EB-060114D737-1608571080
Netto: 24,13 € zzgl. MwSt.
zzgl. 6,90 € Versand (brutto)
einmalig pro Bestellung

Lieferzeit: 5 Werktage

Angaben zur Produktsicherheit

Hersteller:
Robert Bosch Power Tools GmbH
Postfach 30 02 20
70442 Stuttgart

E-Mail:
kontakt@bosch.de