BOSCH Tiefenanschlag | Ersatzteile für GSB 550 RE | 2609005615

Artikelnummer: EB-060114D765-2609005615

Position: 655

Marke: BOSCH


Bitte Kompatibilität prüfen!

Bitte prüfen Sie unbedingt die 10-stellige Typennummer Ihrer Maschine / Ihres Gerätes. Das Ersatzteil ist nur kompatibel, wenn Sie die Typennummer Ihrer Maschine in der unten stehenden Produktbeschreibung finden.

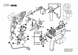
Bitte prüfen Sie ebenfalls detailliert die Explosionszeichnung mit Ihrem Artikelwunsch und der jeweiligen Pos-Nummer.

Alle Elemente, welche vom schwarzen Strich der Pos-Nummer ausgehend berührt / erfasst werden, gehören zu dieser Pos-Nummer und somit zu diesem Artikel. Jede Pos-Nummer ist ein eigenständiger Artikel, welchen Sie in der Auflistung finden.

Sie erhalten stets die aktuellste, neueste Produktversion zu der gewählten Pos-Nummer seitens des Herstellers. Es kann daher je nach Gerätealter vorkommen, dass Sie ggf. weitere, zugehörige Elemente, welche an diese Pos-Nummer grenzen, ebenfalls mittauschen müssen.

Nähere Informationen finden Sie unter dem Link
Hinweise zu Ihrer BOSCH Ersatzteilsuche

Preisübersicht

Einzelpreis: 5,67 €* (Brutto: 6,75 €)
Gesamtpreis: 5,67 €* 
Position:

Lieferzeit: 5 Werktage


Beschreibung

  • Tiefenanschlag
  • Original Bosch Zubehör / BOSCH Ersatzteil (2609005615)
  • im Gerät verbaut: 1
Dieses BOSCH Ersatzteil ist mit folgendem Gerät und Modell kompatibel:
  • BOSCH Gerätename: GSB 550 RE
  • BOSCH Explosionszeichnung: Position 655
  • BOSCH Typennummer: 060114D765
  • BOSCH Typennummer alternative Schreibweisen: 0 601 14D 765, 0601 14D 765, 0.601.14D.765, 0-601-14D-765
    Bitte prüfen Sie diese Typennummer auf Ihrem Gerät um die Kompatibilität des BOSCH Ersatzteils zu gewährleisten.
Weitere BOSCH Ersatzteile des Gerätes GSB 550 RE (Schlagbohrmaschine) mit der Typennummer 060114D765 finden Sie in der nachfolgenden Darstellung und im Dropdown zu Ihrer Auswahl:

Pos.
6
BOSCH Tülle Ø6,2-Ø6,9x90 MM | Ersatzteile für GSB 550 RE | 2600707066
Hersteller: BOSCH
Artikelnummer: EB-060114D765-2600707066
nur Informationsartikel
Nie mehr lieferbar
keine Alternativen
Pos.
7
BOSCH Leitungshalter | Ersatzteile für GSB 550 RE | 1611035005
Hersteller: BOSCH
Artikelnummer: EB-060114D765-1611035005
nur Informationsartikel
Nie mehr lieferbar
keine Alternativen
Pos.
13
BOSCH Kugellager 7x19x6 | Ersatzteile für GSB 550 RE | 2600905032
Hersteller: BOSCH
Artikelnummer: EB-060114D765-2600905032
Netto: 6,15 € zzgl. MwSt.
zzgl. 6,90 € Versand (brutto)
einmalig pro Bestellung

Lieferzeit: 31 Werktage

Pos.
18
BOSCH Zylinderschraube M3x6,5-4.8 | Ersatzteile für GSB 550 RE | 2603410001
Hersteller: BOSCH
Artikelnummer: EB-060114D765-2603410001
Netto: 3,94 € zzgl. MwSt.
zzgl. 6,90 € Versand (brutto)
einmalig pro Bestellung

Lieferzeit: 5 Werktage

Pos.
25
BOSCH Umschalter | Ersatzteile für GSB 550 RE | 2607200231
Hersteller: BOSCH
Artikelnummer: EB-060114D765-2607200231
Netto: 14,36 € zzgl. MwSt.
zzgl. 6,90 € Versand (brutto)
einmalig pro Bestellung

Lieferzeit: 5 Werktage

Pos.
29
BOSCH Dämmplatte | Ersatzteile für GSB 550 RE | 2601022000
Hersteller: BOSCH
Artikelnummer: EB-060114D765-2601022000
nur Informationsartikel
Nie mehr lieferbar
keine Alternativen
Pos.
36
BOSCH Schaltscheibe SCHWARZ | Ersatzteile für GSB 550 RE | 2601990001
Hersteller: BOSCH
Artikelnummer: EB-060114D765-2601990001
nur Informationsartikel
Nie mehr lieferbar
keine Alternativen
Pos.
49
BOSCH Elektr Leitung L=173 MM WEISS | Ersatzteile für GSB 550 RE | 2604448060
Hersteller: BOSCH
Artikelnummer: EB-060114D765-2604448060
nur Informationsartikel
Nie mehr lieferbar
keine Alternativen
Pos.
55
BOSCH Erdleitung | Ersatzteile für GSB 550 RE | 2604448103
Hersteller: BOSCH
Artikelnummer: EB-060114D765-2604448103
nur Informationsartikel
Nie mehr lieferbar
keine Alternativen
Pos.
655
BOSCH Tiefenanschlag | Ersatzteile für GSB 550 RE | 2609005615
Hersteller: BOSCH
Artikelnummer: EB-060114D765-2609005615
Netto: 5,67 € zzgl. MwSt.
zzgl. 6,90 € Versand (brutto)
einmalig pro Bestellung

Lieferzeit: 5 Werktage

Pos.
798
BOSCH Bohreraufnahme | Ersatzteile für GSB 550 RE | 2607000122
Hersteller: BOSCH
Artikelnummer: EB-060114D765-2607000122
nur Informationsartikel
Nie mehr lieferbar
keine Alternativen
Pos.
808
BOSCH Typschild | Ersatzteile für GSB 550 RE | 160111A3H3
Hersteller: BOSCH
Artikelnummer: EB-060114D765-160111A3H3
Netto: 4,53 € zzgl. MwSt.
zzgl. 6,90 € Versand (brutto)
einmalig pro Bestellung

Lieferzeit: 5 Werktage

Pos.
826
BOSCH Blechschraube DIN 7981-3,9x19-C-Z-ST | Ersatzteile für GSB 550 RE | 2912401020
Hersteller: BOSCH
Artikelnummer: EB-060114D765-2912401020
Netto: 3,63 € zzgl. MwSt.
zzgl. 6,90 € Versand (brutto)
einmalig pro Bestellung

Lieferzeit: 5 Werktage

Angaben zur Produktsicherheit

Hersteller:
Robert Bosch Power Tools GmbH
Postfach 30 02 20
70442 Stuttgart

E-Mail:
kontakt@bosch.de