BOSCH Pvc-Elektr Leitung L=120 MM BLAU | Ersatzteile für GSB 650 RE | 2604448228

Artikelnummer: EB-060119A550-2604448228

Position: 56

Marke: BOSCH


Bitte Kompatibilität prüfen!

Bitte prüfen Sie unbedingt die 10-stellige Typennummer Ihrer Maschine / Ihres Gerätes. Das Ersatzteil ist nur kompatibel, wenn Sie die Typennummer Ihrer Maschine in der unten stehenden Produktbeschreibung finden.

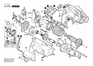
Bitte prüfen Sie ebenfalls detailliert die Explosionszeichnung mit Ihrem Artikelwunsch und der jeweiligen Pos-Nummer.

Alle Elemente, welche vom schwarzen Strich der Pos-Nummer ausgehend berührt / erfasst werden, gehören zu dieser Pos-Nummer und somit zu diesem Artikel. Jede Pos-Nummer ist ein eigenständiger Artikel, welchen Sie in der Auflistung finden.

Sie erhalten stets die aktuellste, neueste Produktversion zu der gewählten Pos-Nummer seitens des Herstellers. Es kann daher je nach Gerätealter vorkommen, dass Sie ggf. weitere, zugehörige Elemente, welche an diese Pos-Nummer grenzen, ebenfalls mittauschen müssen.

Nähere Informationen finden Sie unter dem Link
Hinweise zu Ihrer BOSCH Ersatzteilsuche

Preisübersicht

Einzelpreis: 4,32 €* (Brutto: 5,14 €)
Gesamtpreis: 4,32 €* 
Position:

Lieferzeit: 5 Werktage


Beschreibung

  • Pvc-Elektr Leitung L=120 MM BLAU
  • Original Bosch Zubehör / BOSCH Ersatzteil (2604448228)
  • im Gerät verbaut: 1
Dieses BOSCH Ersatzteil ist mit folgendem Gerät und Modell kompatibel:
  • BOSCH Gerätename: GSB 650 RE
  • BOSCH Explosionszeichnung: Position 56
  • BOSCH Typennummer: 060119A550
  • BOSCH Typennummer alternative Schreibweisen: 0 601 19A 550, 0601 19A 550, 0.601.19A.550, 0-601-19A-550
    Bitte prüfen Sie diese Typennummer auf Ihrem Gerät um die Kompatibilität des BOSCH Ersatzteils zu gewährleisten.
Weitere BOSCH Ersatzteile des Gerätes GSB 650 RE (.) mit der Typennummer 060119A550 finden Sie in der nachfolgenden Darstellung und im Dropdown zu Ihrer Auswahl:

Pos.
1
BOSCH Gehäuseschale | Ersatzteile für GSB 650 RE | 2605105025
Hersteller: BOSCH
Artikelnummer: EB-060119A550-2605105025
nur Informationsartikel
Nie mehr lieferbar
keine Alternativen
Pos.
3/50
BOSCH Lüfter | Ersatzteile für GSB 650 RE | 2606610029
Hersteller: BOSCH
Artikelnummer: EB-060119A550-2606610029
Netto: 4,53 € zzgl. MwSt.
zzgl. 6,90 € Versand (brutto)
einmalig pro Bestellung

Lieferzeit: 5 Werktage

Pos.
46/7
BOSCH Bohrfutterschlüssel SG2 | Ersatzteile für GSB 650 RE | 2607950007
Hersteller: BOSCH
Artikelnummer: EB-060119A550-2607950007
Netto: 7,30 € zzgl. MwSt.
zzgl. 6,90 € Versand (brutto)
einmalig pro Bestellung

Lieferzeit: 5 Werktage

Pos.
653/120
BOSCH Zusatzhandgriff M8 | Ersatzteile für GSB 650 RE | 1612025019
Hersteller: BOSCH
Artikelnummer: EB-060119A550-1612025019
Netto: 7,30 € zzgl. MwSt.
zzgl. 6,90 € Versand (brutto)
einmalig pro Bestellung

Lieferzeit: 5 Werktage

Pos.
653/124
BOSCH Spannband Ø43 MM | Ersatzteile für GSB 650 RE | 1611316006
Hersteller: BOSCH
Artikelnummer: EB-060119A550-1611316006
Netto: 4,53 € zzgl. MwSt.
zzgl. 6,90 € Versand (brutto)
einmalig pro Bestellung

Lieferzeit: 5 Werktage

Pos.
653/125
BOSCH Hammerschraube M8x40 MM | Ersatzteile für GSB 650 RE | 1613490002
Hersteller: BOSCH
Artikelnummer: EB-060119A550-1613490002
Netto: 5,67 € zzgl. MwSt.
zzgl. 6,90 € Versand (brutto)
einmalig pro Bestellung

Lieferzeit: 5 Werktage

Pos.
653/802
BOSCH Klemmhalter Ø43 MM | Ersatzteile für GSB 650 RE | 2608040176
Hersteller: BOSCH
Artikelnummer: EB-060119A550-2608040176
Netto: 7,30 € zzgl. MwSt.
zzgl. 6,90 € Versand (brutto)
einmalig pro Bestellung

Lieferzeit: 5 Werktage

Pos.
2
BOSCH Polschuh 220-240V | Ersatzteile für GSB 650 RE | 2604220594
Hersteller: BOSCH
Artikelnummer: EB-060119A550-2604220594
nur Informationsartikel
Nie mehr lieferbar
keine Alternativen
Pos.
3
BOSCH Anker 220-240V | Ersatzteile für GSB 650 RE | 2604011154
Hersteller: BOSCH
Artikelnummer: EB-060119A550-2604011154
nur Informationsartikel
Nie mehr lieferbar
keine Alternativen
Pos.
4
BOSCH Ein/Aus-Schalter | Ersatzteile für GSB 650 RE | 2607200613
Hersteller: BOSCH
Artikelnummer: EB-060119A550-2607200613
nur Informationsartikel
Nie mehr lieferbar
keine Alternativen
Pos.
5
BOSCH Netzanschlussleitung I/BR 2,65m 2 x 1,0mm H05 VV-F | Ersatzteile für GSB 650 RE | 2604460283
Hersteller: BOSCH
Artikelnummer: EB-060119A550-2604460283
nur Informationsartikel
Nie mehr lieferbar
keine Alternativen
Pos.
6
BOSCH Tülle Ø6,2-Ø6,9x90 MM | Ersatzteile für GSB 650 RE | 2600707066
Hersteller: BOSCH
Artikelnummer: EB-060119A550-2600707066
nur Informationsartikel
Nie mehr lieferbar
keine Alternativen
Pos.
9
BOSCH Firmenschild | Ersatzteile für GSB 650 RE | 2601116659
Hersteller: BOSCH
Artikelnummer: EB-060119A550-2601116659
nur Informationsartikel
Nie mehr lieferbar
keine Alternativen
Pos.
22
BOSCH Blechschraube DIN 7981-ST2,2x9,5-C-H | Ersatzteile für GSB 650 RE | 2910611002
Hersteller: BOSCH
Artikelnummer: EB-060119A550-2910611002
Netto: 3,63 € zzgl. MwSt.
zzgl. 6,90 € Versand (brutto)
einmalig pro Bestellung

Lieferzeit: 5 Werktage

Pos.
24
BOSCH O-Ring 5,0x1,5 MM | Ersatzteile für GSB 650 RE | 1900210000
Hersteller: BOSCH
Artikelnummer: EB-060119A550-1900210000
Netto: 3,94 € zzgl. MwSt.
zzgl. 6,90 € Versand (brutto)
einmalig pro Bestellung

Lieferzeit: 5 Werktage

Pos.
25
BOSCH Umschalter ROT | Ersatzteile für GSB 650 RE | 2602098008
Hersteller: BOSCH
Artikelnummer: EB-060119A550-2602098008
Netto: 3,63 € zzgl. MwSt.
zzgl. 6,90 € Versand (brutto)
einmalig pro Bestellung

Lieferzeit: 5 Werktage

Pos.
35
BOSCH Nadelhülse | Ersatzteile für GSB 650 RE | 2600914019
Hersteller: BOSCH
Artikelnummer: EB-060119A550-2600914019
Netto: 6,15 € zzgl. MwSt.
zzgl. 6,90 € Versand (brutto)
einmalig pro Bestellung

Lieferzeit: 5 Werktage

Pos.
37
BOSCH Sinterlager | Ersatzteile für GSB 650 RE | 2600301052
Hersteller: BOSCH
Artikelnummer: EB-060119A550-2600301052
nur Informationsartikel
Nie mehr lieferbar
keine Alternativen
Pos.
38
BOSCH Schaltscheibe SCHWARZ | Ersatzteile für GSB 650 RE | 2601990010
Hersteller: BOSCH
Artikelnummer: EB-060119A550-2601990010
nur Informationsartikel
Nie mehr lieferbar
keine Alternativen
Pos.
39
BOSCH Druckplatte | Ersatzteile für GSB 650 RE | 2601074004
Hersteller: BOSCH
Artikelnummer: EB-060119A550-2601074004
Netto: 3,63 € zzgl. MwSt.
zzgl. 6,90 € Versand (brutto)
einmalig pro Bestellung

Lieferzeit: 5 Werktage

Pos.
40
BOSCH Kugel DIN 5401-5 G28 | Ersatzteile für GSB 650 RE | 1903230009
Hersteller: BOSCH
Artikelnummer: EB-060119A550-1903230009
Netto: 3,63 € zzgl. MwSt.
zzgl. 6,90 € Versand (brutto)
einmalig pro Bestellung

Lieferzeit: 5 Werktage

Pos.
41
BOSCH Druckfeder | Ersatzteile für GSB 650 RE | 2604616006
Hersteller: BOSCH
Artikelnummer: EB-060119A550-2604616006
Netto: 3,94 € zzgl. MwSt.
zzgl. 6,90 € Versand (brutto)
einmalig pro Bestellung

Lieferzeit: 5 Werktage

Pos.
42
BOSCH Ausgleichscheibe 0,3 MM | Ersatzteile für GSB 650 RE | 2600101047
Hersteller: BOSCH
Artikelnummer: EB-060119A550-2600101047
Netto: 3,94 € zzgl. MwSt.
zzgl. 6,90 € Versand (brutto)
einmalig pro Bestellung

Lieferzeit: 5 Werktage

Pos.
45
BOSCH Druckfeder | Ersatzteile für GSB 650 RE | 2604610047
Hersteller: BOSCH
Artikelnummer: EB-060119A550-2604610047
Netto: 3,94 € zzgl. MwSt.
zzgl. 6,90 € Versand (brutto)
einmalig pro Bestellung

Lieferzeit: 5 Werktage

Pos.
46
BOSCH Zahnkranzbohrfutter | Ersatzteile für GSB 650 RE | 2608571053
Hersteller: BOSCH
Artikelnummer: EB-060119A550-2608571053
nur Informationsartikel
Nie mehr lieferbar
keine Alternativen
Pos.
47
BOSCH Halterahmen | Ersatzteile für GSB 650 RE | 2608040120
Hersteller: BOSCH
Artikelnummer: EB-060119A550-2608040120
Netto: 4,53 € zzgl. MwSt.
zzgl. 6,90 € Versand (brutto)
einmalig pro Bestellung

Lieferzeit: 5 Werktage

Pos.
48
BOSCH Hülse | Ersatzteile für GSB 650 RE | 2600390031
Hersteller: BOSCH
Artikelnummer: EB-060119A550-2600390031
nur Informationsartikel
Nie mehr lieferbar
keine Alternativen
Pos.
53
BOSCH Kontaktbügel | Ersatzteile für GSB 650 RE | 2601329043
Hersteller: BOSCH
Artikelnummer: EB-060119A550-2601329043
nur Informationsartikel
Nie mehr lieferbar
keine Alternativen
Pos.
54
BOSCH Hinweisschild ROT | Ersatzteile für GSB 650 RE | 2601119602
Hersteller: BOSCH
Artikelnummer: EB-060119A550-2601119602
Netto: 5,19 € zzgl. MwSt.
zzgl. 6,90 € Versand (brutto)
einmalig pro Bestellung

Lieferzeit: 5 Werktage

Pos.
55
BOSCH Pvc-Elektr Leitung L=95 MM | Ersatzteile für GSB 650 RE | 1614431025
Hersteller: BOSCH
Artikelnummer: EB-060119A550-1614431025
Netto: 4,53 € zzgl. MwSt.
zzgl. 6,90 € Versand (brutto)
einmalig pro Bestellung

Lieferzeit: 5 Werktage

Pos.
56
BOSCH Pvc-Elektr Leitung L=120 MM BLAU | Ersatzteile für GSB 650 RE | 2604448228
Hersteller: BOSCH
Artikelnummer: EB-060119A550-2604448228
Netto: 4,32 € zzgl. MwSt.
zzgl. 6,90 € Versand (brutto)
einmalig pro Bestellung

Lieferzeit: 5 Werktage

Pos.
653
BOSCH Zusatzhandgriff | Ersatzteile für GSB 650 RE | 2602025094
Hersteller: BOSCH
Artikelnummer: EB-060119A550-2602025094
Netto: 7,76 € zzgl. MwSt.
zzgl. 6,90 € Versand (brutto)
einmalig pro Bestellung

Lieferzeit: 5 Werktage

Pos.
655
BOSCH Tiefenanschlag | Ersatzteile für GSB 650 RE | 2609005615
Hersteller: BOSCH
Artikelnummer: EB-060119A550-2609005615
Netto: 5,67 € zzgl. MwSt.
zzgl. 6,90 € Versand (brutto)
einmalig pro Bestellung

Lieferzeit: 5 Werktage

Pos.
808
BOSCH Typenschild | Ersatzteile für GSB 650 RE | 2601116552
Hersteller: BOSCH
Artikelnummer: EB-060119A550-2601116552
Netto: 5,21 € zzgl. MwSt.
zzgl. 6,90 € Versand (brutto)
einmalig pro Bestellung

Lieferzeit: 5 Werktage

Pos.
813
BOSCH Kugellager 7x19x6 | Ersatzteile für GSB 650 RE | 2600905032
Hersteller: BOSCH
Artikelnummer: EB-060119A550-2600905032
Netto: 6,15 € zzgl. MwSt.
zzgl. 6,90 € Versand (brutto)
einmalig pro Bestellung

Lieferzeit: 33 Werktage

Pos.
816
BOSCH Bürstenplatte | Ersatzteile für GSB 650 RE | 2604337104
Hersteller: BOSCH
Artikelnummer: EB-060119A550-2604337104
Netto: 10,92 € zzgl. MwSt.
zzgl. 6,90 € Versand (brutto)
einmalig pro Bestellung

Lieferzeit: 5 Werktage

Pos.
817
BOSCH Kohlebürstensatz | Ersatzteile für GSB 650 RE | 2607014017
Hersteller: BOSCH
Artikelnummer: EB-060119A550-2607014017
nur Informationsartikel
Nie mehr lieferbar
keine Alternativen
Pos.
819
BOSCH Blechschraube DIN 7981-ST2,9x13-C-H | Ersatzteile für GSB 650 RE | 2910611006
Hersteller: BOSCH
Artikelnummer: EB-060119A550-2910611006
Netto: 3,94 € zzgl. MwSt.
zzgl. 6,90 € Versand (brutto)
einmalig pro Bestellung

Lieferzeit: 5 Werktage

Pos.
826
BOSCH Blechschraube DIN 7981-ST3,9x19-C-H | Ersatzteile für GSB 650 RE | 2910611020
Hersteller: BOSCH
Artikelnummer: EB-060119A550-2910611020
Netto: 3,94 € zzgl. MwSt.
zzgl. 6,90 € Versand (brutto)
einmalig pro Bestellung

Lieferzeit: 5 Werktage

Pos.
831
BOSCH Bohrspindel 1/2" | Ersatzteile für GSB 650 RE | 2606135929
Hersteller: BOSCH
Artikelnummer: EB-060119A550-2606135929
nur Informationsartikel
Nie mehr lieferbar
keine Alternativen
Pos.
833
BOSCH Lagerbrücke | Ersatzteile für GSB 650 RE | 2605807932
Hersteller: BOSCH
Artikelnummer: EB-060119A550-2605807932
nur Informationsartikel
Nie mehr lieferbar
keine Alternativen
Pos.
834
BOSCH Druckknopf SCHWARZ | Ersatzteile für GSB 650 RE | 2603231040
Hersteller: BOSCH
Artikelnummer: EB-060119A550-2603231040
nur Informationsartikel
Nie mehr lieferbar
keine Alternativen
Pos.
836
BOSCH Getriebedeckel GRUEN | Ersatzteile für GSB 650 RE | 2605808922
Hersteller: BOSCH
Artikelnummer: EB-060119A550-2605808922
nur Informationsartikel
Nie mehr lieferbar
keine Alternativen
Pos.
890
BOSCH Befestigungssatz | Ersatzteile für GSB 650 RE | 2607001305
Hersteller: BOSCH
Artikelnummer: EB-060119A550-2607001305
Netto: 5,67 € zzgl. MwSt.
zzgl. 6,90 € Versand (brutto)
einmalig pro Bestellung

Lieferzeit: 5 Werktage

Pos.
891
BOSCH Kreuzschlitzschraube M3x5 | Ersatzteile für GSB 650 RE | 2603410046
Hersteller: BOSCH
Artikelnummer: EB-060119A550-2603410046
Netto: 4,32 € zzgl. MwSt.
zzgl. 6,90 € Versand (brutto)
einmalig pro Bestellung

Lieferzeit: 5 Werktage

Angaben zur Produktsicherheit

Hersteller:
Robert Bosch Power Tools GmbH
Postfach 30 02 20
70442 Stuttgart

E-Mail:
kontakt@bosch.de