BOSCH Abdeckscheibe | Ersatzteile für GSC 16 | 2601328002

Artikelnummer: EB-0601500203-2601328002

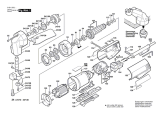
Position: 125

Marke: BOSCH


Bitte Kompatibilität prüfen!

Bitte prüfen Sie unbedingt die 10-stellige Typennummer Ihrer Maschine / Ihres Gerätes. Das Ersatzteil ist nur kompatibel, wenn Sie die Typennummer Ihrer Maschine in der unten stehenden Produktbeschreibung finden.

Bitte prüfen Sie ebenfalls detailliert die Explosionszeichnung mit Ihrem Artikelwunsch und der jeweiligen Pos-Nummer.

Alle Elemente, welche vom schwarzen Strich der Pos-Nummer ausgehend berührt / erfasst werden, gehören zu dieser Pos-Nummer und somit zu diesem Artikel. Jede Pos-Nummer ist ein eigenständiger Artikel, welchen Sie in der Auflistung finden.

Sie erhalten stets die aktuellste, neueste Produktversion zu der gewählten Pos-Nummer seitens des Herstellers. Es kann daher je nach Gerätealter vorkommen, dass Sie ggf. weitere, zugehörige Elemente, welche an diese Pos-Nummer grenzen, ebenfalls mittauschen müssen.

Nähere Informationen finden Sie unter dem Link
Hinweise zu Ihrer BOSCH Ersatzteilsuche

Preisübersicht

Einzelpreis: 4,82 €* (Brutto: 5,74 €)
Gesamtpreis: 4,82 €* 
Position:

Lieferzeit: 5 Werktage


Beschreibung

  • Abdeckscheibe
  • Original Bosch Zubehör / BOSCH Ersatzteil (2601328002)
  • im Gerät verbaut: 1
Dieses BOSCH Ersatzteil ist mit folgendem Gerät und Modell kompatibel:
  • BOSCH Gerätename: GSC 16
  • BOSCH Explosionszeichnung: Position 125
  • BOSCH Typennummer: 0601500203
  • BOSCH Typennummer alternative Schreibweisen: 0 601 500 203, 0601 500 203, 0.601.500.203, 0-601-500-203
    Bitte prüfen Sie diese Typennummer auf Ihrem Gerät um die Kompatibilität des BOSCH Ersatzteils zu gewährleisten.
Weitere BOSCH Ersatzteile des Gerätes GSC 16 (Blechschere) mit der Typennummer 0601500203 finden Sie in der nachfolgenden Darstellung und im Dropdown zu Ihrer Auswahl:

Pos.
24/10
BOSCH Planetenträger | Ersatzteile für GSC 16 | 3609202077
Hersteller: BOSCH
Artikelnummer: EB-0601500203-3609202077
nur Informationsartikel
Nie mehr lieferbar
keine Alternativen
Pos.
24/122
BOSCH Innensechskantschraube DIN 912-M4x8-12.9 | Ersatzteile für GSC 16 | 2910401118
Hersteller: BOSCH
Artikelnummer: EB-0601500203-2910401118
Netto: 4,53 € zzgl. MwSt.
zzgl. 6,90 € Versand (brutto)
einmalig pro Bestellung

Lieferzeit: 5 Werktage

Pos.
24/124
BOSCH Zylinderschraube M 8x20-12.9MM | Ersatzteile für GSC 16 | 2912721242
Hersteller: BOSCH
Artikelnummer: EB-0601500203-2912721242
Netto: 3,63 € zzgl. MwSt.
zzgl. 6,90 € Versand (brutto)
einmalig pro Bestellung

Lieferzeit: 5 Werktage

Pos.
24/126
BOSCH Gewindefurchschraube DIN 7500-UM5x10-ST | Ersatzteile für GSC 16 | 3603391007
Hersteller: BOSCH
Artikelnummer: EB-0601500203-3603391007
Netto: 4,53 € zzgl. MwSt.
zzgl. 6,90 € Versand (brutto)
einmalig pro Bestellung

Lieferzeit: 5 Werktage

Pos.
24/128
BOSCH Gewindestift DIN914-M4x5-45H | Ersatzteile für GSC 16 | 2912010115
Hersteller: BOSCH
Artikelnummer: EB-0601500203-2912010115
Netto: 4,14 € zzgl. MwSt.
zzgl. 6,90 € Versand (brutto)
einmalig pro Bestellung

Lieferzeit: 5 Werktage

Pos.
24/134
BOSCH Nadelhülse DIN 618-8x12x10-HK 0810 | Ersatzteile für GSC 16 | 3609202085
Hersteller: BOSCH
Artikelnummer: EB-0601500203-3609202085
Netto: 6,91 € zzgl. MwSt.
zzgl. 6,90 € Versand (brutto)
einmalig pro Bestellung

Lieferzeit: 5 Werktage

Pos.
24/135
BOSCH Stützrolle | Ersatzteile für GSC 16 | 3600905158
Hersteller: BOSCH
Artikelnummer: EB-0601500203-3600905158
Netto: 19,18 € zzgl. MwSt.
zzgl. 6,90 € Versand (brutto)
einmalig pro Bestellung

Lieferzeit: 5 Werktage

Pos.
24/136
BOSCH Passscheibe DIN 988-8x20x0,5 | Ersatzteile für GSC 16 | 3609202087
Hersteller: BOSCH
Artikelnummer: EB-0601500203-3609202087
Netto: 3,63 € zzgl. MwSt.
zzgl. 6,90 € Versand (brutto)
einmalig pro Bestellung

Lieferzeit: 5 Werktage

Pos.
24/138
BOSCH Passscheibe | Ersatzteile für GSC 16 | 3607233008
Hersteller: BOSCH
Artikelnummer: EB-0601500203-3600102049
Netto: 4,75 € zzgl. MwSt.
zzgl. 6,90 € Versand (brutto)
einmalig pro Bestellung

Lieferzeit: 5 Werktage

Pos.
24/40
BOSCH Gehäuse | Ersatzteile für GSC 16 | 3609202080
Hersteller: BOSCH
Artikelnummer: EB-0601500203-3609202080
nur Informationsartikel
Nie mehr lieferbar
keine Alternativen
Pos.
24/46
BOSCH Stössel | Ersatzteile für GSC 16 | 3609202082
Hersteller: BOSCH
Artikelnummer: EB-0601500203-3609202082
Netto: 47,09 € zzgl. MwSt.
zzgl. 6,90 € Versand (brutto)
einmalig pro Bestellung

Lieferzeit: 5 Werktage

Pos.
24/47
BOSCH U-Blech | Ersatzteile für GSC 16 | 3602311052
Hersteller: BOSCH
Artikelnummer: EB-0601500203-3602311052
Netto: 5,67 € zzgl. MwSt.
zzgl. 6,90 € Versand (brutto)
einmalig pro Bestellung

Lieferzeit: 5 Werktage

Pos.
24/48
BOSCH Messer | Ersatzteile für GSC 16 | 3608635009
Hersteller: BOSCH
Artikelnummer: EB-0601500203-3608635009
Netto: 26,88 € zzgl. MwSt.
zzgl. 6,90 € Versand (brutto)
einmalig pro Bestellung

Lieferzeit: 5 Werktage

Pos.
24/52
BOSCH Spanabweiser | Ersatzteile für GSC 16 | 3609202083
Hersteller: BOSCH
Artikelnummer: EB-0601500203-3609202083
Netto: 15,75 € zzgl. MwSt.
zzgl. 6,90 € Versand (brutto)
einmalig pro Bestellung

Lieferzeit: 5 Werktage

Pos.
24/72
BOSCH Schneidtisch | Ersatzteile für GSC 16 | 3609202084
Hersteller: BOSCH
Artikelnummer: EB-0601500203-3609202084
Netto: 86,83 € zzgl. MwSt.
zzgl. 6,90 € Versand (brutto)
einmalig pro Bestellung

Lieferzeit: 5 Werktage

Pos.
52
BOSCH Dichtbuchse | Ersatzteile für GSC 16 | 2600300047
Hersteller: BOSCH
Artikelnummer: EB-0601500203-2600300047
Netto: 4,53 € zzgl. MwSt.
zzgl. 6,90 € Versand (brutto)
einmalig pro Bestellung

Lieferzeit: 5 Werktage

Pos.
53
BOSCH Lagerflansch | Ersatzteile für GSC 16 | 3605700135
Hersteller: BOSCH
Artikelnummer: EB-0601500203-3605700135
Netto: 26,88 € zzgl. MwSt.
zzgl. 6,90 € Versand (brutto)
einmalig pro Bestellung

Lieferzeit: 5 Werktage

Pos.
54
BOSCH Rillenkugellager 9x24x7 | Ersatzteile für GSC 16 | 2600905021
Hersteller: BOSCH
Artikelnummer: EB-0601500203-2600905021
Netto: 8,33 € zzgl. MwSt.
zzgl. 6,90 € Versand (brutto)
einmalig pro Bestellung

Lieferzeit: 5 Werktage

Pos.
54
BOSCH Rillenkugellager 9x24x7 | Ersatzteile für GSC 16 | 2600905039
Hersteller: BOSCH
Artikelnummer: EB-0601500203-2600905039
Netto: 10,92 € zzgl. MwSt.
zzgl. 6,90 € Versand (brutto)
einmalig pro Bestellung

Lieferzeit: 5 Werktage

Pos.
55
BOSCH Blechschraube | Ersatzteile für GSC 16 | 1603490A0M
Hersteller: BOSCH
Artikelnummer: EB-0601500203-1603490A0M
Netto: 3,63 € zzgl. MwSt.
zzgl. 6,90 € Versand (brutto)
einmalig pro Bestellung

Lieferzeit: 5 Werktage

Pos.
60
BOSCH Radial-Wellendichtring | Ersatzteile für GSC 16 | 1600290016
Hersteller: BOSCH
Artikelnummer: EB-0601500203-1600290016
Netto: 4,53 € zzgl. MwSt.
zzgl. 6,90 € Versand (brutto)
einmalig pro Bestellung

Lieferzeit: 5 Werktage

Pos.
61
BOSCH Gummiring | Ersatzteile für GSC 16 | 3600290052
Hersteller: BOSCH
Artikelnummer: EB-0601500203-3600290052
Netto: 3,94 € zzgl. MwSt.
zzgl. 6,90 € Versand (brutto)
einmalig pro Bestellung

Lieferzeit: 5 Werktage

Pos.
62
BOSCH Hohlrad | Ersatzteile für GSC 16 | 3600112004
Hersteller: BOSCH
Artikelnummer: EB-0601500203-3600112004
Netto: 6,15 € zzgl. MwSt.
zzgl. 6,90 € Versand (brutto)
einmalig pro Bestellung

Lieferzeit: 5 Werktage

Pos.
63
BOSCH Rad | Ersatzteile für GSC 16 | 3600112005
Hersteller: BOSCH
Artikelnummer: EB-0601500203-3600112005
Netto: 5,19 € zzgl. MwSt.
zzgl. 6,90 € Versand (brutto)
einmalig pro Bestellung

Lieferzeit: 5 Werktage

Pos.
101
BOSCH Motorgehäuse BLAU | Ersatzteile für GSC 16 | 2605108060
Hersteller: BOSCH
Artikelnummer: EB-0601500203-2605108060
Netto: 12,98 € zzgl. MwSt.
zzgl. 6,90 € Versand (brutto)
einmalig pro Bestellung

Lieferzeit: 5 Werktage

Pos.
102
BOSCH Polschuh 220-230V | Ersatzteile für GSC 16 | 2604220502
Hersteller: BOSCH
Artikelnummer: EB-0601500203-2604220502
Netto: 29,45 € zzgl. MwSt.
zzgl. 6,90 € Versand (brutto)
einmalig pro Bestellung

Lieferzeit: 5 Werktage

Pos.
103
BOSCH Anker | Ersatzteile für GSC 16 | 1604010B6W
Hersteller: BOSCH
Artikelnummer: EB-0601500203-1604010B6W
Netto: 52,14 € zzgl. MwSt.
zzgl. 6,90 € Versand (brutto)
einmalig pro Bestellung

Lieferzeit: 5 Werktage

Pos.
103
BOSCH Anker 230V | Ersatzteile für GSC 16 | 2604011074
Hersteller: BOSCH
Artikelnummer: EB-0601500203-2604011074
Netto: 42,05 € zzgl. MwSt.
zzgl. 6,90 € Versand (brutto)
einmalig pro Bestellung

Lieferzeit: 5 Werktage

Pos.
103/50
BOSCH Lüfter | Ersatzteile für GSC 16 | 2606610081
Hersteller: BOSCH
Artikelnummer: EB-0601500203-2606610081
Netto: 7,30 € zzgl. MwSt.
zzgl. 6,90 € Versand (brutto)
einmalig pro Bestellung

Lieferzeit: 5 Werktage

Pos.
104
BOSCH Schalter | Ersatzteile für GSC 16 | 2607200286
Hersteller: BOSCH
Artikelnummer: EB-0601500203-2607200286
Netto: 14,36 € zzgl. MwSt.
zzgl. 6,90 € Versand (brutto)
einmalig pro Bestellung

Lieferzeit: 5 Werktage

Pos.
106
BOSCH Tülle Ø8,3-Ø9,4x95 MM | Ersatzteile für GSC 16 | 2600703011
Hersteller: BOSCH
Artikelnummer: EB-0601500203-2600703011
Netto: 4,82 € zzgl. MwSt.
zzgl. 6,90 € Versand (brutto)
einmalig pro Bestellung

Lieferzeit: 5 Werktage

Pos.
106
BOSCH Tülle Ø8,3-Ø9,4x95 MM | Ersatzteile für GSC 16 | 2600703033
Hersteller: BOSCH
Artikelnummer: EB-0601500203-2600703033
Netto: 3,75 € zzgl. MwSt.
zzgl. 6,90 € Versand (brutto)
einmalig pro Bestellung

Lieferzeit: 5 Werktage

Pos.
107
BOSCH Befestigungsschelle | Ersatzteile für GSC 16 | 1601302017
Hersteller: BOSCH
Artikelnummer: EB-0601500203-1601302017
Netto: 3,63 € zzgl. MwSt.
zzgl. 6,90 € Versand (brutto)
einmalig pro Bestellung

Lieferzeit: 5 Werktage

Pos.
109
BOSCH Firmenschild SONNENSEITE | Ersatzteile für GSC 16 | 3601110376
Hersteller: BOSCH
Artikelnummer: EB-0601500203-3601110376
Netto: 4,54 € zzgl. MwSt.
zzgl. 6,90 € Versand (brutto)
einmalig pro Bestellung

Lieferzeit: 5 Werktage

Pos.
113
BOSCH Kugellager 7x19x6 | Ersatzteile für GSC 16 | 2600905032
Hersteller: BOSCH
Artikelnummer: EB-0601500203-2600905032
Netto: 6,15 € zzgl. MwSt.
zzgl. 6,90 € Versand (brutto)
einmalig pro Bestellung

Lieferzeit: 12 Werktage

Pos.
119
BOSCH Blechschraube DIN 7971-ST3,9x16-F | Ersatzteile für GSC 16 | 2910211019
Hersteller: BOSCH
Artikelnummer: EB-0601500203-2910211019
Netto: 3,63 € zzgl. MwSt.
zzgl. 6,90 € Versand (brutto)
einmalig pro Bestellung

Lieferzeit: 5 Werktage

Pos.
120
BOSCH Klebeschild SCHATTENSEITE | Ersatzteile für GSC 16 | 3601110351
Hersteller: BOSCH
Artikelnummer: EB-0601500203-3601110351
Netto: 4,82 € zzgl. MwSt.
zzgl. 6,90 € Versand (brutto)
einmalig pro Bestellung

Lieferzeit: 5 Werktage

Pos.
125
BOSCH Abdeckscheibe | Ersatzteile für GSC 16 | 2601328002
Hersteller: BOSCH
Artikelnummer: EB-0601500203-2601328002
Netto: 4,82 € zzgl. MwSt.
zzgl. 6,90 € Versand (brutto)
einmalig pro Bestellung

Lieferzeit: 5 Werktage

Pos.
126
BOSCH Schalterwippe BLAU | Ersatzteile für GSC 16 | 2608001005
Hersteller: BOSCH
Artikelnummer: EB-0601500203-2608001005
Netto: 4,82 € zzgl. MwSt.
zzgl. 6,90 € Versand (brutto)
einmalig pro Bestellung

Lieferzeit: 5 Werktage

Pos.
127
BOSCH Schaltschieber | Ersatzteile für GSC 16 | 2608001008
Hersteller: BOSCH
Artikelnummer: EB-0601500203-2608001008
Netto: 4,32 € zzgl. MwSt.
zzgl. 6,90 € Versand (brutto)
einmalig pro Bestellung

Lieferzeit: 5 Werktage

Pos.
128
BOSCH Druckfeder | Ersatzteile für GSC 16 | 2604611033
Hersteller: BOSCH
Artikelnummer: EB-0601500203-2604611033
Netto: 4,32 € zzgl. MwSt.
zzgl. 6,90 € Versand (brutto)
einmalig pro Bestellung

Lieferzeit: 5 Werktage

Pos.
129
BOSCH Schaltergriff SCHWARZ | Ersatzteile für GSC 16 | 2608001010
Hersteller: BOSCH
Artikelnummer: EB-0601500203-2608001010
Netto: 4,82 € zzgl. MwSt.
zzgl. 6,90 € Versand (brutto)
einmalig pro Bestellung

Lieferzeit: 5 Werktage

Pos.
130
BOSCH Ausgleichscheibe | Ersatzteile für GSC 16 | 2600150003
Hersteller: BOSCH
Artikelnummer: EB-0601500203-2600150003
Netto: 4,32 € zzgl. MwSt.
zzgl. 6,90 € Versand (brutto)
einmalig pro Bestellung

Lieferzeit: 5 Werktage

Pos.
131
BOSCH Ausgleichscheibe 0,3 MM | Ersatzteile für GSC 16 | 2600101617
Hersteller: BOSCH
Artikelnummer: EB-0601500203-2600101617
Netto: 3,94 € zzgl. MwSt.
zzgl. 6,90 € Versand (brutto)
einmalig pro Bestellung

Lieferzeit: 5 Werktage

Pos.
132
BOSCH Bürstenhalter | Ersatzteile für GSC 16 | 3604336011
Hersteller: BOSCH
Artikelnummer: EB-0601500203-3604336011
Netto: 47,09 € zzgl. MwSt.
zzgl. 6,90 € Versand (brutto)
einmalig pro Bestellung

Lieferzeit: 5 Werktage

Pos.
133
BOSCH Gehäusedeckel BLAU | Ersatzteile für GSC 16 | 2605104339
Hersteller: BOSCH
Artikelnummer: EB-0601500203-2605104339
Netto: 12,98 € zzgl. MwSt.
zzgl. 6,90 € Versand (brutto)
einmalig pro Bestellung

Lieferzeit: 5 Werktage

Pos.
134
BOSCH Blechschraube DIN 7971-B3,9x45 | Ersatzteile für GSC 16 | 2910211283
Hersteller: BOSCH
Artikelnummer: EB-0601500203-2910211283
Netto: 4,56 € zzgl. MwSt.
zzgl. 6,90 € Versand (brutto)
einmalig pro Bestellung

Lieferzeit: 5 Werktage

Pos.
135
BOSCH Blechschraube DIN 7971-BZ2,9x16 | Ersatzteile für GSC 16 | 2910211007
Hersteller: BOSCH
Artikelnummer: EB-0601500203-2910211007
Netto: 3,94 € zzgl. MwSt.
zzgl. 6,90 € Versand (brutto)
einmalig pro Bestellung

Lieferzeit: 5 Werktage

Pos.
136
BOSCH Klebeschild | Ersatzteile für GSC 16 | 3601110206
Hersteller: BOSCH
Artikelnummer: EB-0601500203-3601110206
Netto: 4,82 € zzgl. MwSt.
zzgl. 6,90 € Versand (brutto)
einmalig pro Bestellung

Lieferzeit: 5 Werktage

Pos.
137
BOSCH Kugel BLAU | Ersatzteile für GSC 16 | 2603230001
Hersteller: BOSCH
Artikelnummer: EB-0601500203-2603230001
nur Informationsartikel
Nie mehr lieferbar
keine Alternativen
Pos.
138
BOSCH Kontaktfeder | Ersatzteile für GSC 16 | 2601329037
Hersteller: BOSCH
Artikelnummer: EB-0601500203-2601329037
Netto: 3,94 € zzgl. MwSt.
zzgl. 6,90 € Versand (brutto)
einmalig pro Bestellung

Lieferzeit: 5 Werktage

Pos.
655
BOSCH Winkelschraubendreher DIN 911, SW3 | Ersatzteile für GSC 16 | 1907950004
Hersteller: BOSCH
Artikelnummer: EB-0601500203-1907950004
Netto: 6,70 € zzgl. MwSt.
zzgl. 6,90 € Versand (brutto)
einmalig pro Bestellung

Lieferzeit: 5 Werktage

Pos.
804/010
BOSCH Zylinderschraube M 3,5x7 MM | Ersatzteile für GSC 16 | 3607030229
Hersteller: BOSCH
Artikelnummer: EB-0601500203-3607030229
Netto: 6,70 € zzgl. MwSt.
zzgl. 6,90 € Versand (brutto)
einmalig pro Bestellung

Lieferzeit: 5 Werktage

Pos.
805
BOSCH Netzanschlussleitung EU 4,15m 2 x 1,0mm H07 RN-F | Ersatzteile für GSC 16 | 1607000227
Hersteller: BOSCH
Artikelnummer: EB-0601500203-1607000227
Netto: 21,16 € zzgl. MwSt.
zzgl. 6,90 € Versand (brutto)
einmalig pro Bestellung

Lieferzeit: 5 Werktage

Pos.
808
BOSCH Typschild | Ersatzteile für GSC 16 | 160111A3H3
Hersteller: BOSCH
Artikelnummer: EB-0601500203-160111A3H3
Netto: 4,53 € zzgl. MwSt.
zzgl. 6,90 € Versand (brutto)
einmalig pro Bestellung

Lieferzeit: 5 Werktage

Pos.
808
BOSCH Typschild 26x52 MM | Ersatzteile für GSC 16 | 1601106032
Hersteller: BOSCH
Artikelnummer: EB-0601500203-1601106032
nur Informationsartikel
Nie mehr lieferbar
keine Alternativen
Pos.
832/08
BOSCH Spiralfeder | Ersatzteile für GSC 16 | 1604652013
Hersteller: BOSCH
Artikelnummer: EB-0601500203-1604652013
Netto: 3,94 € zzgl. MwSt.
zzgl. 6,90 € Versand (brutto)
einmalig pro Bestellung

Lieferzeit: 5 Werktage

Pos.
832/09
BOSCH Kohlebürstensatz | Ersatzteile für GSC 16 | 3607014001
Hersteller: BOSCH
Artikelnummer: EB-0601500203-3607014001
Netto: 10,92 € zzgl. MwSt.
zzgl. 6,90 € Versand (brutto)
einmalig pro Bestellung

Lieferzeit: 5 Werktage

Angaben zur Produktsicherheit

Hersteller:
Robert Bosch Power Tools GmbH
Postfach 30 02 20
70442 Stuttgart

E-Mail:
kontakt@bosch.de