BOSCH Sechskantmutter DIN 934-M8-8-A | Ersatzteile für GSC 2,8 | 2915011009

Artikelnummer: EB-0601506150-2915011009

Position: 70

Marke: BOSCH


Bitte Kompatibilität prüfen!

Bitte prüfen Sie unbedingt die 10-stellige Typennummer Ihrer Maschine / Ihres Gerätes. Das Ersatzteil ist nur kompatibel, wenn Sie die Typennummer Ihrer Maschine in der unten stehenden Produktbeschreibung finden.

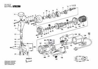
Bitte prüfen Sie ebenfalls detailliert die Explosionszeichnung mit Ihrem Artikelwunsch und der jeweiligen Pos-Nummer.

Alle Elemente, welche vom schwarzen Strich der Pos-Nummer ausgehend berührt / erfasst werden, gehören zu dieser Pos-Nummer und somit zu diesem Artikel. Jede Pos-Nummer ist ein eigenständiger Artikel, welchen Sie in der Auflistung finden.

Sie erhalten stets die aktuellste, neueste Produktversion zu der gewählten Pos-Nummer seitens des Herstellers. Es kann daher je nach Gerätealter vorkommen, dass Sie ggf. weitere, zugehörige Elemente, welche an diese Pos-Nummer grenzen, ebenfalls mittauschen müssen.

Nähere Informationen finden Sie unter dem Link
Hinweise zu Ihrer BOSCH Ersatzteilsuche

Preisübersicht

Einzelpreis: 4,53 €* (Brutto: 5,39 €)
Gesamtpreis: 4,53 €* 
Position:

Lieferzeit: 5 Werktage


Beschreibung

  • Sechskantmutter DIN 934-M8-8-A
  • Original Bosch Zubehör / BOSCH Ersatzteil (2915011009)
  • im Gerät verbaut: 1
Dieses BOSCH Ersatzteil ist mit folgendem Gerät und Modell kompatibel:
  • BOSCH Gerätename: GSC 2,8
  • BOSCH Explosionszeichnung: Position 70
  • BOSCH Typennummer: 0601506150
  • BOSCH Typennummer alternative Schreibweisen: 0 601 506 150, 0601 506 150, 0.601.506.150, 0-601-506-150
    Bitte prüfen Sie diese Typennummer auf Ihrem Gerät um die Kompatibilität des BOSCH Ersatzteils zu gewährleisten.
Weitere BOSCH Ersatzteile des Gerätes GSC 2,8 (Blechschere) mit der Typennummer 0601506150 finden Sie in der nachfolgenden Darstellung und im Dropdown zu Ihrer Auswahl:

Pos.
1
BOSCH Getriebedeckel | Ersatzteile für GSC 2,8 | 2605500054
Hersteller: BOSCH
Artikelnummer: EB-0601506150-2605500054
Netto: 70,50 € zzgl. MwSt.
zzgl. 6,90 € Versand (brutto)
einmalig pro Bestellung

Lieferzeit: 5 Werktage

Pos.
802/821/2
BOSCH Winkelschraubendreher DIN 911, SW3 | Ersatzteile für GSC 2,8 | 1907950004
Hersteller: BOSCH
Artikelnummer: EB-0601506150-1907950004
Netto: 6,70 € zzgl. MwSt.
zzgl. 6,90 € Versand (brutto)
einmalig pro Bestellung

Lieferzeit: 5 Werktage

Pos.
2
BOSCH Getriebegehäuse | Ersatzteile für GSC 2,8 | 2605806312
Hersteller: BOSCH
Artikelnummer: EB-0601506150-2605806312
Netto: 42,86 € zzgl. MwSt.
zzgl. 6,90 € Versand (brutto)
einmalig pro Bestellung

Lieferzeit: 5 Werktage

Pos.
3
BOSCH Exzenterwelle | Ersatzteile für GSC 2,8 | 2606122003
Hersteller: BOSCH
Artikelnummer: EB-0601506150-2606122003
Netto: 86,83 € zzgl. MwSt.
zzgl. 6,90 € Versand (brutto)
einmalig pro Bestellung

Lieferzeit: 5 Werktage

Pos.
4
BOSCH Nadelhülse | Ersatzteile für GSC 2,8 | 2600914011
Hersteller: BOSCH
Artikelnummer: EB-0601506150-2600914011
Netto: 17,38 € zzgl. MwSt.
zzgl. 6,90 € Versand (brutto)
einmalig pro Bestellung

Lieferzeit: 5 Werktage

Pos.
5
BOSCH Rillenkugellager 20x42x12 | Ersatzteile für GSC 2,8 | 1900900274
Hersteller: BOSCH
Artikelnummer: EB-0601506150-1900900274
Netto: 24,13 € zzgl. MwSt.
zzgl. 6,90 € Versand (brutto)
einmalig pro Bestellung

Lieferzeit: 5 Werktage

Pos.
6
BOSCH Zahnkranz Z=66 | Ersatzteile für GSC 2,8 | 2606334040
Hersteller: BOSCH
Artikelnummer: EB-0601506150-2606334040
Netto: 24,13 € zzgl. MwSt.
zzgl. 6,90 € Versand (brutto)
einmalig pro Bestellung

Lieferzeit: 5 Werktage

Pos.
7
BOSCH Stirnrad Z=30 | Ersatzteile für GSC 2,8 | 3606316057
Hersteller: BOSCH
Artikelnummer: EB-0601506150-3606316057
Netto: 7,76 € zzgl. MwSt.
zzgl. 6,90 € Versand (brutto)
einmalig pro Bestellung

Lieferzeit: 5 Werktage

Pos.
8
BOSCH Nadelrolle | Ersatzteile für GSC 2,8 | 1903201520
Hersteller: BOSCH
Artikelnummer: EB-0601506150-1903201520
Netto: 3,63 € zzgl. MwSt.
zzgl. 6,90 € Versand (brutto)
einmalig pro Bestellung

Lieferzeit: 5 Werktage

Pos.
9
BOSCH Ausgleichscheibe 1,2 MM DICK | Ersatzteile für GSC 2,8 | 1600100611
Hersteller: BOSCH
Artikelnummer: EB-0601506150-1600100611
Netto: 3,94 € zzgl. MwSt.
zzgl. 6,90 € Versand (brutto)
einmalig pro Bestellung

Lieferzeit: 5 Werktage

Pos.
10
BOSCH Sicherungsscheibe 5 DIN 6799 | Ersatzteile für GSC 2,8 | 2916080908
Hersteller: BOSCH
Artikelnummer: EB-0601506150-2916080908
Netto: 3,63 € zzgl. MwSt.
zzgl. 6,90 € Versand (brutto)
einmalig pro Bestellung

Lieferzeit: 5 Werktage

Pos.
11
BOSCH Lagerbolzen | Ersatzteile für GSC 2,8 | 2603105021
Hersteller: BOSCH
Artikelnummer: EB-0601506150-2603105021
Netto: 4,53 € zzgl. MwSt.
zzgl. 6,90 € Versand (brutto)
einmalig pro Bestellung

Lieferzeit: 5 Werktage

Pos.
12
BOSCH Tellerfeder | Ersatzteile für GSC 2,8 | 2600550017
Hersteller: BOSCH
Artikelnummer: EB-0601506150-2600550017
Netto: 6,70 € zzgl. MwSt.
zzgl. 6,90 € Versand (brutto)
einmalig pro Bestellung

Lieferzeit: 5 Werktage

Pos.
13
BOSCH Sprengring | Ersatzteile für GSC 2,8 | 2600224009
Hersteller: BOSCH
Artikelnummer: EB-0601506150-2600224009
Netto: 3,94 € zzgl. MwSt.
zzgl. 6,90 € Versand (brutto)
einmalig pro Bestellung

Lieferzeit: 5 Werktage

Pos.
14
BOSCH Nadelkäfig | Ersatzteile für GSC 2,8 | 2600913035
Hersteller: BOSCH
Artikelnummer: EB-0601506150-2600913035
Netto: 9,95 € zzgl. MwSt.
zzgl. 6,90 € Versand (brutto)
einmalig pro Bestellung

Lieferzeit: 5 Werktage

Pos.
15
BOSCH Pleuelstange | Ersatzteile für GSC 2,8 | 2602001001
Hersteller: BOSCH
Artikelnummer: EB-0601506150-2602001001
Netto: 47,09 € zzgl. MwSt.
zzgl. 6,90 € Versand (brutto)
einmalig pro Bestellung

Lieferzeit: 5 Werktage

Pos.
16
BOSCH Lagerbolzen | Ersatzteile für GSC 2,8 | 2603100003
Hersteller: BOSCH
Artikelnummer: EB-0601506150-2603100003
Netto: 4,53 € zzgl. MwSt.
zzgl. 6,90 € Versand (brutto)
einmalig pro Bestellung

Lieferzeit: 5 Werktage

Pos.
17
BOSCH Lagerhülse | Ersatzteile für GSC 2,8 | 2600400001
Hersteller: BOSCH
Artikelnummer: EB-0601506150-2600400001
Netto: 42,86 € zzgl. MwSt.
zzgl. 6,90 € Versand (brutto)
einmalig pro Bestellung

Lieferzeit: 5 Werktage

Pos.
18
BOSCH Hubstange | Ersatzteile für GSC 2,8 | 2603070008
Hersteller: BOSCH
Artikelnummer: EB-0601506150-2603070008
Netto: 42,86 € zzgl. MwSt.
zzgl. 6,90 € Versand (brutto)
einmalig pro Bestellung

Lieferzeit: 5 Werktage

Pos.
19
BOSCH Einstellschraube | Ersatzteile für GSC 2,8 | 2603480001
Hersteller: BOSCH
Artikelnummer: EB-0601506150-2603480001
Netto: 9,18 € zzgl. MwSt.
zzgl. 6,90 € Versand (brutto)
einmalig pro Bestellung

Lieferzeit: 5 Werktage

Pos.
20
BOSCH Obermesser | Ersatzteile für GSC 2,8 | 2608635065
Hersteller: BOSCH
Artikelnummer: EB-0601506150-2608635065
Netto: 14,36 € zzgl. MwSt.
zzgl. 6,90 € Versand (brutto)
einmalig pro Bestellung

Lieferzeit: 5 Werktage

Pos.
21
BOSCH Innensechskantschraube | Ersatzteile für GSC 2,8 | 3603414029
Hersteller: BOSCH
Artikelnummer: EB-0601506150-3603414029
Netto: 4,82 € zzgl. MwSt.
zzgl. 6,90 € Versand (brutto)
einmalig pro Bestellung

Lieferzeit: 5 Werktage

Pos.
22
BOSCH Zylinderstift | Ersatzteile für GSC 2,8 | 3603100040
Hersteller: BOSCH
Artikelnummer: EB-0601506150-3603100040
Netto: 3,63 € zzgl. MwSt.
zzgl. 6,90 € Versand (brutto)
einmalig pro Bestellung

Lieferzeit: 5 Werktage

Pos.
24
BOSCH Untermesser | Ersatzteile für GSC 2,8 | 2608635042
Hersteller: BOSCH
Artikelnummer: EB-0601506150-2608635042
Netto: 15,75 € zzgl. MwSt.
zzgl. 6,90 € Versand (brutto)
einmalig pro Bestellung

Lieferzeit: 5 Werktage

Pos.
27
BOSCH Innensechskantschraube M 10x22 DIN 912-8.8 | Ersatzteile für GSC 2,8 | 2910141290
Hersteller: BOSCH
Artikelnummer: EB-0601506150-2910141290
Netto: 3,94 € zzgl. MwSt.
zzgl. 6,90 € Versand (brutto)
einmalig pro Bestellung

Lieferzeit: 5 Werktage

Pos.
28
BOSCH Gewindestift | Ersatzteile für GSC 2,8 | 2603400011
Hersteller: BOSCH
Artikelnummer: EB-0601506150-2603400011
Netto: 4,82 € zzgl. MwSt.
zzgl. 6,90 € Versand (brutto)
einmalig pro Bestellung

Lieferzeit: 5 Werktage

Pos.
29
BOSCH Sicherungsring DIN 471 20x1,2 | Ersatzteile für GSC 2,8 | 2916650011
Hersteller: BOSCH
Artikelnummer: EB-0601506150-2916650011
Netto: 4,32 € zzgl. MwSt.
zzgl. 6,90 € Versand (brutto)
einmalig pro Bestellung

Lieferzeit: 5 Werktage

Pos.
32
BOSCH Zwischenflansch | Ersatzteile für GSC 2,8 | 3605700042
Hersteller: BOSCH
Artikelnummer: EB-0601506150-3605700042
Netto: 70,50 € zzgl. MwSt.
zzgl. 6,90 € Versand (brutto)
einmalig pro Bestellung

Lieferzeit: 5 Werktage

Pos.
33
BOSCH Rillenkugellager 9x24x7 | Ersatzteile für GSC 2,8 | 2600905021
Hersteller: BOSCH
Artikelnummer: EB-0601506150-2600905021
Netto: 8,33 € zzgl. MwSt.
zzgl. 6,90 € Versand (brutto)
einmalig pro Bestellung

Lieferzeit: 5 Werktage

Pos.
34
BOSCH Sicherungsring DIN 472-24x1,2 MM | Ersatzteile für GSC 2,8 | 2916660008
Hersteller: BOSCH
Artikelnummer: EB-0601506150-2916660008
Netto: 4,32 € zzgl. MwSt.
zzgl. 6,90 € Versand (brutto)
einmalig pro Bestellung

Lieferzeit: 5 Werktage

Pos.
36
BOSCH Torx-Linsenschraube | Ersatzteile für GSC 2,8 | 2914201508
Hersteller: BOSCH
Artikelnummer: EB-0601506150-2914201508
Netto: 3,63 € zzgl. MwSt.
zzgl. 6,90 € Versand (brutto)
einmalig pro Bestellung

Lieferzeit: 5 Werktage

Pos.
37
BOSCH Federring DIN 128-A4-FST | Ersatzteile für GSC 2,8 | 2916690003
Hersteller: BOSCH
Artikelnummer: EB-0601506150-2916690003
Netto: 3,63 € zzgl. MwSt.
zzgl. 6,90 € Versand (brutto)
einmalig pro Bestellung

Lieferzeit: 5 Werktage

Pos.
38
BOSCH Zylinderschraube DIN 84-BM4x40-8.8 | Ersatzteile für GSC 2,8 | 2910021138
Hersteller: BOSCH
Artikelnummer: EB-0601506150-2910021138
Netto: 4,53 € zzgl. MwSt.
zzgl. 6,90 € Versand (brutto)
einmalig pro Bestellung

Lieferzeit: 5 Werktage

Pos.
40
BOSCH Zylinderschraube DIN 84-BM4x30-8.8 | Ersatzteile für GSC 2,8 | 2910021134
Hersteller: BOSCH
Artikelnummer: EB-0601506150-2910021134
Netto: 3,94 € zzgl. MwSt.
zzgl. 6,90 € Versand (brutto)
einmalig pro Bestellung

Lieferzeit: 5 Werktage

Pos.
47
BOSCH Tellerscheibe | Ersatzteile für GSC 2,8 | 2600500002
Hersteller: BOSCH
Artikelnummer: EB-0601506150-2600500002
Netto: 3,94 € zzgl. MwSt.
zzgl. 6,90 € Versand (brutto)
einmalig pro Bestellung

Lieferzeit: 5 Werktage

Pos.
48
BOSCH Filzring | Ersatzteile für GSC 2,8 | 2600108002
Hersteller: BOSCH
Artikelnummer: EB-0601506150-2600108002
Netto: 3,94 € zzgl. MwSt.
zzgl. 6,90 € Versand (brutto)
einmalig pro Bestellung

Lieferzeit: 5 Werktage

Pos.
49
BOSCH Steckhülse | Ersatzteile für GSC 2,8 | 2600400008
Hersteller: BOSCH
Artikelnummer: EB-0601506150-2600400008
Netto: 3,94 € zzgl. MwSt.
zzgl. 6,90 € Versand (brutto)
einmalig pro Bestellung

Lieferzeit: 5 Werktage

Pos.
70
BOSCH Sechskantmutter DIN 934-M8-8-A | Ersatzteile für GSC 2,8 | 2915011009
Hersteller: BOSCH
Artikelnummer: EB-0601506150-2915011009
Netto: 4,53 € zzgl. MwSt.
zzgl. 6,90 € Versand (brutto)
einmalig pro Bestellung

Lieferzeit: 5 Werktage

Pos.
71
BOSCH Handgriff SCHWARZ | Ersatzteile für GSC 2,8 | 2602026001
Hersteller: BOSCH
Artikelnummer: EB-0601506150-2602026001
Netto: 6,15 € zzgl. MwSt.
zzgl. 6,90 € Versand (brutto)
einmalig pro Bestellung

Lieferzeit: 5 Werktage

Pos.
101
BOSCH Motorgehäuse BLAU | Ersatzteile für GSC 2,8 | 2605108051
Hersteller: BOSCH
Artikelnummer: EB-0601506150-2605108051
Netto: 17,38 € zzgl. MwSt.
zzgl. 6,90 € Versand (brutto)
einmalig pro Bestellung

Lieferzeit: 5 Werktage

Pos.
102
BOSCH Anker 220-230V | Ersatzteile für GSC 2,8 | 2604010608
Hersteller: BOSCH
Artikelnummer: EB-0601506150-2604010608
Netto: 70,50 € zzgl. MwSt.
zzgl. 6,90 € Versand (brutto)
einmalig pro Bestellung

Lieferzeit: 5 Werktage

Pos.
103
BOSCH Ausgleichscheibe 0,2 MM | Ersatzteile für GSC 2,8 | 2600101022
Hersteller: BOSCH
Artikelnummer: EB-0601506150-2600101022
Netto: 3,94 € zzgl. MwSt.
zzgl. 6,90 € Versand (brutto)
einmalig pro Bestellung

Lieferzeit: 5 Werktage

Pos.
103
BOSCH Ausgleichscheibe 0,3 MM | Ersatzteile für GSC 2,8 | 2600101023
Hersteller: BOSCH
Artikelnummer: EB-0601506150-2600101023
Netto: 3,94 € zzgl. MwSt.
zzgl. 6,90 € Versand (brutto)
einmalig pro Bestellung

Lieferzeit: 5 Werktage

Pos.
103
BOSCH Ausgleichscheibe 0,5 MM | Ersatzteile für GSC 2,8 | 2600101020
Hersteller: BOSCH
Artikelnummer: EB-0601506150-2600101020
Netto: 3,94 € zzgl. MwSt.
zzgl. 6,90 € Versand (brutto)
einmalig pro Bestellung

Lieferzeit: 5 Werktage

Pos.
104
BOSCH Ausgleichscheibe | Ersatzteile für GSC 2,8 | 2600150004
Hersteller: BOSCH
Artikelnummer: EB-0601506150-2600150004
Netto: 4,32 € zzgl. MwSt.
zzgl. 6,90 € Versand (brutto)
einmalig pro Bestellung

Lieferzeit: 5 Werktage

Pos.
105
BOSCH Kugellager 7x22x7 | Ersatzteile für GSC 2,8 | 1900905018
Hersteller: BOSCH
Artikelnummer: EB-0601506150-1900905018
Netto: 15,75 € zzgl. MwSt.
zzgl. 6,90 € Versand (brutto)
einmalig pro Bestellung

Lieferzeit: 5 Werktage

Pos.
106
BOSCH Polschuh 220-230V | Ersatzteile für GSC 2,8 | 2604220445
Hersteller: BOSCH
Artikelnummer: EB-0601506150-2604220445
Netto: 24,13 € zzgl. MwSt.
zzgl. 6,90 € Versand (brutto)
einmalig pro Bestellung

Lieferzeit: 5 Werktage

Pos.
107
BOSCH Kreuzschlitzschraube DIN 7981-ST3,5x9,5-F | Ersatzteile für GSC 2,8 | 2603435015
Hersteller: BOSCH
Artikelnummer: EB-0601506150-2603435015
Netto: 4,32 € zzgl. MwSt.
zzgl. 6,90 € Versand (brutto)
einmalig pro Bestellung

Lieferzeit: 5 Werktage

Pos.
108
BOSCH Verstellschieber BLAU | Ersatzteile für GSC 2,8 | 2602319005
Hersteller: BOSCH
Artikelnummer: EB-0601506150-2602319005
Netto: 3,94 € zzgl. MwSt.
zzgl. 6,90 € Versand (brutto)
einmalig pro Bestellung

Lieferzeit: 5 Werktage

Pos.
109
BOSCH Schaltergriff SCHWARZ | Ersatzteile für GSC 2,8 | 2602026015
Hersteller: BOSCH
Artikelnummer: EB-0601506150-2602026015
Netto: 3,94 € zzgl. MwSt.
zzgl. 6,90 € Versand (brutto)
einmalig pro Bestellung

Lieferzeit: 5 Werktage

Pos.
110
BOSCH Abdeckscheibe | Ersatzteile für GSC 2,8 | 2601328045
Hersteller: BOSCH
Artikelnummer: EB-0601506150-2601328045
Netto: 4,32 € zzgl. MwSt.
zzgl. 6,90 € Versand (brutto)
einmalig pro Bestellung

Lieferzeit: 5 Werktage

Pos.
111
BOSCH Bürstenhalter | Ersatzteile für GSC 2,8 | 1600A003G4
Hersteller: BOSCH
Artikelnummer: EB-0601506150-1600A003G4
Netto: 5,19 € zzgl. MwSt.
zzgl. 6,90 € Versand (brutto)
einmalig pro Bestellung

Lieferzeit: 5 Werktage

Pos.
114
BOSCH Spiralfeder | Ersatzteile für GSC 2,8 | 1604652013
Hersteller: BOSCH
Artikelnummer: EB-0601506150-1604652013
Netto: 3,94 € zzgl. MwSt.
zzgl. 6,90 € Versand (brutto)
einmalig pro Bestellung

Lieferzeit: 5 Werktage

Pos.
115
BOSCH Netzanschlussleitung I/BR 2,65m 2 x 1,0mm H05 VV-F | Ersatzteile für GSC 2,8 | 2604460277
Hersteller: BOSCH
Artikelnummer: EB-0601506150-2604460277
Netto: 10,62 € zzgl. MwSt.
zzgl. 6,90 € Versand (brutto)
einmalig pro Bestellung

Lieferzeit: 5 Werktage

Pos.
116
BOSCH Tülle Ø6,5-Ø6,9x95 MM | Ersatzteile für GSC 2,8 | 2600703012
Hersteller: BOSCH
Artikelnummer: EB-0601506150-2600703012
Netto: 4,82 € zzgl. MwSt.
zzgl. 6,90 € Versand (brutto)
einmalig pro Bestellung

Lieferzeit: 5 Werktage

Pos.
117
BOSCH Leitungshalter | Ersatzteile für GSC 2,8 | 2601035001
Hersteller: BOSCH
Artikelnummer: EB-0601506150-2601035001
Netto: 3,94 € zzgl. MwSt.
zzgl. 6,90 € Versand (brutto)
einmalig pro Bestellung

Lieferzeit: 5 Werktage

Pos.
118
BOSCH Schraube 4x16 | Ersatzteile für GSC 2,8 | 2603490022
Hersteller: BOSCH
Artikelnummer: EB-0601506150-2603490022
Netto: 3,63 € zzgl. MwSt.
zzgl. 6,90 € Versand (brutto)
einmalig pro Bestellung

Lieferzeit: 5 Werktage

Pos.
119
BOSCH Linsenkopfschraube 3x10 ST | Ersatzteile für GSC 2,8 | 1613435034
Hersteller: BOSCH
Artikelnummer: EB-0601506150-1613435034
nur Informationsartikel
Nie mehr lieferbar
keine Alternativen
Pos.
120
BOSCH Schalter | Ersatzteile für GSC 2,8 | 2607200674
Hersteller: BOSCH
Artikelnummer: EB-0601506150-2607200674
Netto: 14,36 € zzgl. MwSt.
zzgl. 6,90 € Versand (brutto)
einmalig pro Bestellung

Lieferzeit: 7 Werktage

Pos.
122
BOSCH Entstörfilter | Ersatzteile für GSC 2,8 | 2607329104
Hersteller: BOSCH
Artikelnummer: EB-0601506150-2607329104
Netto: 9,18 € zzgl. MwSt.
zzgl. 6,90 € Versand (brutto)
einmalig pro Bestellung

Lieferzeit: 5 Werktage

Pos.
123
BOSCH Entstörfilter | Ersatzteile für GSC 2,8 | 3604465000
Hersteller: BOSCH
Artikelnummer: EB-0601506150-3604465000
Netto: 6,15 € zzgl. MwSt.
zzgl. 6,90 € Versand (brutto)
einmalig pro Bestellung

Lieferzeit: 5 Werktage

Pos.
124
BOSCH Verbindungsleitung L=68MM WEISS | Ersatzteile für GSC 2,8 | 2604448039
Hersteller: BOSCH
Artikelnummer: EB-0601506150-2604448039
Netto: 4,32 € zzgl. MwSt.
zzgl. 6,90 € Versand (brutto)
einmalig pro Bestellung

Lieferzeit: 5 Werktage

Pos.
125
BOSCH Verbindungsleitung L=125MM WEISS | Ersatzteile für GSC 2,8 | 2604448040
Hersteller: BOSCH
Artikelnummer: EB-0601506150-2604448040
Netto: 4,53 € zzgl. MwSt.
zzgl. 6,90 € Versand (brutto)
einmalig pro Bestellung

Lieferzeit: 5 Werktage

Pos.
128
BOSCH Gehäusedeckel BLAU | Ersatzteile für GSC 2,8 | 2600508036
Hersteller: BOSCH
Artikelnummer: EB-0601506150-2600508036
Netto: 9,18 € zzgl. MwSt.
zzgl. 6,90 € Versand (brutto)
einmalig pro Bestellung

Lieferzeit: 5 Werktage

Pos.
129
BOSCH Blechschraube DIN 7982-ST3,9x22C-H | Ersatzteile für GSC 2,8 | 2910601321
Hersteller: BOSCH
Artikelnummer: EB-0601506150-2910601321
nur Informationsartikel
Nie mehr lieferbar
keine Alternativen
Pos.
130
BOSCH Klebeschild | Ersatzteile für GSC 2,8 | 3601110354
Hersteller: BOSCH
Artikelnummer: EB-0601506150-3601110354
Netto: 5,19 € zzgl. MwSt.
zzgl. 6,90 € Versand (brutto)
einmalig pro Bestellung

Lieferzeit: 5 Werktage

Pos.
131
BOSCH Klebeschild | Ersatzteile für GSC 2,8 | 3601110384
Hersteller: BOSCH
Artikelnummer: EB-0601506150-3601110384
Netto: 5,19 € zzgl. MwSt.
zzgl. 6,90 € Versand (brutto)
einmalig pro Bestellung

Lieferzeit: 5 Werktage

Pos.
139
BOSCH Blechschraube DIN 7971-BZ2,9x16 | Ersatzteile für GSC 2,8 | 2910211007
Hersteller: BOSCH
Artikelnummer: EB-0601506150-2910211007
nur Informationsartikel
Nie mehr lieferbar
keine Alternativen
Pos.
801
BOSCH Kohlebürstensatz | Ersatzteile für GSC 2,8 | 3607031630
Hersteller: BOSCH
Artikelnummer: EB-0601506150-3607031630
Netto: 8,13 € zzgl. MwSt.
zzgl. 6,90 € Versand (brutto)
einmalig pro Bestellung

Lieferzeit: 5 Werktage

Pos.
802
BOSCH Messersatz | Ersatzteile für GSC 2,8 | 2607010025
Hersteller: BOSCH
Artikelnummer: EB-0601506150-2607010025
nur Informationsartikel
Nie mehr lieferbar
keine Alternativen
Pos.
821
BOSCH Schraubensatz | Ersatzteile für GSC 2,8 | 3607031645
Hersteller: BOSCH
Artikelnummer: EB-0601506150-3607031645
Netto: 14,36 € zzgl. MwSt.
zzgl. 6,90 € Versand (brutto)
einmalig pro Bestellung

Lieferzeit: 5 Werktage

Pos.
823
BOSCH Messerhalter | Ersatzteile für GSC 2,8 | 2608042003
Hersteller: BOSCH
Artikelnummer: EB-0601506150-2608042003
Netto: 153,18 € zzgl. MwSt.
zzgl. 6,90 € Versand (brutto)
einmalig pro Bestellung

Lieferzeit: 5 Werktage

Pos.
825
BOSCH Zylinderschraube M3x6,5-4.8 | Ersatzteile für GSC 2,8 | 2603410001
Hersteller: BOSCH
Artikelnummer: EB-0601506150-2603410001
Netto: 3,94 € zzgl. MwSt.
zzgl. 6,90 € Versand (brutto)
einmalig pro Bestellung

Lieferzeit: 5 Werktage

Pos.
888
BOSCH Typschild | Ersatzteile für GSC 2,8 | 160111A3H3
Hersteller: BOSCH
Artikelnummer: EB-0601506150-160111A3H3
Netto: 4,53 € zzgl. MwSt.
zzgl. 6,90 € Versand (brutto)
einmalig pro Bestellung

Lieferzeit: 5 Werktage

Angaben zur Produktsicherheit

Hersteller:
Robert Bosch Power Tools GmbH
Postfach 30 02 20
70442 Stuttgart

E-Mail:
kontakt@bosch.de