BOSCH Gewindefurchschraube TT M5x18 MM | Ersatzteile für GSF 100 A | 1603435023

Artikelnummer: EB-0601367734-1603435023

Position: 60

Marke: BOSCH


Bitte Kompatibilität prüfen!

Bitte prüfen Sie unbedingt die 10-stellige Typennummer Ihrer Maschine / Ihres Gerätes. Das Ersatzteil ist nur kompatibel, wenn Sie die Typennummer Ihrer Maschine in der unten stehenden Produktbeschreibung finden.

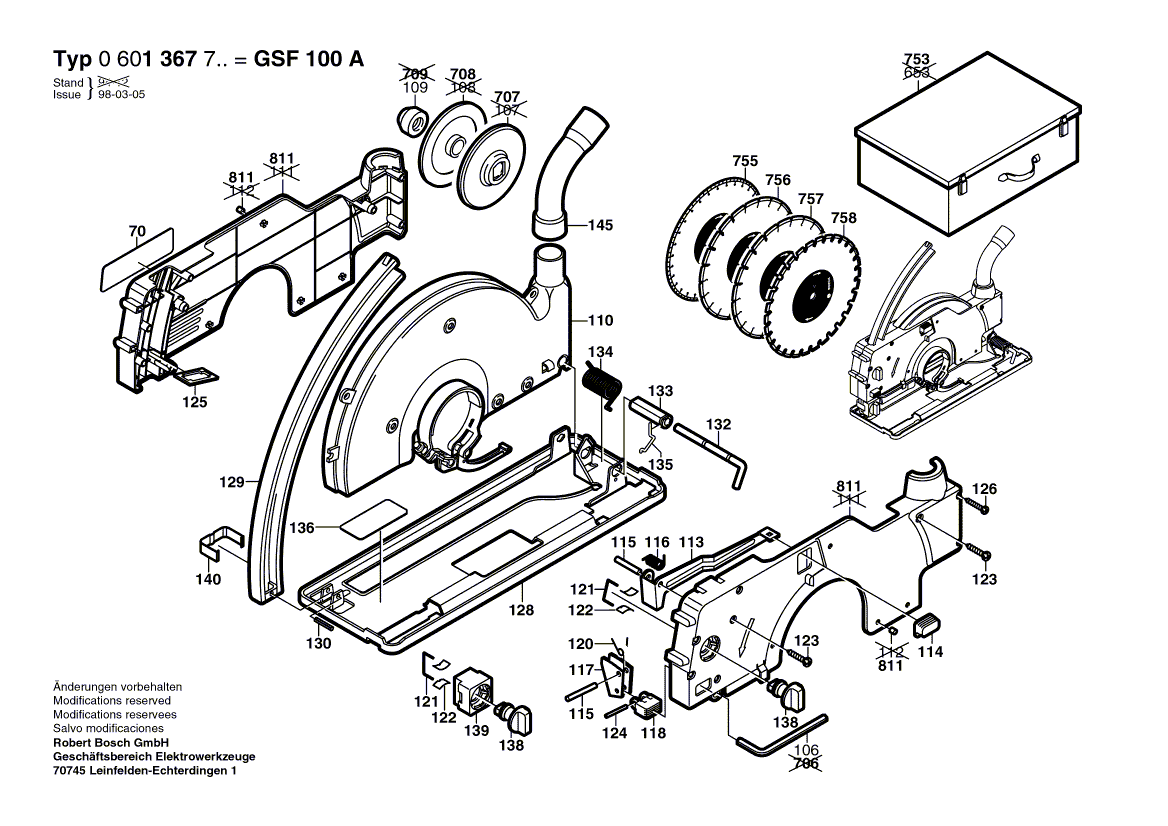
Bitte prüfen Sie ebenfalls detailliert die Explosionszeichnung mit Ihrem Artikelwunsch und der jeweiligen Pos-Nummer.

Alle Elemente, welche vom schwarzen Strich der Pos-Nummer ausgehend berührt / erfasst werden, gehören zu dieser Pos-Nummer und somit zu diesem Artikel. Jede Pos-Nummer ist ein eigenständiger Artikel, welchen Sie in der Auflistung finden.

Sie erhalten stets die aktuellste, neueste Produktversion zu der gewählten Pos-Nummer seitens des Herstellers. Es kann daher je nach Gerätealter vorkommen, dass Sie ggf. weitere, zugehörige Elemente, welche an diese Pos-Nummer grenzen, ebenfalls mittauschen müssen.

Nähere Informationen finden Sie unter dem Link
Hinweise zu Ihrer BOSCH Ersatzteilsuche

Preisübersicht

Einzelpreis: 4,32 €* (Brutto: 5,14 €)
Gesamtpreis: 4,32 €* 
Position:

Lieferzeit: 5 Werktage


Beschreibung

  • Gewindefurchschraube TT M5x18 MM
  • Original Bosch Zubehör / BOSCH Ersatzteil (1603435023)
  • im Gerät verbaut: 1
Dieses BOSCH Ersatzteil ist mit folgendem Gerät und Modell kompatibel:
  • BOSCH Gerätename: GSF 100 A
  • BOSCH Explosionszeichnung: Position 60
  • BOSCH Typennummer: 0601367734
  • BOSCH Typennummer alternative Schreibweisen: 0 601 367 734, 0601 367 734, 0.601.367.734, 0-601-367-734
    Bitte prüfen Sie diese Typennummer auf Ihrem Gerät um die Kompatibilität des BOSCH Ersatzteils zu gewährleisten.
Weitere BOSCH Ersatzteile des Gerätes GSF 100 A (Gw-Schlitzfräse) mit der Typennummer 0601367734 finden Sie in der nachfolgenden Darstellung und im Dropdown zu Ihrer Auswahl:

Pos.
1
BOSCH Motorgehäuse SCHWARZ | Ersatzteile für GSF 100 A | 1605108145
Hersteller: BOSCH
Artikelnummer: EB-0601367734-1605108145
Netto: 21,16 € zzgl. MwSt.
zzgl. 6,90 € Versand (brutto)
einmalig pro Bestellung

Lieferzeit: 5 Werktage

Pos.
3/50
BOSCH Lüfter | Ersatzteile für GSF 100 A | 1606610127
Hersteller: BOSCH
Artikelnummer: EB-0601367734-1606610127
Netto: 4,82 € zzgl. MwSt.
zzgl. 6,90 € Versand (brutto)
einmalig pro Bestellung

Lieferzeit: 5 Werktage

Pos.
2
BOSCH Polschuh 100-120V | Ersatzteile für GSF 100 A | 1604220387
Hersteller: BOSCH
Artikelnummer: EB-0601367734-1604220387
Netto: 47,09 € zzgl. MwSt.
zzgl. 6,90 € Versand (brutto)
einmalig pro Bestellung

Lieferzeit: 5 Werktage

Pos.
4
BOSCH Schalter | Ersatzteile für GSF 100 A | 3607200065
Hersteller: BOSCH
Artikelnummer: EB-0601367734-3607200065
Netto: 29,45 € zzgl. MwSt.
zzgl. 6,90 € Versand (brutto)
einmalig pro Bestellung

Lieferzeit: 5 Werktage

Pos.
5
BOSCH Netzanschlussleitung USA/CDN 2,15m 2 x 2,08mm SJ 14/2 | Ersatzteile für GSF 100 A | 1604460133
Hersteller: BOSCH
Artikelnummer: EB-0601367734-1604460133
Netto: 14,36 € zzgl. MwSt.
zzgl. 6,90 € Versand (brutto)
einmalig pro Bestellung

Lieferzeit: 5 Werktage

Pos.
6
BOSCH Tülle Ø 10,5-Ø11,0x100 MM | Ersatzteile für GSF 100 A | 1600703023
Hersteller: BOSCH
Artikelnummer: EB-0601367734-1600703023
Netto: 4,53 € zzgl. MwSt.
zzgl. 6,90 € Versand (brutto)
einmalig pro Bestellung

Lieferzeit: 5 Werktage

Pos.
7
BOSCH Befestigungsschelle | Ersatzteile für GSF 100 A | 1601302018
Hersteller: BOSCH
Artikelnummer: EB-0601367734-1601302018
Netto: 3,94 € zzgl. MwSt.
zzgl. 6,90 € Versand (brutto)
einmalig pro Bestellung

Lieferzeit: 5 Werktage

Pos.
9
BOSCH Firmenschild | Ersatzteile für GSF 100 A | 3601119293
Hersteller: BOSCH
Artikelnummer: EB-0601367734-3601119293
nur Informationsartikel
Nie mehr lieferbar
keine Alternativen
Pos.
12
BOSCH Entstörfilter | Ersatzteile für GSF 100 A | 1607328035
Hersteller: BOSCH
Artikelnummer: EB-0601367734-1607328035
Netto: 5,67 € zzgl. MwSt.
zzgl. 6,90 € Versand (brutto)
einmalig pro Bestellung

Lieferzeit: 11 Werktage

Pos.
13
BOSCH Rillenkugellager 8x22x7 | Ersatzteile für GSF 100 A | 1600905011
Hersteller: BOSCH
Artikelnummer: EB-0601367734-1600905011
Netto: 6,70 € zzgl. MwSt.
zzgl. 6,90 € Versand (brutto)
einmalig pro Bestellung

Lieferzeit: 5 Werktage

Pos.
14
BOSCH Rillenkugellager 10x35x11 | Ersatzteile für GSF 100 A | 1600905023
Hersteller: BOSCH
Artikelnummer: EB-0601367734-1600905023
Netto: 10,92 € zzgl. MwSt.
zzgl. 6,90 € Versand (brutto)
einmalig pro Bestellung

Lieferzeit: 5 Werktage

Pos.
16
BOSCH Bürstenhalter | Ersatzteile für GSF 100 A | 1604336021
Hersteller: BOSCH
Artikelnummer: EB-0601367734-1604336021
Netto: 4,82 € zzgl. MwSt.
zzgl. 6,90 € Versand (brutto)
einmalig pro Bestellung

Lieferzeit: 5 Werktage

Pos.
23
BOSCH Verschlussdeckel SCHWARZ | Ersatzteile für GSF 100 A | 1605500150
Hersteller: BOSCH
Artikelnummer: EB-0601367734-1605500150
Netto: 5,19 € zzgl. MwSt.
zzgl. 6,90 € Versand (brutto)
einmalig pro Bestellung

Lieferzeit: 5 Werktage

Pos.
24
BOSCH Handgriff SCHWARZ | Ersatzteile für GSF 100 A | 1605132122
Hersteller: BOSCH
Artikelnummer: EB-0601367734-1605132122
Netto: 12,98 € zzgl. MwSt.
zzgl. 6,90 € Versand (brutto)
einmalig pro Bestellung

Lieferzeit: 5 Werktage

Pos.
25
BOSCH Schleifspindel M14 LINKSGEWINDE | Ersatzteile für GSF 100 A | 1603523107
Hersteller: BOSCH
Artikelnummer: EB-0601367734-1603523107
Netto: 38,40 € zzgl. MwSt.
zzgl. 6,90 € Versand (brutto)
einmalig pro Bestellung

Lieferzeit: 5 Werktage

Pos.
28
BOSCH O-Ring 79,0x1,78 MM | Ersatzteile für GSF 100 A | 1600210033
Hersteller: BOSCH
Artikelnummer: EB-0601367734-1600210033
Netto: 3,94 € zzgl. MwSt.
zzgl. 6,90 € Versand (brutto)
einmalig pro Bestellung

Lieferzeit: 5 Werktage

Pos.
29
BOSCH O-Ring 4,0x1,0 MM | Ersatzteile für GSF 100 A | 1600210034
Hersteller: BOSCH
Artikelnummer: EB-0601367734-1600210034
Netto: 3,94 € zzgl. MwSt.
zzgl. 6,90 € Versand (brutto)
einmalig pro Bestellung

Lieferzeit: 5 Werktage

Pos.
30
BOSCH Luftleitring | Ersatzteile für GSF 100 A | 1600591010
Hersteller: BOSCH
Artikelnummer: EB-0601367734-1600591010
Netto: 4,32 € zzgl. MwSt.
zzgl. 6,90 € Versand (brutto)
einmalig pro Bestellung

Lieferzeit: 5 Werktage

Pos.
31
BOSCH Luftleitring | Ersatzteile für GSF 100 A | 1600591011
Hersteller: BOSCH
Artikelnummer: EB-0601367734-1600591011
Netto: 3,94 € zzgl. MwSt.
zzgl. 6,90 € Versand (brutto)
einmalig pro Bestellung

Lieferzeit: 5 Werktage

Pos.
32
BOSCH Haltering | Ersatzteile für GSF 100 A | 1600290019
Hersteller: BOSCH
Artikelnummer: EB-0601367734-1600290019
Netto: 3,94 € zzgl. MwSt.
zzgl. 6,90 € Versand (brutto)
einmalig pro Bestellung

Lieferzeit: 5 Werktage

Pos.
33
BOSCH Radial-Wellendichtring 18,7 MM ROT | Ersatzteile für GSF 100 A | 1600290013
Hersteller: BOSCH
Artikelnummer: EB-0601367734-1600290013
Netto: 4,53 € zzgl. MwSt.
zzgl. 6,90 € Versand (brutto)
einmalig pro Bestellung

Lieferzeit: 5 Werktage

Pos.
34
BOSCH Ausgleichscheibe 0,1 MM DICK | Ersatzteile für GSF 100 A | 1600190022
Hersteller: BOSCH
Artikelnummer: EB-0601367734-1600190022
Netto: 3,94 € zzgl. MwSt.
zzgl. 6,90 € Versand (brutto)
einmalig pro Bestellung

Lieferzeit: 5 Werktage

Pos.
34
BOSCH Ausgleichscheibe 0,15 MM DICK | Ersatzteile für GSF 100 A | 1600190020
Hersteller: BOSCH
Artikelnummer: EB-0601367734-1600190020
Netto: 3,94 € zzgl. MwSt.
zzgl. 6,90 € Versand (brutto)
einmalig pro Bestellung

Lieferzeit: 5 Werktage

Pos.
34
BOSCH Ausgleichscheibe 0,3 MM DICK | Ersatzteile für GSF 100 A | 1600190021
Hersteller: BOSCH
Artikelnummer: EB-0601367734-1600190021
Netto: 4,53 € zzgl. MwSt.
zzgl. 6,90 € Versand (brutto)
einmalig pro Bestellung

Lieferzeit: 5 Werktage

Pos.
35
BOSCH Filzring | Ersatzteile für GSF 100 A | 1600205034
Hersteller: BOSCH
Artikelnummer: EB-0601367734-1600205034
Netto: 3,94 € zzgl. MwSt.
zzgl. 6,90 € Versand (brutto)
einmalig pro Bestellung

Lieferzeit: 5 Werktage

Pos.
36
BOSCH Spiralfeder | Ersatzteile für GSF 100 A | 1604652015
Hersteller: BOSCH
Artikelnummer: EB-0601367734-1604652015
Netto: 4,82 € zzgl. MwSt.
zzgl. 6,90 € Versand (brutto)
einmalig pro Bestellung

Lieferzeit: 5 Werktage

Pos.
37
BOSCH Dichtring | Ersatzteile für GSF 100 A | 1600290020
Hersteller: BOSCH
Artikelnummer: EB-0601367734-1600290020
Netto: 3,94 € zzgl. MwSt.
zzgl. 6,90 € Versand (brutto)
einmalig pro Bestellung

Lieferzeit: 5 Werktage

Pos.
38
BOSCH Gummiring 7 MM BREIT | Ersatzteile für GSF 100 A | 1600206020
Hersteller: BOSCH
Artikelnummer: EB-0601367734-1600206020
Netto: 3,94 € zzgl. MwSt.
zzgl. 6,90 € Versand (brutto)
einmalig pro Bestellung

Lieferzeit: 5 Werktage

Pos.
39
BOSCH Gummiring | Ersatzteile für GSF 100 A | 1600206030
Hersteller: BOSCH
Artikelnummer: EB-0601367734-1600206030
Netto: 3,94 € zzgl. MwSt.
zzgl. 6,90 € Versand (brutto)
einmalig pro Bestellung

Lieferzeit: 5 Werktage

Pos.
44
BOSCH Haltewinkel | Ersatzteile für GSF 100 A | 1601334008
Hersteller: BOSCH
Artikelnummer: EB-0601367734-1601334008
Netto: 3,94 € zzgl. MwSt.
zzgl. 6,90 € Versand (brutto)
einmalig pro Bestellung

Lieferzeit: 5 Werktage

Pos.
45
BOSCH Sechskantmutter LINKSGEWINDE | Ersatzteile für GSF 100 A | 3603300016
Hersteller: BOSCH
Artikelnummer: EB-0601367734-3603300016
nur Informationsartikel
Nie mehr lieferbar
keine Alternativen
Pos.
48
BOSCH Sicherungsbügel | Ersatzteile für GSF 100 A | 1600119010
Hersteller: BOSCH
Artikelnummer: EB-0601367734-1600119010
Netto: 3,94 € zzgl. MwSt.
zzgl. 6,90 € Versand (brutto)
einmalig pro Bestellung

Lieferzeit: 5 Werktage

Pos.
50
BOSCH Rillenkugellager | Ersatzteile für GSF 100 A | 3600905134
Hersteller: BOSCH
Artikelnummer: EB-0601367734-3600905134
Netto: 9,95 € zzgl. MwSt.
zzgl. 6,90 € Versand (brutto)
einmalig pro Bestellung

Lieferzeit: 5 Werktage

Pos.
51
BOSCH Nadellager Ø14 MM | Ersatzteile für GSF 100 A | 2600910001
Hersteller: BOSCH
Artikelnummer: EB-0601367734-2600910001
Netto: 5,67 € zzgl. MwSt.
zzgl. 6,90 € Versand (brutto)
einmalig pro Bestellung

Lieferzeit: 5 Werktage

Pos.
52
BOSCH Kabelführung | Ersatzteile für GSF 100 A | 1602388027
Hersteller: BOSCH
Artikelnummer: EB-0601367734-1602388027
Netto: 4,53 € zzgl. MwSt.
zzgl. 6,90 € Versand (brutto)
einmalig pro Bestellung

Lieferzeit: 5 Werktage

Pos.
53
BOSCH Steckhülsengehäuse | Ersatzteile für GSF 100 A | 1605190038
Hersteller: BOSCH
Artikelnummer: EB-0601367734-1605190038
Netto: 3,94 € zzgl. MwSt.
zzgl. 6,90 € Versand (brutto)
einmalig pro Bestellung

Lieferzeit: 5 Werktage

Pos.
55
BOSCH Ablageleiste SCHWARZ | Ersatzteile für GSF 100 A | 1602388029
Hersteller: BOSCH
Artikelnummer: EB-0601367734-1602388029
Netto: 3,94 € zzgl. MwSt.
zzgl. 6,90 € Versand (brutto)
einmalig pro Bestellung

Lieferzeit: 5 Werktage

Pos.
59
BOSCH Unterlegscheibe 1,8 MM DICK | Ersatzteile für GSF 100 A | 1600101655
Hersteller: BOSCH
Artikelnummer: EB-0601367734-1600101655
Netto: 3,94 € zzgl. MwSt.
zzgl. 6,90 € Versand (brutto)
einmalig pro Bestellung

Lieferzeit: 5 Werktage

Pos.
60
BOSCH Gewindefurchschraube TT M5x18 MM | Ersatzteile für GSF 100 A | 1603435023
Hersteller: BOSCH
Artikelnummer: EB-0601367734-1603435023
Netto: 4,32 € zzgl. MwSt.
zzgl. 6,90 € Versand (brutto)
einmalig pro Bestellung

Lieferzeit: 5 Werktage

Pos.
61
BOSCH Blechschraube DIN 7981-4,8x38-C-Z-ST | Ersatzteile für GSF 100 A | 2912401038
Hersteller: BOSCH
Artikelnummer: EB-0601367734-2912401038
Netto: 3,63 € zzgl. MwSt.
zzgl. 6,90 € Versand (brutto)
einmalig pro Bestellung

Lieferzeit: 5 Werktage

Pos.
62
BOSCH Blechschraube C4,8x63 MM | Ersatzteile für GSF 100 A | 1603435024
Hersteller: BOSCH
Artikelnummer: EB-0601367734-1603435024
Netto: 3,94 € zzgl. MwSt.
zzgl. 6,90 € Versand (brutto)
einmalig pro Bestellung

Lieferzeit: 5 Werktage

Pos.
63
BOSCH Flachkopfschraube M 3,5x10 MM | Ersatzteile für GSF 100 A | 3603410009
Hersteller: BOSCH
Artikelnummer: EB-0601367734-3603410009
Netto: 3,53 € zzgl. MwSt.
zzgl. 6,90 € Versand (brutto)
einmalig pro Bestellung

Lieferzeit: 5 Werktage

Pos.
63
BOSCH Linsenschraube | Ersatzteile für WALL CHASING MACHINE | 2910641086
Hersteller: BOSCH
Artikelnummer: EB-0601367734-2910641086
Netto: 3,94 € zzgl. MwSt.
zzgl. 6,90 € Versand (brutto)
einmalig pro Bestellung

Lieferzeit: 5 Werktage

Pos.
64
BOSCH Kunststoffschneidschraube St3,9x12 | Ersatzteile für GSF 100 A | 1603435042
Hersteller: BOSCH
Artikelnummer: EB-0601367734-1603435042
Netto: 3,94 € zzgl. MwSt.
zzgl. 6,90 € Versand (brutto)
einmalig pro Bestellung

Lieferzeit: 5 Werktage

Pos.
65
BOSCH Blechschraube DIN 7981-3,9x19-C-Z-ST | Ersatzteile für GSF 100 A | 2912401020
Hersteller: BOSCH
Artikelnummer: EB-0601367734-2912401020
Netto: 3,63 € zzgl. MwSt.
zzgl. 6,90 € Versand (brutto)
einmalig pro Bestellung

Lieferzeit: 5 Werktage

Pos.
66
BOSCH Blechschraube DIN 7971-ST3,9x16-F | Ersatzteile für GSF 100 A | 2910211019
Hersteller: BOSCH
Artikelnummer: EB-0601367734-2910211019
Netto: 3,63 € zzgl. MwSt.
zzgl. 6,90 € Versand (brutto)
einmalig pro Bestellung

Lieferzeit: 5 Werktage

Pos.
67
BOSCH Blechschraube BZ 4,8x78 MM | Ersatzteile für GSF 100 A | 1603435019
Hersteller: BOSCH
Artikelnummer: EB-0601367734-1603435019
nur Informationsartikel
Nie mehr lieferbar
keine Alternativen
Pos.
70
BOSCH Klebeschild | Ersatzteile für GSF 100 A | 3601110270
Hersteller: BOSCH
Artikelnummer: EB-0601367734-3601110270
Netto: 5,59 € zzgl. MwSt.
zzgl. 6,90 € Versand (brutto)
einmalig pro Bestellung

Lieferzeit: 5 Werktage

Pos.
100
BOSCH Drehzahlregler 110-120V | Ersatzteile für GSF 100 A | 1607233042
Hersteller: BOSCH
Artikelnummer: EB-0601367734-1607233042
nur Informationsartikel
Nie mehr lieferbar
keine Alternativen
Pos.
105
BOSCH Sechskantschraube M14x16x1,5 MM | Ersatzteile für GSF 100 A | 2603450007
Hersteller: BOSCH
Artikelnummer: EB-0601367734-2603450007
Netto: 6,70 € zzgl. MwSt.
zzgl. 6,90 € Versand (brutto)
einmalig pro Bestellung

Lieferzeit: 5 Werktage

Pos.
106
BOSCH Winkelschraubendreher DIN 911 SW10 | Ersatzteile für GSF 100 A | 1907950009
Hersteller: BOSCH
Artikelnummer: EB-0601367734-1907950009
Netto: 19,18 € zzgl. MwSt.
zzgl. 6,90 € Versand (brutto)
einmalig pro Bestellung

Lieferzeit: 5 Werktage

Pos.
109
BOSCH Rundmutter LINKSGEWINDE | Ersatzteile für GSF 100 A | 1603345042
Hersteller: BOSCH
Artikelnummer: EB-0601367734-1603345042
nur Informationsartikel
Nie mehr lieferbar
keine Alternativen
Pos.
110
BOSCH Schutzhaube | Ersatzteile für GSF 100 A | 1605510227
Hersteller: BOSCH
Artikelnummer: EB-0601367734-1605510227
nur Informationsartikel
Nie mehr lieferbar
keine Alternativen
Pos.
113
BOSCH Sperrhebel | Ersatzteile für GSF 100 A | 1601990002
Hersteller: BOSCH
Artikelnummer: EB-0601367734-1601990002
nur Informationsartikel
Nie mehr lieferbar
keine Alternativen
Pos.
114
BOSCH Griffkappe | Ersatzteile für GSF 100 A | 1600591015
Hersteller: BOSCH
Artikelnummer: EB-0601367734-1600591015
Netto: 3,94 € zzgl. MwSt.
zzgl. 6,90 € Versand (brutto)
einmalig pro Bestellung

Lieferzeit: 5 Werktage

Pos.
115
BOSCH Zylinderstift DIN 6325-5M6x45 | Ersatzteile für GSF 100 A | 2917550133
Hersteller: BOSCH
Artikelnummer: EB-0601367734-2917550133
Netto: 3,60 € zzgl. MwSt.
zzgl. 6,90 € Versand (brutto)
einmalig pro Bestellung

Lieferzeit: 5 Werktage

Pos.
116
BOSCH Schenkelfeder | Ersatzteile für GSF 100 A | 3604651008
Hersteller: BOSCH
Artikelnummer: EB-0601367734-3604651008
nur Informationsartikel
Nie mehr lieferbar
keine Alternativen
Pos.
117
BOSCH Sperrklinke | Ersatzteile für GSF 100 A | 1601990001
Hersteller: BOSCH
Artikelnummer: EB-0601367734-1601990001
nur Informationsartikel
Nie mehr lieferbar
keine Alternativen
Pos.
118
BOSCH Drucktaste | Ersatzteile für GSF 100 A | 1600591016
Hersteller: BOSCH
Artikelnummer: EB-0601367734-1600591016
Netto: 8,94 € zzgl. MwSt.
zzgl. 6,90 € Versand (brutto)
einmalig pro Bestellung

Lieferzeit: 5 Werktage

Pos.
120
BOSCH Schenkelfeder | Ersatzteile für GSF 100 A | 3604651010
Hersteller: BOSCH
Artikelnummer: EB-0601367734-3604651010
Netto: 3,60 € zzgl. MwSt.
zzgl. 6,90 € Versand (brutto)
einmalig pro Bestellung

Lieferzeit: 5 Werktage

Pos.
121
BOSCH Klammer | Ersatzteile für GSF 100 A | 3604651012
Hersteller: BOSCH
Artikelnummer: EB-0601367734-3604651012
nur Informationsartikel
Nie mehr lieferbar
keine Alternativen
Pos.
122
BOSCH Blattfeder | Ersatzteile für GSF 100 A | 1601290008
Hersteller: BOSCH
Artikelnummer: EB-0601367734-1601290008
nur Informationsartikel
Nie mehr lieferbar
keine Alternativen
Pos.
123
BOSCH Blechschraube | Ersatzteile für GSF 100 A | 1603435046
Hersteller: BOSCH
Artikelnummer: EB-0601367734-1603435046
Netto: 3,59 € zzgl. MwSt.
zzgl. 6,90 € Versand (brutto)
einmalig pro Bestellung

Lieferzeit: 5 Werktage

Pos.
124
BOSCH Zylinderstift | Ersatzteile für GSF 100 A | 2917501081
Hersteller: BOSCH
Artikelnummer: EB-0601367734-2917501081
Netto: 3,60 € zzgl. MwSt.
zzgl. 6,90 € Versand (brutto)
einmalig pro Bestellung

Lieferzeit: 5 Werktage

Pos.
125
BOSCH Führungsplatte | Ersatzteile für GSF 100 A | 1601015027
Hersteller: BOSCH
Artikelnummer: EB-0601367734-1601015027
Netto: 14,92 € zzgl. MwSt.
zzgl. 6,90 € Versand (brutto)
einmalig pro Bestellung

Lieferzeit: 5 Werktage

Pos.
126
BOSCH Blechschraube DIN 7981-ST3,9x25-C-Z | Ersatzteile für GSF 100 A | 2912401022
Hersteller: BOSCH
Artikelnummer: EB-0601367734-2912401022
Netto: 3,63 € zzgl. MwSt.
zzgl. 6,90 € Versand (brutto)
einmalig pro Bestellung

Lieferzeit: 5 Werktage

Pos.
128
BOSCH Führungsschlitten | Ersatzteile für GSF 100 A | 1608135008
Hersteller: BOSCH
Artikelnummer: EB-0601367734-1608135008
Netto: 32,74 € zzgl. MwSt.
zzgl. 6,90 € Versand (brutto)
einmalig pro Bestellung

Lieferzeit: 5 Werktage

Pos.
129
BOSCH Führungsschiene | Ersatzteile für GSF 100 A | 1608040114
Hersteller: BOSCH
Artikelnummer: EB-0601367734-1608040114
nur Informationsartikel
Nie mehr lieferbar
keine Alternativen
Pos.
130
BOSCH Schwerspannstift | Ersatzteile für GSF 100 A | 3603101009
Hersteller: BOSCH
Artikelnummer: EB-0601367734-3603101009
Netto: 3,60 € zzgl. MwSt.
zzgl. 6,90 € Versand (brutto)
einmalig pro Bestellung

Lieferzeit: 5 Werktage

Pos.
132
BOSCH Schwenkachse | Ersatzteile für GSF 100 A | 3603101007
Hersteller: BOSCH
Artikelnummer: EB-0601367734-3603101007
Netto: 14,36 € zzgl. MwSt.
zzgl. 6,90 € Versand (brutto)
einmalig pro Bestellung

Lieferzeit: 5 Werktage

Pos.
133
BOSCH Federhülse | Ersatzteile für GSF 100 A | 3600400016
Hersteller: BOSCH
Artikelnummer: EB-0601367734-3600400016
Netto: 11,41 € zzgl. MwSt.
zzgl. 6,90 € Versand (brutto)
einmalig pro Bestellung

Lieferzeit: 5 Werktage

Pos.
134
BOSCH Drehfeder | Ersatzteile für GSF 100 A | 3604651009
Hersteller: BOSCH
Artikelnummer: EB-0601367734-3604651009
nur Informationsartikel
Nie mehr lieferbar
keine Alternativen
Pos.
135
BOSCH Haltefeder | Ersatzteile für GSF 100 A | 3604651013
Hersteller: BOSCH
Artikelnummer: EB-0601367734-3604651013
Netto: 5,59 € zzgl. MwSt.
zzgl. 6,90 € Versand (brutto)
einmalig pro Bestellung

Lieferzeit: 5 Werktage

Pos.
136
BOSCH Hinweisschild | Ersatzteile für GSF 100 A | 3601110282
Hersteller: BOSCH
Artikelnummer: EB-0601367734-3601110282
nur Informationsartikel
Nie mehr lieferbar
keine Alternativen
Pos.
138
BOSCH Einstellknopf | Ersatzteile für GSF 100 A | 1602026064
Hersteller: BOSCH
Artikelnummer: EB-0601367734-1602026064
nur Informationsartikel
Nie mehr lieferbar
keine Alternativen
Pos.
139
BOSCH Gehäuse | Ersatzteile für GSF 100 A | 1605190048
Hersteller: BOSCH
Artikelnummer: EB-0601367734-1605190048
Netto: 3,63 € zzgl. MwSt.
zzgl. 6,90 € Versand (brutto)
einmalig pro Bestellung

Lieferzeit: 5 Werktage

Pos.
140
BOSCH Halteklammer | Ersatzteile für GSF 100 A | 3604651011
Hersteller: BOSCH
Artikelnummer: EB-0601367734-3604651011
Netto: 6,21 € zzgl. MwSt.
zzgl. 6,90 € Versand (brutto)
einmalig pro Bestellung

Lieferzeit: 5 Werktage

Pos.
145
BOSCH Absaugrohr | Ersatzteile für GSF 100 A | 1600795008
Hersteller: BOSCH
Artikelnummer: EB-0601367734-1600795008
Netto: 20,47 € zzgl. MwSt.
zzgl. 6,90 € Versand (brutto)
einmalig pro Bestellung

Lieferzeit: 5 Werktage

Pos.
704
BOSCH Teilesatz | Ersatzteile für GSF 100 A | 3607031335
Hersteller: BOSCH
Artikelnummer: EB-0601367734-3607031335
nur Informationsartikel
Nie mehr lieferbar
keine Alternativen
Pos.
707
BOSCH Aufnahmeflansch SW 17,Ø22,2xØ100 MM | Ersatzteile für GSF 100 A | 2605703017
Hersteller: BOSCH
Artikelnummer: EB-0601367734-2605703017
nur Informationsartikel
Nie mehr lieferbar
keine Alternativen
Pos.
708
BOSCH Spannscheibe Ø 22,2x100x6,4 MM | Ersatzteile für GSF 100 A | 2605703016
Hersteller: BOSCH
Artikelnummer: EB-0601367734-2605703016
nur Informationsartikel
Nie mehr lieferbar
keine Alternativen
Pos.
753
BOSCH Gw-Koffer | Ersatzteile für GSF 100 A | 2605438349
Hersteller: BOSCH
Artikelnummer: EB-0601367734-2605438349
nur Informationsartikel
Nie mehr lieferbar
keine Alternativen
Pos.
755
BOSCH Diamanttrennscheibe Ø22,2xØ300MM | Ersatzteile für GSF 100 A | 2608600074
Hersteller: BOSCH
Artikelnummer: EB-0601367734-2608600074
nur Informationsartikel
Nie mehr lieferbar
keine Alternativen
Pos.
756
BOSCH Diamanttrennscheibe Ø22,2xØ300MM | Ersatzteile für GSF 100 A | 2608600084
Hersteller: BOSCH
Artikelnummer: EB-0601367734-2608600084
nur Informationsartikel
Nie mehr lieferbar
keine Alternativen
Pos.
757
BOSCH Diamanttrennscheibe Ø22,2xØ300MM | Ersatzteile für GSF 100 A | 2608600132
Hersteller: BOSCH
Artikelnummer: EB-0601367734-2608600132
nur Informationsartikel
Nie mehr lieferbar
keine Alternativen
Pos.
758
BOSCH Diamanttrennscheibe Ø22,2xØ300MM | Ersatzteile für GSF 100 A | 2608600136
Hersteller: BOSCH
Artikelnummer: EB-0601367734-2608600136
nur Informationsartikel
Nie mehr lieferbar
keine Alternativen
Pos.
803
BOSCH Anker 110-120V | Ersatzteile für GSF 100 A | 3604010065
Hersteller: BOSCH
Artikelnummer: EB-0601367734-3604010065
nur Informationsartikel
Nie mehr lieferbar
keine Alternativen
Pos.
808
BOSCH Typschild | Ersatzteile für GSF 100 A | 160111A3H3
Hersteller: BOSCH
Artikelnummer: EB-0601367734-160111A3H3
Netto: 4,53 € zzgl. MwSt.
zzgl. 6,90 € Versand (brutto)
einmalig pro Bestellung

Lieferzeit: 5 Werktage

Pos.
810
BOSCH Kohlebürstensatz | Ersatzteile für GSF 100 A | 1607014171
Hersteller: BOSCH
Artikelnummer: EB-0601367734-1607014171
Netto: 11,92 € zzgl. MwSt.
zzgl. 6,90 € Versand (brutto)
einmalig pro Bestellung

Lieferzeit: 5 Werktage

Pos.
811
BOSCH Schutzgehäuse | Ersatzteile für GSF 100 A | 3605190183
Hersteller: BOSCH
Artikelnummer: EB-0601367734-3605190183
nur Informationsartikel
Nie mehr lieferbar
keine Alternativen
Pos.
821
BOSCH Getriebegehäuse | Ersatzteile für GSF 100 A | 3607031336
Hersteller: BOSCH
Artikelnummer: EB-0601367734-3607031336
nur Informationsartikel
Nie mehr lieferbar
keine Alternativen
Pos.
822
BOSCH Teilesatz | Ersatzteile für GSF 100 A | 3607000082
Hersteller: BOSCH
Artikelnummer: EB-0601367734-3607000082
nur Informationsartikel
Nie mehr lieferbar
keine Alternativen
Pos.
826
BOSCH Tellerrad Z=61 | Ersatzteile für GSF 100 A | 1606333260
Hersteller: BOSCH
Artikelnummer: EB-0601367734-1606333260
Netto: 66,09 € zzgl. MwSt.
zzgl. 6,90 € Versand (brutto)
einmalig pro Bestellung

Lieferzeit: 5 Werktage

Pos.
827
BOSCH Kegelrad Z=9 | Ersatzteile für GSF 100 A | 1606333262
Hersteller: BOSCH
Artikelnummer: EB-0601367734-1606333262
nur Informationsartikel
Nie mehr lieferbar
keine Alternativen
Pos.
840
BOSCH Druckknopf SCHWARZ | Ersatzteile für GSF 100 A | 1607000206
Hersteller: BOSCH
Artikelnummer: EB-0601367734-1607000206
Netto: 9,95 € zzgl. MwSt.
zzgl. 6,90 € Versand (brutto)
einmalig pro Bestellung

Lieferzeit: 5 Werktage

Pos.
846
BOSCH Haltescheibe DIN 472 38X1,5 | Ersatzteile für GSF 100 A | 1607000316
Hersteller: BOSCH
Artikelnummer: EB-0601367734-1607000316
Netto: 5,60 € zzgl. MwSt.
zzgl. 6,90 € Versand (brutto)
einmalig pro Bestellung

Lieferzeit: 5 Werktage

Angaben zur Produktsicherheit

Hersteller:
Robert Bosch Power Tools GmbH
Postfach 30 02 20
70442 Stuttgart

E-Mail:
kontakt@bosch.de