BOSCH Senkschraube | Ersatzteile für GSR 14,4 VE-2 | 2603421008

Artikelnummer: EB-06019484BG-2603421008

Position: 107

Marke: BOSCH


Bitte Kompatibilität prüfen!

Bitte prüfen Sie unbedingt die 10-stellige Typennummer Ihrer Maschine / Ihres Gerätes. Das Ersatzteil ist nur kompatibel, wenn Sie die Typennummer Ihrer Maschine in der unten stehenden Produktbeschreibung finden.

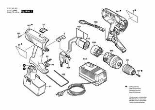
Bitte prüfen Sie ebenfalls detailliert die Explosionszeichnung mit Ihrem Artikelwunsch und der jeweiligen Pos-Nummer.

Alle Elemente, welche vom schwarzen Strich der Pos-Nummer ausgehend berührt / erfasst werden, gehören zu dieser Pos-Nummer und somit zu diesem Artikel. Jede Pos-Nummer ist ein eigenständiger Artikel, welchen Sie in der Auflistung finden.

Sie erhalten stets die aktuellste, neueste Produktversion zu der gewählten Pos-Nummer seitens des Herstellers. Es kann daher je nach Gerätealter vorkommen, dass Sie ggf. weitere, zugehörige Elemente, welche an diese Pos-Nummer grenzen, ebenfalls mittauschen müssen.

Nähere Informationen finden Sie unter dem Link
Hinweise zu Ihrer BOSCH Ersatzteilsuche

Preisübersicht

Einzelpreis: 3,63 €* (Brutto: 4,32 €)
Gesamtpreis: 3,63 €* 
Position:

Lieferzeit: 5 Werktage


Beschreibung

  • Senkschraube
  • Original Bosch Zubehör / BOSCH Ersatzteil (2603421008)
  • im Gerät verbaut: 1
Dieses BOSCH Ersatzteil ist mit folgendem Gerät und Modell kompatibel:
  • BOSCH Gerätename: GSR 14,4 VE-2
  • BOSCH Explosionszeichnung: Position 107
  • BOSCH Typennummer: 06019484BG
  • BOSCH Typennummer alternative Schreibweisen: 0 601 948 4BG, 0601 948 4BG, 0.601.948.4BG, 0-601-948-4BG
    Bitte prüfen Sie diese Typennummer auf Ihrem Gerät um die Kompatibilität des BOSCH Ersatzteils zu gewährleisten.
Weitere BOSCH Ersatzteile des Gerätes GSR 14,4 VE-2 (Akku-Mittelgriffschrauber) mit der Typennummer 06019484BG finden Sie in der nachfolgenden Darstellung und im Dropdown zu Ihrer Auswahl:

Pos.
2/10
BOSCH Ritzel | Ersatzteile für GSR 14,4 VE-2 | 2606316188
Hersteller: BOSCH
Artikelnummer: EB-06019484BG-2606316188
Netto: 4,36 € zzgl. MwSt.
zzgl. 6,90 € Versand (brutto)
einmalig pro Bestellung

Lieferzeit: 5 Werktage

Pos.
5
BOSCH Verstellschieber ROT | Ersatzteile für GSR 14,4 VE-2 | 2601099085
Hersteller: BOSCH
Artikelnummer: EB-06019484BG-2601099085
nur Informationsartikel
Nie mehr lieferbar
keine Alternativen
Pos.
9
BOSCH Firmenschild SONNENSEITE | Ersatzteile für GSR 14,4 VE-2 | 2601119750
Hersteller: BOSCH
Artikelnummer: EB-06019484BG-2601119750
Netto: 5,17 € zzgl. MwSt.
zzgl. 6,90 € Versand (brutto)
einmalig pro Bestellung

Lieferzeit: 5 Werktage

Pos.
20
BOSCH Hinweisschild SCHATTENSEITE | Ersatzteile für GSR 14,4 VE-2 | 2601119751
Hersteller: BOSCH
Artikelnummer: EB-06019484BG-2601119751
Netto: 5,17 € zzgl. MwSt.
zzgl. 6,90 € Versand (brutto)
einmalig pro Bestellung

Lieferzeit: 5 Werktage

Pos.
25
BOSCH Schnellspannbohrfutter | Ersatzteile für GSR 14,4 VE-2 | 2608572160
Hersteller: BOSCH
Artikelnummer: EB-06019484BG-2608572160
nur Informationsartikel
Nie mehr lieferbar
keine Alternativen
Pos.
32
BOSCH Verstellschieber SCHWARZ | Ersatzteile für GSR 14,4 VE-2 | 2601099086
Hersteller: BOSCH
Artikelnummer: EB-06019484BG-2601099086
Netto: 4,36 € zzgl. MwSt.
zzgl. 6,90 € Versand (brutto)
einmalig pro Bestellung

Lieferzeit: 5 Werktage

Pos.
91
BOSCH Akku-Paket 14,4V,3,0Ah,NiMh | Ersatzteile für GSR 14,4 VE-2 | 2607335251
Hersteller: BOSCH
Artikelnummer: EB-06019484BG-2607335251
nur Informationsartikel
Nie mehr lieferbar
keine Alternativen
Pos.
93
BOSCH Schrauberklinge | Ersatzteile für GSR 14,4 VE-2 | 2608521018
Hersteller: BOSCH
Artikelnummer: EB-06019484BG-2608521018
nur Informationsartikel
Nie mehr lieferbar
keine Alternativen
Pos.
96
BOSCH Halter | Ersatzteile für GSR 14,4 VE-2 | 2608040131
Hersteller: BOSCH
Artikelnummer: EB-06019484BG-2608040131
nur Informationsartikel
Nie mehr lieferbar
keine Alternativen
Pos.
101
BOSCH Torx-Linsenschraube 3x18 | Ersatzteile für GSR 14,4 VE-2 | 2603490018
Hersteller: BOSCH
Artikelnummer: EB-06019484BG-2603490018
nur Informationsartikel
Nie mehr lieferbar
keine Alternativen
Pos.
102
BOSCH Haltebügel | Ersatzteile für GSR 14,4 VE-2 | 2601329041
Hersteller: BOSCH
Artikelnummer: EB-06019484BG-2601329041
nur Informationsartikel
Nie mehr lieferbar
keine Alternativen
Pos.
107
BOSCH Senkschraube | Ersatzteile für GSR 14,4 VE-2 | 2603421008
Hersteller: BOSCH
Artikelnummer: EB-06019484BG-2603421008
Netto: 3,60 € zzgl. MwSt.
zzgl. 6,90 € Versand (brutto)
einmalig pro Bestellung

Lieferzeit: 5 Werktage

Pos.
653
BOSCH Schnell-Lader GB 230/7,2-14,4V, 30 MIN. | Ersatzteile für GSR 14,4 VE-2 | 2607224703
Hersteller: BOSCH
Artikelnummer: EB-06019484BG-2607224703
Netto: 91,88 € zzgl. MwSt.
zzgl. 6,90 € Versand (brutto)
einmalig pro Bestellung

Lieferzeit: 5 Werktage

Pos.
653
BOSCH Schnell-Lader GB 230/7,2-24V, 1h | Ersatzteile für GSR 14,4 VE-2 | 2607224427
Hersteller: BOSCH
Artikelnummer: EB-06019484BG-2607224427
Netto: 82,83 € zzgl. MwSt.
zzgl. 6,90 € Versand (brutto)
einmalig pro Bestellung

Lieferzeit: 5 Werktage

Pos.
798
BOSCH Tragschlaufe | Ersatzteile für GSR 14,4 VE-2 | 2601398009
Hersteller: BOSCH
Artikelnummer: EB-06019484BG-2601398009
nur Informationsartikel
Nie mehr lieferbar
keine Alternativen
Pos.
801
BOSCH Gehäuseschale | Ersatzteile für GSR 14,4 VE-2 | 2605105901
Hersteller: BOSCH
Artikelnummer: EB-06019484BG-2605105901
nur Informationsartikel
Nie mehr lieferbar
keine Alternativen
Pos.
802
BOSCH Gleichstrommotor 14,4V | Ersatzteile für GSR 14,4 VE-2 | 2607022892
Hersteller: BOSCH
Artikelnummer: EB-06019484BG-2607022892
nur Informationsartikel
Nie mehr lieferbar
keine Alternativen
Pos.
804
BOSCH Ein/Aus-Schalter | Ersatzteile für GSR 14,4 VE-2 | 2607200421
Hersteller: BOSCH
Artikelnummer: EB-06019484BG-2607200421
nur Informationsartikel
Nie mehr lieferbar
keine Alternativen
Pos.
845
BOSCH Planetengetriebe ROT | Ersatzteile für GSR 14,4 VE-2 | 2606200910
Hersteller: BOSCH
Artikelnummer: EB-06019484BG-2606200910
nur Informationsartikel
Nie mehr lieferbar
keine Alternativen
Pos.
850
BOSCH Zwischenflansch | Ersatzteile für GSR 14,4 VE-2 | 2605719901
Hersteller: BOSCH
Artikelnummer: EB-06019484BG-2605719901
nur Informationsartikel
Nie mehr lieferbar
keine Alternativen
Pos.
899
BOSCH Akku-Mittelgriffschrauber + AKKU OHNE LADEGERAET | Ersatzteile für GSR 14,4 VE-2 | 0601948420
Hersteller: BOSCH
Artikelnummer: EB-06019484BG-0601948420
nur Informationsartikel
Nie mehr lieferbar
keine Alternativen

Angaben zur Produktsicherheit

Hersteller:
Robert Bosch Power Tools GmbH
Postfach 30 02 20
70442 Stuttgart

E-Mail:
kontakt@bosch.de