BOSCH Lüfter | Ersatzteile für GSR 5-11 TE | 2606610022

Artikelnummer: EB-0601419737-2606610022

Position: 70

Marke: BOSCH


Bitte Kompatibilität prüfen!

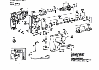
Bitte prüfen Sie unbedingt die 10-stellige Typennummer Ihrer Maschine / Ihres Gerätes. Das Ersatzteil ist nur kompatibel, wenn Sie die Typennummer Ihrer Maschine in der unten stehenden Produktbeschreibung finden.

Bitte prüfen Sie ebenfalls detailliert die Explosionszeichnung mit Ihrem Artikelwunsch und der jeweiligen Pos-Nummer.

Alle Elemente, welche vom schwarzen Strich der Pos-Nummer ausgehend berührt / erfasst werden, gehören zu dieser Pos-Nummer und somit zu diesem Artikel. Jede Pos-Nummer ist ein eigenständiger Artikel, welchen Sie in der Auflistung finden.

Sie erhalten stets die aktuellste, neueste Produktversion zu der gewählten Pos-Nummer seitens des Herstellers. Es kann daher je nach Gerätealter vorkommen, dass Sie ggf. weitere, zugehörige Elemente, welche an diese Pos-Nummer grenzen, ebenfalls mittauschen müssen.

Nähere Informationen finden Sie unter dem Link
Hinweise zu Ihrer BOSCH Ersatzteilsuche

Preisübersicht

Einzelpreis: 4,82 €* (Brutto: 5,74 €)
Gesamtpreis: 4,82 €* 
Position:

Lieferzeit: 5 Werktage


Beschreibung

  • Lüfter
  • Original Bosch Zubehör / BOSCH Ersatzteil (2606610022)
  • im Gerät verbaut: 1
Dieses BOSCH Ersatzteil ist mit folgendem Gerät und Modell kompatibel:
  • BOSCH Gerätename: GSR 5-11 TE
  • BOSCH Explosionszeichnung: Position 70
  • BOSCH Typennummer: 0601419737
  • BOSCH Typennummer alternative Schreibweisen: 0 601 419 737, 0601 419 737, 0.601.419.737, 0-601-419-737
    Bitte prüfen Sie diese Typennummer auf Ihrem Gerät um die Kompatibilität des BOSCH Ersatzteils zu gewährleisten.
Weitere BOSCH Ersatzteile des Gerätes GSR 5-11 TE (Bohrschrauber) mit der Typennummer 0601419737 finden Sie in der nachfolgenden Darstellung und im Dropdown zu Ihrer Auswahl:

Pos.
2
BOSCH Polschuh 240V | Ersatzteile für GSR 5-11 TE | 2604220398
Hersteller: BOSCH
Artikelnummer: EB-0601419737-2604220399
nur Informationsartikel
Nie mehr lieferbar
keine Alternativen
Pos.
3
BOSCH Anker Mit Lüfter 240V | Ersatzteile für GSR 5-11 TE | 2604010571
Hersteller: BOSCH
Artikelnummer: EB-0601419737-2604010571
nur Informationsartikel
Nie mehr lieferbar
keine Alternativen
Pos.
4
BOSCH Ein/Aus-Schalter | Ersatzteile für GSR 5-11 TE | 2607200137
Hersteller: BOSCH
Artikelnummer: EB-0601419737-2607200137
nur Informationsartikel
Nie mehr lieferbar
keine Alternativen
Pos.
4
BOSCH Schalter | Ersatzteile für GSR 5-11 TE | 2607200202
Hersteller: BOSCH
Artikelnummer: EB-0601419737-2607200357
Netto: 32,16 € zzgl. MwSt.
zzgl. 6,90 € Versand (brutto)
einmalig pro Bestellung

Lieferzeit: 5 Werktage

Pos.
5
BOSCH Netzanschlussleitung AUS 2,6m 2 x 0,75mm PVC | Ersatzteile für GSR 5-11 TE | 2604460061
Hersteller: BOSCH
Artikelnummer: EB-0601419737-2604460061
nur Informationsartikel
Nie mehr lieferbar
keine Alternativen
Pos.
6
BOSCH Tülle Ø7 MM | Ersatzteile für GSR 5-11 TE | 2600703007
Hersteller: BOSCH
Artikelnummer: EB-0601419737-2600703007
nur Informationsartikel
Nie mehr lieferbar
keine Alternativen
Pos.
6
BOSCH Tülle Ø9,5 MM | Ersatzteile für GSR 5-11 TE | 2600703006
Hersteller: BOSCH
Artikelnummer: EB-0601419737-2600703006
nur Informationsartikel
Nie mehr lieferbar
keine Alternativen
Pos.
7
BOSCH Leitungshalter | Ersatzteile für GSR 5-11 TE | 2601035001
Hersteller: BOSCH
Artikelnummer: EB-0601419737-2601035001
Netto: 3,94 € zzgl. MwSt.
zzgl. 6,90 € Versand (brutto)
einmalig pro Bestellung

Lieferzeit: 5 Werktage

Pos.
9
BOSCH Klebeschild | Ersatzteile für GSR 5-11 TE | 2601110377
Hersteller: BOSCH
Artikelnummer: EB-0601419737-2601110377
nur Informationsartikel
Nie mehr lieferbar
keine Alternativen
Pos.
12
BOSCH Entstörfilter | Ersatzteile für GSR 5-11 TE | 2607329096
Hersteller: BOSCH
Artikelnummer: EB-0601419737-2607329096
Netto: 7,66 € zzgl. MwSt.
zzgl. 6,90 € Versand (brutto)
einmalig pro Bestellung

Lieferzeit: 5 Werktage

Pos.
13
BOSCH Sinterbuchse | Ersatzteile für GSR 5-11 TE | 1900301004
Hersteller: BOSCH
Artikelnummer: EB-0601419737-1900301004
nur Informationsartikel
Nie mehr lieferbar
keine Alternativen
Pos.
14
BOSCH Nadellager Ø8x8 MM | Ersatzteile für GSR 5-11 TE | 2600917003
Hersteller: BOSCH
Artikelnummer: EB-0601419737-2600917003
Netto: 4,80 € zzgl. MwSt.
zzgl. 6,90 € Versand (brutto)
einmalig pro Bestellung

Lieferzeit: 5 Werktage

Pos.
16
BOSCH Entstörglied | Ersatzteile für GSR 5-11 TE | 2604465099
Hersteller: BOSCH
Artikelnummer: EB-0601419737-2604465099
nur Informationsartikel
Nie mehr lieferbar
keine Alternativen
Pos.
17
BOSCH Entstörglied | Ersatzteile für GSR 5-11 TE | 2604465020
Hersteller: BOSCH
Artikelnummer: EB-0601419737-2604465020
nur Informationsartikel
Nie mehr lieferbar
keine Alternativen
Pos.
18
BOSCH Zylinderschraube M3x6,5-4.8 | Ersatzteile für GSR 5-11 TE | 2603410001
Hersteller: BOSCH
Artikelnummer: EB-0601419737-2603410001
Netto: 3,94 € zzgl. MwSt.
zzgl. 6,90 € Versand (brutto)
einmalig pro Bestellung

Lieferzeit: 5 Werktage

Pos.
19
BOSCH Blechschraube DIN 7981-ST3,9x16-C-H | Ersatzteile für GSR 5-11 TE | 2910611019
Hersteller: BOSCH
Artikelnummer: EB-0601419737-2910611019
nur Informationsartikel
Nie mehr lieferbar
keine Alternativen
Pos.
20
BOSCH Klebeschild | Ersatzteile für GSR 5-11 TE | 2601110079
Hersteller: BOSCH
Artikelnummer: EB-0601419737-2601110079
nur Informationsartikel
Nie mehr lieferbar
keine Alternativen
Pos.
25
BOSCH Torx-Linsenschraube 4x30 | Ersatzteile für GSR 5-11 TE | 2603490025
Hersteller: BOSCH
Artikelnummer: EB-0601419737-2603490025
Netto: 3,60 € zzgl. MwSt.
zzgl. 6,90 € Versand (brutto)
einmalig pro Bestellung

Lieferzeit: 5 Werktage

Pos.
28
BOSCH Torx-Linsenschraube 3x18 | Ersatzteile für GSR 5-11 TE | 2603490018
Hersteller: BOSCH
Artikelnummer: EB-0601419737-2603490018
nur Informationsartikel
Nie mehr lieferbar
keine Alternativen
Pos.
29
BOSCH Sicherungsring DIN 471-10x1MM-FSt | Ersatzteile für GSR 5-11 TE | 2916650001
Hersteller: BOSCH
Artikelnummer: EB-0601419737-2916650001
Netto: 4,56 € zzgl. MwSt.
zzgl. 6,90 € Versand (brutto)
einmalig pro Bestellung

Lieferzeit: 5 Werktage

Pos.
34
BOSCH Druckbolzen | Ersatzteile für GSR 5-11 TE | 2603132002
Hersteller: BOSCH
Artikelnummer: EB-0601419737-2603132002
nur Informationsartikel
Nie mehr lieferbar
keine Alternativen
Pos.
35
BOSCH Nadelhülse | Ersatzteile für GSR 5-11 TE | 2600914015
Hersteller: BOSCH
Artikelnummer: EB-0601419737-2600914015
nur Informationsartikel
Nie mehr lieferbar
keine Alternativen
Pos.
36
BOSCH Tiefenanschlag | Ersatzteile für GSR 5-11 TE | 2600460901
Hersteller: BOSCH
Artikelnummer: EB-0601419737-2600460901
nur Informationsartikel
Nie mehr lieferbar
keine Alternativen
Pos.
37
BOSCH Kugel DIN 5401-2,5MM-III-ST | Ersatzteile für GSR 5-11 TE | 1903230003
Hersteller: BOSCH
Artikelnummer: EB-0601419737-1903230003
Netto: 4,56 € zzgl. MwSt.
zzgl. 6,90 € Versand (brutto)
einmalig pro Bestellung

Lieferzeit: 5 Werktage

Pos.
39
BOSCH Blattfeder | Ersatzteile für GSR 5-11 TE | 2601250001
Hersteller: BOSCH
Artikelnummer: EB-0601419737-2601250001
Netto: 5,17 € zzgl. MwSt.
zzgl. 6,90 € Versand (brutto)
einmalig pro Bestellung

Lieferzeit: 5 Werktage

Pos.
40
BOSCH Druckfeder | Ersatzteile für GSR 5-11 TE | 2604611040
Hersteller: BOSCH
Artikelnummer: EB-0601419737-2604611040
nur Informationsartikel
Nie mehr lieferbar
keine Alternativen
Pos.
44
BOSCH Kupplungshälfte | Ersatzteile für GSR 5-11 TE | 2606490036
Hersteller: BOSCH
Artikelnummer: EB-0601419737-2606490036
nur Informationsartikel
Nie mehr lieferbar
keine Alternativen
Pos.
45
BOSCH Filzring | Ersatzteile für GSR 5-11 TE | 2600205002
Hersteller: BOSCH
Artikelnummer: EB-0601419737-2600205002
nur Informationsartikel
Nie mehr lieferbar
keine Alternativen
Pos.
46
BOSCH Rillenkugellager 6200-2Z DIN 625 | Ersatzteile für GSR 5-11 TE | 1900905232
Hersteller: BOSCH
Artikelnummer: EB-0601419737-1900905232
Netto: 18,86 € zzgl. MwSt.
zzgl. 6,90 € Versand (brutto)
einmalig pro Bestellung

Lieferzeit: 5 Werktage

Pos.
47
BOSCH O-Ring 28x3 MM | Ersatzteile für GSR 5-11 TE | 1900210129
Hersteller: BOSCH
Artikelnummer: EB-0601419737-1900210129
Netto: 4,56 € zzgl. MwSt.
zzgl. 6,90 € Versand (brutto)
einmalig pro Bestellung

Lieferzeit: 5 Werktage

Pos.
48
BOSCH Druckplatte 1,5 MM | Ersatzteile für GSR 5-11 TE | 1601000013
Hersteller: BOSCH
Artikelnummer: EB-0601419737-1601000013
nur Informationsartikel
Nie mehr lieferbar
keine Alternativen
Pos.
49
BOSCH Kugel DIN 5401-5 G28 | Ersatzteile für GSR 5-11 TE | 1903230009
Hersteller: BOSCH
Artikelnummer: EB-0601419737-1903230009
Netto: 3,60 € zzgl. MwSt.
zzgl. 6,90 € Versand (brutto)
einmalig pro Bestellung

Lieferzeit: 5 Werktage

Pos.
50
BOSCH Verbindungsleitung L=154 MM WEISS | Ersatzteile für GSR 5-11 TE | 2604448000
Hersteller: BOSCH
Artikelnummer: EB-0601419737-2604448000
nur Informationsartikel
Nie mehr lieferbar
keine Alternativen
Pos.
51
BOSCH Dämmplatte | Ersatzteile für GSR 5-11 TE | 2601022000
Hersteller: BOSCH
Artikelnummer: EB-0601419737-2601022000
nur Informationsartikel
Nie mehr lieferbar
keine Alternativen
Pos.
52
BOSCH Umschalter | Ersatzteile für GSR 5-11 TE | 2607200198
Hersteller: BOSCH
Artikelnummer: EB-0601419737-2607200206
nur Informationsartikel
Nie mehr lieferbar
keine Alternativen
Pos.
54
BOSCH Elektr Leitung | Ersatzteile für GSR 5-11 TE | 2604448003
Hersteller: BOSCH
Artikelnummer: EB-0601419737-2604448003
nur Informationsartikel
Nie mehr lieferbar
keine Alternativen
Pos.
55
BOSCH Verbindungsleitung | Ersatzteile für GSR 5-11 TE | 2604448017
Hersteller: BOSCH
Artikelnummer: EB-0601419737-2604448017
nur Informationsartikel
Nie mehr lieferbar
keine Alternativen
Pos.
56
BOSCH Verbindungsleitung L=124 MM WEISS | Ersatzteile für GSR 5-11 TE | 2604448018
Hersteller: BOSCH
Artikelnummer: EB-0601419737-2604448018
nur Informationsartikel
Nie mehr lieferbar
keine Alternativen
Pos.
57
BOSCH O-Ring 8,0x2,5 MM | Ersatzteile für GSR 5-11 TE | 1610210014
Hersteller: BOSCH
Artikelnummer: EB-0601419737-1610210014
nur Informationsartikel
Nie mehr lieferbar
keine Alternativen
Pos.
58
BOSCH Zwischenplatte 0,3 MM | Ersatzteile für GSR 5-11 TE | 2601000018
Hersteller: BOSCH
Artikelnummer: EB-0601419737-2601000018
nur Informationsartikel
Nie mehr lieferbar
keine Alternativen
Pos.
59
BOSCH Schmierfilz | Ersatzteile für GSR 5-11 TE | 2601020005
Hersteller: BOSCH
Artikelnummer: EB-0601419737-2601020005
nur Informationsartikel
Nie mehr lieferbar
keine Alternativen
Pos.
61
BOSCH Gewindestift DIN 913-M 6x16-45H | Ersatzteile für GSR 5-11 TE | 2912040197
Hersteller: BOSCH
Artikelnummer: EB-0601419737-2912040197
nur Informationsartikel
Nie mehr lieferbar
keine Alternativen
Pos.
62
BOSCH Klebeschild GELB | Ersatzteile für GSR 5-11 TE | 2601110230
Hersteller: BOSCH
Artikelnummer: EB-0601419737-2601110230
nur Informationsartikel
Nie mehr lieferbar
keine Alternativen
Pos.
70
BOSCH Lüfter | Ersatzteile für GSR 5-11 TE | 2606610022
Hersteller: BOSCH
Artikelnummer: EB-0601419737-2606610022
Netto: 5,65 € zzgl. MwSt.
zzgl. 6,90 € Versand (brutto)
einmalig pro Bestellung

Lieferzeit: 5 Werktage

Pos.
75
BOSCH O-Ring 21,0x2,0 MM | Ersatzteile für GSR 5-11 TE | 2600210028
Hersteller: BOSCH
Artikelnummer: EB-0601419737-2600210028
nur Informationsartikel
Nie mehr lieferbar
keine Alternativen
Pos.
76
BOSCH Rastfeder | Ersatzteile für GSR 5-11 TE | 2604601012
Hersteller: BOSCH
Artikelnummer: EB-0601419737-2604601012
nur Informationsartikel
Nie mehr lieferbar
keine Alternativen
Pos.
660
BOSCH Führungshülse | Ersatzteile für GSR 5-11 TE | 2600326007
Hersteller: BOSCH
Artikelnummer: EB-0601419737-2600326007
nur Informationsartikel
Nie mehr lieferbar
keine Alternativen
Pos.
800
BOSCH Kohlebürstensatz | Ersatzteile für GSR 5-11 TE | 2604321904
Hersteller: BOSCH
Artikelnummer: EB-0601419737-2604321904
Netto: 9,05 € zzgl. MwSt.
zzgl. 6,90 € Versand (brutto)
einmalig pro Bestellung

Lieferzeit: 5 Werktage

Pos.
801
BOSCH Gehäuseschale BLAU | Ersatzteile für GSR 5-11 TE | 2605104949
Hersteller: BOSCH
Artikelnummer: EB-0601419737-2605104949
nur Informationsartikel
Nie mehr lieferbar
keine Alternativen
Pos.
802
BOSCH Lagerbrücke | Ersatzteile für GSR 5-11 TE | 2605807904
Hersteller: BOSCH
Artikelnummer: EB-0601419737-2605807904
nur Informationsartikel
Nie mehr lieferbar
keine Alternativen
Pos.
803
BOSCH Kupplungshälfte | Ersatzteile für GSR 5-11 TE | 2606455902
Hersteller: BOSCH
Artikelnummer: EB-0601419737-2606455902
nur Informationsartikel
Nie mehr lieferbar
keine Alternativen
Pos.
804
BOSCH Antriebswelle | Ersatzteile für GSR 5-11 TE | 2603124904
Hersteller: BOSCH
Artikelnummer: EB-0601419737-2603124904
nur Informationsartikel
Nie mehr lieferbar
keine Alternativen
Pos.
805
BOSCH Lagergehäuse | Ersatzteile für GSR 5-11 TE | 2605806981
Hersteller: BOSCH
Artikelnummer: EB-0601419737-2605806981
nur Informationsartikel
Nie mehr lieferbar
keine Alternativen
Pos.
847
BOSCH Gummistopfen | Ersatzteile für GSR 5-11 TE | 2603239010
Hersteller: BOSCH
Artikelnummer: EB-0601419737-2603239010
nur Informationsartikel
Nie mehr lieferbar
keine Alternativen
Pos.
888
BOSCH Typschild | Ersatzteile für GSR 5-11 TE | 160111A3H3
Hersteller: BOSCH
Artikelnummer: EB-0601419737-160111A3H3
Netto: 4,56 € zzgl. MwSt.
zzgl. 6,90 € Versand (brutto)
einmalig pro Bestellung

Lieferzeit: 5 Werktage

Angaben zur Produktsicherheit

Hersteller:
Robert Bosch Power Tools GmbH
Postfach 30 02 20
70442 Stuttgart

E-Mail:
kontakt@bosch.de