BOSCH Ventilator | Ersatzteile für GSR 6-25 TE | 1619P11262

Artikelnummer: EB-0601421745-1619P11262

Position: 3/60

Marke: BOSCH


Bitte Kompatibilität prüfen!

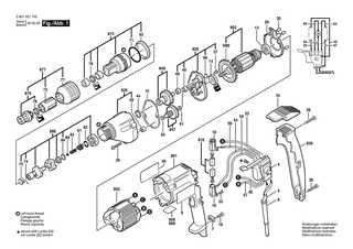
Bitte prüfen Sie unbedingt die 10-stellige Typennummer Ihrer Maschine / Ihres Gerätes. Das Ersatzteil ist nur kompatibel, wenn Sie die Typennummer Ihrer Maschine in der unten stehenden Produktbeschreibung finden.

Bitte prüfen Sie ebenfalls detailliert die Explosionszeichnung mit Ihrem Artikelwunsch und der jeweiligen Pos-Nummer.

Alle Elemente, welche vom schwarzen Strich der Pos-Nummer ausgehend berührt / erfasst werden, gehören zu dieser Pos-Nummer und somit zu diesem Artikel. Jede Pos-Nummer ist ein eigenständiger Artikel, welchen Sie in der Auflistung finden.

Sie erhalten stets die aktuellste, neueste Produktversion zu der gewählten Pos-Nummer seitens des Herstellers. Es kann daher je nach Gerätealter vorkommen, dass Sie ggf. weitere, zugehörige Elemente, welche an diese Pos-Nummer grenzen, ebenfalls mittauschen müssen.

Nähere Informationen finden Sie unter dem Link
Hinweise zu Ihrer BOSCH Ersatzteilsuche

Preisübersicht

Einzelpreis: 4,82 €* (Brutto: 5,74 €)
Gesamtpreis: 4,82 €* 
Position:

Lieferzeit: 5 Werktage


Beschreibung

  • Ventilator
  • Original Bosch Zubehör / BOSCH Ersatzteil (1619P11262)
  • im Gerät verbaut: 1
Dieses BOSCH Ersatzteil ist mit folgendem Gerät und Modell kompatibel:
  • BOSCH Gerätename: GSR 6-25 TE
  • BOSCH Explosionszeichnung: Position 3/60
  • BOSCH Typennummer: 0601421745
  • BOSCH Typennummer alternative Schreibweisen: 0 601 421 745, 0601 421 745, 0.601.421.745, 0-601-421-745
    Bitte prüfen Sie diese Typennummer auf Ihrem Gerät um die Kompatibilität des BOSCH Ersatzteils zu gewährleisten.
Weitere BOSCH Ersatzteile des Gerätes GSR 6-25 TE (Bohrschrauber) mit der Typennummer 0601421745 finden Sie in der nachfolgenden Darstellung und im Dropdown zu Ihrer Auswahl:

Pos.
3/60
BOSCH Lüfter | Ersatzteile für GSR 6-25 TE | 1606610116
Hersteller: BOSCH
Artikelnummer: EB-0601421745-1606610116
Netto: 5,34 € zzgl. MwSt.
zzgl. 6,90 € Versand (brutto)
einmalig pro Bestellung

Lieferzeit: 5 Werktage

Pos.
3/60
BOSCH Ventilator | Ersatzteile für GSR 6-25 TE | 1619P11262
Hersteller: BOSCH
Artikelnummer: EB-0601421745-1619P11262
Netto: 4,82 € zzgl. MwSt.
zzgl. 6,90 € Versand (brutto)
einmalig pro Bestellung

Lieferzeit: 5 Werktage

Pos.
4
BOSCH Ein/Aus-Schalter | Ersatzteile für GSR 6-25 TE | 2610994891
Hersteller: BOSCH
Artikelnummer: EB-0601421745-2610994891
nur Informationsartikel
Nie mehr lieferbar
keine Alternativen
Pos.
5
BOSCH Netzanschlussleitung USA/CDN 2,15m 2 x 0,82mm SJ 18/2 | Ersatzteile für GSR 6-25 TE | 3604460555
Hersteller: BOSCH
Artikelnummer: EB-0601421745-3604460555
Netto: 10,92 € zzgl. MwSt.
zzgl. 6,90 € Versand (brutto)
einmalig pro Bestellung

Lieferzeit: 5 Werktage

Pos.
6
BOSCH Tülle Ø6,5-Ø6,9x95 MM | Ersatzteile für GSR 6-25 TE | 2600703012
Hersteller: BOSCH
Artikelnummer: EB-0601421745-2600703012
Netto: 4,82 € zzgl. MwSt.
zzgl. 6,90 € Versand (brutto)
einmalig pro Bestellung

Lieferzeit: 5 Werktage

Pos.
7
BOSCH Leitungshalter | Ersatzteile für GSR 6-25 TE | 2601035001
Hersteller: BOSCH
Artikelnummer: EB-0601421745-2601035001
Netto: 3,94 € zzgl. MwSt.
zzgl. 6,90 € Versand (brutto)
einmalig pro Bestellung

Lieferzeit: 5 Werktage

Pos.
9
BOSCH Firmenschild | Ersatzteile für GSR 6-25 TE | 2610906830
Hersteller: BOSCH
Artikelnummer: EB-0601421745-2610906830
nur Informationsartikel
Nie mehr lieferbar
keine Alternativen
Pos.
13
BOSCH Kugellager 7x22x7 | Ersatzteile für GSR 6-25 TE | 1900905018
Hersteller: BOSCH
Artikelnummer: EB-0601421745-1900905018
Netto: 15,75 € zzgl. MwSt.
zzgl. 6,90 € Versand (brutto)
einmalig pro Bestellung

Lieferzeit: 5 Werktage

Pos.
14
BOSCH Rillenkugellager | Ersatzteile für GSR 6-25 TE | 1610905013
Hersteller: BOSCH
Artikelnummer: EB-0601421745-1610905013
nur Informationsartikel
Nie mehr lieferbar
keine Alternativen
Pos.
16
BOSCH Bürstenhalter | Ersatzteile für GSR 6-25 TE | 2604337003
Hersteller: BOSCH
Artikelnummer: EB-0601421745-2604337003
Netto: 4,32 € zzgl. MwSt.
zzgl. 6,90 € Versand (brutto)
einmalig pro Bestellung

Lieferzeit: 5 Werktage

Pos.
19
BOSCH Schraube 4x16 | Ersatzteile für GSR 6-25 TE | 2603490022
Hersteller: BOSCH
Artikelnummer: EB-0601421745-2603490022
Netto: 3,63 € zzgl. MwSt.
zzgl. 6,90 € Versand (brutto)
einmalig pro Bestellung

Lieferzeit: 5 Werktage

Pos.
20
BOSCH Hinweisschild | Ersatzteile für GSR 6-25 TE | 2610906850
Hersteller: BOSCH
Artikelnummer: EB-0601421745-2610906850
Netto: 5,21 € zzgl. MwSt.
zzgl. 6,90 € Versand (brutto)
einmalig pro Bestellung

Lieferzeit: 5 Werktage

Pos.
26
BOSCH Torx-Linsenschraube 4x30 | Ersatzteile für GSR 6-25 TE | 2603490025
Hersteller: BOSCH
Artikelnummer: EB-0601421745-2603490025
Netto: 3,63 € zzgl. MwSt.
zzgl. 6,90 € Versand (brutto)
einmalig pro Bestellung

Lieferzeit: 5 Werktage

Pos.
29
BOSCH Abdeckscheibe | Ersatzteile für GSR 6-25 TE | 3600590505
Hersteller: BOSCH
Artikelnummer: EB-0601421745-3600590505
Netto: 3,94 € zzgl. MwSt.
zzgl. 6,90 € Versand (brutto)
einmalig pro Bestellung

Lieferzeit: 5 Werktage

Pos.
30
BOSCH Gummipuffer | Ersatzteile für GSR 6-25 TE | 3602391503
Hersteller: BOSCH
Artikelnummer: EB-0601421745-3602391503
nur Informationsartikel
Nie mehr lieferbar
keine Alternativen
Pos.
37
BOSCH Gewindefurchschraube M4x8 | Ersatzteile für GSR 6-25 TE | 2603410048
Hersteller: BOSCH
Artikelnummer: EB-0601421745-2603410048
Netto: 3,94 € zzgl. MwSt.
zzgl. 6,90 € Versand (brutto)
einmalig pro Bestellung

Lieferzeit: 5 Werktage

Pos.
38
BOSCH Torx-Linsenschraube 4x20 | Ersatzteile für GSR 6-25 TE | 2603490023
Hersteller: BOSCH
Artikelnummer: EB-0601421745-2603490023
Netto: 3,63 € zzgl. MwSt.
zzgl. 6,90 € Versand (brutto)
einmalig pro Bestellung

Lieferzeit: 5 Werktage

Pos.
40
BOSCH Verbindungsleitung | Ersatzteile für GSR 6-25 TE | 3604448500
Hersteller: BOSCH
Artikelnummer: EB-0601421745-3604448500
nur Informationsartikel
Nie mehr lieferbar
keine Alternativen
Pos.
41
BOSCH Flachdichtring | Ersatzteile für GSR 6-25 TE | 3601016502
Hersteller: BOSCH
Artikelnummer: EB-0601421745-3601016502
nur Informationsartikel
Nie mehr lieferbar
keine Alternativen
Pos.
44
BOSCH Sicherungsring DIN 471-12x1-FSt | Ersatzteile für GSR 6-25 TE | 2916650003
Hersteller: BOSCH
Artikelnummer: EB-0601421745-2916650003
Netto: 3,94 € zzgl. MwSt.
zzgl. 6,90 € Versand (brutto)
einmalig pro Bestellung

Lieferzeit: 5 Werktage

Pos.
49
BOSCH Nadelhülse | Ersatzteile für GSR 6-25 TE | 2600917004
Hersteller: BOSCH
Artikelnummer: EB-0601421745-2600917004
Netto: 5,19 € zzgl. MwSt.
zzgl. 6,90 € Versand (brutto)
einmalig pro Bestellung

Lieferzeit: 5 Werktage

Pos.
50
BOSCH Nadelhülse Ø8xØ12x10 MM | Ersatzteile für GSR 6-25 TE | 1610910057
Hersteller: BOSCH
Artikelnummer: EB-0601421745-1610910057
nur Informationsartikel
Nie mehr lieferbar
keine Alternativen
Pos.
52
BOSCH Torx-Linsenschraube 3x10 | Ersatzteile für GSR 6-25 TE | 2603490017
Hersteller: BOSCH
Artikelnummer: EB-0601421745-2603490017
Netto: 4,32 € zzgl. MwSt.
zzgl. 6,90 € Versand (brutto)
einmalig pro Bestellung

Lieferzeit: 5 Werktage

Pos.
53
BOSCH Verbindungsleitung | Ersatzteile für GSR 6-25 TE | 3604448501
Hersteller: BOSCH
Artikelnummer: EB-0601421745-3604448501
nur Informationsartikel
Nie mehr lieferbar
keine Alternativen
Pos.
54
BOSCH Verbindungsleitung | Ersatzteile für GSR 6-25 TE | 3604448502
Hersteller: BOSCH
Artikelnummer: EB-0601421745-3604448502
nur Informationsartikel
Nie mehr lieferbar
keine Alternativen
Pos.
55
BOSCH Verbindungsleitung | Ersatzteile für GSR 6-25 TE | 3604448506
Hersteller: BOSCH
Artikelnummer: EB-0601421745-3604448506
nur Informationsartikel
Nie mehr lieferbar
keine Alternativen
Pos.
56
BOSCH Verbindungsleitung | Ersatzteile für GSR 6-25 TE | 3604448504
Hersteller: BOSCH
Artikelnummer: EB-0601421745-3604448504
nur Informationsartikel
Nie mehr lieferbar
keine Alternativen
Pos.
57
BOSCH Verbindungsleitung | Ersatzteile für GSR 6-25 TE | 3604448507
Hersteller: BOSCH
Artikelnummer: EB-0601421745-3604448507
nur Informationsartikel
Nie mehr lieferbar
keine Alternativen
Pos.
61
BOSCH Ausgleichscheibe 0,5 MM | Ersatzteile für GSR 6-25 TE | 2600100628
Hersteller: BOSCH
Artikelnummer: EB-0601421745-2600100628
Netto: 3,94 € zzgl. MwSt.
zzgl. 6,90 € Versand (brutto)
einmalig pro Bestellung

Lieferzeit: 5 Werktage

Pos.
62
BOSCH Ausgleichscheibe 0,3 MM | Ersatzteile für GSR 6-25 TE | 2600101654
Hersteller: BOSCH
Artikelnummer: EB-0601421745-2600101654
Netto: 3,94 € zzgl. MwSt.
zzgl. 6,90 € Versand (brutto)
einmalig pro Bestellung

Lieferzeit: 5 Werktage

Pos.
70
BOSCH Geräteclip SCHWARZ | Ersatzteile für GSR 6-25 TE | 3600690503
Hersteller: BOSCH
Artikelnummer: EB-0601421745-3600690503
nur Informationsartikel
Nie mehr lieferbar
keine Alternativen
Pos.
71
BOSCH O-Ring | Ersatzteile für GSR 6-25 TE | 3600210506
Hersteller: BOSCH
Artikelnummer: EB-0601421745-3600210506
nur Informationsartikel
Nie mehr lieferbar
keine Alternativen
Pos.
72
BOSCH Distanzhülse SCHWARZ | Ersatzteile für GSR 6-25 TE | 3600360505
Hersteller: BOSCH
Artikelnummer: EB-0601421745-3600360505
nur Informationsartikel
Nie mehr lieferbar
keine Alternativen
Pos.
74
BOSCH Kugel DIN 5401-3,5 MM-III-ST | Ersatzteile für GSR 6-25 TE | 1903230006
Hersteller: BOSCH
Artikelnummer: EB-0601421745-1903230006
Netto: 4,32 € zzgl. MwSt.
zzgl. 6,90 € Versand (brutto)
einmalig pro Bestellung

Lieferzeit: 5 Werktage

Pos.
75
BOSCH Kugelhalter | Ersatzteile für GSR 6-25 TE | 3600034504
Hersteller: BOSCH
Artikelnummer: EB-0601421745-3600034504
nur Informationsartikel
Nie mehr lieferbar
keine Alternativen
Pos.
77
BOSCH Verriegelungsbuchse SCHWARZ | Ersatzteile für GSR 6-25 TE | 3600390502
Hersteller: BOSCH
Artikelnummer: EB-0601421745-3600390502
Netto: 6,75 € zzgl. MwSt.
zzgl. 6,90 € Versand (brutto)
einmalig pro Bestellung

Lieferzeit: 5 Werktage

Pos.
78
BOSCH Dichtring | Ersatzteile für GSR 6-25 TE | 3600290502
Hersteller: BOSCH
Artikelnummer: EB-0601421745-3600290502
Netto: 5,19 € zzgl. MwSt.
zzgl. 6,90 € Versand (brutto)
einmalig pro Bestellung

Lieferzeit: 5 Werktage

Pos.
82
BOSCH Sprengring | Ersatzteile für GSR 6-25 TE | 3600200516
Hersteller: BOSCH
Artikelnummer: EB-0601421745-3600200516
Netto: 3,60 € zzgl. MwSt.
zzgl. 6,90 € Versand (brutto)
einmalig pro Bestellung

Lieferzeit: 5 Werktage

Pos.
83
BOSCH Feder | Ersatzteile für GSR 6-25 TE | 3604613507
Hersteller: BOSCH
Artikelnummer: EB-0601421745-3604613507
Netto: 3,63 € zzgl. MwSt.
zzgl. 6,90 € Versand (brutto)
einmalig pro Bestellung

Lieferzeit: 5 Werktage

Pos.
84
BOSCH Sicherungsring | Ersatzteile für GSR 6-25 TE | 3600118502
Hersteller: BOSCH
Artikelnummer: EB-0601421745-3600118502
nur Informationsartikel
Nie mehr lieferbar
keine Alternativen
Pos.
89
BOSCH Kugel DIN 5401-6 G28 | Ersatzteile für GSR 6-25 TE | 1903230011
Hersteller: BOSCH
Artikelnummer: EB-0601421745-1903230011
Netto: 4,53 € zzgl. MwSt.
zzgl. 6,90 € Versand (brutto)
einmalig pro Bestellung

Lieferzeit: 5 Werktage

Pos.
91
BOSCH Feder | Ersatzteile für GSR 6-25 TE | 3604613506
Hersteller: BOSCH
Artikelnummer: EB-0601421745-3604613506
Netto: 3,63 € zzgl. MwSt.
zzgl. 6,90 € Versand (brutto)
einmalig pro Bestellung

Lieferzeit: 5 Werktage

Pos.
92
BOSCH Isolierhülse GRAU | Ersatzteile für GSR 6-25 TE | 3600113506
Hersteller: BOSCH
Artikelnummer: EB-0601421745-3600113506
Netto: 3,94 € zzgl. MwSt.
zzgl. 6,90 € Versand (brutto)
einmalig pro Bestellung

Lieferzeit: 5 Werktage

Pos.
99
BOSCH Sicherungsscheibe | Ersatzteile für GSR 6-25 TE | 3600171504
Hersteller: BOSCH
Artikelnummer: EB-0601421745-3600171504
nur Informationsartikel
Nie mehr lieferbar
keine Alternativen
Pos.
801
BOSCH Motorgehäuse DUNKELBLAU | Ersatzteile für GSR 6-25 TE | 3605108557
Hersteller: BOSCH
Artikelnummer: EB-0601421745-3605108557
Netto: 21,16 € zzgl. MwSt.
zzgl. 6,90 € Versand (brutto)
einmalig pro Bestellung

Lieferzeit: 5 Werktage

Pos.
802
BOSCH Polschuh 100V | Ersatzteile für GSR 6-25 TE | 2604220446
Hersteller: BOSCH
Artikelnummer: EB-0601421745-2604220446
Netto: 17,38 € zzgl. MwSt.
zzgl. 6,90 € Versand (brutto)
einmalig pro Bestellung

Lieferzeit: 5 Werktage

Pos.
803
BOSCH Anker 115V | Ersatzteile für GSR 6-25 TE | 2604010801
Hersteller: BOSCH
Artikelnummer: EB-0601421745-2604010801
nur Informationsartikel
Nie mehr lieferbar
keine Alternativen
Pos.
808
BOSCH Typschild | Ersatzteile für GSR 6-25 TE | 3601119718
Hersteller: BOSCH
Artikelnummer: EB-0601421745-3601119718
nur Informationsartikel
Nie mehr lieferbar
keine Alternativen
Pos.
810
BOSCH Kohlebürstensatz | Ersatzteile für GSR 6-25 TE | 2604321905
Hersteller: BOSCH
Artikelnummer: EB-0601421745-2604321905
Netto: 9,18 € zzgl. MwSt.
zzgl. 6,90 € Versand (brutto)
einmalig pro Bestellung

Lieferzeit: 5 Werktage

Pos.
825
BOSCH Getriebegehäuse SCHWARZ | Ersatzteile für GSR 6-25 TE | 3605190518
Hersteller: BOSCH
Artikelnummer: EB-0601421745-3605190518
nur Informationsartikel
Nie mehr lieferbar
keine Alternativen
Pos.
828
BOSCH Lagerbrücke | Ersatzteile für GSR 6-25 TE | 3605806537
Hersteller: BOSCH
Artikelnummer: EB-0601421745-3605806537
Netto: 23,72 € zzgl. MwSt.
zzgl. 6,90 € Versand (brutto)
einmalig pro Bestellung

Lieferzeit: 5 Werktage

Pos.
839
BOSCH Gehäusedeckel DUNKELBLAU | Ersatzteile für GSR 6-25 TE | 3605133521
Hersteller: BOSCH
Artikelnummer: EB-0601421745-3605133521
Netto: 8,33 € zzgl. MwSt.
zzgl. 6,90 € Versand (brutto)
einmalig pro Bestellung

Lieferzeit: 5 Werktage

Pos.
846
BOSCH Antriebswelle Z=33 | Ersatzteile für GSR 6-25 TE | 3606120566
Hersteller: BOSCH
Artikelnummer: EB-0601421745-3606120566
nur Informationsartikel
Nie mehr lieferbar
keine Alternativen
Pos.
847
BOSCH Zahnwelle Z=41/17 | Ersatzteile für GSR 6-25 TE | 3606319522
Hersteller: BOSCH
Artikelnummer: EB-0601421745-3606319522
Netto: 32,85 € zzgl. MwSt.
zzgl. 6,90 € Versand (brutto)
einmalig pro Bestellung

Lieferzeit: 5 Werktage

Pos.
873
BOSCH Antriebs-Kupplung | Ersatzteile für GSR 6-25 TE | 3605190520
Hersteller: BOSCH
Artikelnummer: EB-0601421745-3605190520
nur Informationsartikel
Nie mehr lieferbar
keine Alternativen
Pos.
877
BOSCH Tiefenanschlag | Ersatzteile für GSR 6-25 TE | 3600552509
Hersteller: BOSCH
Artikelnummer: EB-0601421745-3600552509
nur Informationsartikel
Nie mehr lieferbar
keine Alternativen
Pos.
879
BOSCH Tiefenanschlag | Ersatzteile für GSR 6-25 TE | 3600552505
Hersteller: BOSCH
Artikelnummer: EB-0601421745-3600552505
nur Informationsartikel
Nie mehr lieferbar
keine Alternativen
Pos.
886
BOSCH Antriebs-Kupplung | Ersatzteile für GSR 6-25 TE | 3606441503
Hersteller: BOSCH
Artikelnummer: EB-0601421745-3606441503
nur Informationsartikel
Nie mehr lieferbar
keine Alternativen
Pos.
888
BOSCH Typschild | Ersatzteile für GSR 6-25 TE | 160111A3H3
Hersteller: BOSCH
Artikelnummer: EB-0601421745-160111A3H3
Netto: 4,53 € zzgl. MwSt.
zzgl. 6,90 € Versand (brutto)
einmalig pro Bestellung

Lieferzeit: 5 Werktage

Angaben zur Produktsicherheit

Hersteller:
Robert Bosch Power Tools GmbH
Postfach 30 02 20
70442 Stuttgart

E-Mail:
kontakt@bosch.de