BOSCH Leitungshalter | Ersatzteile für GSR 6-25 TE | 2601035004

Artikelnummer: EB-3601D413H0-2601035004

Position: 7

Marke: BOSCH


Bitte Kompatibilität prüfen!

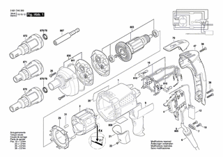
Bitte prüfen Sie unbedingt die 10-stellige Typennummer Ihrer Maschine / Ihres Gerätes. Das Ersatzteil ist nur kompatibel, wenn Sie die Typennummer Ihrer Maschine in der unten stehenden Produktbeschreibung finden.

Bitte prüfen Sie ebenfalls detailliert die Explosionszeichnung mit Ihrem Artikelwunsch und der jeweiligen Pos-Nummer.

Alle Elemente, welche vom schwarzen Strich der Pos-Nummer ausgehend berührt / erfasst werden, gehören zu dieser Pos-Nummer und somit zu diesem Artikel. Jede Pos-Nummer ist ein eigenständiger Artikel, welchen Sie in der Auflistung finden.

Sie erhalten stets die aktuellste, neueste Produktversion zu der gewählten Pos-Nummer seitens des Herstellers. Es kann daher je nach Gerätealter vorkommen, dass Sie ggf. weitere, zugehörige Elemente, welche an diese Pos-Nummer grenzen, ebenfalls mittauschen müssen.

Nähere Informationen finden Sie unter dem Link
Hinweise zu Ihrer BOSCH Ersatzteilsuche

Preisübersicht

Einzelpreis: 4,32 €* (Brutto: 5,14 €)
Gesamtpreis: 4,32 €* 
Position:

Lieferzeit: 5 Werktage


Beschreibung

  • Leitungshalter
  • Original Bosch Zubehör / BOSCH Ersatzteil (2601035004)
  • im Gerät verbaut: 1
Dieses BOSCH Ersatzteil ist mit folgendem Gerät und Modell kompatibel:
  • BOSCH Gerätename: GSR 6-25 TE
  • BOSCH Explosionszeichnung: Position 7
  • BOSCH Typennummer: 3601D413H0
  • BOSCH Typennummer alternative Schreibweisen: 3 601 D41 3H0, 3601 D41 3H0, 3.601.D41.3H0, 3-601-D41-3H0
    Bitte prüfen Sie diese Typennummer auf Ihrem Gerät um die Kompatibilität des BOSCH Ersatzteils zu gewährleisten.
Weitere BOSCH Ersatzteile des Gerätes GSR 6-25 TE (Bohrschrauber) mit der Typennummer 3601D413H0 finden Sie in der nachfolgenden Darstellung und im Dropdown zu Ihrer Auswahl:

Pos.
1
BOSCH Motorgehäuse DUNKELBLAU | Ersatzteile für GSR 6-25 TE | 2605108083
Hersteller: BOSCH
Artikelnummer: EB-3601D413H0-2605108083
nur Informationsartikel
Nie mehr lieferbar
keine Alternativen
Pos.
870/78
BOSCH Dichtring | Ersatzteile für GSR 6-25 TE | 3600290502
Hersteller: BOSCH
Artikelnummer: EB-3601D413H0-3600290502
Netto: 5,17 € zzgl. MwSt.
zzgl. 6,90 € Versand (brutto)
einmalig pro Bestellung

Lieferzeit: 5 Werktage

Pos.
2
BOSCH Polschuh 220-240V | Ersatzteile für GSR 6-25 TE | 2604220456
Hersteller: BOSCH
Artikelnummer: EB-3601D413H0-2604220456
nur Informationsartikel
Nie mehr lieferbar
keine Alternativen
Pos.
4
BOSCH Schalter | Ersatzteile für GSR 6-25 TE | 2607200638
Hersteller: BOSCH
Artikelnummer: EB-3601D413H0-2607200638
nur Informationsartikel
Nie mehr lieferbar
keine Alternativen
Pos.
5
BOSCH Netzanschlussleitung AR 4,15m 2 x 1,0mm H05 RN-F | Ersatzteile für GSR 6-25 TE | 1604460230
Hersteller: BOSCH
Artikelnummer: EB-3601D413H0-1604460230
Netto: 15,15 € zzgl. MwSt.
zzgl. 6,90 € Versand (brutto)
einmalig pro Bestellung

Lieferzeit: 5 Werktage

Pos.
6
BOSCH Tülle Ø6,4-Ø7,2x76 MM | Ersatzteile für GSR 6-25 TE | 2600703017
Hersteller: BOSCH
Artikelnummer: EB-3601D413H0-2600703017
Netto: 4,56 € zzgl. MwSt.
zzgl. 6,90 € Versand (brutto)
einmalig pro Bestellung

Lieferzeit: 5 Werktage

Pos.
7
BOSCH Leitungshalter | Ersatzteile für GSR 6-25 TE | 2601035004
Hersteller: BOSCH
Artikelnummer: EB-3601D413H0-2601035004
Netto: 4,36 € zzgl. MwSt.
zzgl. 6,90 € Versand (brutto)
einmalig pro Bestellung

Lieferzeit: 5 Werktage

Pos.
9
BOSCH Firmenschild | Ersatzteile für GSR 6-25 TE | 2601115059
Hersteller: BOSCH
Artikelnummer: EB-3601D413H0-2601115059
Netto: 4,56 € zzgl. MwSt.
zzgl. 6,90 € Versand (brutto)
einmalig pro Bestellung

Lieferzeit: 5 Werktage

Pos.
12
BOSCH Entstörfilter | Ersatzteile für GSR 6-25 TE | 2607329151
Hersteller: BOSCH
Artikelnummer: EB-3601D413H0-1600A02K8Y
nur Informationsartikel
Nie mehr lieferbar
keine Alternativen
Pos.
16
BOSCH Bürstenplatte | Ersatzteile für GSR 6-25 TE | 2605807124
Hersteller: BOSCH
Artikelnummer: EB-3601D413H0-2605807124
nur Informationsartikel
Nie mehr lieferbar
keine Alternativen
Pos.
19
BOSCH Torx-Linsenschraube 4x12 | Ersatzteile für GSR 6-25 TE | 2603490021
Hersteller: BOSCH
Artikelnummer: EB-3601D413H0-2603490021
Netto: 3,60 € zzgl. MwSt.
zzgl. 6,90 € Versand (brutto)
einmalig pro Bestellung

Lieferzeit: 5 Werktage

Pos.
20
BOSCH Hinweisschild | Ersatzteile für GSR 6-25 TE | 2601115268
Hersteller: BOSCH
Artikelnummer: EB-3601D413H0-2601115268
Netto: 4,56 € zzgl. MwSt.
zzgl. 6,90 € Versand (brutto)
einmalig pro Bestellung

Lieferzeit: 5 Werktage

Pos.
21
BOSCH Schalterdeckel ROT | Ersatzteile für GSR 6-25 TE | 2605500196
Hersteller: BOSCH
Artikelnummer: EB-3601D413H0-2605500196
nur Informationsartikel
Nie mehr lieferbar
keine Alternativen
Pos.
22
BOSCH Senkschraube DIN 7991 M3x8-8.8 | Ersatzteile für GSR 6-25 TE | 2910541050
Hersteller: BOSCH
Artikelnummer: EB-3601D413H0-2910541050
nur Informationsartikel
Nie mehr lieferbar
keine Alternativen
Pos.
26
BOSCH Torx-Linsenschraube 4x25 | Ersatzteile für GSR 6-25 TE | 2603490024
Hersteller: BOSCH
Artikelnummer: EB-3601D413H0-2603490024
Netto: 3,94 € zzgl. MwSt.
zzgl. 6,90 € Versand (brutto)
einmalig pro Bestellung

Lieferzeit: 5 Werktage

Pos.
29
BOSCH Abdeckscheibe | Ersatzteile für GSR 6-25 TE | 2601328078
Hersteller: BOSCH
Artikelnummer: EB-3601D413H0-2601328078
Netto: 4,80 € zzgl. MwSt.
zzgl. 6,90 € Versand (brutto)
einmalig pro Bestellung

Lieferzeit: 5 Werktage

Pos.
31
BOSCH Gummipuffer | Ersatzteile für GSR 6-25 TE | 2602391004
Hersteller: BOSCH
Artikelnummer: EB-3601D413H0-2602391004
nur Informationsartikel
Nie mehr lieferbar
keine Alternativen
Pos.
38
BOSCH Torx-Linsenschraube 4x20 | Ersatzteile für GSR 6-25 TE | 2603490023
Hersteller: BOSCH
Artikelnummer: EB-3601D413H0-2603490023
Netto: 3,60 € zzgl. MwSt.
zzgl. 6,90 € Versand (brutto)
einmalig pro Bestellung

Lieferzeit: 5 Werktage

Pos.
47
BOSCH Gehäusedeckel DUNKELBLAU | Ersatzteile für GSR 6-25 TE | 2605132061
Hersteller: BOSCH
Artikelnummer: EB-3601D413H0-2605132061
Netto: 11,58 € zzgl. MwSt.
zzgl. 6,90 € Versand (brutto)
einmalig pro Bestellung

Lieferzeit: 5 Werktage

Pos.
70
BOSCH Gurthalteclip | Ersatzteile für GSR 6-25 TE | 2601329113
Hersteller: BOSCH
Artikelnummer: EB-3601D413H0-2601329113
Netto: 6,27 € zzgl. MwSt.
zzgl. 6,90 € Versand (brutto)
einmalig pro Bestellung

Lieferzeit: 5 Werktage

Pos.
803
BOSCH Anker 220-240V | Ersatzteile für GSR 6-25 TE | 2604011928
Hersteller: BOSCH
Artikelnummer: EB-3601D413H0-2604011928
Netto: 51,18 € zzgl. MwSt.
zzgl. 6,90 € Versand (brutto)
einmalig pro Bestellung

Lieferzeit: 5 Werktage

Pos.
808
BOSCH Typschild | Ersatzteile für GSR 6-25 TE | 2601115337
Hersteller: BOSCH
Artikelnummer: EB-3601D413H0-2601115337
Netto: 1,61 € zzgl. MwSt.
zzgl. 6,90 € Versand (brutto)
einmalig pro Bestellung

Lieferzeit: 5 Werktage

Pos.
810
BOSCH Kohlebürstensatz | Ersatzteile für GSR 6-25 TE | 2604321943
Hersteller: BOSCH
Artikelnummer: EB-3601D413H0-2604321943
nur Informationsartikel
Nie mehr lieferbar
keine Alternativen
Pos.
830
BOSCH Getriebeeinheit | Ersatzteile für GSR 6-25 TE | 2606200236
Hersteller: BOSCH
Artikelnummer: EB-3601D413H0-2606200236
nur Informationsartikel
Nie mehr lieferbar
keine Alternativen
Pos.
841
BOSCH Dichtung | Ersatzteile für GSR 6-25 TE | 2601015097
Hersteller: BOSCH
Artikelnummer: EB-3601D413H0-2601015097
nur Informationsartikel
Nie mehr lieferbar
keine Alternativen
Pos.
870
BOSCH Tiefenanschlag | Ersatzteile für GSR 6-25 TE | 2602025165
Hersteller: BOSCH
Artikelnummer: EB-3601D413H0-2602025165
Netto: 10,62 € zzgl. MwSt.
zzgl. 6,90 € Versand (brutto)
einmalig pro Bestellung

Lieferzeit: 5 Werktage

Pos.
871
BOSCH Tiefenanschlag | Ersatzteile für GSR 6-25 TE | 2602025166
Hersteller: BOSCH
Artikelnummer: EB-3601D413H0-2602025166
Netto: 10,62 € zzgl. MwSt.
zzgl. 6,90 € Versand (brutto)
einmalig pro Bestellung

Lieferzeit: 5 Werktage

Pos.
872
BOSCH Tiefenanschlag | Ersatzteile für GSR 6-25 TE | 2602025167
Hersteller: BOSCH
Artikelnummer: EB-3601D413H0-2602025167
Netto: 10,62 € zzgl. MwSt.
zzgl. 6,90 € Versand (brutto)
einmalig pro Bestellung

Lieferzeit: 5 Werktage

Pos.
887
BOSCH Werkzeughalter 1/4" | Ersatzteile für GSR 6-25 TE | 3603008500
Hersteller: BOSCH
Artikelnummer: EB-3601D413H0-3603008500
nur Informationsartikel
Nie mehr lieferbar
keine Alternativen

Angaben zur Produktsicherheit

Hersteller:
Robert Bosch Power Tools GmbH
Postfach 30 02 20
70442 Stuttgart

E-Mail:
kontakt@bosch.de