BOSCH Leitungshalter | Ersatzteile für GSR 6-25 TE | 2601035004

Artikelnummer: EB-3601D450P1-2601035004

Position: 7

Marke: BOSCH


Bitte Kompatibilität prüfen!

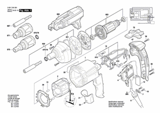
Bitte prüfen Sie unbedingt die 10-stellige Typennummer Ihrer Maschine / Ihres Gerätes. Das Ersatzteil ist nur kompatibel, wenn Sie die Typennummer Ihrer Maschine in der unten stehenden Produktbeschreibung finden.

Bitte prüfen Sie ebenfalls detailliert die Explosionszeichnung mit Ihrem Artikelwunsch und der jeweiligen Pos-Nummer.

Alle Elemente, welche vom schwarzen Strich der Pos-Nummer ausgehend berührt / erfasst werden, gehören zu dieser Pos-Nummer und somit zu diesem Artikel. Jede Pos-Nummer ist ein eigenständiger Artikel, welchen Sie in der Auflistung finden.

Sie erhalten stets die aktuellste, neueste Produktversion zu der gewählten Pos-Nummer seitens des Herstellers. Es kann daher je nach Gerätealter vorkommen, dass Sie ggf. weitere, zugehörige Elemente, welche an diese Pos-Nummer grenzen, ebenfalls mittauschen müssen.

Nähere Informationen finden Sie unter dem Link
Hinweise zu Ihrer BOSCH Ersatzteilsuche

Preisübersicht

Einzelpreis: 4,32 €* (Brutto: 5,14 €)
Gesamtpreis: 4,32 €* 
Position:

Lieferzeit: 5 Werktage


Beschreibung

  • Leitungshalter
  • Original Bosch Zubehör / BOSCH Ersatzteil (2601035004)
  • im Gerät verbaut: 1
Dieses BOSCH Ersatzteil ist mit folgendem Gerät und Modell kompatibel:
  • BOSCH Gerätename: GSR 6-25 TE
  • BOSCH Explosionszeichnung: Position 7
  • BOSCH Typennummer: 3601D450P1
  • BOSCH Typennummer alternative Schreibweisen: 3 601 D45 0P1, 3601 D45 0P1, 3.601.D45.0P1, 3-601-D45-0P1
    Bitte prüfen Sie diese Typennummer auf Ihrem Gerät um die Kompatibilität des BOSCH Ersatzteils zu gewährleisten.
Weitere BOSCH Ersatzteile des Gerätes GSR 6-25 TE (Bohrschrauber) mit der Typennummer 3601D450P1 finden Sie in der nachfolgenden Darstellung und im Dropdown zu Ihrer Auswahl:

Pos.
1
BOSCH Motorgehäuse DUNKELBLAU | Ersatzteile für GSR 6-25 TE | 2605108083
Hersteller: BOSCH
Artikelnummer: EB-3601D450P1-2605108083
nur Informationsartikel
Nie mehr lieferbar
keine Alternativen
Pos.
870/78
BOSCH Dichtring | Ersatzteile für GSR 6-25 TE | 3600290502
Hersteller: BOSCH
Artikelnummer: EB-3601D450P1-3600290502
Netto: 5,17 € zzgl. MwSt.
zzgl. 6,90 € Versand (brutto)
einmalig pro Bestellung

Lieferzeit: 5 Werktage

Pos.
2
BOSCH Polschuh 220-240V | Ersatzteile für GSR 6-25 TE | 2604220456
Hersteller: BOSCH
Artikelnummer: EB-3601D450P1-2604220456
nur Informationsartikel
Nie mehr lieferbar
keine Alternativen
Pos.
4
BOSCH Schalter | Ersatzteile für GSR 6-25 TE | 2607200638
Hersteller: BOSCH
Artikelnummer: EB-3601D450P1-2607200638
nur Informationsartikel
Nie mehr lieferbar
keine Alternativen
Pos.
5
BOSCH Netzanschlussleitung GB 230V 4,15m 2 x 1,0mm H05 RN-F | Ersatzteile für GSR 6-25 TE | 2604460244
Hersteller: BOSCH
Artikelnummer: EB-3601D450P1-2604460244
nur Informationsartikel
Nie mehr lieferbar
keine Alternativen
Pos.
6
BOSCH Tülle Ø6,4-Ø7,2x76 MM | Ersatzteile für GSR 6-25 TE | 2600703017
Hersteller: BOSCH
Artikelnummer: EB-3601D450P1-2600703017
Netto: 4,56 € zzgl. MwSt.
zzgl. 6,90 € Versand (brutto)
einmalig pro Bestellung

Lieferzeit: 5 Werktage

Pos.
7
BOSCH Leitungshalter | Ersatzteile für GSR 6-25 TE | 2601035004
Hersteller: BOSCH
Artikelnummer: EB-3601D450P1-2601035004
Netto: 4,36 € zzgl. MwSt.
zzgl. 6,90 € Versand (brutto)
einmalig pro Bestellung

Lieferzeit: 5 Werktage

Pos.
16
BOSCH Bürstenplatte | Ersatzteile für GSR 6-25 TE | 2605807124
Hersteller: BOSCH
Artikelnummer: EB-3601D450P1-2605807124
nur Informationsartikel
Nie mehr lieferbar
keine Alternativen
Pos.
19
BOSCH Torx-Linsenschraube 4x12 | Ersatzteile für GSR 6-25 TE | 2603490021
Hersteller: BOSCH
Artikelnummer: EB-3601D450P1-2603490021
Netto: 3,60 € zzgl. MwSt.
zzgl. 6,90 € Versand (brutto)
einmalig pro Bestellung

Lieferzeit: 5 Werktage

Pos.
20
BOSCH Hinweisschild | Ersatzteile für GSR 6-25 TE | 2601111965
Hersteller: BOSCH
Artikelnummer: EB-3601D450P1-2601111965
nur Informationsartikel
Nie mehr lieferbar
keine Alternativen
Pos.
21
BOSCH Schalterdeckel ROT | Ersatzteile für GSR 6-25 TE | 2605500196
Hersteller: BOSCH
Artikelnummer: EB-3601D450P1-2605500196
nur Informationsartikel
Nie mehr lieferbar
keine Alternativen
Pos.
22
BOSCH Senkschraube DIN 7991 M3x8-8.8 | Ersatzteile für GSR 6-25 TE | 2910541050
Hersteller: BOSCH
Artikelnummer: EB-3601D450P1-2910541050
nur Informationsartikel
Nie mehr lieferbar
keine Alternativen
Pos.
26
BOSCH Torx-Linsenschraube 4x25 | Ersatzteile für GSR 6-25 TE | 2603490024
Hersteller: BOSCH
Artikelnummer: EB-3601D450P1-2603490024
Netto: 3,94 € zzgl. MwSt.
zzgl. 6,90 € Versand (brutto)
einmalig pro Bestellung

Lieferzeit: 5 Werktage

Pos.
29
BOSCH Luftleitring | Ersatzteile für GSR 6-25 TE | 2601328092
Hersteller: BOSCH
Artikelnummer: EB-3601D450P1-2601328092
nur Informationsartikel
Nie mehr lieferbar
keine Alternativen
Pos.
31
BOSCH Gummipuffer | Ersatzteile für GSR 6-25 TE | 2602391004
Hersteller: BOSCH
Artikelnummer: EB-3601D450P1-2602391004
nur Informationsartikel
Nie mehr lieferbar
keine Alternativen
Pos.
38
BOSCH Torx-Linsenschraube 4x20 | Ersatzteile für GSR 6-25 TE | 2603490023
Hersteller: BOSCH
Artikelnummer: EB-3601D450P1-2603490023
Netto: 3,60 € zzgl. MwSt.
zzgl. 6,90 € Versand (brutto)
einmalig pro Bestellung

Lieferzeit: 5 Werktage

Pos.
47
BOSCH Gehäusedeckel DUNKELBLAU | Ersatzteile für GSR 6-25 TE | 2605132073
Hersteller: BOSCH
Artikelnummer: EB-3601D450P1-2605132073
nur Informationsartikel
Nie mehr lieferbar
keine Alternativen
Pos.
70
BOSCH Gurthalteclip | Ersatzteile für GSR 6-25 TE | 2601329127
Hersteller: BOSCH
Artikelnummer: EB-3601D450P1-2601329127
nur Informationsartikel
Nie mehr lieferbar
keine Alternativen
Pos.
800
BOSCH Magazin | Ersatzteile für GSR 6-25 TE | 2607020396
Hersteller: BOSCH
Artikelnummer: EB-3601D450P1-2607020396
nur Informationsartikel
Nie mehr lieferbar
keine Alternativen
Pos.
803
BOSCH Anker 230V | Ersatzteile für GSR 6-25 TE | 2604011941
Hersteller: BOSCH
Artikelnummer: EB-3601D450P1-2604011941
nur Informationsartikel
Nie mehr lieferbar
keine Alternativen
Pos.
810
BOSCH Kohlebürstensatz | Ersatzteile für GSR 6-25 TE | 2604321943
Hersteller: BOSCH
Artikelnummer: EB-3601D450P1-2604321943
nur Informationsartikel
Nie mehr lieferbar
keine Alternativen
Pos.
830
BOSCH Getriebeeinheit | Ersatzteile für GSR 6-25 TE | 2606200953
Hersteller: BOSCH
Artikelnummer: EB-3601D450P1-2606200268
nur Informationsartikel
Nie mehr lieferbar
keine Alternativen
Pos.
841
BOSCH Dichtung | Ersatzteile für GSR 6-25 TE | 2601015097
Hersteller: BOSCH
Artikelnummer: EB-3601D450P1-2601015097
nur Informationsartikel
Nie mehr lieferbar
keine Alternativen
Pos.
870
BOSCH Tiefenanschlag | Ersatzteile für GSR 6-25 TE | 2600460049
Hersteller: BOSCH
Artikelnummer: EB-3601D450P1-2600460049
nur Informationsartikel
Nie mehr lieferbar
keine Alternativen
Pos.
871
BOSCH Tiefenanschlag | Ersatzteile für GSR 6-25 TE | 2600460050
Hersteller: BOSCH
Artikelnummer: EB-3601D450P1-2600460050
nur Informationsartikel
Nie mehr lieferbar
keine Alternativen
Pos.
887
BOSCH Werkzeughalter 1/4" | Ersatzteile für GSR 6-25 TE | 3603008500
Hersteller: BOSCH
Artikelnummer: EB-3601D450P1-3603008500
nur Informationsartikel
Nie mehr lieferbar
keine Alternativen

Angaben zur Produktsicherheit

Hersteller:
Robert Bosch Power Tools GmbH
Postfach 30 02 20
70442 Stuttgart

E-Mail:
kontakt@bosch.de