BOSCH Netzanschlussleitung SAM 2,7m 2 x 0,82mm SJ 18/2 | Ersatzteile für GSR 6-45 TE | 2604460249

Artikelnummer: EB-3601D403G0-2604460249

Position: 5

Marke: BOSCH


Bitte Kompatibilität prüfen!

Bitte prüfen Sie unbedingt die 10-stellige Typennummer Ihrer Maschine / Ihres Gerätes. Das Ersatzteil ist nur kompatibel, wenn Sie die Typennummer Ihrer Maschine in der unten stehenden Produktbeschreibung finden.

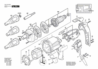
Bitte prüfen Sie ebenfalls detailliert die Explosionszeichnung mit Ihrem Artikelwunsch und der jeweiligen Pos-Nummer.

Alle Elemente, welche vom schwarzen Strich der Pos-Nummer ausgehend berührt / erfasst werden, gehören zu dieser Pos-Nummer und somit zu diesem Artikel. Jede Pos-Nummer ist ein eigenständiger Artikel, welchen Sie in der Auflistung finden.

Sie erhalten stets die aktuellste, neueste Produktversion zu der gewählten Pos-Nummer seitens des Herstellers. Es kann daher je nach Gerätealter vorkommen, dass Sie ggf. weitere, zugehörige Elemente, welche an diese Pos-Nummer grenzen, ebenfalls mittauschen müssen.

Nähere Informationen finden Sie unter dem Link
Hinweise zu Ihrer BOSCH Ersatzteilsuche

Preisübersicht

Einzelpreis: 14,36 €* (Brutto: 17,09 €)
Gesamtpreis: 14,36 €* 
Position:

Lieferzeit: 5 Werktage


Beschreibung

  • Netzanschlussleitung SAM 2,7m 2 x 0,82mm SJ 18/2
  • Original Bosch Zubehör / BOSCH Ersatzteil (2604460249)
  • im Gerät verbaut: 1
Dieses BOSCH Ersatzteil ist mit folgendem Gerät und Modell kompatibel:
  • BOSCH Gerätename: GSR 6-45 TE
  • BOSCH Explosionszeichnung: Position 5
  • BOSCH Typennummer: 3601D403G0
  • BOSCH Typennummer alternative Schreibweisen: 3 601 D40 3G0, 3601 D40 3G0, 3.601.D40.3G0, 3-601-D40-3G0
    Bitte prüfen Sie diese Typennummer auf Ihrem Gerät um die Kompatibilität des BOSCH Ersatzteils zu gewährleisten.
Weitere BOSCH Ersatzteile des Gerätes GSR 6-45 TE (Bohrschrauber) mit der Typennummer 3601D403G0 finden Sie in der nachfolgenden Darstellung und im Dropdown zu Ihrer Auswahl:

Pos.
1
BOSCH Motorgehäuse DUNKELBLAU | Ersatzteile für GSR 6-45 TE | 2605108083
Hersteller: BOSCH
Artikelnummer: EB-3601D403G0-2605108083
nur Informationsartikel
Nie mehr lieferbar
keine Alternativen
Pos.
870/78
BOSCH Dichtring | Ersatzteile für GSR 6-45 TE | 3600290502
Hersteller: BOSCH
Artikelnummer: EB-3601D403G0-3600290502
Netto: 5,19 € zzgl. MwSt.
zzgl. 6,90 € Versand (brutto)
einmalig pro Bestellung

Lieferzeit: 5 Werktage

Pos.
2
BOSCH Polschuh 100-127V | Ersatzteile für GSR 6-45 TE | 2604220455
Hersteller: BOSCH
Artikelnummer: EB-3601D403G0-2604220455
Netto: 21,16 € zzgl. MwSt.
zzgl. 6,90 € Versand (brutto)
einmalig pro Bestellung

Lieferzeit: 5 Werktage

Pos.
4
BOSCH Schalter | Ersatzteile für GSR 6-45 TE | 2607200639
Hersteller: BOSCH
Artikelnummer: EB-3601D403G0-2607200639
Netto: 35,77 € zzgl. MwSt.
zzgl. 6,90 € Versand (brutto)
einmalig pro Bestellung

Lieferzeit: 5 Werktage

Pos.
5
BOSCH Netzanschlussleitung SAM 2,7m 2 x 0,82mm SJ 18/2 | Ersatzteile für GSR 6-45 TE | 2604460249
Hersteller: BOSCH
Artikelnummer: EB-3601D403G0-2604460249
Netto: 14,36 € zzgl. MwSt.
zzgl. 6,90 € Versand (brutto)
einmalig pro Bestellung

Lieferzeit: 5 Werktage

Pos.
6
BOSCH Tülle Ø7,3-Ø8,6x76 MM | Ersatzteile für GSR 6-45 TE | 2600703018
Hersteller: BOSCH
Artikelnummer: EB-3601D403G0-2600703018
nur Informationsartikel
Nie mehr lieferbar
keine Alternativen
Pos.
7
BOSCH Leitungshalter | Ersatzteile für GSR 6-45 TE | 2601035004
Hersteller: BOSCH
Artikelnummer: EB-3601D403G0-2601035004
Netto: 4,32 € zzgl. MwSt.
zzgl. 6,90 € Versand (brutto)
einmalig pro Bestellung

Lieferzeit: 5 Werktage

Pos.
9
BOSCH Firmenschild | Ersatzteile für GSR 6-45 TE | 2601115057
Hersteller: BOSCH
Artikelnummer: EB-3601D403G0-2601115057
Netto: 4,53 € zzgl. MwSt.
zzgl. 6,90 € Versand (brutto)
einmalig pro Bestellung

Lieferzeit: 5 Werktage

Pos.
16
BOSCH Bürstenplatte | Ersatzteile für GSR 6-45 TE | 2605807123
Hersteller: BOSCH
Artikelnummer: EB-3601D403G0-2605807123
Netto: 15,75 € zzgl. MwSt.
zzgl. 6,90 € Versand (brutto)
einmalig pro Bestellung

Lieferzeit: 5 Werktage

Pos.
19
BOSCH Torx-Linsenschraube 4x12 | Ersatzteile für GSR 6-45 TE | 2603490021
Hersteller: BOSCH
Artikelnummer: EB-3601D403G0-2603490021
Netto: 3,63 € zzgl. MwSt.
zzgl. 6,90 € Versand (brutto)
einmalig pro Bestellung

Lieferzeit: 5 Werktage

Pos.
20
BOSCH Hinweisschild | Ersatzteile für GSR 6-45 TE | 2601115265
Hersteller: BOSCH
Artikelnummer: EB-3601D403G0-2601115265
Netto: 4,53 € zzgl. MwSt.
zzgl. 6,90 € Versand (brutto)
einmalig pro Bestellung

Lieferzeit: 5 Werktage

Pos.
21
BOSCH Schalterdeckel ROT | Ersatzteile für GSR 6-45 TE | 2605500196
Hersteller: BOSCH
Artikelnummer: EB-3601D403G0-2605500196
nur Informationsartikel
Nie mehr lieferbar
keine Alternativen
Pos.
22
BOSCH Senkschraube DIN 7991 M3x8-8.8 | Ersatzteile für GSR 6-45 TE | 2910541050
Hersteller: BOSCH
Artikelnummer: EB-3601D403G0-2910541050
nur Informationsartikel
Nie mehr lieferbar
keine Alternativen
Pos.
26
BOSCH Torx-Linsenschraube 4x25 | Ersatzteile für GSR 6-45 TE | 2603490024
Hersteller: BOSCH
Artikelnummer: EB-3601D403G0-2603490024
Netto: 3,94 € zzgl. MwSt.
zzgl. 6,90 € Versand (brutto)
einmalig pro Bestellung

Lieferzeit: 5 Werktage

Pos.
29
BOSCH Abdeckscheibe | Ersatzteile für GSR 6-45 TE | 2601328078
Hersteller: BOSCH
Artikelnummer: EB-3601D403G0-2601328078
Netto: 4,82 € zzgl. MwSt.
zzgl. 6,90 € Versand (brutto)
einmalig pro Bestellung

Lieferzeit: 5 Werktage

Pos.
31
BOSCH Gummipuffer | Ersatzteile für GSR 6-45 TE | 2602391004
Hersteller: BOSCH
Artikelnummer: EB-3601D403G0-2602391004
nur Informationsartikel
Nie mehr lieferbar
keine Alternativen
Pos.
38
BOSCH Torx-Linsenschraube 4x20 | Ersatzteile für GSR 6-45 TE | 2603490023
Hersteller: BOSCH
Artikelnummer: EB-3601D403G0-2603490023
Netto: 3,63 € zzgl. MwSt.
zzgl. 6,90 € Versand (brutto)
einmalig pro Bestellung

Lieferzeit: 5 Werktage

Pos.
47
BOSCH Gehäusedeckel DUNKELBLAU | Ersatzteile für GSR 6-45 TE | 2605132061
Hersteller: BOSCH
Artikelnummer: EB-3601D403G0-2605132061
Netto: 11,92 € zzgl. MwSt.
zzgl. 6,90 € Versand (brutto)
einmalig pro Bestellung

Lieferzeit: 5 Werktage

Pos.
70
BOSCH Gurthalteclip | Ersatzteile für GSR 6-45 TE | 2601329113
Hersteller: BOSCH
Artikelnummer: EB-3601D403G0-2601329113
Netto: 6,15 € zzgl. MwSt.
zzgl. 6,90 € Versand (brutto)
einmalig pro Bestellung

Lieferzeit: 5 Werktage

Pos.
803
BOSCH Anker 120-127V | Ersatzteile für GSR 6-45 TE | 2604011927
Hersteller: BOSCH
Artikelnummer: EB-3601D403G0-2604011927
Netto: 57,47 € zzgl. MwSt.
zzgl. 6,90 € Versand (brutto)
einmalig pro Bestellung

Lieferzeit: 5 Werktage

Pos.
808
BOSCH Typenschild | Ersatzteile für GSR 6-45 TE | 2601115334
Hersteller: BOSCH
Artikelnummer: EB-3601D403G0-2601115334
Netto: 4,53 € zzgl. MwSt.
zzgl. 6,90 € Versand (brutto)
einmalig pro Bestellung

Lieferzeit: 5 Werktage

Pos.
810
BOSCH Kohlebürstensatz | Ersatzteile für GSR 6-45 TE | 2604321942
Hersteller: BOSCH
Artikelnummer: EB-3601D403G0-2604321942
Netto: 9,18 € zzgl. MwSt.
zzgl. 6,90 € Versand (brutto)
einmalig pro Bestellung

Lieferzeit: 5 Werktage

Pos.
830
BOSCH Getriebeeinheit | Ersatzteile für GSR 6-45 TE | 2606200209
Hersteller: BOSCH
Artikelnummer: EB-3601D403G0-2606200209
Netto: 70,50 € zzgl. MwSt.
zzgl. 6,90 € Versand (brutto)
einmalig pro Bestellung

Lieferzeit: 5 Werktage

Pos.
841
BOSCH Dichtung | Ersatzteile für GSR 6-45 TE | 2601015097
Hersteller: BOSCH
Artikelnummer: EB-3601D403G0-2601015097
nur Informationsartikel
Nie mehr lieferbar
keine Alternativen
Pos.
870
BOSCH Tiefenanschlag | Ersatzteile für GSR 6-45 TE | 2602025165
Hersteller: BOSCH
Artikelnummer: EB-3601D403G0-2602025165
Netto: 10,92 € zzgl. MwSt.
zzgl. 6,90 € Versand (brutto)
einmalig pro Bestellung

Lieferzeit: 5 Werktage

Pos.
871
BOSCH Tiefenanschlag | Ersatzteile für GSR 6-45 TE | 2602025166
Hersteller: BOSCH
Artikelnummer: EB-3601D403G0-2602025166
Netto: 10,92 € zzgl. MwSt.
zzgl. 6,90 € Versand (brutto)
einmalig pro Bestellung

Lieferzeit: 5 Werktage

Pos.
872
BOSCH Tiefenanschlag | Ersatzteile für GSR 6-45 TE | 2602025167
Hersteller: BOSCH
Artikelnummer: EB-3601D403G0-2602025167
Netto: 10,92 € zzgl. MwSt.
zzgl. 6,90 € Versand (brutto)
einmalig pro Bestellung

Lieferzeit: 5 Werktage

Pos.
887
BOSCH Werkzeughalter 1/4" | Ersatzteile für GSR 6-45 TE | 3603008500
Hersteller: BOSCH
Artikelnummer: EB-3601D403G0-3603008500
nur Informationsartikel
Nie mehr lieferbar
keine Alternativen

Angaben zur Produktsicherheit

Hersteller:
Robert Bosch Power Tools GmbH
Postfach 30 02 20
70442 Stuttgart

E-Mail:
kontakt@bosch.de