BOSCH Schnell-Lader AUS 240/7,2-14,4V, 1h | Ersatzteile für GSR 9,6 VE-2 | 2607224443

Artikelnummer: EB-0601948657-2607224443

Position: 653

Marke: BOSCH


Bitte Kompatibilität prüfen!

Bitte prüfen Sie unbedingt die 10-stellige Typennummer Ihrer Maschine / Ihres Gerätes. Das Ersatzteil ist nur kompatibel, wenn Sie die Typennummer Ihrer Maschine in der unten stehenden Produktbeschreibung finden.

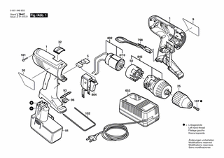
Bitte prüfen Sie ebenfalls detailliert die Explosionszeichnung mit Ihrem Artikelwunsch und der jeweiligen Pos-Nummer.

Alle Elemente, welche vom schwarzen Strich der Pos-Nummer ausgehend berührt / erfasst werden, gehören zu dieser Pos-Nummer und somit zu diesem Artikel. Jede Pos-Nummer ist ein eigenständiger Artikel, welchen Sie in der Auflistung finden.

Sie erhalten stets die aktuellste, neueste Produktversion zu der gewählten Pos-Nummer seitens des Herstellers. Es kann daher je nach Gerätealter vorkommen, dass Sie ggf. weitere, zugehörige Elemente, welche an diese Pos-Nummer grenzen, ebenfalls mittauschen müssen.

Nähere Informationen finden Sie unter dem Link
Hinweise zu Ihrer BOSCH Ersatzteilsuche

Preisübersicht

Einzelpreis: 75,71 €* (Brutto: 90,09 €)
Gesamtpreis: 75,71 €* 
Position:

Lieferzeit: 5 Werktage


Beschreibung

  • Schnell-Lader AUS 240/7,2-14,4V, 1h
  • Original Bosch Zubehör / BOSCH Ersatzteil (2607224443)
  • im Gerät verbaut: 1
Dieses BOSCH Ersatzteil ist mit folgendem Gerät und Modell kompatibel:
  • BOSCH Gerätename: GSR 9,6 VE-2
  • BOSCH Explosionszeichnung: Position 653
  • BOSCH Typennummer: 0601948657
  • BOSCH Typennummer alternative Schreibweisen: 0 601 948 657, 0601 948 657, 0.601.948.657, 0-601-948-657
    Bitte prüfen Sie diese Typennummer auf Ihrem Gerät um die Kompatibilität des BOSCH Ersatzteils zu gewährleisten.
Weitere BOSCH Ersatzteile des Gerätes GSR 9,6 VE-2 (Akku-Mittelgriffschrauber) mit der Typennummer 0601948657 finden Sie in der nachfolgenden Darstellung und im Dropdown zu Ihrer Auswahl:

Pos.
1
BOSCH Gehäuseschale BLAU | Ersatzteile für GSR 9,6 VE-2 | 2605104652
Hersteller: BOSCH
Artikelnummer: EB-0601948657-2605104652
nur Informationsartikel
Nie mehr lieferbar
keine Alternativen
Pos.
2/10
BOSCH Ritzel | Ersatzteile für GSR 9,6 VE-2 | 2606316182
Hersteller: BOSCH
Artikelnummer: EB-0601948657-2606316182
Netto: 3,94 € zzgl. MwSt.
zzgl. 6,90 € Versand (brutto)
einmalig pro Bestellung

Lieferzeit: 5 Werktage

Pos.
5
BOSCH Verstellschieber ROT | Ersatzteile für GSR 9,6 VE-2 | 2601099085
Hersteller: BOSCH
Artikelnummer: EB-0601948657-2601099085
nur Informationsartikel
Nie mehr lieferbar
keine Alternativen
Pos.
9
BOSCH Firmenschild SONNENSEITE | Ersatzteile für GSR 9,6 VE-2 | 2601119746
Hersteller: BOSCH
Artikelnummer: EB-0601948657-2601119746
nur Informationsartikel
Nie mehr lieferbar
keine Alternativen
Pos.
20
BOSCH Hinweisschild SCHATTENSEITE | Ersatzteile für GSR 9,6 VE-2 | 2601119747
Hersteller: BOSCH
Artikelnummer: EB-0601948657-2601119747
nur Informationsartikel
Nie mehr lieferbar
keine Alternativen
Pos.
25
BOSCH Schnellspannbohrfutter | Ersatzteile für GSR 9,6 VE-2 | 2608572164
Hersteller: BOSCH
Artikelnummer: EB-0601948657-2608572164
nur Informationsartikel
Nie mehr lieferbar
keine Alternativen
Pos.
32
BOSCH Verstellschieber SCHWARZ | Ersatzteile für GSR 9,6 VE-2 | 2601099086
Hersteller: BOSCH
Artikelnummer: EB-0601948657-2601099086
Netto: 4,36 € zzgl. MwSt.
zzgl. 6,90 € Versand (brutto)
einmalig pro Bestellung

Lieferzeit: 5 Werktage

Pos.
50
BOSCH Zwischenflansch | Ersatzteile für GSR 9,6 VE-2 | 2605719027
Hersteller: BOSCH
Artikelnummer: EB-0601948657-2605719027
Netto: 4,56 € zzgl. MwSt.
zzgl. 6,90 € Versand (brutto)
einmalig pro Bestellung

Lieferzeit: 5 Werktage

Pos.
91
BOSCH Einschub-Akkupaket 9,6V,2,0Ah,NiCd | Ersatzteile für GSR 9,6 VE-2 | 2607335149
Hersteller: BOSCH
Artikelnummer: EB-0601948657-2607335149
nur Informationsartikel
Nie mehr lieferbar
keine Alternativen
Pos.
93
BOSCH Schrauberklinge | Ersatzteile für GSR 9,6 VE-2 | 2608521018
Hersteller: BOSCH
Artikelnummer: EB-0601948657-2608521018
nur Informationsartikel
Nie mehr lieferbar
keine Alternativen
Pos.
96
BOSCH Halter | Ersatzteile für GSR 9,6 VE-2 | 2608040131
Hersteller: BOSCH
Artikelnummer: EB-0601948657-2608040131
nur Informationsartikel
Nie mehr lieferbar
keine Alternativen
Pos.
101
BOSCH Torx-Linsenschraube 3x18 | Ersatzteile für GSR 9,6 VE-2 | 2603490018
Hersteller: BOSCH
Artikelnummer: EB-0601948657-2603490018
nur Informationsartikel
Nie mehr lieferbar
keine Alternativen
Pos.
102
BOSCH Haltebügel | Ersatzteile für GSR 9,6 VE-2 | 2601329041
Hersteller: BOSCH
Artikelnummer: EB-0601948657-2601329041
nur Informationsartikel
Nie mehr lieferbar
keine Alternativen
Pos.
107
BOSCH Senkschraube M6x23 | Ersatzteile für GSR 9,6 VE-2 | 2603421229
Hersteller: BOSCH
Artikelnummer: EB-0601948657-2603421229
Netto: 3,94 € zzgl. MwSt.
zzgl. 6,90 € Versand (brutto)
einmalig pro Bestellung

Lieferzeit: 5 Werktage

Pos.
653
BOSCH Schnell-Lader AUS 240/7,2-14,4V, 1h | Ersatzteile für GSR 9,6 VE-2 | 2607224443
Hersteller: BOSCH
Artikelnummer: EB-0601948657-2607224443
Netto: 75,71 € zzgl. MwSt.
zzgl. 6,90 € Versand (brutto)
einmalig pro Bestellung

Lieferzeit: 5 Werktage

Pos.
653
BOSCH Schnell-Lader AUS 240/7,2-14,4V, 30 MIN. | Ersatzteile für GSR 9,6 VE-2 | 2607224705
Hersteller: BOSCH
Artikelnummer: EB-0601948657-2607224705
Netto: 116,63 € zzgl. MwSt.
zzgl. 6,90 € Versand (brutto)
einmalig pro Bestellung

Lieferzeit: 5 Werktage

Pos.
798
BOSCH Tragschlaufe | Ersatzteile für GSR 9,6 VE-2 | 2601398009
Hersteller: BOSCH
Artikelnummer: EB-0601948657-2601398009
nur Informationsartikel
Nie mehr lieferbar
keine Alternativen
Pos.
802
BOSCH Gleichstrommotor 9,6V | Ersatzteile für GSR 9,6 VE-2 | 2607022969
Hersteller: BOSCH
Artikelnummer: EB-0601948657-2607022969
nur Informationsartikel
Nie mehr lieferbar
keine Alternativen
Pos.
804
BOSCH Ein/Aus-Schalter | Ersatzteile für GSR 9,6 VE-2 | 2607200421
Hersteller: BOSCH
Artikelnummer: EB-0601948657-2607200421
nur Informationsartikel
Nie mehr lieferbar
keine Alternativen
Pos.
845
BOSCH Planetengetriebe | Ersatzteile für GSR 9,6 VE-2 | 2606200908
Hersteller: BOSCH
Artikelnummer: EB-0601948657-2606200908
nur Informationsartikel
Nie mehr lieferbar
keine Alternativen
Pos.
899
BOSCH Akku-Mittelgriffschrauber + AKKU OHNE LADEGERAET | Ersatzteile für GSR 9,6 VE-2 | 0601948627
Hersteller: BOSCH
Artikelnummer: EB-0601948657-0601948627
Netto: 155,02 € zzgl. MwSt.
zzgl. 6,90 € Versand (brutto)
einmalig pro Bestellung

Lieferzeit: 5 Werktage

Angaben zur Produktsicherheit

Hersteller:
Robert Bosch Power Tools GmbH
Postfach 30 02 20
70442 Stuttgart

E-Mail:
kontakt@bosch.de