BOSCH Torx-Linsenschraube 4x25 | Ersatzteile für GSR 9,6 VES-1 | 2603490024

Artikelnummer: EB-0601934654-2603490024

Position: 54

Marke: BOSCH


Bitte Kompatibilität prüfen!

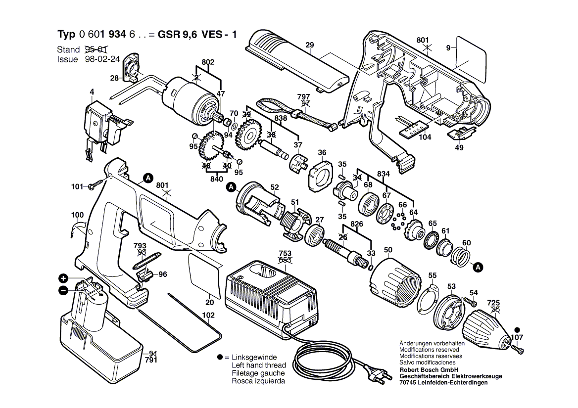
Bitte prüfen Sie unbedingt die 10-stellige Typennummer Ihrer Maschine / Ihres Gerätes. Das Ersatzteil ist nur kompatibel, wenn Sie die Typennummer Ihrer Maschine in der unten stehenden Produktbeschreibung finden.

Bitte prüfen Sie ebenfalls detailliert die Explosionszeichnung mit Ihrem Artikelwunsch und der jeweiligen Pos-Nummer.

Alle Elemente, welche vom schwarzen Strich der Pos-Nummer ausgehend berührt / erfasst werden, gehören zu dieser Pos-Nummer und somit zu diesem Artikel. Jede Pos-Nummer ist ein eigenständiger Artikel, welchen Sie in der Auflistung finden.

Sie erhalten stets die aktuellste, neueste Produktversion zu der gewählten Pos-Nummer seitens des Herstellers. Es kann daher je nach Gerätealter vorkommen, dass Sie ggf. weitere, zugehörige Elemente, welche an diese Pos-Nummer grenzen, ebenfalls mittauschen müssen.

Nähere Informationen finden Sie unter dem Link
Hinweise zu Ihrer BOSCH Ersatzteilsuche

Preisübersicht

Einzelpreis: 3,94 €* (Brutto: 4,69 €)
Gesamtpreis: 3,94 €* 
Position:

Lieferzeit: 5 Werktage


Beschreibung

  • Torx-Linsenschraube 4x25
  • Original Bosch Zubehör / BOSCH Ersatzteil (2603490024)
  • im Gerät verbaut: 1
Dieses BOSCH Ersatzteil ist mit folgendem Gerät und Modell kompatibel:
  • BOSCH Gerätename: GSR 9,6 VES-1
  • BOSCH Explosionszeichnung: Position 54
  • BOSCH Typennummer: 0601934654
  • BOSCH Typennummer alternative Schreibweisen: 0 601 934 654, 0601 934 654, 0.601.934.654, 0-601-934-654
    Bitte prüfen Sie diese Typennummer auf Ihrem Gerät um die Kompatibilität des BOSCH Ersatzteils zu gewährleisten.
Weitere BOSCH Ersatzteile des Gerätes GSR 9,6 VES-1 (Gw-Akku-Schrauber) mit der Typennummer 0601934654 finden Sie in der nachfolgenden Darstellung und im Dropdown zu Ihrer Auswahl:

Pos.
4
BOSCH Ein/Aus-Schalter | Ersatzteile für GSR 9,6 VES-1 | 2607200309
Hersteller: BOSCH
Artikelnummer: EB-0601934654-2607200309
nur Informationsartikel
Nie mehr lieferbar
keine Alternativen
Pos.
9
BOSCH Firmenschild SONNENSEITE | Ersatzteile für GSR 9,6 VES-1 | 2601118446
Hersteller: BOSCH
Artikelnummer: EB-0601934654-2601118446
nur Informationsartikel
Nie mehr lieferbar
keine Alternativen
Pos.
20
BOSCH Hinweisschild SCHATTENSEITE | Ersatzteile für GSR 9,6 VES-1 | 2601118447
Hersteller: BOSCH
Artikelnummer: EB-0601934654-2601118447
nur Informationsartikel
Nie mehr lieferbar
keine Alternativen
Pos.
27
BOSCH Rillenkugellager 10x26x8 | Ersatzteile für GSR 9,6 VES-1 | 1900905120
Hersteller: BOSCH
Artikelnummer: EB-0601934654-1900905120
nur Informationsartikel
Nie mehr lieferbar
keine Alternativen
Pos.
28
BOSCH Adaptereinsatz SCHWARZ | Ersatzteile für GSR 9,6 VES-1 | 2605719007
Hersteller: BOSCH
Artikelnummer: EB-0601934654-2605719007
nur Informationsartikel
Nie mehr lieferbar
keine Alternativen
Pos.
29
BOSCH Einsatzstück SCHWARZ | Ersatzteile für GSR 9,6 VES-1 | 2605510120
Hersteller: BOSCH
Artikelnummer: EB-0601934654-2605510120
nur Informationsartikel
Nie mehr lieferbar
keine Alternativen
Pos.
33
BOSCH Sprengring | Ersatzteile für GSR 9,6 VES-1 | 2604601004
Hersteller: BOSCH
Artikelnummer: EB-0601934654-2604601004
nur Informationsartikel
Nie mehr lieferbar
keine Alternativen
Pos.
35
BOSCH Rollenkörper | Ersatzteile für GSR 9,6 VES-1 | 2602329024
Hersteller: BOSCH
Artikelnummer: EB-0601934654-2602329024
nur Informationsartikel
Nie mehr lieferbar
keine Alternativen
Pos.
36
BOSCH Ring | Ersatzteile für GSR 9,6 VES-1 | 2600202025
Hersteller: BOSCH
Artikelnummer: EB-0601934654-2600202025
nur Informationsartikel
Nie mehr lieferbar
keine Alternativen
Pos.
37
BOSCH Mitnehmer | Ersatzteile für GSR 9,6 VES-1 | 2606440002
Hersteller: BOSCH
Artikelnummer: EB-0601934654-2606440002
nur Informationsartikel
Nie mehr lieferbar
keine Alternativen
Pos.
47
BOSCH Ritzel Z=11 | Ersatzteile für GSR 9,6 VES-1 | 2606316112
Hersteller: BOSCH
Artikelnummer: EB-0601934654-2606316112
nur Informationsartikel
Nie mehr lieferbar
keine Alternativen
Pos.
49
BOSCH Einsatzstück SCHWARZ | Ersatzteile für GSR 9,6 VES-1 | 2605510117
Hersteller: BOSCH
Artikelnummer: EB-0601934654-2605510117
nur Informationsartikel
Nie mehr lieferbar
keine Alternativen
Pos.
50
BOSCH Einstellring | Ersatzteile für GSR 9,6 VES-1 | 2605190041
Hersteller: BOSCH
Artikelnummer: EB-0601934654-2605190041
nur Informationsartikel
Nie mehr lieferbar
keine Alternativen
Pos.
51
BOSCH Gleitstück | Ersatzteile für GSR 9,6 VES-1 | 2608005044
Hersteller: BOSCH
Artikelnummer: EB-0601934654-2608005044
nur Informationsartikel
Nie mehr lieferbar
keine Alternativen
Pos.
52
BOSCH Führungshülse | Ersatzteile für GSR 9,6 VES-1 | 2600499027
Hersteller: BOSCH
Artikelnummer: EB-0601934654-2600499027
nur Informationsartikel
Nie mehr lieferbar
keine Alternativen
Pos.
53
BOSCH Spannhülse | Ersatzteile für GSR 9,6 VES-1 | 2608005045
Hersteller: BOSCH
Artikelnummer: EB-0601934654-2608005045
nur Informationsartikel
Nie mehr lieferbar
keine Alternativen
Pos.
54
BOSCH Torx-Linsenschraube 4x25 | Ersatzteile für GSR 9,6 VES-1 | 2603490024
Hersteller: BOSCH
Artikelnummer: EB-0601934654-2603490024
Netto: 3,94 € zzgl. MwSt.
zzgl. 6,90 € Versand (brutto)
einmalig pro Bestellung

Lieferzeit: 5 Werktage

Pos.
55
BOSCH Rastenscheibe | Ersatzteile für GSR 9,6 VES-1 | 2600190056
Hersteller: BOSCH
Artikelnummer: EB-0601934654-2600190056
nur Informationsartikel
Nie mehr lieferbar
keine Alternativen
Pos.
60
BOSCH Druckfeder | Ersatzteile für GSR 9,6 VES-1 | 2604619004
Hersteller: BOSCH
Artikelnummer: EB-0601934654-2604619004
nur Informationsartikel
Nie mehr lieferbar
keine Alternativen
Pos.
61
BOSCH Umrüstsatz | Ersatzteile für GSR 9,6 VES-1 | 2607001126
Hersteller: BOSCH
Artikelnummer: EB-0601934654-2607001126
nur Informationsartikel
Nie mehr lieferbar
keine Alternativen
Pos.
64
BOSCH Kupplungshälfte | Ersatzteile für GSR 9,6 VES-1 | 2606490047
Hersteller: BOSCH
Artikelnummer: EB-0601934654-2606490047
nur Informationsartikel
Nie mehr lieferbar
keine Alternativen
Pos.
65
BOSCH Kugelkäfig | Ersatzteile für GSR 9,6 VES-1 | 2600923001
Hersteller: BOSCH
Artikelnummer: EB-0601934654-2600923001
nur Informationsartikel
Nie mehr lieferbar
keine Alternativen
Pos.
66
BOSCH Kugel DIN 5401-4 MM-III-ST | Ersatzteile für GSR 9,6 VES-1 | 1903230007
Hersteller: BOSCH
Artikelnummer: EB-0601934654-1903230007
Netto: 3,94 € zzgl. MwSt.
zzgl. 6,90 € Versand (brutto)
einmalig pro Bestellung

Lieferzeit: 5 Werktage

Pos.
67
BOSCH Kupplungshälfte | Ersatzteile für GSR 9,6 VES-1 | 2606436001
Hersteller: BOSCH
Artikelnummer: EB-0601934654-2606436001
Netto: 6,34 € zzgl. MwSt.
zzgl. 6,90 € Versand (brutto)
einmalig pro Bestellung

Lieferzeit: 5 Werktage

Pos.
68
BOSCH Rillenkugellager 15x32x9 | Ersatzteile für GSR 9,6 VES-1 | 1900905122
Hersteller: BOSCH
Artikelnummer: EB-0601934654-1900905122
Netto: 9,18 € zzgl. MwSt.
zzgl. 6,90 € Versand (brutto)
einmalig pro Bestellung

Lieferzeit: 5 Werktage

Pos.
70
BOSCH Ausgleichscheibe 0,5 MM | Ersatzteile für GSR 9,6 VES-1 | 2600100695
Hersteller: BOSCH
Artikelnummer: EB-0601934654-2600100695
Netto: 3,94 € zzgl. MwSt.
zzgl. 6,90 € Versand (brutto)
einmalig pro Bestellung

Lieferzeit: 5 Werktage

Pos.
94
BOSCH Sinterbuchse | Ersatzteile für GSR 9,6 VES-1 | 2600301011
Hersteller: BOSCH
Artikelnummer: EB-0601934654-2600301011
nur Informationsartikel
Nie mehr lieferbar
keine Alternativen
Pos.
95
BOSCH Sinterbuchse | Ersatzteile für GSR 9,6 VES-1 | 2600302002
Hersteller: BOSCH
Artikelnummer: EB-0601934654-2600302002
nur Informationsartikel
Nie mehr lieferbar
keine Alternativen
Pos.
96
BOSCH Halter | Ersatzteile für GSR 9,6 VES-1 | 2608040131
Hersteller: BOSCH
Artikelnummer: EB-0601934654-2608040131
nur Informationsartikel
Nie mehr lieferbar
keine Alternativen
Pos.
100
BOSCH Klemmfeder | Ersatzteile für GSR 9,6 VES-1 | 2601322016
Hersteller: BOSCH
Artikelnummer: EB-0601934654-2601322016
nur Informationsartikel
Nie mehr lieferbar
keine Alternativen
Pos.
101
BOSCH Blechschraube DIN7981-ST3,9x19-F-Z | Ersatzteile für GSR 9,6 VES-1 | 2912401420
Hersteller: BOSCH
Artikelnummer: EB-0601934654-2912401420
nur Informationsartikel
Nie mehr lieferbar
keine Alternativen
Pos.
102
BOSCH Haltebügel | Ersatzteile für GSR 9,6 VES-1 | 2601329041
Hersteller: BOSCH
Artikelnummer: EB-0601934654-2601329041
nur Informationsartikel
Nie mehr lieferbar
keine Alternativen
Pos.
104
BOSCH Kontakthalter | Ersatzteile für GSR 9,6 VES-1 | 2608018004
Hersteller: BOSCH
Artikelnummer: EB-0601934654-2608018004
nur Informationsartikel
Nie mehr lieferbar
keine Alternativen
Pos.
107
BOSCH Senkschraube M6x38/12(Ø10) LINKSGEWINDE | Ersatzteile für GSR 9,6 VES-1 | 2603421218
Hersteller: BOSCH
Artikelnummer: EB-0601934654-2603421218
nur Informationsartikel
Nie mehr lieferbar
keine Alternativen
Pos.
725
BOSCH Schnellspannbohrfutter Ø 1,5-10 MM,1/2" | Ersatzteile für GSR 9,6 VES-1 | 2608572053
Hersteller: BOSCH
Artikelnummer: EB-0601934654-2608572053
Netto: 63,76 € zzgl. MwSt.
zzgl. 6,90 € Versand (brutto)
einmalig pro Bestellung

Lieferzeit: 5 Werktage

Pos.
753
BOSCH Schnell-Lader USA 120/7,2-14,4V, 30 MIN. | Ersatzteile für GSR 9,6 VES-1 | 2607224708
Hersteller: BOSCH
Artikelnummer: EB-0601934654-2607224708
nur Informationsartikel
Nie mehr lieferbar
keine Alternativen
Pos.
753
BOSCH Schnell-Lader USA 120/7,2-24V, 1h | Ersatzteile für GSR 9,6 VES-1 | 2607224431
Hersteller: BOSCH
Artikelnummer: EB-0601934654-2607224431
Netto: 121,18 € zzgl. MwSt.
zzgl. 6,90 € Versand (brutto)
einmalig pro Bestellung

Lieferzeit: 5 Werktage

Pos.
791
BOSCH Einschub-Akkupaket 9,6V, 1,5 Ah, NiCd | Ersatzteile für GSR 9,6 VES-1 | 2607336143
Hersteller: BOSCH
Artikelnummer: EB-0601934654-2607336143
nur Informationsartikel
Nie mehr lieferbar
keine Alternativen
Pos.
793
BOSCH Schrauberklinge | Ersatzteile für GSR 9,6 VES-1 | 2608521018
Hersteller: BOSCH
Artikelnummer: EB-0601934654-2608521018
nur Informationsartikel
Nie mehr lieferbar
keine Alternativen
Pos.
797
BOSCH Tragschlaufe | Ersatzteile für GSR 9,6 VES-1 | 2601398009
Hersteller: BOSCH
Artikelnummer: EB-0601934654-2601398009
nur Informationsartikel
Nie mehr lieferbar
keine Alternativen
Pos.
801
BOSCH Griffschale BLAU | Ersatzteile für GSR 9,6 VES-1 | 2605104851
Hersteller: BOSCH
Artikelnummer: EB-0601934654-2605104851
nur Informationsartikel
Nie mehr lieferbar
keine Alternativen
Pos.
802
BOSCH Gleichstrommotor 9,6V | Ersatzteile für GSR 9,6 VES-1 | 2607022918
Hersteller: BOSCH
Artikelnummer: EB-0601934654-2607022918
nur Informationsartikel
Nie mehr lieferbar
keine Alternativen
Pos.
826
BOSCH Bohrspindel 1/2" | Ersatzteile für GSR 9,6 VES-1 | 2606309034
Hersteller: BOSCH
Artikelnummer: EB-0601934654-2606309034
nur Informationsartikel
Nie mehr lieferbar
keine Alternativen
Pos.
834
BOSCH Exzenter | Ersatzteile für GSR 9,6 VES-1 | 2602210904
Hersteller: BOSCH
Artikelnummer: EB-0601934654-2602210904
nur Informationsartikel
Nie mehr lieferbar
keine Alternativen
Pos.
838
BOSCH Zwischenwelle | Ersatzteile für GSR 9,6 VES-1 | 2606309923
Hersteller: BOSCH
Artikelnummer: EB-0601934654-2606309923
nur Informationsartikel
Nie mehr lieferbar
keine Alternativen
Pos.
840
BOSCH Zahnwelle Z=81 | Ersatzteile für GSR 9,6 VES-1 | 2606308919
Hersteller: BOSCH
Artikelnummer: EB-0601934654-2606308919
nur Informationsartikel
Nie mehr lieferbar
keine Alternativen
Pos.
899
BOSCH Gw-Akku-Schrauber + AKKU OHNE LADEGERAET | Ersatzteile für GSR 9,6 VES-1 | 0601934627
Hersteller: BOSCH
Artikelnummer: EB-0601934654-0601934627
nur Informationsartikel
Nie mehr lieferbar
keine Alternativen

Angaben zur Produktsicherheit

Hersteller:
Robert Bosch Power Tools GmbH
Postfach 30 02 20
70442 Stuttgart

E-Mail:
kontakt@bosch.de