BOSCH Gerätegehäuse | Ersatzteile für GSS 10.8V-13 | 1619PB7627

Artikelnummer: EB-3601JL0050-1619PB7627

Position: 37

Marke: BOSCH


Bitte Kompatibilität prüfen!

Bitte prüfen Sie unbedingt die 10-stellige Typennummer Ihrer Maschine / Ihres Gerätes. Das Ersatzteil ist nur kompatibel, wenn Sie die Typennummer Ihrer Maschine in der unten stehenden Produktbeschreibung finden.

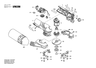
Bitte prüfen Sie ebenfalls detailliert die Explosionszeichnung mit Ihrem Artikelwunsch und der jeweiligen Pos-Nummer.

Alle Elemente, welche vom schwarzen Strich der Pos-Nummer ausgehend berührt / erfasst werden, gehören zu dieser Pos-Nummer und somit zu diesem Artikel. Jede Pos-Nummer ist ein eigenständiger Artikel, welchen Sie in der Auflistung finden.

Sie erhalten stets die aktuellste, neueste Produktversion zu der gewählten Pos-Nummer seitens des Herstellers. Es kann daher je nach Gerätealter vorkommen, dass Sie ggf. weitere, zugehörige Elemente, welche an diese Pos-Nummer grenzen, ebenfalls mittauschen müssen.

Nähere Informationen finden Sie unter dem Link
Hinweise zu Ihrer BOSCH Ersatzteilsuche

Preisübersicht

Einzelpreis: 9,18 €* (Brutto: 10,92 €)
Gesamtpreis: 9,18 €* 
Position:

Lieferzeit: 5 Werktage


Beschreibung

  • Gerätegehäuse
  • Original Bosch Zubehör / BOSCH Ersatzteil (1619PB7627)
  • im Gerät verbaut: 1
Dieses BOSCH Ersatzteil ist mit folgendem Gerät und Modell kompatibel:
  • BOSCH Gerätename: GSS 10.8V-13
  • BOSCH Explosionszeichnung: Position 37
  • BOSCH Typennummer: 3601JL0050
  • BOSCH Typennummer alternative Schreibweisen: 3 601 JL0 050, 3601 JL0 050, 3.601.JL0.050, 3-601-JL0-050
    Bitte prüfen Sie diese Typennummer auf Ihrem Gerät um die Kompatibilität des BOSCH Ersatzteils zu gewährleisten.
Weitere BOSCH Ersatzteile des Gerätes GSS 10.8V-13 (Hw-Akku-Schwingschleifer) mit der Typennummer 3601JL0050 finden Sie in der nachfolgenden Darstellung und im Dropdown zu Ihrer Auswahl:

Pos.
1
BOSCH Gerätegehäuse | Ersatzteile für GSS 10.8V-13 | 1619PB5576
Hersteller: BOSCH
Artikelnummer: EB-3601JL0050-1619PB5576
Netto: 14,36 € zzgl. MwSt.
zzgl. 6,90 € Versand (brutto)
einmalig pro Bestellung

Lieferzeit: 5 Werktage

Pos.
28/1
BOSCH Schwingplatte | Ersatzteile für GSS 10.8V-13 | 1600A029FP
Hersteller: BOSCH
Artikelnummer: EB-3601JL0050-1600A029FP
Netto: 7,76 € zzgl. MwSt.
zzgl. 6,90 € Versand (brutto)
einmalig pro Bestellung

Lieferzeit: 5 Werktage

Pos.
28/2
BOSCH Platte DELTA | Ersatzteile für GSS 10.8V-13 | 2609101303
Hersteller: BOSCH
Artikelnummer: EB-3601JL0050-2609101303
Netto: 6,15 € zzgl. MwSt.
zzgl. 6,90 € Versand (brutto)
einmalig pro Bestellung

Lieferzeit: 5 Werktage

Pos.
29/1
BOSCH Schaumstoffplatte 101X113 | Ersatzteile für GSS 10.8V-13 | 1600A00N2Y
Hersteller: BOSCH
Artikelnummer: EB-3601JL0050-1600A00N2Y
Netto: 11,92 € zzgl. MwSt.
zzgl. 6,90 € Versand (brutto)
einmalig pro Bestellung

Lieferzeit: 5 Werktage

Pos.
29/2
BOSCH Schaumstoffplatte | Ersatzteile für GSS 10.8V-13 | 1600A00P45
Hersteller: BOSCH
Artikelnummer: EB-3601JL0050-1600A00P45
Netto: 14,36 € zzgl. MwSt.
zzgl. 6,90 € Versand (brutto)
einmalig pro Bestellung

Lieferzeit: 5 Werktage

Pos.
45/1
BOSCH Filz 143MM | Ersatzteile für GSS 10.8V-13 | 2609170223
Hersteller: BOSCH
Artikelnummer: EB-3601JL0050-2609170223
Netto: 4,32 € zzgl. MwSt.
zzgl. 6,90 € Versand (brutto)
einmalig pro Bestellung

Lieferzeit: 5 Werktage

Pos.
2
BOSCH Ständer | Ersatzteile für GSS 10.8V-13 | 1619PB7633
Hersteller: BOSCH
Artikelnummer: EB-3601JL0050-1619PB7633
Netto: 32,74 € zzgl. MwSt.
zzgl. 6,90 € Versand (brutto)
einmalig pro Bestellung

Lieferzeit: 5 Werktage

Pos.
3
BOSCH Anker | Ersatzteile für GSS 10.8V-13 | 1619PB5546
Hersteller: BOSCH
Artikelnummer: EB-3601JL0050-1619PB5546
Netto: 35,77 € zzgl. MwSt.
zzgl. 6,90 € Versand (brutto)
einmalig pro Bestellung

Lieferzeit: 5 Werktage

Pos.
4
BOSCH Schalter | Ersatzteile für GSS 10.8V-13 | 2607202753
Hersteller: BOSCH
Artikelnummer: EB-3601JL0050-2607202753
Netto: 7,76 € zzgl. MwSt.
zzgl. 6,90 € Versand (brutto)
einmalig pro Bestellung

Lieferzeit: 5 Werktage

Pos.
9
BOSCH Einklebeblatt | Ersatzteile für GSS 10.8V-13 | 6082Y00E4M
Hersteller: BOSCH
Artikelnummer: EB-3601JL0050-6082Y00E4M
Netto: 3,94 € zzgl. MwSt.
zzgl. 6,90 € Versand (brutto)
einmalig pro Bestellung

Lieferzeit: 5 Werktage

Pos.
23
BOSCH Lüfter | Ersatzteile für GSS 10.8V-13 | 1619PB7621
Hersteller: BOSCH
Artikelnummer: EB-3601JL0050-1619PB7621
Netto: 12,98 € zzgl. MwSt.
zzgl. 6,90 € Versand (brutto)
einmalig pro Bestellung

Lieferzeit: 5 Werktage

Pos.
24
BOSCH Rillenkugellager | Ersatzteile für GSS 10.8V-13 | 1619PB7622
Hersteller: BOSCH
Artikelnummer: EB-3601JL0050-1619PB7622
Netto: 6,70 € zzgl. MwSt.
zzgl. 6,90 € Versand (brutto)
einmalig pro Bestellung

Lieferzeit: 5 Werktage

Pos.
26
BOSCH Torx-Linsenschraube | Ersatzteile für GSS 10.8V-13 | 1619PB5551
Hersteller: BOSCH
Artikelnummer: EB-3601JL0050-1619PB5551
Netto: 3,63 € zzgl. MwSt.
zzgl. 6,90 € Versand (brutto)
einmalig pro Bestellung

Lieferzeit: 5 Werktage

Pos.
27
BOSCH Schwingbein | Ersatzteile für GSS 10.8V-13 | 1619PB7623
Hersteller: BOSCH
Artikelnummer: EB-3601JL0050-1619PB7623
Netto: 6,15 € zzgl. MwSt.
zzgl. 6,90 € Versand (brutto)
einmalig pro Bestellung

Lieferzeit: 5 Werktage

Pos.
28
BOSCH Platte 78X128 | Ersatzteile für GSS 10.8V-13 | 2609101304
Hersteller: BOSCH
Artikelnummer: EB-3601JL0050-2609101304
Netto: 4,53 € zzgl. MwSt.
zzgl. 6,90 € Versand (brutto)
einmalig pro Bestellung

Lieferzeit: 5 Werktage

Pos.
29
BOSCH Schaumstoffplatte | Ersatzteile für GSS 10.8V-13 | 1600A00P44
Hersteller: BOSCH
Artikelnummer: EB-3601JL0050-1600A00P44
Netto: 10,92 € zzgl. MwSt.
zzgl. 6,90 € Versand (brutto)
einmalig pro Bestellung

Lieferzeit: 63 Werktage

Pos.
30
BOSCH Torx-Linsenschraube | Ersatzteile für GSS 10.8V-13 | 1619PB5555
Hersteller: BOSCH
Artikelnummer: EB-3601JL0050-1619PB5555
Netto: 3,63 € zzgl. MwSt.
zzgl. 6,90 € Versand (brutto)
einmalig pro Bestellung

Lieferzeit: 5 Werktage

Pos.
31
BOSCH Bügelschelle | Ersatzteile für GSS 10.8V-13 | 1619PB5588
Hersteller: BOSCH
Artikelnummer: EB-3601JL0050-1619PB5588
Netto: 3,63 € zzgl. MwSt.
zzgl. 6,90 € Versand (brutto)
einmalig pro Bestellung

Lieferzeit: 5 Werktage

Pos.
32
BOSCH Druckfeder | Ersatzteile für GSS 10.8V-13 | 1619PB5557
Hersteller: BOSCH
Artikelnummer: EB-3601JL0050-1619PB5557
Netto: 3,63 € zzgl. MwSt.
zzgl. 6,90 € Versand (brutto)
einmalig pro Bestellung

Lieferzeit: 5 Werktage

Pos.
33
BOSCH Schalterknopf | Ersatzteile für GSS 10.8V-13 | 1619PB5558
Hersteller: BOSCH
Artikelnummer: EB-3601JL0050-1619PB5558
Netto: 3,63 € zzgl. MwSt.
zzgl. 6,90 € Versand (brutto)
einmalig pro Bestellung

Lieferzeit: 5 Werktage

Pos.
34
BOSCH Torx-Linsenschraube | Ersatzteile für GSS 10.8V-13 | 1619PB5559
Hersteller: BOSCH
Artikelnummer: EB-3601JL0050-1619PB5559
Netto: 3,63 € zzgl. MwSt.
zzgl. 6,90 € Versand (brutto)
einmalig pro Bestellung

Lieferzeit: 5 Werktage

Pos.
35
BOSCH Klebeschild | Ersatzteile für GSS 10.8V-13 | 1619PB5560
Hersteller: BOSCH
Artikelnummer: EB-3601JL0050-1619PB5560
Netto: 3,63 € zzgl. MwSt.
zzgl. 6,90 € Versand (brutto)
einmalig pro Bestellung

Lieferzeit: 5 Werktage

Pos.
36
BOSCH Einklebeblatt | Ersatzteile für GSS 10.8V-13 | 1619PB5582
Hersteller: BOSCH
Artikelnummer: EB-3601JL0050-1619PB5582
Netto: 3,63 € zzgl. MwSt.
zzgl. 6,90 € Versand (brutto)
einmalig pro Bestellung

Lieferzeit: 5 Werktage

Pos.
37
BOSCH Gerätegehäuse | Ersatzteile für GSS 10.8V-13 | 1619PB7627
Hersteller: BOSCH
Artikelnummer: EB-3601JL0050-1619PB7627
Netto: 9,18 € zzgl. MwSt.
zzgl. 6,90 € Versand (brutto)
einmalig pro Bestellung

Lieferzeit: 5 Werktage

Pos.
40
BOSCH Drehzahlregler | Ersatzteile für GSS 10.8V-13 | 1619PB5601
Hersteller: BOSCH
Artikelnummer: EB-3601JL0050-1619PB5601
Netto: 6,70 € zzgl. MwSt.
zzgl. 6,90 € Versand (brutto)
einmalig pro Bestellung

Lieferzeit: 5 Werktage

Pos.
41
BOSCH Kontakthalter | Ersatzteile für GSS 10.8V-13 | 1619PB5614
Hersteller: BOSCH
Artikelnummer: EB-3601JL0050-1619PB5614
Netto: 5,67 € zzgl. MwSt.
zzgl. 6,90 € Versand (brutto)
einmalig pro Bestellung

Lieferzeit: 5 Werktage

Pos.
43
BOSCH Gewindefurchschraube M4X8 | Ersatzteile für GSS 10.8V-13 | 2603410048
Hersteller: BOSCH
Artikelnummer: EB-3601JL0050-2603410048
Netto: 3,94 € zzgl. MwSt.
zzgl. 6,90 € Versand (brutto)
einmalig pro Bestellung

Lieferzeit: 5 Werktage

Pos.
44
BOSCH Knebelgriff | Ersatzteile für GSS 10.8V-13 | 1600A029KK
Hersteller: BOSCH
Artikelnummer: EB-3601JL0050-1600A029KK
Netto: 3,94 € zzgl. MwSt.
zzgl. 6,90 € Versand (brutto)
einmalig pro Bestellung

Lieferzeit: 5 Werktage

Pos.
45
BOSCH Filz 173MM | Ersatzteile für GSS 10.8V-13 | 2609170216
Hersteller: BOSCH
Artikelnummer: EB-3601JL0050-2609170216
Netto: 3,94 € zzgl. MwSt.
zzgl. 6,90 € Versand (brutto)
einmalig pro Bestellung

Lieferzeit: 5 Werktage

Pos.
49
BOSCH Scheibe | Ersatzteile für GSS 10.8V-13 | 1619PB7632
Hersteller: BOSCH
Artikelnummer: EB-3601JL0050-1619PB7632
Netto: 3,94 € zzgl. MwSt.
zzgl. 6,90 € Versand (brutto)
einmalig pro Bestellung

Lieferzeit: 5 Werktage

Pos.
50
BOSCH Anschlussbuchse | Ersatzteile für GSS 10.8V-13 | 1619PB7630
Hersteller: BOSCH
Artikelnummer: EB-3601JL0050-1619PB7630
Netto: 3,63 € zzgl. MwSt.
zzgl. 6,90 € Versand (brutto)
einmalig pro Bestellung

Lieferzeit: 5 Werktage

Pos.
51
BOSCH Klammer | Ersatzteile für GSS 10.8V-13 | 1619PB7631
Hersteller: BOSCH
Artikelnummer: EB-3601JL0050-1619PB7631
Netto: 3,63 € zzgl. MwSt.
zzgl. 6,90 € Versand (brutto)
einmalig pro Bestellung

Lieferzeit: 5 Werktage

Pos.
651
BOSCH Staubbehaelter | Ersatzteile für GSS 10.8V-13 | 1619PB5597
Hersteller: BOSCH
Artikelnummer: EB-3601JL0050-1619PB5597
Netto: 15,75 € zzgl. MwSt.
zzgl. 6,90 € Versand (brutto)
einmalig pro Bestellung

Lieferzeit: 5 Werktage

Pos.
653
BOSCH Lochwerkzeug | Ersatzteile für GSS 10.8V-13 | 1619PB7067
Hersteller: BOSCH
Artikelnummer: EB-3601JL0050-1619PB7067
Netto: 6,15 € zzgl. MwSt.
zzgl. 6,90 € Versand (brutto)
einmalig pro Bestellung

Lieferzeit: 5 Werktage

Pos.
808
BOSCH Typschild | Ersatzteile für GSS 10.8V-13 | 1619PB7643
Hersteller: BOSCH
Artikelnummer: EB-3601JL0050-1619PB7643
Netto: 4,53 € zzgl. MwSt.
zzgl. 6,90 € Versand (brutto)
einmalig pro Bestellung

Lieferzeit: 5 Werktage

Pos.
820
BOSCH Typschild | Ersatzteile für GSS 10.8V-13 | 1619PB7109
Hersteller: BOSCH
Artikelnummer: EB-3601JL0050-1619PB7109
Netto: 4,53 € zzgl. MwSt.
zzgl. 6,90 € Versand (brutto)
einmalig pro Bestellung

Lieferzeit: 5 Werktage

Angaben zur Produktsicherheit

Hersteller:
Robert Bosch Power Tools GmbH
Postfach 30 02 20
70442 Stuttgart

E-Mail:
kontakt@bosch.de