BOSCH Klebeschild | Ersatzteile für GSS 180 A-C | 1611110855

Artikelnummer: EB-060129A094-1611110855

Position: 220

Marke: BOSCH


Bitte Kompatibilität prüfen!

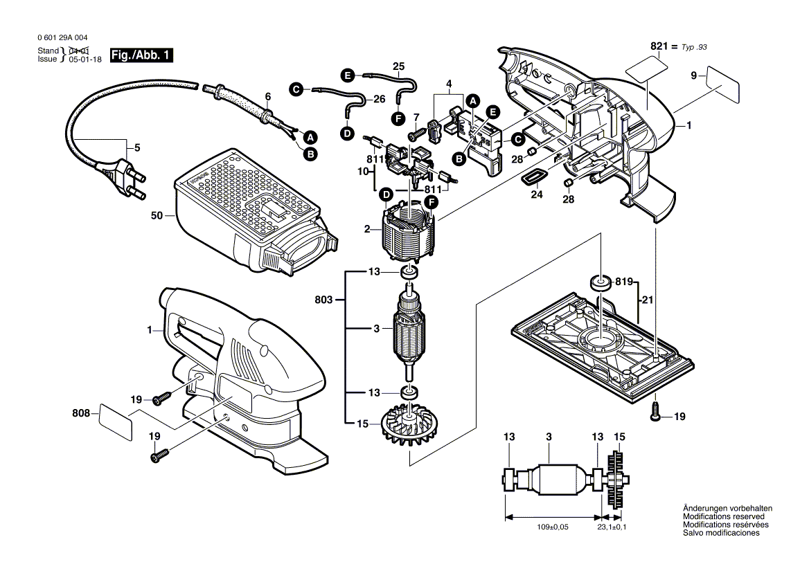
Bitte prüfen Sie unbedingt die 10-stellige Typennummer Ihrer Maschine / Ihres Gerätes. Das Ersatzteil ist nur kompatibel, wenn Sie die Typennummer Ihrer Maschine in der unten stehenden Produktbeschreibung finden.

Bitte prüfen Sie ebenfalls detailliert die Explosionszeichnung mit Ihrem Artikelwunsch und der jeweiligen Pos-Nummer.

Alle Elemente, welche vom schwarzen Strich der Pos-Nummer ausgehend berührt / erfasst werden, gehören zu dieser Pos-Nummer und somit zu diesem Artikel. Jede Pos-Nummer ist ein eigenständiger Artikel, welchen Sie in der Auflistung finden.

Sie erhalten stets die aktuellste, neueste Produktversion zu der gewählten Pos-Nummer seitens des Herstellers. Es kann daher je nach Gerätealter vorkommen, dass Sie ggf. weitere, zugehörige Elemente, welche an diese Pos-Nummer grenzen, ebenfalls mittauschen müssen.

Nähere Informationen finden Sie unter dem Link
Hinweise zu Ihrer BOSCH Ersatzteilsuche

Preisübersicht

Einzelpreis: 5,13 €* (Brutto: 6,10 €)
Gesamtpreis: 5,13 €* 
Position:

Lieferzeit: 5 Werktage


Beschreibung

  • Klebeschild
  • Original Bosch Zubehör / BOSCH Ersatzteil (1611110855)
  • im Gerät verbaut: 1
Dieses BOSCH Ersatzteil ist mit folgendem Gerät und Modell kompatibel:
  • BOSCH Gerätename: GSS 180 A-C
  • BOSCH Explosionszeichnung: Position 220
  • BOSCH Typennummer: 060129A094
  • BOSCH Typennummer alternative Schreibweisen: 0 601 29A 094, 0601 29A 094, 0.601.29A.094, 0-601-29A-094
    Bitte prüfen Sie diese Typennummer auf Ihrem Gerät um die Kompatibilität des BOSCH Ersatzteils zu gewährleisten.
Weitere BOSCH Ersatzteile des Gerätes GSS 180 A-C (Deltaschleifer) mit der Typennummer 060129A094 finden Sie in der nachfolgenden Darstellung und im Dropdown zu Ihrer Auswahl:

Pos.
1
BOSCH Gehäuseschale BLAU | Ersatzteile für GSS 180 A-C | 2605105023
Hersteller: BOSCH
Artikelnummer: EB-060129A094-2605105023
nur Informationsartikel
Nie mehr lieferbar
keine Alternativen
Pos.
2
BOSCH Polschuh 230-240V | Ersatzteile für GSS 180 A-C | 2604220673
Hersteller: BOSCH
Artikelnummer: EB-060129A094-2604220673
nur Informationsartikel
Nie mehr lieferbar
keine Alternativen
Pos.
3
BOSCH Anker 230-240V | Ersatzteile für GSS 180 A-C | 2604011276
Hersteller: BOSCH
Artikelnummer: EB-060129A094-2604011276
Netto: 19,18 € zzgl. MwSt.
zzgl. 6,90 € Versand (brutto)
einmalig pro Bestellung

Lieferzeit: 5 Werktage

Pos.
4
BOSCH Schalter | Ersatzteile für GSS 180 A-C | 2607200526
Hersteller: BOSCH
Artikelnummer: EB-060129A094-2607200526
nur Informationsartikel
Nie mehr lieferbar
keine Alternativen
Pos.
5
BOSCH Netzanschlussleitung CN 220V 2,65m 2 x 0,75mm H05 VV-F | Ersatzteile für GSS 180 A-C | 2604460245
Hersteller: BOSCH
Artikelnummer: EB-060129A094-2604460245
Netto: 9,18 € zzgl. MwSt.
zzgl. 6,90 € Versand (brutto)
einmalig pro Bestellung

Lieferzeit: 5 Werktage

Pos.
6
BOSCH Tülle | Ersatzteile für GSS 180 A-C | 2609002019
Hersteller: BOSCH
Artikelnummer: EB-060129A094-2609002019
Netto: 4,53 € zzgl. MwSt.
zzgl. 6,90 € Versand (brutto)
einmalig pro Bestellung

Lieferzeit: 5 Werktage

Pos.
7
BOSCH Torx-Linsenschraube 3x10 | Ersatzteile für GSS 180 A-C | 2603490017
Hersteller: BOSCH
Artikelnummer: EB-060129A094-2603490017
Netto: 4,32 € zzgl. MwSt.
zzgl. 6,90 € Versand (brutto)
einmalig pro Bestellung

Lieferzeit: 5 Werktage

Pos.
9
BOSCH Firmenschild | Ersatzteile für GSS 180 A-C | 2601116043
Hersteller: BOSCH
Artikelnummer: EB-060129A094-2601116043
nur Informationsartikel
Nie mehr lieferbar
keine Alternativen
Pos.
10
BOSCH Bürstenplatte | Ersatzteile für GSS 180 A-C | 2604337088
Hersteller: BOSCH
Artikelnummer: EB-060129A094-2604337088
Netto: 9,95 € zzgl. MwSt.
zzgl. 6,90 € Versand (brutto)
einmalig pro Bestellung

Lieferzeit: 5 Werktage

Pos.
13
BOSCH Rillenkugellager | Ersatzteile für GSS 180 A-C | 2600905078
Hersteller: BOSCH
Artikelnummer: EB-060129A094-2600905078
Netto: 7,30 € zzgl. MwSt.
zzgl. 6,90 € Versand (brutto)
einmalig pro Bestellung

Lieferzeit: 5 Werktage

Pos.
15
BOSCH Lüfter | Ersatzteile für GSS 180 A-C | 2606610113
Hersteller: BOSCH
Artikelnummer: EB-060129A094-2606610113
Netto: 6,68 € zzgl. MwSt.
zzgl. 6,90 € Versand (brutto)
einmalig pro Bestellung

Lieferzeit: 5 Werktage

Pos.
19
BOSCH Schraube 4x16 | Ersatzteile für GSS 180 A-C | 2603490022
Hersteller: BOSCH
Artikelnummer: EB-060129A094-2603490022
Netto: 3,63 € zzgl. MwSt.
zzgl. 6,90 € Versand (brutto)
einmalig pro Bestellung

Lieferzeit: 5 Werktage

Pos.
21
BOSCH Schleifplatte | Ersatzteile für GSS 180 A-C | 2608000238
Hersteller: BOSCH
Artikelnummer: EB-060129A094-2608000238
nur Informationsartikel
Nie mehr lieferbar
keine Alternativen
Pos.
24
BOSCH Dichtring | Ersatzteile für GSS 180 A-C | 2600290039
Hersteller: BOSCH
Artikelnummer: EB-060129A094-2600290039
Netto: 3,63 € zzgl. MwSt.
zzgl. 6,90 € Versand (brutto)
einmalig pro Bestellung

Lieferzeit: 5 Werktage

Pos.
25
BOSCH Verbindungsleitung L=160 MM BLAU | Ersatzteile für GSS 180 A-C | 2604448247
Hersteller: BOSCH
Artikelnummer: EB-060129A094-2604448247
nur Informationsartikel
Nie mehr lieferbar
keine Alternativen
Pos.
26
BOSCH Verbindungskabel L=63 MM WEISS | Ersatzteile für GSS 180 A-C | 3604440527
Hersteller: BOSCH
Artikelnummer: EB-060129A094-3604440527
Netto: 3,60 € zzgl. MwSt.
zzgl. 6,90 € Versand (brutto)
einmalig pro Bestellung

Lieferzeit: 5 Werktage

Pos.
28
BOSCH Gummipuffer | Ersatzteile für GSS 180 A-C | 2609000549
Hersteller: BOSCH
Artikelnummer: EB-060129A094-2609000549
Netto: 3,63 € zzgl. MwSt.
zzgl. 6,90 € Versand (brutto)
einmalig pro Bestellung

Lieferzeit: 5 Werktage

Pos.
50
BOSCH Staubbehaelter | Ersatzteile für GSS 180 A-C | 2605411121
Hersteller: BOSCH
Artikelnummer: EB-060129A094-2605411121
nur Informationsartikel
Nie mehr lieferbar
keine Alternativen
Pos.
220
BOSCH Klebeschild | Ersatzteile für GSS 180 A-C | 1611110855
Hersteller: BOSCH
Artikelnummer: EB-060129A094-1611110855
Netto: 5,13 € zzgl. MwSt.
zzgl. 6,90 € Versand (brutto)
einmalig pro Bestellung

Lieferzeit: 5 Werktage

Pos.
803
BOSCH Anker 230-240V | Ersatzteile für GSS 180 A-C | 2604010980
Hersteller: BOSCH
Artikelnummer: EB-060129A094-2604010980
nur Informationsartikel
Nie mehr lieferbar
keine Alternativen
Pos.
808
BOSCH Typschild | Ersatzteile für GSS 180 A-C | 2601116624
Hersteller: BOSCH
Artikelnummer: EB-060129A094-2601116624
nur Informationsartikel
Nie mehr lieferbar
keine Alternativen
Pos.
811
BOSCH Kohlebürstensatz | Ersatzteile für GSS 180 A-C | 2604321925
Hersteller: BOSCH
Artikelnummer: EB-060129A094-2604321925
Netto: 8,33 € zzgl. MwSt.
zzgl. 6,90 € Versand (brutto)
einmalig pro Bestellung

Lieferzeit: 5 Werktage

Pos.
819
BOSCH Rillenkugellager 12x28x8 | Ersatzteile für GSS 180 A-C | 2600905045
Hersteller: BOSCH
Artikelnummer: EB-060129A094-2600905045
Netto: 14,36 € zzgl. MwSt.
zzgl. 6,90 € Versand (brutto)
einmalig pro Bestellung

Lieferzeit: 5 Werktage

Pos.
821
BOSCH Hinweisschild | Ersatzteile für GSS 180 A-C | 1601110G87
Hersteller: BOSCH
Artikelnummer: EB-060129A094-1601110G87
nur Informationsartikel
Nie mehr lieferbar
keine Alternativen

Angaben zur Produktsicherheit

Hersteller:
Robert Bosch Power Tools GmbH
Postfach 30 02 20
70442 Stuttgart

E-Mail:
kontakt@bosch.de