BOSCH Kugellager 9x24x7 | Ersatzteile für GST 100 BCE | 2600905095

Artikelnummer: EB-0601589643-2600905095

Position: 14

Marke: BOSCH


Bitte Kompatibilität prüfen!

Bitte prüfen Sie unbedingt die 10-stellige Typennummer Ihrer Maschine / Ihres Gerätes. Das Ersatzteil ist nur kompatibel, wenn Sie die Typennummer Ihrer Maschine in der unten stehenden Produktbeschreibung finden.

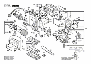
Bitte prüfen Sie ebenfalls detailliert die Explosionszeichnung mit Ihrem Artikelwunsch und der jeweiligen Pos-Nummer.

Alle Elemente, welche vom schwarzen Strich der Pos-Nummer ausgehend berührt / erfasst werden, gehören zu dieser Pos-Nummer und somit zu diesem Artikel. Jede Pos-Nummer ist ein eigenständiger Artikel, welchen Sie in der Auflistung finden.

Sie erhalten stets die aktuellste, neueste Produktversion zu der gewählten Pos-Nummer seitens des Herstellers. Es kann daher je nach Gerätealter vorkommen, dass Sie ggf. weitere, zugehörige Elemente, welche an diese Pos-Nummer grenzen, ebenfalls mittauschen müssen.

Nähere Informationen finden Sie unter dem Link
Hinweise zu Ihrer BOSCH Ersatzteilsuche

Preisübersicht

Einzelpreis: 10,92 €* (Brutto: 12,99 €)
Gesamtpreis: 10,92 €* 
Position:

Lieferzeit: 5 Werktage


Beschreibung

  • Kugellager 9x24x7
  • Original Bosch Zubehör / BOSCH Ersatzteil (2600905095)
  • im Gerät verbaut: 1
Dieses BOSCH Ersatzteil ist mit folgendem Gerät und Modell kompatibel:
  • BOSCH Gerätename: GST 100 BCE
  • BOSCH Explosionszeichnung: Position 14
  • BOSCH Typennummer: 0601589643
  • BOSCH Typennummer alternative Schreibweisen: 0 601 589 643, 0601 589 643, 0.601.589.643, 0-601-589-643
    Bitte prüfen Sie diese Typennummer auf Ihrem Gerät um die Kompatibilität des BOSCH Ersatzteils zu gewährleisten.
Weitere BOSCH Ersatzteile des Gerätes GST 100 BCE (Stichsäge) mit der Typennummer 0601589643 finden Sie in der nachfolgenden Darstellung und im Dropdown zu Ihrer Auswahl:

Pos.
1
BOSCH Gehäuseschale BLAU | Ersatzteile für GST 100 BCE | 2605104582
Hersteller: BOSCH
Artikelnummer: EB-0601589643-2605104582
nur Informationsartikel
Nie mehr lieferbar
keine Alternativen
Pos.
3/90
BOSCH Lüfter | Ersatzteile für GST 100 BCE | 2606610089
Hersteller: BOSCH
Artikelnummer: EB-0601589643-2606610089
Netto: 6,15 € zzgl. MwSt.
zzgl. 6,90 € Versand (brutto)
einmalig pro Bestellung

Lieferzeit: 5 Werktage

Pos.
60/20
BOSCH Lagerbuchse | Ersatzteile für GST 100 BCE | 2600301037
Hersteller: BOSCH
Artikelnummer: EB-0601589643-2600301037
Netto: 3,94 € zzgl. MwSt.
zzgl. 6,90 € Versand (brutto)
einmalig pro Bestellung

Lieferzeit: 5 Werktage

Pos.
653/10
BOSCH Abdeckhaube | Ersatzteile für GST 100 BCE | 2605510159
Hersteller: BOSCH
Artikelnummer: EB-0601589643-2605510159
nur Informationsartikel
Nie mehr lieferbar
keine Alternativen
Pos.
816/04
BOSCH Kohlebürstensatz | Ersatzteile für GST 100 BCE | 2604320914
Hersteller: BOSCH
Artikelnummer: EB-0601589643-2604320914
nur Informationsartikel
Nie mehr lieferbar
keine Alternativen
Pos.
816/06
BOSCH Spiralfeder | Ersatzteile für GST 100 BCE | 1604652013
Hersteller: BOSCH
Artikelnummer: EB-0601589643-1604652013
Netto: 3,94 € zzgl. MwSt.
zzgl. 6,90 € Versand (brutto)
einmalig pro Bestellung

Lieferzeit: 5 Werktage

Pos.
2
BOSCH Polschuh 230-240V | Ersatzteile für GST 100 BCE | 2604220584
Hersteller: BOSCH
Artikelnummer: EB-0601589643-2604220584
Netto: 19,18 € zzgl. MwSt.
zzgl. 6,90 € Versand (brutto)
einmalig pro Bestellung

Lieferzeit: 5 Werktage

Pos.
3
BOSCH Anker 230-240V | Ersatzteile für GST 100 BCE | 2604011115
Hersteller: BOSCH
Artikelnummer: EB-0601589643-2604011115
nur Informationsartikel
Nie mehr lieferbar
keine Alternativen
Pos.
4
BOSCH Ein/Aus-Schalter | Ersatzteile für GST 100 BCE | 2607200537
Hersteller: BOSCH
Artikelnummer: EB-0601589643-2607200537
nur Informationsartikel
Nie mehr lieferbar
keine Alternativen
Pos.
5
BOSCH Netzanschlussleitung TJ 4,15m 2 x 1,0mm H05RN-F | Ersatzteile für GST 100 BCE | 1604460226
Hersteller: BOSCH
Artikelnummer: EB-0601589643-1604460226
nur Informationsartikel
Nie mehr lieferbar
keine Alternativen
Pos.
6
BOSCH Tülle Ø6,4-Ø7,2x76 MM | Ersatzteile für GST 100 BCE | 2600703017
Hersteller: BOSCH
Artikelnummer: EB-0601589643-2600703017
Netto: 4,53 € zzgl. MwSt.
zzgl. 6,90 € Versand (brutto)
einmalig pro Bestellung

Lieferzeit: 5 Werktage

Pos.
9
BOSCH Firmenschild | Ersatzteile für GST 100 BCE | 2601116509
Hersteller: BOSCH
Artikelnummer: EB-0601589643-2601116509
Netto: 5,70 € zzgl. MwSt.
zzgl. 6,90 € Versand (brutto)
einmalig pro Bestellung

Lieferzeit: 5 Werktage

Pos.
14
BOSCH Kugellager 9x24x7 | Ersatzteile für GST 100 BCE | 2600905095
Hersteller: BOSCH
Artikelnummer: EB-0601589643-2600905095
Netto: 10,92 € zzgl. MwSt.
zzgl. 6,90 € Versand (brutto)
einmalig pro Bestellung

Lieferzeit: 5 Werktage

Pos.
16
BOSCH Bürstenplatte | Ersatzteile für GST 100 BCE | 2605807082
Hersteller: BOSCH
Artikelnummer: EB-0601589643-2605807082
Netto: 24,13 € zzgl. MwSt.
zzgl. 6,90 € Versand (brutto)
einmalig pro Bestellung

Lieferzeit: 5 Werktage

Pos.
28
BOSCH Nadelrolle DIN 5402-A3x11,8-G2 | Ersatzteile für GST 100 BCE | 1903201042
Hersteller: BOSCH
Artikelnummer: EB-0601589643-1903201042
Netto: 4,32 € zzgl. MwSt.
zzgl. 6,90 € Versand (brutto)
einmalig pro Bestellung

Lieferzeit: 5 Werktage

Pos.
29
BOSCH Sicherungsring DIN 472-24x1,2 MM | Ersatzteile für GST 100 BCE | 2916660008
Hersteller: BOSCH
Artikelnummer: EB-0601589643-2916660008
Netto: 4,32 € zzgl. MwSt.
zzgl. 6,90 € Versand (brutto)
einmalig pro Bestellung

Lieferzeit: 5 Werktage

Pos.
31
BOSCH Ausgleichscheibe 0,5 MM | Ersatzteile für GST 100 BCE | 2600101048
Hersteller: BOSCH
Artikelnummer: EB-0601589643-2600101048
Netto: 3,94 € zzgl. MwSt.
zzgl. 6,90 € Versand (brutto)
einmalig pro Bestellung

Lieferzeit: 5 Werktage

Pos.
32
BOSCH Nadelkranz | Ersatzteile für GST 100 BCE | 2600913040
Hersteller: BOSCH
Artikelnummer: EB-0601589643-2600913040
Netto: 6,70 € zzgl. MwSt.
zzgl. 6,90 € Versand (brutto)
einmalig pro Bestellung

Lieferzeit: 5 Werktage

Pos.
33
BOSCH Exzenterzahnrad | Ersatzteile für GST 100 BCE | 2606320101
Hersteller: BOSCH
Artikelnummer: EB-0601589643-2606320101
Netto: 24,13 € zzgl. MwSt.
zzgl. 6,90 € Versand (brutto)
einmalig pro Bestellung

Lieferzeit: 5 Werktage

Pos.
34
BOSCH Ausgleichscheibe 0,5 MM | Ersatzteile für GST 100 BCE | 2600102614
Hersteller: BOSCH
Artikelnummer: EB-0601589643-2600102614
nur Informationsartikel
Nie mehr lieferbar
keine Alternativen
Pos.
35
BOSCH Gabelhebel | Ersatzteile für GST 100 BCE | 2601923010
Hersteller: BOSCH
Artikelnummer: EB-0601589643-2601923010
nur Informationsartikel
Nie mehr lieferbar
keine Alternativen
Pos.
36
BOSCH Ausgleichgewicht | Ersatzteile für GST 100 BCE | 2601098032
Hersteller: BOSCH
Artikelnummer: EB-0601589643-2601098032
Netto: 12,98 € zzgl. MwSt.
zzgl. 6,90 € Versand (brutto)
einmalig pro Bestellung

Lieferzeit: 5 Werktage

Pos.
37
BOSCH Ausgleichscheibe 0,3 MM | Ersatzteile für GST 100 BCE | 2600101047
Hersteller: BOSCH
Artikelnummer: EB-0601589643-2600101047
Netto: 3,94 € zzgl. MwSt.
zzgl. 6,90 € Versand (brutto)
einmalig pro Bestellung

Lieferzeit: 5 Werktage

Pos.
38
BOSCH Sicherungsscheibe DIN 6799-6-FST | Ersatzteile für GST 100 BCE | 2916080909
Hersteller: BOSCH
Artikelnummer: EB-0601589643-2916080909
Netto: 3,63 € zzgl. MwSt.
zzgl. 6,90 € Versand (brutto)
einmalig pro Bestellung

Lieferzeit: 5 Werktage

Pos.
40
BOSCH Zwischenring | Ersatzteile für GST 100 BCE | 2600200038
Hersteller: BOSCH
Artikelnummer: EB-0601589643-2600200038
nur Informationsartikel
Nie mehr lieferbar
keine Alternativen
Pos.
41
BOSCH Nadelhülse | Ersatzteile für GST 100 BCE | 2600917900
Hersteller: BOSCH
Artikelnummer: EB-0601589643-2600917900
nur Informationsartikel
Nie mehr lieferbar
keine Alternativen
Pos.
42
BOSCH Luftabscheider | Ersatzteile für GST 100 BCE | 2602305048
Hersteller: BOSCH
Artikelnummer: EB-0601589643-2602305048
nur Informationsartikel
Nie mehr lieferbar
keine Alternativen
Pos.
51
BOSCH Lagerbolzen | Ersatzteile für GST 100 BCE | 2603105053
Hersteller: BOSCH
Artikelnummer: EB-0601589643-2603105053
Netto: 3,63 € zzgl. MwSt.
zzgl. 6,90 € Versand (brutto)
einmalig pro Bestellung

Lieferzeit: 5 Werktage

Pos.
52
BOSCH Rastkappe | Ersatzteile für GST 100 BCE | 2600590006
Hersteller: BOSCH
Artikelnummer: EB-0601589643-2600590006
Netto: 3,94 € zzgl. MwSt.
zzgl. 6,90 € Versand (brutto)
einmalig pro Bestellung

Lieferzeit: 5 Werktage

Pos.
53
BOSCH Drehknopf SCHWARZ | Ersatzteile für GST 100 BCE | 2602026063
Hersteller: BOSCH
Artikelnummer: EB-0601589643-2602026063
Netto: 4,53 € zzgl. MwSt.
zzgl. 6,90 € Versand (brutto)
einmalig pro Bestellung

Lieferzeit: 5 Werktage

Pos.
54
BOSCH Sicherungsscheibe 5 DIN 6799 | Ersatzteile für GST 100 BCE | 2916080908
Hersteller: BOSCH
Artikelnummer: EB-0601589643-2916080908
Netto: 3,63 € zzgl. MwSt.
zzgl. 6,90 € Versand (brutto)
einmalig pro Bestellung

Lieferzeit: 5 Werktage

Pos.
55
BOSCH Drehknopf SCHWARZ | Ersatzteile für GST 100 BCE | 2602026065
Hersteller: BOSCH
Artikelnummer: EB-0601589643-2602026065
Netto: 4,32 € zzgl. MwSt.
zzgl. 6,90 € Versand (brutto)
einmalig pro Bestellung

Lieferzeit: 5 Werktage

Pos.
56
BOSCH Ausgleichscheibe 0,3 MM | Ersatzteile für GST 100 BCE | 2600100607
Hersteller: BOSCH
Artikelnummer: EB-0601589643-2600100607
Netto: 3,94 € zzgl. MwSt.
zzgl. 6,90 € Versand (brutto)
einmalig pro Bestellung

Lieferzeit: 5 Werktage

Pos.
57
BOSCH Zylinderstift 17,35+0,1 MM | Ersatzteile für GST 100 BCE | 2603100069
Hersteller: BOSCH
Artikelnummer: EB-0601589643-2603100069
Netto: 3,94 € zzgl. MwSt.
zzgl. 6,90 € Versand (brutto)
einmalig pro Bestellung

Lieferzeit: 5 Werktage

Pos.
60
BOSCH Getriebedeckel | Ersatzteile für GST 100 BCE | 2605808081
Hersteller: BOSCH
Artikelnummer: EB-0601589643-2605808081
nur Informationsartikel
Nie mehr lieferbar
keine Alternativen
Pos.
61
BOSCH Druckfeder | Ersatzteile für GST 100 BCE | 2604610042
Hersteller: BOSCH
Artikelnummer: EB-0601589643-2604610042
Netto: 3,94 € zzgl. MwSt.
zzgl. 6,90 € Versand (brutto)
einmalig pro Bestellung

Lieferzeit: 5 Werktage

Pos.
63
BOSCH Ausgleichscheibe | Ersatzteile für GST 100 BCE | 2600101095
Hersteller: BOSCH
Artikelnummer: EB-0601589643-2600101095
Netto: 3,94 € zzgl. MwSt.
zzgl. 6,90 € Versand (brutto)
einmalig pro Bestellung

Lieferzeit: 5 Werktage

Pos.
65
BOSCH Dichtung | Ersatzteile für GST 100 BCE | 2601015064
Hersteller: BOSCH
Artikelnummer: EB-0601589643-2601015064
Netto: 3,94 € zzgl. MwSt.
zzgl. 6,90 € Versand (brutto)
einmalig pro Bestellung

Lieferzeit: 5 Werktage

Pos.
74
BOSCH Drehfeder | Ersatzteile für GST 100 BCE | 2604651011
Hersteller: BOSCH
Artikelnummer: EB-0601589643-2604651011
Netto: 4,82 € zzgl. MwSt.
zzgl. 6,90 € Versand (brutto)
einmalig pro Bestellung

Lieferzeit: 5 Werktage

Pos.
75
BOSCH Griffkappe SCHWARZ | Ersatzteile für GST 100 BCE | 2600591010
Hersteller: BOSCH
Artikelnummer: EB-0601589643-2600591010
Netto: 4,53 € zzgl. MwSt.
zzgl. 6,90 € Versand (brutto)
einmalig pro Bestellung

Lieferzeit: 5 Werktage

Pos.
76
BOSCH Dichtung | Ersatzteile für GST 100 BCE | 2601015065
Hersteller: BOSCH
Artikelnummer: EB-0601589643-2601015065
Netto: 3,94 € zzgl. MwSt.
zzgl. 6,90 € Versand (brutto)
einmalig pro Bestellung

Lieferzeit: 5 Werktage

Pos.
77
BOSCH Abdeckplatte | Ersatzteile für GST 100 BCE | 2601016079
Hersteller: BOSCH
Artikelnummer: EB-0601589643-2601016079
Netto: 6,15 € zzgl. MwSt.
zzgl. 6,90 € Versand (brutto)
einmalig pro Bestellung

Lieferzeit: 5 Werktage

Pos.
78
BOSCH Gewindefurchschraube | Ersatzteile für GST 100 BCE | 2603421014
Hersteller: BOSCH
Artikelnummer: EB-0601589643-2603421014
nur Informationsartikel
Nie mehr lieferbar
keine Alternativen
Pos.
83
BOSCH Haltering | Ersatzteile für GST 100 BCE | 2600202037
Hersteller: BOSCH
Artikelnummer: EB-0601589643-2600202037
Netto: 4,32 € zzgl. MwSt.
zzgl. 6,90 € Versand (brutto)
einmalig pro Bestellung

Lieferzeit: 5 Werktage

Pos.
85
BOSCH Abdichtplatte | Ersatzteile für GST 100 BCE | 2601015057
Hersteller: BOSCH
Artikelnummer: EB-0601589643-2601015057
nur Informationsartikel
Nie mehr lieferbar
keine Alternativen
Pos.
89
BOSCH Arbeitsplatte | Ersatzteile für GST 100 BCE | 2601098082
Hersteller: BOSCH
Artikelnummer: EB-0601589643-2601098082
nur Informationsartikel
Nie mehr lieferbar
keine Alternativen
Pos.
90
BOSCH Profilleiste | Ersatzteile für GST 100 BCE | 2601030022
Hersteller: BOSCH
Artikelnummer: EB-0601589643-2601030022
Netto: 4,53 € zzgl. MwSt.
zzgl. 6,90 € Versand (brutto)
einmalig pro Bestellung

Lieferzeit: 5 Werktage

Pos.
91
BOSCH Innensechskantschraube DIN 912-M6x16-8.8 | Ersatzteile für GST 100 BCE | 2910141197
Hersteller: BOSCH
Artikelnummer: EB-0601589643-2910141197
Netto: 3,63 € zzgl. MwSt.
zzgl. 6,90 € Versand (brutto)
einmalig pro Bestellung

Lieferzeit: 5 Werktage

Pos.
92
BOSCH Spannstift 2x6 DIN 1481 | Ersatzteile für GST 100 BCE | 2917760034
Hersteller: BOSCH
Artikelnummer: EB-0601589643-2917760034
Netto: 3,63 € zzgl. MwSt.
zzgl. 6,90 € Versand (brutto)
einmalig pro Bestellung

Lieferzeit: 5 Werktage

Pos.
94
BOSCH Gewindefurchschraube M4x12 MM | Ersatzteile für GST 100 BCE | 2603410049
Hersteller: BOSCH
Artikelnummer: EB-0601589643-2603410049
Netto: 3,94 € zzgl. MwSt.
zzgl. 6,90 € Versand (brutto)
einmalig pro Bestellung

Lieferzeit: 5 Werktage

Pos.
95
BOSCH Schutzbügel SCHWARZ | Ersatzteile für GST 100 BCE | 2603101046
Hersteller: BOSCH
Artikelnummer: EB-0601589643-2603101046
nur Informationsartikel
Nie mehr lieferbar
keine Alternativen
Pos.
97
BOSCH Erdleitung | Ersatzteile für GST 100 BCE | 2604448210
Hersteller: BOSCH
Artikelnummer: EB-0601589643-2604448210
Netto: 3,94 € zzgl. MwSt.
zzgl. 6,90 € Versand (brutto)
einmalig pro Bestellung

Lieferzeit: 5 Werktage

Pos.
98
BOSCH Torx-Linsenschraube 3x18 | Ersatzteile für GST 100 BCE | 2603490018
Hersteller: BOSCH
Artikelnummer: EB-0601589643-2603490018
nur Informationsartikel
Nie mehr lieferbar
keine Alternativen
Pos.
103
BOSCH Drehzahlregler 220-240V | Ersatzteile für GST 100 BCE | 2607230069
Hersteller: BOSCH
Artikelnummer: EB-0601589643-2607230069
nur Informationsartikel
Nie mehr lieferbar
keine Alternativen
Pos.
107
BOSCH Torx-Linsenschraube 4x25 | Ersatzteile für GST 100 BCE | 2603490024
Hersteller: BOSCH
Artikelnummer: EB-0601589643-2603490024
Netto: 3,94 € zzgl. MwSt.
zzgl. 6,90 € Versand (brutto)
einmalig pro Bestellung

Lieferzeit: 5 Werktage

Pos.
180
BOSCH Klebeschild | Ersatzteile für GST 100 BCE | 1611110855
Hersteller: BOSCH
Artikelnummer: EB-0601589643-1611110855
Netto: 5,13 € zzgl. MwSt.
zzgl. 6,90 € Versand (brutto)
einmalig pro Bestellung

Lieferzeit: 5 Werktage

Pos.
653
BOSCH Saugdüse | Ersatzteile für GST 100 BCE | 2605730038
Hersteller: BOSCH
Artikelnummer: EB-0601589643-2605730038
nur Informationsartikel
Nie mehr lieferbar
keine Alternativen
Pos.
654
BOSCH Gleitschuh | Ersatzteile für GST 100 BCE | 2608000184
Hersteller: BOSCH
Artikelnummer: EB-0601589643-2608000184
nur Informationsartikel
Nie mehr lieferbar
keine Alternativen
Pos.
655
BOSCH Spanreissschutz | Ersatzteile für GST 100 BCE | 2601016065
Hersteller: BOSCH
Artikelnummer: EB-0601589643-2601016065
nur Informationsartikel
Nie mehr lieferbar
keine Alternativen
Pos.
808
BOSCH Hinweisschild | Ersatzteile für GST 100 BCE | 2601116106
Hersteller: BOSCH
Artikelnummer: EB-0601589643-2601116106
nur Informationsartikel
Nie mehr lieferbar
keine Alternativen
Pos.
825
BOSCH Getriebegehäuse | Ersatzteile für GST 100 BCE | 2605806896
Hersteller: BOSCH
Artikelnummer: EB-0601589643-2605806896
Netto: 39,11 € zzgl. MwSt.
zzgl. 6,90 € Versand (brutto)
einmalig pro Bestellung

Lieferzeit: 5 Werktage

Pos.
844
BOSCH Rollensatz | Ersatzteile für GST 100 BCE | 2600326904
Hersteller: BOSCH
Artikelnummer: EB-0601589643-2600326904
nur Informationsartikel
Nie mehr lieferbar
keine Alternativen
Pos.
845
BOSCH Rollenhebel | Ersatzteile für GST 100 BCE | 2601321904
Hersteller: BOSCH
Artikelnummer: EB-0601589643-2601321904
nur Informationsartikel
Nie mehr lieferbar
keine Alternativen
Pos.
860
BOSCH Getriebedeckel | Ersatzteile für GST 100 BCE | 2605808927
Hersteller: BOSCH
Artikelnummer: EB-0601589643-2605808927
nur Informationsartikel
Nie mehr lieferbar
keine Alternativen
Pos.
862
BOSCH Führungsbügel | Ersatzteile für GST 100 BCE | 2601322900
Hersteller: BOSCH
Artikelnummer: EB-0601589643-2601322900
Netto: 11,78 € zzgl. MwSt.
zzgl. 6,90 € Versand (brutto)
einmalig pro Bestellung

Lieferzeit: 5 Werktage

Pos.
866
BOSCH Hubstange | Ersatzteile für GST 100 BCE | 2600780911
Hersteller: BOSCH
Artikelnummer: EB-0601589643-2600780911
nur Informationsartikel
Nie mehr lieferbar
keine Alternativen
Pos.
873
BOSCH Halteblech | Ersatzteile für GST 100 BCE | 2601990906
Hersteller: BOSCH
Artikelnummer: EB-0601589643-2601990906
nur Informationsartikel
Nie mehr lieferbar
keine Alternativen
Pos.
881
BOSCH Dichtungssatz | Ersatzteile für GST 100 BCE | 2600290902
Hersteller: BOSCH
Artikelnummer: EB-0601589643-2600290902
nur Informationsartikel
Nie mehr lieferbar
keine Alternativen
Pos.
886
BOSCH Lüfterdeckel BLAU | Ersatzteile für GST 100 BCE | 2605500908
Hersteller: BOSCH
Artikelnummer: EB-0601589643-2605500908
nur Informationsartikel
Nie mehr lieferbar
keine Alternativen
Pos.
888
BOSCH Grundplatte | Ersatzteile für GST 100 BCE | 2608000920
Hersteller: BOSCH
Artikelnummer: EB-0601589643-2608000920
nur Informationsartikel
Nie mehr lieferbar
keine Alternativen

Angaben zur Produktsicherheit

Hersteller:
Robert Bosch Power Tools GmbH
Postfach 30 02 20
70442 Stuttgart

E-Mail:
kontakt@bosch.de