BOSCH: Versand-Pause / Inventur von 05.12.2025 - 15.12.2025 - es erfolgt kein Versand in dieser Zeit. Bitte addieren Sie das Zeitfenster zu der angegebenen Lieferzeit im Artikel.
BOSCH Netzanschlussleitung CH 230V 4,15m 2 x 1,0mm H05 RN-F | Ersatzteile für GST 1400 BCE | 1604460401

Artikelnummer: EB-3601E15100-1604460401

Position: 5

Marke: BOSCH


Bitte Kompatibilität prüfen!

Bitte prüfen Sie unbedingt die 10-stellige Typennummer Ihrer Maschine / Ihres Gerätes. Das Ersatzteil ist nur kompatibel, wenn Sie die Typennummer Ihrer Maschine in der unten stehenden Produktbeschreibung finden.

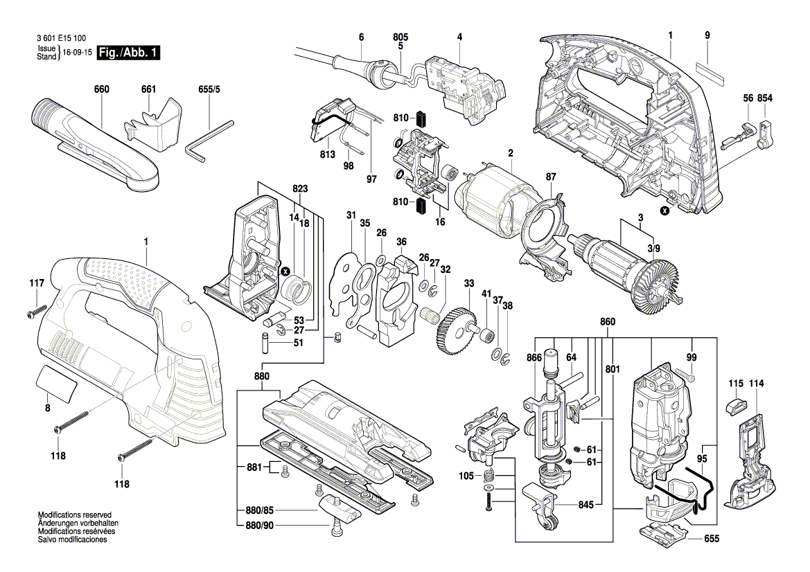
Bitte prüfen Sie ebenfalls detailliert die Explosionszeichnung mit Ihrem Artikelwunsch und der jeweiligen Pos-Nummer.

Alle Elemente, welche vom schwarzen Strich der Pos-Nummer ausgehend berührt / erfasst werden, gehören zu dieser Pos-Nummer und somit zu diesem Artikel. Jede Pos-Nummer ist ein eigenständiger Artikel, welchen Sie in der Auflistung finden.

Sie erhalten stets die aktuellste, neueste Produktversion zu der gewählten Pos-Nummer seitens des Herstellers. Es kann daher je nach Gerätealter vorkommen, dass Sie ggf. weitere, zugehörige Elemente, welche an diese Pos-Nummer grenzen, ebenfalls mittauschen müssen.

Nähere Informationen finden Sie unter dem Link
Hinweise zu Ihrer BOSCH Ersatzteilsuche

Preisübersicht

Einzelpreis: 12,50 €* (Brutto: 14,88 €)
Gesamtpreis: 12,50 €* 
Position:

Lieferzeit: 5 Werktage


Beschreibung

  • Netzanschlussleitung CH 230V 4,15m 2 x 1,0mm H05 RN-F / Achtung: bitte Landesversion beachten
  • Original Bosch Zubehör / BOSCH Ersatzteil (1604460401)
  • im Gerät verbaut: 1
Dieses BOSCH Ersatzteil ist mit folgendem Gerät und Modell kompatibel:
  • BOSCH Gerätename: GST 1400 BCE
  • BOSCH Explosionszeichnung: Position 5
  • BOSCH Typennummer: 3601E15100
  • BOSCH Typennummer alternative Schreibweisen: 3 601 E15 100, 3601 E15 100, 3.601.E15.100, 3-601-E15-100
    Bitte prüfen Sie diese Typennummer auf Ihrem Gerät um die Kompatibilität des BOSCH Ersatzteils zu gewährleisten.
Weitere BOSCH Ersatzteile des Gerätes GST 1400 BCE (Stichsäge) mit der Typennummer 3601E15100 finden Sie in der nachfolgenden Darstellung und im Dropdown zu Ihrer Auswahl:

Pos.
1
BOSCH Gehäuseschale | Ersatzteile für GST 1400 BCE | 2605105176
Hersteller: BOSCH
Artikelnummer: EB-3601E15100-2605105206
Netto: 24,01 € zzgl. MwSt.
zzgl. 6,90 € Versand (brutto)
einmalig pro Bestellung

Lieferzeit: 5 Werktage

Pos.
880/90
BOSCH Innensechskantschraube M6x25,5-8,8 | Ersatzteile für GST 1400 BCE | 2910131203
Hersteller: BOSCH
Artikelnummer: EB-3601E15100-2910131203
nur Informationsartikel
Nie mehr lieferbar
keine Alternativen
Pos.
2
BOSCH Polschuh 230-240V | Ersatzteile für GST 1400 BCE | 2604220740
Hersteller: BOSCH
Artikelnummer: EB-3601E15100-2604220740
Netto: 32,16 € zzgl. MwSt.
zzgl. 6,90 € Versand (brutto)
einmalig pro Bestellung

Lieferzeit: 5 Werktage

Pos.
3
BOSCH Anker 230-240V | Ersatzteile für GST 1400 BCE | 2604011420
Hersteller: BOSCH
Artikelnummer: EB-3601E15100-2604011420
Netto: 46,22 € zzgl. MwSt.
zzgl. 6,90 € Versand (brutto)
einmalig pro Bestellung

Lieferzeit: 5 Werktage

Pos.
3/9
BOSCH Lüfter | Ersatzteile für GST 1400 BCE | 2606610089
Hersteller: BOSCH
Artikelnummer: EB-3601E15100-2606610089
Netto: 6,27 € zzgl. MwSt.
zzgl. 6,90 € Versand (brutto)
einmalig pro Bestellung

Lieferzeit: 5 Werktage

Pos.
4
BOSCH Schalter | Ersatzteile für GST 1400 BCE | 2607200669
Hersteller: BOSCH
Artikelnummer: EB-3601E15100-2607200669
Netto: 15,15 € zzgl. MwSt.
zzgl. 6,90 € Versand (brutto)
einmalig pro Bestellung

Lieferzeit: 5 Werktage

Pos.
5
BOSCH Netzanschlussleitung CH 230V 4,15m 2 x 1,0mm H05 RN-F | Ersatzteile für GST 1400 BCE | 1604460401
Hersteller: BOSCH
Artikelnummer: EB-3601E15100-1604460401
Netto: 12,50 € zzgl. MwSt.
zzgl. 6,90 € Versand (brutto)
einmalig pro Bestellung

Lieferzeit: 5 Werktage

Pos.
6
BOSCH Tülle | Ersatzteile für GST 1400 BCE | 2600707078
Hersteller: BOSCH
Artikelnummer: EB-3601E15100-2600707078
Netto: 4,80 € zzgl. MwSt.
zzgl. 6,90 € Versand (brutto)
einmalig pro Bestellung

Lieferzeit: 5 Werktage

Pos.
8
BOSCH Typschild | Ersatzteile für GST 1400 BCE | 2601112915
Hersteller: BOSCH
Artikelnummer: EB-3601E15100-2601112915
Netto: 4,56 € zzgl. MwSt.
zzgl. 6,90 € Versand (brutto)
einmalig pro Bestellung

Lieferzeit: 5 Werktage

Pos.
9
BOSCH Firmenschild GST 1400 BCE | Ersatzteile für GST 1400 BCE | 2601112913
Hersteller: BOSCH
Artikelnummer: EB-3601E15100-2601112913
Netto: 4,56 € zzgl. MwSt.
zzgl. 6,90 € Versand (brutto)
einmalig pro Bestellung

Lieferzeit: 5 Werktage

Pos.
14
BOSCH Rillenkugellager 9x24x7 | Ersatzteile für GST 1400 BCE | 2600905112
Hersteller: BOSCH
Artikelnummer: EB-3601E15100-2600905112
Netto: 10,62 € zzgl. MwSt.
zzgl. 6,90 € Versand (brutto)
einmalig pro Bestellung

Lieferzeit: 5 Werktage

Pos.
16
BOSCH Bürstenplatte | Ersatzteile für GST 1400 BCE | 2605807137
Hersteller: BOSCH
Artikelnummer: EB-3601E15100-2605807137
Netto: 18,86 € zzgl. MwSt.
zzgl. 6,90 € Versand (brutto)
einmalig pro Bestellung

Lieferzeit: 5 Werktage

Pos.
18
BOSCH Sicherungsring DIN 472-24x1,2 MM | Ersatzteile für GST 1400 BCE | 2916660008
Hersteller: BOSCH
Artikelnummer: EB-3601E15100-2916660008
Netto: 4,36 € zzgl. MwSt.
zzgl. 6,90 € Versand (brutto)
einmalig pro Bestellung

Lieferzeit: 5 Werktage

Pos.
26
BOSCH Ausgleichscheibe | Ersatzteile für GST 1400 BCE | 2600100040
Hersteller: BOSCH
Artikelnummer: EB-3601E15100-2600100040
Netto: 3,94 € zzgl. MwSt.
zzgl. 6,90 € Versand (brutto)
einmalig pro Bestellung

Lieferzeit: 5 Werktage

Pos.
27
BOSCH Sicherungsscheibe 5 DIN 6799 | Ersatzteile für GST 1400 BCE | 2916080908
Hersteller: BOSCH
Artikelnummer: EB-3601E15100-2916080908
Netto: 3,60 € zzgl. MwSt.
zzgl. 6,90 € Versand (brutto)
einmalig pro Bestellung

Lieferzeit: 5 Werktage

Pos.
31
BOSCH Ausgleichscheibe | Ersatzteile für GST 1400 BCE | 2600101124
Hersteller: BOSCH
Artikelnummer: EB-3601E15100-2600101124
Netto: 3,60 € zzgl. MwSt.
zzgl. 6,90 € Versand (brutto)
einmalig pro Bestellung

Lieferzeit: 5 Werktage

Pos.
32
BOSCH Nadelkranz | Ersatzteile für GST 1400 BCE | 2600913040
Hersteller: BOSCH
Artikelnummer: EB-3601E15100-2600913040
Netto: 6,75 € zzgl. MwSt.
zzgl. 6,90 € Versand (brutto)
einmalig pro Bestellung

Lieferzeit: 5 Werktage

Pos.
33
BOSCH Exzenterzahnrad | Ersatzteile für GST 1400 BCE | 2606320107
Hersteller: BOSCH
Artikelnummer: EB-3601E15100-2606320107
Netto: 16,70 € zzgl. MwSt.
zzgl. 6,90 € Versand (brutto)
einmalig pro Bestellung

Lieferzeit: 5 Werktage

Pos.
35
BOSCH Gabelhebel | Ersatzteile für GST 1400 BCE | 2601923015
Hersteller: BOSCH
Artikelnummer: EB-3601E15100-2601923015
Netto: 4,80 € zzgl. MwSt.
zzgl. 6,90 € Versand (brutto)
einmalig pro Bestellung

Lieferzeit: 5 Werktage

Pos.
36
BOSCH Ausgleichgewicht | Ersatzteile für GST 1400 BCE | 2601098120
Hersteller: BOSCH
Artikelnummer: EB-3601E15100-2601098120
Netto: 15,15 € zzgl. MwSt.
zzgl. 6,90 € Versand (brutto)
einmalig pro Bestellung

Lieferzeit: 5 Werktage

Pos.
37
BOSCH Ausgleichscheibe 0,3 MM | Ersatzteile für GST 1400 BCE | 2600101047
Hersteller: BOSCH
Artikelnummer: EB-3601E15100-2600101047
Netto: 3,94 € zzgl. MwSt.
zzgl. 6,90 € Versand (brutto)
einmalig pro Bestellung

Lieferzeit: 5 Werktage

Pos.
38
BOSCH Sicherungsscheibe DIN 6799-6-FST | Ersatzteile für GST 1400 BCE | 2916080909
Hersteller: BOSCH
Artikelnummer: EB-3601E15100-2916080909
Netto: 3,60 € zzgl. MwSt.
zzgl. 6,90 € Versand (brutto)
einmalig pro Bestellung

Lieferzeit: 5 Werktage

Pos.
41
BOSCH Nadelhülse | Ersatzteile für GST 1400 BCE | 2600917900
Hersteller: BOSCH
Artikelnummer: EB-3601E15100-2600917900
nur Informationsartikel
Nie mehr lieferbar
keine Alternativen
Pos.
53
BOSCH Schaltwelle | Ersatzteile für GST 1400 BCE | 2603124157
Hersteller: BOSCH
Artikelnummer: EB-3601E15100-2603124157
Netto: 6,27 € zzgl. MwSt.
zzgl. 6,90 € Versand (brutto)
einmalig pro Bestellung

Lieferzeit: 5 Werktage

Pos.
56
BOSCH Drehknopf | Ersatzteile für GST 1400 BCE | 2602026170
Hersteller: BOSCH
Artikelnummer: EB-3601E15100-2602026170
Netto: 3,94 € zzgl. MwSt.
zzgl. 6,90 € Versand (brutto)
einmalig pro Bestellung

Lieferzeit: 5 Werktage

Pos.
61
BOSCH Druckfeder | Ersatzteile für GST 1400 BCE | 2604610140
Hersteller: BOSCH
Artikelnummer: EB-3601E15100-2604610140
Netto: 3,60 € zzgl. MwSt.
zzgl. 6,90 € Versand (brutto)
einmalig pro Bestellung

Lieferzeit: 5 Werktage

Pos.
64
BOSCH Zylinderstift | Ersatzteile für GST 1400 BCE | 2601322045
Hersteller: BOSCH
Artikelnummer: EB-3601E15100-2601322045
Netto: 3,94 € zzgl. MwSt.
zzgl. 6,90 € Versand (brutto)
einmalig pro Bestellung

Lieferzeit: 5 Werktage

Pos.
87
BOSCH Luftleitring | Ersatzteile für GST 1400 BCE | 2605500220
Hersteller: BOSCH
Artikelnummer: EB-3601E15100-2605500220
Netto: 8,23 € zzgl. MwSt.
zzgl. 6,90 € Versand (brutto)
einmalig pro Bestellung

Lieferzeit: 5 Werktage

Pos.
95
BOSCH Schutzbügel | Ersatzteile für GST 1400 BCE | 2603101060
Hersteller: BOSCH
Artikelnummer: EB-3601E15100-2603101060
Netto: 5,65 € zzgl. MwSt.
zzgl. 6,90 € Versand (brutto)
einmalig pro Bestellung

Lieferzeit: 5 Werktage

Pos.
97
BOSCH Erdleitung | Ersatzteile für GST 1400 BCE | 2604448270
Hersteller: BOSCH
Artikelnummer: EB-3601E15100-2604448270
Netto: 3,94 € zzgl. MwSt.
zzgl. 6,90 € Versand (brutto)
einmalig pro Bestellung

Lieferzeit: 5 Werktage

Pos.
98
BOSCH Verbindungsleitung | Ersatzteile für GST 1400 BCE | 2604448365
Hersteller: BOSCH
Artikelnummer: EB-3601E15100-2604448365
Netto: 4,36 € zzgl. MwSt.
zzgl. 6,90 € Versand (brutto)
einmalig pro Bestellung

Lieferzeit: 5 Werktage

Pos.
99
BOSCH Gewindefurchschraube | Ersatzteile für GST 1400 BCE | 2603410051
Hersteller: BOSCH
Artikelnummer: EB-3601E15100-2603410051
Netto: 3,60 € zzgl. MwSt.
zzgl. 6,90 € Versand (brutto)
einmalig pro Bestellung

Lieferzeit: 5 Werktage

Pos.
105
BOSCH Drehfeder | Ersatzteile für GST 1400 BCE | 2604690060
Hersteller: BOSCH
Artikelnummer: EB-3601E15100-2604690060
Netto: 3,60 € zzgl. MwSt.
zzgl. 6,90 € Versand (brutto)
einmalig pro Bestellung

Lieferzeit: 5 Werktage

Pos.
114
BOSCH Abdeckung 230V | Ersatzteile für GST 1400 BCE | 2605719048
Hersteller: BOSCH
Artikelnummer: EB-3601E15100-2605719048
Netto: 7,66 € zzgl. MwSt.
zzgl. 6,90 € Versand (brutto)
einmalig pro Bestellung

Lieferzeit: 5 Werktage

Pos.
117
BOSCH Torx-Linsenschraube 4x20 | Ersatzteile für GST 1400 BCE | 2603490023
Hersteller: BOSCH
Artikelnummer: EB-3601E15100-2603490023
Netto: 3,60 € zzgl. MwSt.
zzgl. 6,90 € Versand (brutto)
einmalig pro Bestellung

Lieferzeit: 5 Werktage

Pos.
118
BOSCH Torx-Linsenschraube 4x40 | Ersatzteile für GST 1400 BCE | 2603490027
Hersteller: BOSCH
Artikelnummer: EB-3601E15100-2603490027
Netto: 3,60 € zzgl. MwSt.
zzgl. 6,90 € Versand (brutto)
einmalig pro Bestellung

Lieferzeit: 5 Werktage

Pos.
38
BOSCH Sicherungsring 8X0,8 N31A MR7 | Ersatzteile für GST 1400 BCE | 2916640905
Hersteller: BOSCH
Artikelnummer: EB-3601E15100-2916640905
Netto: 3,94 € zzgl. MwSt.
zzgl. 6,90 € Versand (brutto)
einmalig pro Bestellung

Lieferzeit: 5 Werktage

Pos.
655
BOSCH Spanreissschutz | Ersatzteile für GST 1400 BCE | 2601016093
Hersteller: BOSCH
Artikelnummer: EB-3601E15100-2601016093
Netto: 5,65 € zzgl. MwSt.
zzgl. 6,90 € Versand (brutto)
einmalig pro Bestellung

Lieferzeit: 5 Werktage

Pos.
655/5
BOSCH Winkelschraubendreher DIN 911-4 | Ersatzteile für GST 1400 BCE | 2607950004
Hersteller: BOSCH
Artikelnummer: EB-3601E15100-2607950004
Netto: 3,94 € zzgl. MwSt.
zzgl. 6,90 € Versand (brutto)
einmalig pro Bestellung

Lieferzeit: 5 Werktage

Pos.
660
BOSCH Absaugstutzen | Ersatzteile für GST 1400 BCE | 2605730061
Hersteller: BOSCH
Artikelnummer: EB-3601E15100-2605730061
Netto: 15,15 € zzgl. MwSt.
zzgl. 6,90 € Versand (brutto)
einmalig pro Bestellung

Lieferzeit: 5 Werktage

Pos.
661
BOSCH Abdeckhaube | Ersatzteile für GST 1400 BCE | 2605510296
Hersteller: BOSCH
Artikelnummer: EB-3601E15100-2605510296
Netto: 5,17 € zzgl. MwSt.
zzgl. 6,90 € Versand (brutto)
einmalig pro Bestellung

Lieferzeit: 5 Werktage

Pos.
801
BOSCH Auswerfhebel | Ersatzteile für GST 1400 BCE | 2607990068
Hersteller: BOSCH
Artikelnummer: EB-3601E15100-2607990068
Netto: 9,75 € zzgl. MwSt.
zzgl. 6,90 € Versand (brutto)
einmalig pro Bestellung

Lieferzeit: 5 Werktage

Pos.
805
BOSCH Netzanschlussleitung EU 230V 4,15m 2 x 1,0mm H05 RN-F | Ersatzteile für GST 1400 BCE | 1607000386
Hersteller: BOSCH
Artikelnummer: EB-3601E15100-1607000386
Netto: 16,70 € zzgl. MwSt.
zzgl. 6,90 € Versand (brutto)
einmalig pro Bestellung

Lieferzeit: 5 Werktage

Pos.
810
BOSCH Kohlebürstensatz | Ersatzteile für GST 1400 BCE | 2604320918
Hersteller: BOSCH
Artikelnummer: EB-3601E15100-2604320918
Netto: 10,62 € zzgl. MwSt.
zzgl. 6,90 € Versand (brutto)
einmalig pro Bestellung

Lieferzeit: 5 Werktage

Pos.
823
BOSCH Getriebegehäuse | Ersatzteile für GST 1400 BCE | 2605806870
Hersteller: BOSCH
Artikelnummer: EB-3601E15100-2605806870
Netto: 116,63 € zzgl. MwSt.
zzgl. 6,90 € Versand (brutto)
einmalig pro Bestellung

Lieferzeit: 5 Werktage

Pos.
854
BOSCH Drehknopf SCHWARZ | Ersatzteile für GST 1400 BCE | 2602026909
Hersteller: BOSCH
Artikelnummer: EB-3601E15100-2602026909
Netto: 4,56 € zzgl. MwSt.
zzgl. 6,90 € Versand (brutto)
einmalig pro Bestellung

Lieferzeit: 5 Werktage

Pos.
860
BOSCH Getriebedeckel | Ersatzteile für GST 1400 BCE | 2605808942
Hersteller: BOSCH
Artikelnummer: EB-3601E15100-2605808942
Netto: 116,63 € zzgl. MwSt.
zzgl. 6,90 € Versand (brutto)
einmalig pro Bestellung

Lieferzeit: 5 Werktage

Pos.
880
BOSCH Fussplatte | Ersatzteile für GST 1400 BCE | 2601099288
Hersteller: BOSCH
Artikelnummer: EB-3601E15100-2601099288
Netto: 51,18 € zzgl. MwSt.
zzgl. 6,90 € Versand (brutto)
einmalig pro Bestellung

Lieferzeit: 5 Werktage

Pos.
51
BOSCH Lagerbolzen | Ersatzteile für GST 1400 BCE | 2603105135
Hersteller: BOSCH
Artikelnummer: EB-3601E15100-2603105131
Netto: 5,15 € zzgl. MwSt.
zzgl. 6,90 € Versand (brutto)
einmalig pro Bestellung

Lieferzeit: 5 Werktage

Pos.
880/85
BOSCH Profilleiste | Ersatzteile für GST 1400 BCE | 2601030022
Hersteller: BOSCH
Artikelnummer: EB-3601E15100-2601030022
Netto: 4,56 € zzgl. MwSt.
zzgl. 6,90 € Versand (brutto)
einmalig pro Bestellung

Lieferzeit: 5 Werktage

Pos.
881
BOSCH Arbeitsplatte | Ersatzteile für GST 1400 BCE | 2601099900
Hersteller: BOSCH
Artikelnummer: EB-3601E15100-2601099900
Netto: 12,50 € zzgl. MwSt.
zzgl. 6,90 € Versand (brutto)
einmalig pro Bestellung

Lieferzeit: 5 Werktage

Pos.
115
BOSCH Lichtschalter | Ersatzteile für GST 1400 BCE | 2600030038
Hersteller: BOSCH
Artikelnummer: EB-3601E15100-2600030038
Netto: 4,80 € zzgl. MwSt.
zzgl. 6,90 € Versand (brutto)
einmalig pro Bestellung

Lieferzeit: 5 Werktage

Pos.
813
BOSCH Drehzahlregler 230V | Ersatzteile für GST 1400 BCE | 160723358Y
Hersteller: BOSCH
Artikelnummer: EB-3601E15100-160723358Y
Netto: 51,18 € zzgl. MwSt.
zzgl. 6,90 € Versand (brutto)
einmalig pro Bestellung

Lieferzeit: 5 Werktage

Pos.
845
BOSCH Rollenhebel | Ersatzteile für GST 1400 BCE | 2601321912
Hersteller: BOSCH
Artikelnummer: EB-3601E15100-2601321912
nur Informationsartikel
Nie mehr lieferbar
keine Alternativen
Pos.
866
BOSCH Hubstange | Ersatzteile für GST 1400 BCE | 2600780188
Hersteller: BOSCH
Artikelnummer: EB-3601E15100-1600A00HG1
Netto: 45,85 € zzgl. MwSt.
zzgl. 6,90 € Versand (brutto)
einmalig pro Bestellung

Lieferzeit: 5 Werktage

Angaben zur Produktsicherheit

Hersteller:
Robert Bosch Power Tools GmbH
Postfach 30 02 20
70442 Stuttgart

E-Mail:
kontakt@bosch.de