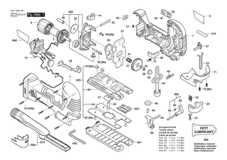
BOSCH Kreuzschlitzschraube DIN 7981-ST3,5X9,5-F | Ersatzteile für GST 18V-125 S | 2603435015

Artikelnummer: EB-3601EB20B0-2603435015

Position: 72

Marke: BOSCH


Bitte Kompatibilität prüfen!

Bitte prüfen Sie unbedingt die 10-stellige Typennummer Ihrer Maschine / Ihres Gerätes. Das Ersatzteil ist nur kompatibel, wenn Sie die Typennummer Ihrer Maschine in der unten stehenden Produktbeschreibung finden.

Bitte prüfen Sie ebenfalls detailliert die Explosionszeichnung mit Ihrem Artikelwunsch und der jeweiligen Pos-Nummer.

Alle Elemente, welche vom schwarzen Strich der Pos-Nummer ausgehend berührt / erfasst werden, gehören zu dieser Pos-Nummer und somit zu diesem Artikel. Jede Pos-Nummer ist ein eigenständiger Artikel, welchen Sie in der Auflistung finden.

Sie erhalten stets die aktuellste, neueste Produktversion zu der gewählten Pos-Nummer seitens des Herstellers. Es kann daher je nach Gerätealter vorkommen, dass Sie ggf. weitere, zugehörige Elemente, welche an diese Pos-Nummer grenzen, ebenfalls mittauschen müssen.

Nähere Informationen finden Sie unter dem Link
Hinweise zu Ihrer BOSCH Ersatzteilsuche

Preisübersicht

Einzelpreis: 4,32 €* (Brutto: 5,14 €)
Gesamtpreis: 4,32 €* 
Position:

Lieferzeit: 5 Werktage


Beschreibung

  • Kreuzschlitzschraube DIN 7981-ST3,5X9,5-F
  • Original Bosch Zubehör / BOSCH Ersatzteil (2603435015)
  • im Gerät verbaut: 1
Dieses BOSCH Ersatzteil ist mit folgendem Gerät und Modell kompatibel:
  • BOSCH Gerätename: GST 18V-125 S
  • BOSCH Explosionszeichnung: Position 72
  • BOSCH Typennummer: 3601EB20B0
  • BOSCH Typennummer alternative Schreibweisen: 3 601 EB2 0B0, 3601 EB2 0B0, 3.601.EB2.0B0, 3-601-EB2-0B0
    Bitte prüfen Sie diese Typennummer auf Ihrem Gerät um die Kompatibilität des BOSCH Ersatzteils zu gewährleisten.
Weitere BOSCH Ersatzteile des Gerätes GST 18V-125 S (Akku-Stichsäge) mit der Typennummer 3601EB20B0 finden Sie in der nachfolgenden Darstellung und im Dropdown zu Ihrer Auswahl:

Pos.
1
BOSCH Gehäuseschale | Ersatzteile für GST 18V-125 S | 1619P16209
Hersteller: BOSCH
Artikelnummer: EB-3601EB20B0-1619P16209
Netto: 17,38 € zzgl. MwSt.
zzgl. 6,90 € Versand (brutto)
einmalig pro Bestellung

Lieferzeit: 5 Werktage

Pos.
2
BOSCH Stator | Ersatzteile für GST 18V-125 S | 1619P16473
Hersteller: BOSCH
Artikelnummer: EB-3601EB20B0-1619P16473
Netto: 26,88 € zzgl. MwSt.
zzgl. 6,90 € Versand (brutto)
einmalig pro Bestellung

Lieferzeit: 5 Werktage

Pos.
3
BOSCH Rotor | Ersatzteile für GST 18V-125 S | 1619P16471
Hersteller: BOSCH
Artikelnummer: EB-3601EB20B0-1619P16471
Netto: 24,13 € zzgl. MwSt.
zzgl. 6,90 € Versand (brutto)
einmalig pro Bestellung

Lieferzeit: 5 Werktage

Pos.
9
BOSCH Firmenschild GST 18V-125 S | Ersatzteile für GST 18V-125 S | 1619P17551
Hersteller: BOSCH
Artikelnummer: EB-3601EB20B0-1619P17551
Netto: 4,53 € zzgl. MwSt.
zzgl. 6,90 € Versand (brutto)
einmalig pro Bestellung

Lieferzeit: 5 Werktage

Pos.
10
BOSCH Elektronikmodul | Ersatzteile für GST 18V-125 S | 1619P16534
Hersteller: BOSCH
Artikelnummer: EB-3601EB20B0-1619P16534
Netto: 57,47 € zzgl. MwSt.
zzgl. 6,90 € Versand (brutto)
einmalig pro Bestellung

Lieferzeit: 5 Werktage

Pos.
19
BOSCH Torx-Senkschraube 3X16 | Ersatzteile für GST 18V-125 S | 2609110201
Hersteller: BOSCH
Artikelnummer: EB-3601EB20B0-2609110201
Netto: 4,32 € zzgl. MwSt.
zzgl. 6,90 € Versand (brutto)
einmalig pro Bestellung

Lieferzeit: 5 Werktage

Pos.
22
BOSCH Drehfeder | Ersatzteile für GST 18V-125 S | 1619P07152
Hersteller: BOSCH
Artikelnummer: EB-3601EB20B0-1619P07152
Netto: 3,63 € zzgl. MwSt.
zzgl. 6,90 € Versand (brutto)
einmalig pro Bestellung

Lieferzeit: 5 Werktage

Pos.
23
BOSCH Schutzbügel | Ersatzteile für GST 18V-125 S | 1619P07128
Hersteller: BOSCH
Artikelnummer: EB-3601EB20B0-1619P07128
Netto: 3,94 € zzgl. MwSt.
zzgl. 6,90 € Versand (brutto)
einmalig pro Bestellung

Lieferzeit: 5 Werktage

Pos.
24
BOSCH Hebelschalter | Ersatzteile für GST 18V-125 S | 1619P07151
Hersteller: BOSCH
Artikelnummer: EB-3601EB20B0-1619P07151
Netto: 4,82 € zzgl. MwSt.
zzgl. 6,90 € Versand (brutto)
einmalig pro Bestellung

Lieferzeit: 5 Werktage

Pos.
25
BOSCH Schalterknopf | Ersatzteile für GST 18V-125 S | 1619P16220
Hersteller: BOSCH
Artikelnummer: EB-3601EB20B0-1619P16220
Netto: 4,82 € zzgl. MwSt.
zzgl. 6,90 € Versand (brutto)
einmalig pro Bestellung

Lieferzeit: 5 Werktage

Pos.
27
BOSCH Exzenterzahnrad | Ersatzteile für GST 18V-125 S | 1619P16223
Hersteller: BOSCH
Artikelnummer: EB-3601EB20B0-1619P16223
Netto: 9,95 € zzgl. MwSt.
zzgl. 6,90 € Versand (brutto)
einmalig pro Bestellung

Lieferzeit: 5 Werktage

Pos.
28
BOSCH Verstellschieber | Ersatzteile für GST 18V-125 S | 1619P16221
Hersteller: BOSCH
Artikelnummer: EB-3601EB20B0-1619P16221
Netto: 4,53 € zzgl. MwSt.
zzgl. 6,90 € Versand (brutto)
einmalig pro Bestellung

Lieferzeit: 5 Werktage

Pos.
29
BOSCH Nadelhülse | Ersatzteile für GST 18V-125 S | 2600914022
Hersteller: BOSCH
Artikelnummer: EB-3601EB20B0-2600914022
Netto: 7,30 € zzgl. MwSt.
zzgl. 6,90 € Versand (brutto)
einmalig pro Bestellung

Lieferzeit: 5 Werktage

Pos.
30
BOSCH Ausgleichscheibe | Ersatzteile für GST 18V-125 S | 1619P07576
Hersteller: BOSCH
Artikelnummer: EB-3601EB20B0-1619P07576
Netto: 4,32 € zzgl. MwSt.
zzgl. 6,90 € Versand (brutto)
einmalig pro Bestellung

Lieferzeit: 5 Werktage

Pos.
31
BOSCH Nadelkranz | Ersatzteile für GST 18V-125 S | 2600913040
Hersteller: BOSCH
Artikelnummer: EB-3601EB20B0-2600913040
Netto: 6,70 € zzgl. MwSt.
zzgl. 6,90 € Versand (brutto)
einmalig pro Bestellung

Lieferzeit: 5 Werktage

Pos.
32
BOSCH Ausgleichscheibe 0,5 MM | Ersatzteile für GST 18V-125 S | 2600101077
Hersteller: BOSCH
Artikelnummer: EB-3601EB20B0-2600101077
Netto: 3,94 € zzgl. MwSt.
zzgl. 6,90 € Versand (brutto)
einmalig pro Bestellung

Lieferzeit: 5 Werktage

Pos.
33
BOSCH Gabelhebel | Ersatzteile für GST 18V-125 S | 1619P07137
Hersteller: BOSCH
Artikelnummer: EB-3601EB20B0-1619P07137
Netto: 5,67 € zzgl. MwSt.
zzgl. 6,90 € Versand (brutto)
einmalig pro Bestellung

Lieferzeit: 5 Werktage

Pos.
34
BOSCH Rastkappe | Ersatzteile für GST 18V-125 S | 2600590006
Hersteller: BOSCH
Artikelnummer: EB-3601EB20B0-2600590006
Netto: 3,94 € zzgl. MwSt.
zzgl. 6,90 € Versand (brutto)
einmalig pro Bestellung

Lieferzeit: 5 Werktage

Pos.
35
BOSCH Lagerbolzen | Ersatzteile für GST 18V-125 S | 1619P07140
Hersteller: BOSCH
Artikelnummer: EB-3601EB20B0-1619P07140
Netto: 3,63 € zzgl. MwSt.
zzgl. 6,90 € Versand (brutto)
einmalig pro Bestellung

Lieferzeit: 5 Werktage

Pos.
36
BOSCH Ausgleichscheibe 0,5 MM | Ersatzteile für GST 18V-125 S | 2600100588
Hersteller: BOSCH
Artikelnummer: EB-3601EB20B0-2600100588
Netto: 3,94 € zzgl. MwSt.
zzgl. 6,90 € Versand (brutto)
einmalig pro Bestellung

Lieferzeit: 5 Werktage

Pos.
37
BOSCH Ausgleichgewicht | Ersatzteile für GST 18V-125 S | 1619P07133
Hersteller: BOSCH
Artikelnummer: EB-3601EB20B0-1619P07133
Netto: 9,95 € zzgl. MwSt.
zzgl. 6,90 € Versand (brutto)
einmalig pro Bestellung

Lieferzeit: 5 Werktage

Pos.
38
BOSCH Kappe | Ersatzteile für GST 18V-125 S | 1619P16714
Hersteller: BOSCH
Artikelnummer: EB-3601EB20B0-1619P16714
Netto: 4,53 € zzgl. MwSt.
zzgl. 6,90 € Versand (brutto)
einmalig pro Bestellung

Lieferzeit: 5 Werktage

Pos.
39
BOSCH Sicherungsring 8X0,8 N31A MR7 | Ersatzteile für GST 18V-125 S | 2916640905
Hersteller: BOSCH
Artikelnummer: EB-3601EB20B0-2916640905
Netto: 3,94 € zzgl. MwSt.
zzgl. 6,90 € Versand (brutto)
einmalig pro Bestellung

Lieferzeit: 5 Werktage

Pos.
40
BOSCH Hubstange | Ersatzteile für GST 18V-125 S | 1619P07147
Hersteller: BOSCH
Artikelnummer: EB-3601EB20B0-1619P07147
Netto: 35,77 € zzgl. MwSt.
zzgl. 6,90 € Versand (brutto)
einmalig pro Bestellung

Lieferzeit: 5 Werktage

Pos.
41
BOSCH Gleitlager | Ersatzteile für GST 18V-125 S | 1619P08903
Hersteller: BOSCH
Artikelnummer: EB-3601EB20B0-1619P08903
Netto: 4,32 € zzgl. MwSt.
zzgl. 6,90 € Versand (brutto)
einmalig pro Bestellung

Lieferzeit: 5 Werktage

Pos.
42
BOSCH Schenkelfeder | Ersatzteile für GST 18V-125 S | 1619X08384
Hersteller: BOSCH
Artikelnummer: EB-3601EB20B0-1619X08384
Netto: 4,32 € zzgl. MwSt.
zzgl. 6,90 € Versand (brutto)
einmalig pro Bestellung

Lieferzeit: 5 Werktage

Pos.
43
BOSCH Nadelrolle | Ersatzteile für GST 18V-125 S | 1619P07139
Hersteller: BOSCH
Artikelnummer: EB-3601EB20B0-1619P07139
Netto: 4,32 € zzgl. MwSt.
zzgl. 6,90 € Versand (brutto)
einmalig pro Bestellung

Lieferzeit: 5 Werktage

Pos.
44
BOSCH Lagerbolzen | Ersatzteile für GST 18V-125 S | 1619P07143
Hersteller: BOSCH
Artikelnummer: EB-3601EB20B0-1619P07143
Netto: 3,63 € zzgl. MwSt.
zzgl. 6,90 € Versand (brutto)
einmalig pro Bestellung

Lieferzeit: 5 Werktage

Pos.
45
BOSCH Grundplatte | Ersatzteile für GST 18V-125 S | 1619P16715
Hersteller: BOSCH
Artikelnummer: EB-3601EB20B0-1619P16715
Netto: 14,36 € zzgl. MwSt.
zzgl. 6,90 € Versand (brutto)
einmalig pro Bestellung

Lieferzeit: 5 Werktage

Pos.
46
BOSCH Lagerbolzen | Ersatzteile für GST 18V-125 S | 1619P07138
Hersteller: BOSCH
Artikelnummer: EB-3601EB20B0-1619P07138
Netto: 4,53 € zzgl. MwSt.
zzgl. 6,90 € Versand (brutto)
einmalig pro Bestellung

Lieferzeit: 5 Werktage

Pos.
47
BOSCH Profilleiste | Ersatzteile für GST 18V-125 S | 2601030022
Hersteller: BOSCH
Artikelnummer: EB-3601EB20B0-2601030022
Netto: 4,53 € zzgl. MwSt.
zzgl. 6,90 € Versand (brutto)
einmalig pro Bestellung

Lieferzeit: 5 Werktage

Pos.
48
BOSCH Befestigungsplatte | Ersatzteile für GST 18V-125 S | 1619P07163
Hersteller: BOSCH
Artikelnummer: EB-3601EB20B0-1619P07163
Netto: 3,63 € zzgl. MwSt.
zzgl. 6,90 € Versand (brutto)
einmalig pro Bestellung

Lieferzeit: 5 Werktage

Pos.
49
BOSCH Sicherungsring DIN 471-4X0,4-FST | Ersatzteile für GST 18V-125 S | 2916640001
Hersteller: BOSCH
Artikelnummer: EB-3601EB20B0-2916640001
Netto: 3,63 € zzgl. MwSt.
zzgl. 6,90 € Versand (brutto)
einmalig pro Bestellung

Lieferzeit: 5 Werktage

Pos.
50
BOSCH Lichtschalter | Ersatzteile für GST 18V-125 S | 1619P16476
Hersteller: BOSCH
Artikelnummer: EB-3601EB20B0-1619P16476
Netto: 5,19 € zzgl. MwSt.
zzgl. 6,90 € Versand (brutto)
einmalig pro Bestellung

Lieferzeit: 5 Werktage

Pos.
51
BOSCH Druckfeder | Ersatzteile für GST 18V-125 S | 1609280477
Hersteller: BOSCH
Artikelnummer: EB-3601EB20B0-1609280477
Netto: 3,94 € zzgl. MwSt.
zzgl. 6,90 € Versand (brutto)
einmalig pro Bestellung

Lieferzeit: 5 Werktage

Pos.
52
BOSCH Gewindefurchschraube | Ersatzteile für GST 18V-125 S | 1613435023
Hersteller: BOSCH
Artikelnummer: EB-3601EB20B0-1613435023
Netto: 3,63 € zzgl. MwSt.
zzgl. 6,90 € Versand (brutto)
einmalig pro Bestellung

Lieferzeit: 5 Werktage

Pos.
53
BOSCH Schlüsselhalter | Ersatzteile für GST 18V-125 S | 1619P10589
Hersteller: BOSCH
Artikelnummer: EB-3601EB20B0-1619P10589
Netto: 3,94 € zzgl. MwSt.
zzgl. 6,90 € Versand (brutto)
einmalig pro Bestellung

Lieferzeit: 5 Werktage

Pos.
54
BOSCH Arbeitsplatte | Ersatzteile für GST 18V-125 S | 1619P16713
Hersteller: BOSCH
Artikelnummer: EB-3601EB20B0-1619P16713
Netto: 7,76 € zzgl. MwSt.
zzgl. 6,90 € Versand (brutto)
einmalig pro Bestellung

Lieferzeit: 5 Werktage

Pos.
57
BOSCH Torx-Linsenschraube 4X12 | Ersatzteile für GST 18V-125 S | 1619P02848
Hersteller: BOSCH
Artikelnummer: EB-3601EB20B0-1619P02848
Netto: 3,94 € zzgl. MwSt.
zzgl. 6,90 € Versand (brutto)
einmalig pro Bestellung

Lieferzeit: 5 Werktage

Pos.
58
BOSCH Rollenhebel | Ersatzteile für GST 18V-125 S | 1619P07129
Hersteller: BOSCH
Artikelnummer: EB-3601EB20B0-1619P13426
Netto: 9,52 € zzgl. MwSt.
zzgl. 6,90 € Versand (brutto)
einmalig pro Bestellung

Lieferzeit: 5 Werktage

Pos.
59
BOSCH Lagerbolzen | Ersatzteile für GST 18V-125 S | 1619P07159
Hersteller: BOSCH
Artikelnummer: EB-3601EB20B0-1619P07159
Netto: 3,63 € zzgl. MwSt.
zzgl. 6,90 € Versand (brutto)
einmalig pro Bestellung

Lieferzeit: 5 Werktage

Pos.
62
BOSCH Umschalter | Ersatzteile für GST 18V-125 S | 1619P07157
Hersteller: BOSCH
Artikelnummer: EB-3601EB20B0-1619P07157
Netto: 1,70 € zzgl. MwSt.
zzgl. 6,90 € Versand (brutto)
einmalig pro Bestellung

Lieferzeit: 5 Werktage

Pos.
63
BOSCH Schaltwelle | Ersatzteile für GST 18V-125 S | 1619P07156
Hersteller: BOSCH
Artikelnummer: EB-3601EB20B0-1619P07156
Netto: 3,94 € zzgl. MwSt.
zzgl. 6,90 € Versand (brutto)
einmalig pro Bestellung

Lieferzeit: 5 Werktage

Pos.
65
BOSCH Innensechskantschraube | Ersatzteile für GST 18V-125 S | 1619X04887
Hersteller: BOSCH
Artikelnummer: EB-3601EB20B0-1619X04887
Netto: 4,32 € zzgl. MwSt.
zzgl. 6,90 € Versand (brutto)
einmalig pro Bestellung

Lieferzeit: 5 Werktage

Pos.
67
BOSCH Schaltschieber | Ersatzteile für GST 18V-125 S | 1619P07158
Hersteller: BOSCH
Artikelnummer: EB-3601EB20B0-1619P07158
Netto: 4,82 € zzgl. MwSt.
zzgl. 6,90 € Versand (brutto)
einmalig pro Bestellung

Lieferzeit: 5 Werktage

Pos.
71
BOSCH Abdeckung | Ersatzteile für GST 18V-125 S | 1619P16199
Hersteller: BOSCH
Artikelnummer: EB-3601EB20B0-1619P16199
Netto: 14,36 € zzgl. MwSt.
zzgl. 6,90 € Versand (brutto)
einmalig pro Bestellung

Lieferzeit: 5 Werktage

Pos.
72
BOSCH Kreuzschlitzschraube DIN 7981-ST3,5X9,5-F | Ersatzteile für GST 18V-125 S | 2603435015
Hersteller: BOSCH
Artikelnummer: EB-3601EB20B0-2603435015
Netto: 4,32 € zzgl. MwSt.
zzgl. 6,90 € Versand (brutto)
einmalig pro Bestellung

Lieferzeit: 5 Werktage

Pos.
210
BOSCH Aufkleber | Ersatzteile für GST 18V-125 S | 1619P17547
Hersteller: BOSCH
Artikelnummer: EB-3601EB20B0-1619P17547
Netto: 6,70 € zzgl. MwSt.
zzgl. 6,90 € Versand (brutto)
einmalig pro Bestellung

Lieferzeit: 5 Werktage

Pos.
651
BOSCH Gleitschuh | Ersatzteile für GST 18V-125 S | 1619P16710
Hersteller: BOSCH
Artikelnummer: EB-3601EB20B0-1619P16710
Netto: 6,15 € zzgl. MwSt.
zzgl. 6,90 € Versand (brutto)
einmalig pro Bestellung

Lieferzeit: 5 Werktage

Pos.
652
BOSCH Winkelschraubendreher | Ersatzteile für GST 18V-125 S | 1619P14506
Hersteller: BOSCH
Artikelnummer: EB-3601EB20B0-1619P14506
Netto: 3,94 € zzgl. MwSt.
zzgl. 6,90 € Versand (brutto)
einmalig pro Bestellung

Lieferzeit: 5 Werktage

Pos.
653
BOSCH Spanreissschutz | Ersatzteile für GST 18V-125 S | 2601016093
Hersteller: BOSCH
Artikelnummer: EB-3601EB20B0-2601016093
Netto: 5,67 € zzgl. MwSt.
zzgl. 6,90 € Versand (brutto)
einmalig pro Bestellung

Lieferzeit: 5 Werktage

Pos.
656
BOSCH Abdeckhaube | Ersatzteile für GST 18V-125 S | 1619P07166
Hersteller: BOSCH
Artikelnummer: EB-3601EB20B0-1619P07166
Netto: 4,53 € zzgl. MwSt.
zzgl. 6,90 € Versand (brutto)
einmalig pro Bestellung

Lieferzeit: 5 Werktage

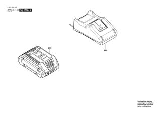
Pos.
657
BOSCH Akku-Paket BBS MR-XL, 18V, 5AH KOREA | Ersatzteile für GST 18V-125 S | 2607337085
Hersteller: BOSCH
Artikelnummer: EB-3601EB20B0-2607337085
Netto: 189,11 € zzgl. MwSt.
zzgl. 6,90 € Versand (brutto)
einmalig pro Bestellung

Lieferzeit: 5 Werktage

Pos.
669
BOSCH Schnell-Lader ROK GAL 18V-40 | Ersatzteile für GST 18V-125 S | 2607226263
Hersteller: BOSCH
Artikelnummer: EB-3601EB20B0-2607226263
nur Informationsartikel
Nie mehr lieferbar
keine Alternativen
Pos.
808
BOSCH Typschild | Ersatzteile für GST 18V-125 S | 1619P17654
Hersteller: BOSCH
Artikelnummer: EB-3601EB20B0-1619P17654
Netto: 4,53 € zzgl. MwSt.
zzgl. 6,90 € Versand (brutto)
einmalig pro Bestellung

Lieferzeit: 5 Werktage

Pos.
826
BOSCH Lagerbrücke | Ersatzteile für GST 18V-125 S | 1619P08888
Hersteller: BOSCH
Artikelnummer: EB-3601EB20B0-1619P08888
Netto: 17,38 € zzgl. MwSt.
zzgl. 6,90 € Versand (brutto)
einmalig pro Bestellung

Lieferzeit: 5 Werktage

Pos.
845
BOSCH Grundplatte | Ersatzteile für GST 18V-125 S | 1619P16712
Hersteller: BOSCH
Artikelnummer: EB-3601EB20B0-1619P16712
Netto: 17,38 € zzgl. MwSt.
zzgl. 6,90 € Versand (brutto)
einmalig pro Bestellung

Lieferzeit: 5 Werktage

Pos.
862
BOSCH Umschalter | Ersatzteile für GST 18V-125 S | 1619P08890
Hersteller: BOSCH
Artikelnummer: EB-3601EB20B0-1619P08890
Netto: 5,19 € zzgl. MwSt.
zzgl. 6,90 € Versand (brutto)
einmalig pro Bestellung

Lieferzeit: 5 Werktage

Pos.
873
BOSCH Absaugstutzen | Ersatzteile für GST 18V-125 S | 1619P17472
Hersteller: BOSCH
Artikelnummer: EB-3601EB20B0-1619P17472
Netto: 9,95 € zzgl. MwSt.
zzgl. 6,90 € Versand (brutto)
einmalig pro Bestellung

Lieferzeit: 5 Werktage

Pos.
895
BOSCH Fetttube ALBIDA | Ersatzteile für GST 18V-125 S | 3605430003
Hersteller: BOSCH
Artikelnummer: EB-3601EB20B0-3605430003
Netto: 24,13 € zzgl. MwSt.
zzgl. 6,90 € Versand (brutto)
einmalig pro Bestellung

Lieferzeit: 5 Werktage

Angaben zur Produktsicherheit

Hersteller:
Robert Bosch Power Tools GmbH
Postfach 30 02 20
70442 Stuttgart

E-Mail:
kontakt@bosch.de