BOSCH Sicherungsring DIN 472-24x1,2 MM | Ersatzteile für GST 24 V | 2916660008

Artikelnummer: EB-0601598223-2916660008

Position: 29

Marke: BOSCH


Bitte Kompatibilität prüfen!

Bitte prüfen Sie unbedingt die 10-stellige Typennummer Ihrer Maschine / Ihres Gerätes. Das Ersatzteil ist nur kompatibel, wenn Sie die Typennummer Ihrer Maschine in der unten stehenden Produktbeschreibung finden.

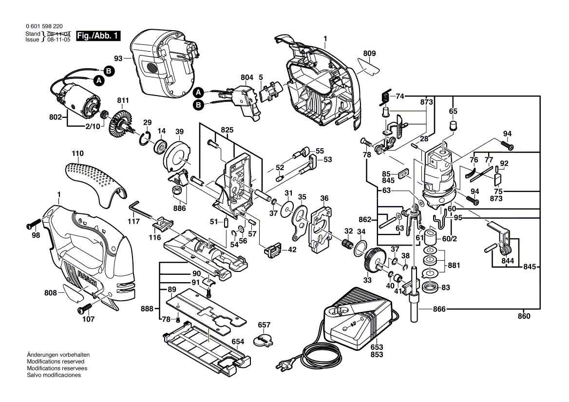
Bitte prüfen Sie ebenfalls detailliert die Explosionszeichnung mit Ihrem Artikelwunsch und der jeweiligen Pos-Nummer.

Alle Elemente, welche vom schwarzen Strich der Pos-Nummer ausgehend berührt / erfasst werden, gehören zu dieser Pos-Nummer und somit zu diesem Artikel. Jede Pos-Nummer ist ein eigenständiger Artikel, welchen Sie in der Auflistung finden.

Sie erhalten stets die aktuellste, neueste Produktversion zu der gewählten Pos-Nummer seitens des Herstellers. Es kann daher je nach Gerätealter vorkommen, dass Sie ggf. weitere, zugehörige Elemente, welche an diese Pos-Nummer grenzen, ebenfalls mittauschen müssen.

Nähere Informationen finden Sie unter dem Link
Hinweise zu Ihrer BOSCH Ersatzteilsuche

Preisübersicht

Einzelpreis: 4,32 €* (Brutto: 5,14 €)
Gesamtpreis: 4,32 €* 
Position:

Lieferzeit: 5 Werktage


Beschreibung

  • Sicherungsring DIN 472-24x1,2 MM
  • Original Bosch Zubehör / BOSCH Ersatzteil (2916660008)
  • im Gerät verbaut: 1
Dieses BOSCH Ersatzteil ist mit folgendem Gerät und Modell kompatibel:
  • BOSCH Gerätename: GST 24 V
  • BOSCH Explosionszeichnung: Position 29
  • BOSCH Typennummer: 0601598223
  • BOSCH Typennummer alternative Schreibweisen: 0 601 598 223, 0601 598 223, 0.601.598.223, 0-601-598-223
    Bitte prüfen Sie diese Typennummer auf Ihrem Gerät um die Kompatibilität des BOSCH Ersatzteils zu gewährleisten.
Weitere BOSCH Ersatzteile des Gerätes GST 24 V (Akku-Stichsäge) mit der Typennummer 0601598223 finden Sie in der nachfolgenden Darstellung und im Dropdown zu Ihrer Auswahl:

Pos.
1
BOSCH Gehäuseschale | Ersatzteile für GST 24 V | 2605105019
Hersteller: BOSCH
Artikelnummer: EB-0601598223-2605105019
nur Informationsartikel
Nie mehr lieferbar
keine Alternativen
Pos.
2/10
BOSCH Kupplungsteil | Ersatzteile für GST 24 V | 2606490088
Hersteller: BOSCH
Artikelnummer: EB-0601598223-2606490088
Netto: 6,27 € zzgl. MwSt.
zzgl. 6,90 € Versand (brutto)
einmalig pro Bestellung

Lieferzeit: 5 Werktage

Pos.
60/2
BOSCH Lagerbuchse | Ersatzteile für GST 24 V | 2600301037
Hersteller: BOSCH
Artikelnummer: EB-0601598223-2600301037
Netto: 3,94 € zzgl. MwSt.
zzgl. 6,90 € Versand (brutto)
einmalig pro Bestellung

Lieferzeit: 5 Werktage

Pos.
5
BOSCH Sperrhebel | Ersatzteile für GST 24 V | 2601099120
Hersteller: BOSCH
Artikelnummer: EB-0601598223-2601099120
Netto: 4,36 € zzgl. MwSt.
zzgl. 6,90 € Versand (brutto)
einmalig pro Bestellung

Lieferzeit: 5 Werktage

Pos.
14
BOSCH Kugellager 9x24x7 | Ersatzteile für GST 24 V | 2600905095
Hersteller: BOSCH
Artikelnummer: EB-0601598223-2600905095
Netto: 10,62 € zzgl. MwSt.
zzgl. 6,90 € Versand (brutto)
einmalig pro Bestellung

Lieferzeit: 5 Werktage

Pos.
28
BOSCH Nadelrolle DIN 5402-A3x11,8-G2 | Ersatzteile für GST 24 V | 1903201042
Hersteller: BOSCH
Artikelnummer: EB-0601598223-1903201042
Netto: 4,36 € zzgl. MwSt.
zzgl. 6,90 € Versand (brutto)
einmalig pro Bestellung

Lieferzeit: 5 Werktage

Pos.
29
BOSCH Sicherungsring DIN 472-24x1,2 MM | Ersatzteile für GST 24 V | 2916660008
Hersteller: BOSCH
Artikelnummer: EB-0601598223-2916660008
Netto: 4,36 € zzgl. MwSt.
zzgl. 6,90 € Versand (brutto)
einmalig pro Bestellung

Lieferzeit: 5 Werktage

Pos.
31
BOSCH Ausgleichscheibe 0,5 MM | Ersatzteile für GST 24 V | 2600101048
Hersteller: BOSCH
Artikelnummer: EB-0601598223-2600101048
Netto: 3,94 € zzgl. MwSt.
zzgl. 6,90 € Versand (brutto)
einmalig pro Bestellung

Lieferzeit: 5 Werktage

Pos.
32
BOSCH Nadelkranz | Ersatzteile für GST 24 V | 2600913040
Hersteller: BOSCH
Artikelnummer: EB-0601598223-2600913040
Netto: 6,75 € zzgl. MwSt.
zzgl. 6,90 € Versand (brutto)
einmalig pro Bestellung

Lieferzeit: 5 Werktage

Pos.
33
BOSCH Exzenterzahnrad | Ersatzteile für GST 24 V | 2606320088
Hersteller: BOSCH
Artikelnummer: EB-0601598223-2606320088
nur Informationsartikel
Nie mehr lieferbar
keine Alternativen
Pos.
34
BOSCH Ausgleichscheibe 0,5 MM | Ersatzteile für GST 24 V | 2600102614
Hersteller: BOSCH
Artikelnummer: EB-0601598223-2600102614
nur Informationsartikel
Nie mehr lieferbar
keine Alternativen
Pos.
35
BOSCH Gabelhebel | Ersatzteile für GST 24 V | 2601923010
Hersteller: BOSCH
Artikelnummer: EB-0601598223-2601923010
nur Informationsartikel
Nie mehr lieferbar
keine Alternativen
Pos.
36
BOSCH Ausgleichgewicht | Ersatzteile für GST 24 V | 2601098032
Hersteller: BOSCH
Artikelnummer: EB-0601598223-2601098032
Netto: 12,50 € zzgl. MwSt.
zzgl. 6,90 € Versand (brutto)
einmalig pro Bestellung

Lieferzeit: 5 Werktage

Pos.
37
BOSCH Ausgleichscheibe 0,3 MM | Ersatzteile für GST 24 V | 2600101047
Hersteller: BOSCH
Artikelnummer: EB-0601598223-2600101047
Netto: 3,94 € zzgl. MwSt.
zzgl. 6,90 € Versand (brutto)
einmalig pro Bestellung

Lieferzeit: 5 Werktage

Pos.
38
BOSCH Sicherungsscheibe DIN 6799-6-FST | Ersatzteile für GST 24 V | 2916080909
Hersteller: BOSCH
Artikelnummer: EB-0601598223-2916080909
Netto: 3,60 € zzgl. MwSt.
zzgl. 6,90 € Versand (brutto)
einmalig pro Bestellung

Lieferzeit: 5 Werktage

Pos.
39
BOSCH Luftleitring | Ersatzteile für GST 24 V | 2600290051
Hersteller: BOSCH
Artikelnummer: EB-0601598223-2600290051
nur Informationsartikel
Nie mehr lieferbar
keine Alternativen
Pos.
40
BOSCH Zwischenring | Ersatzteile für GST 24 V | 2600200038
Hersteller: BOSCH
Artikelnummer: EB-0601598223-2600200038
nur Informationsartikel
Nie mehr lieferbar
keine Alternativen
Pos.
41
BOSCH Nadelhülse | Ersatzteile für GST 24 V | 2600917900
Hersteller: BOSCH
Artikelnummer: EB-0601598223-2600917900
nur Informationsartikel
Nie mehr lieferbar
keine Alternativen
Pos.
42
BOSCH Luftabscheider | Ersatzteile für GST 24 V | 2602305050
Hersteller: BOSCH
Artikelnummer: EB-0601598223-2602305050
Netto: 4,56 € zzgl. MwSt.
zzgl. 6,90 € Versand (brutto)
einmalig pro Bestellung

Lieferzeit: 5 Werktage

Pos.
51
BOSCH Lagerbolzen | Ersatzteile für GST 24 V | 2603105053
Hersteller: BOSCH
Artikelnummer: EB-0601598223-2603105053
Netto: 3,60 € zzgl. MwSt.
zzgl. 6,90 € Versand (brutto)
einmalig pro Bestellung

Lieferzeit: 5 Werktage

Pos.
52
BOSCH Rastkappe | Ersatzteile für GST 24 V | 2600590006
Hersteller: BOSCH
Artikelnummer: EB-0601598223-2600590006
Netto: 3,94 € zzgl. MwSt.
zzgl. 6,90 € Versand (brutto)
einmalig pro Bestellung

Lieferzeit: 5 Werktage

Pos.
53
BOSCH Drehknopf SCHWARZ | Ersatzteile für GST 24 V | 2602026063
Hersteller: BOSCH
Artikelnummer: EB-0601598223-2602026063
Netto: 4,56 € zzgl. MwSt.
zzgl. 6,90 € Versand (brutto)
einmalig pro Bestellung

Lieferzeit: 5 Werktage

Pos.
54
BOSCH Sicherungsscheibe 5 DIN 6799 | Ersatzteile für GST 24 V | 2916080908
Hersteller: BOSCH
Artikelnummer: EB-0601598223-2916080908
Netto: 3,60 € zzgl. MwSt.
zzgl. 6,90 € Versand (brutto)
einmalig pro Bestellung

Lieferzeit: 5 Werktage

Pos.
55
BOSCH Drehknopf SCHWARZ | Ersatzteile für GST 24 V | 2602026065
Hersteller: BOSCH
Artikelnummer: EB-0601598223-2602026065
Netto: 4,36 € zzgl. MwSt.
zzgl. 6,90 € Versand (brutto)
einmalig pro Bestellung

Lieferzeit: 5 Werktage

Pos.
56
BOSCH Ausgleichscheibe 0,3 MM | Ersatzteile für GST 24 V | 2600100607
Hersteller: BOSCH
Artikelnummer: EB-0601598223-2600100607
Netto: 3,94 € zzgl. MwSt.
zzgl. 6,90 € Versand (brutto)
einmalig pro Bestellung

Lieferzeit: 5 Werktage

Pos.
57
BOSCH Zylinderstift 17,35+0,1 MM | Ersatzteile für GST 24 V | 2603100069
Hersteller: BOSCH
Artikelnummer: EB-0601598223-2603100069
Netto: 3,94 € zzgl. MwSt.
zzgl. 6,90 € Versand (brutto)
einmalig pro Bestellung

Lieferzeit: 5 Werktage

Pos.
60
BOSCH Getriebedeckel | Ersatzteile für GST 24 V | 2605808081
Hersteller: BOSCH
Artikelnummer: EB-0601598223-2605808081
nur Informationsartikel
Nie mehr lieferbar
keine Alternativen
Pos.
61
BOSCH Druckfeder | Ersatzteile für GST 24 V | 2604610042
Hersteller: BOSCH
Artikelnummer: EB-0601598223-2604610042
Netto: 3,94 € zzgl. MwSt.
zzgl. 6,90 € Versand (brutto)
einmalig pro Bestellung

Lieferzeit: 5 Werktage

Pos.
63
BOSCH Ausgleichscheibe | Ersatzteile für GST 24 V | 2600101095
Hersteller: BOSCH
Artikelnummer: EB-0601598223-2600101095
Netto: 3,94 € zzgl. MwSt.
zzgl. 6,90 € Versand (brutto)
einmalig pro Bestellung

Lieferzeit: 5 Werktage

Pos.
65
BOSCH Dichtung | Ersatzteile für GST 24 V | 2601015064
Hersteller: BOSCH
Artikelnummer: EB-0601598223-2601015064
Netto: 3,94 € zzgl. MwSt.
zzgl. 6,90 € Versand (brutto)
einmalig pro Bestellung

Lieferzeit: 5 Werktage

Pos.
74
BOSCH Drehfeder | Ersatzteile für GST 24 V | 2604651011
Hersteller: BOSCH
Artikelnummer: EB-0601598223-2604651011
Netto: 4,80 € zzgl. MwSt.
zzgl. 6,90 € Versand (brutto)
einmalig pro Bestellung

Lieferzeit: 5 Werktage

Pos.
75
BOSCH Griffkappe SCHWARZ | Ersatzteile für GST 24 V | 2600591010
Hersteller: BOSCH
Artikelnummer: EB-0601598223-2600591010
Netto: 4,56 € zzgl. MwSt.
zzgl. 6,90 € Versand (brutto)
einmalig pro Bestellung

Lieferzeit: 5 Werktage

Pos.
76
BOSCH Dichtung | Ersatzteile für GST 24 V | 2601015065
Hersteller: BOSCH
Artikelnummer: EB-0601598223-2601015065
Netto: 3,94 € zzgl. MwSt.
zzgl. 6,90 € Versand (brutto)
einmalig pro Bestellung

Lieferzeit: 5 Werktage

Pos.
77
BOSCH Abdeckplatte | Ersatzteile für GST 24 V | 2601016079
Hersteller: BOSCH
Artikelnummer: EB-0601598223-2601016079
Netto: 6,27 € zzgl. MwSt.
zzgl. 6,90 € Versand (brutto)
einmalig pro Bestellung

Lieferzeit: 5 Werktage

Pos.
78
BOSCH Gewindefurchschraube | Ersatzteile für GST 24 V | 2603421014
Hersteller: BOSCH
Artikelnummer: EB-0601598223-2603421014
nur Informationsartikel
Nie mehr lieferbar
keine Alternativen
Pos.
83
BOSCH Haltering | Ersatzteile für GST 24 V | 2600202037
Hersteller: BOSCH
Artikelnummer: EB-0601598223-2600202037
Netto: 4,36 € zzgl. MwSt.
zzgl. 6,90 € Versand (brutto)
einmalig pro Bestellung

Lieferzeit: 5 Werktage

Pos.
85
BOSCH Abdichtplatte | Ersatzteile für GST 24 V | 2601015057
Hersteller: BOSCH
Artikelnummer: EB-0601598223-2601015057
nur Informationsartikel
Nie mehr lieferbar
keine Alternativen
Pos.
89
BOSCH Arbeitsplatte | Ersatzteile für GST 24 V | 2601098096
Hersteller: BOSCH
Artikelnummer: EB-0601598223-2601098096
Netto: 6,75 € zzgl. MwSt.
zzgl. 6,90 € Versand (brutto)
einmalig pro Bestellung

Lieferzeit: 5 Werktage

Pos.
90
BOSCH Profilleiste | Ersatzteile für GST 24 V | 2601030022
Hersteller: BOSCH
Artikelnummer: EB-0601598223-2601030022
Netto: 4,56 € zzgl. MwSt.
zzgl. 6,90 € Versand (brutto)
einmalig pro Bestellung

Lieferzeit: 5 Werktage

Pos.
91
BOSCH Innensechskantschraube DIN 912-M6x16-8.8 | Ersatzteile für GST 24 V | 2910141197
Hersteller: BOSCH
Artikelnummer: EB-0601598223-2910141197
Netto: 3,60 € zzgl. MwSt.
zzgl. 6,90 € Versand (brutto)
einmalig pro Bestellung

Lieferzeit: 5 Werktage

Pos.
92
BOSCH Spannstift 2x6 DIN 1481 | Ersatzteile für GST 24 V | 2917760034
Hersteller: BOSCH
Artikelnummer: EB-0601598223-2917760034
Netto: 3,60 € zzgl. MwSt.
zzgl. 6,90 € Versand (brutto)
einmalig pro Bestellung

Lieferzeit: 5 Werktage

Pos.
93
BOSCH Akku-Paket 24V,2,0Ah,NiCd | Ersatzteile für GST 24 V | 2607335445
Hersteller: BOSCH
Artikelnummer: EB-0601598223-2607335445
nur Informationsartikel
Nie mehr lieferbar
keine Alternativen
Pos.
93
BOSCH Akku-Paket 24V,2,6Ah,NiMh | Ersatzteile für GST 24 V | 2607335561
Hersteller: BOSCH
Artikelnummer: EB-0601598223-2607335561
nur Informationsartikel
Nie mehr lieferbar
keine Alternativen
Pos.
93
BOSCH Akku-Paket 24V,3,0Ah,NiMh | Ersatzteile für GST 24 V | 2607335509
Hersteller: BOSCH
Artikelnummer: EB-0601598223-2607335509
nur Informationsartikel
Nie mehr lieferbar
keine Alternativen
Pos.
94
BOSCH Gewindefurchschraube M4x12 MM | Ersatzteile für GST 24 V | 2603410049
Hersteller: BOSCH
Artikelnummer: EB-0601598223-2603410049
Netto: 3,94 € zzgl. MwSt.
zzgl. 6,90 € Versand (brutto)
einmalig pro Bestellung

Lieferzeit: 5 Werktage

Pos.
95
BOSCH Schutzbügel SCHWARZ | Ersatzteile für GST 24 V | 2603101046
Hersteller: BOSCH
Artikelnummer: EB-0601598223-2603101046
nur Informationsartikel
Nie mehr lieferbar
keine Alternativen
Pos.
98
BOSCH Torx-Linsenschraube 3x18 | Ersatzteile für GST 24 V | 2603490018
Hersteller: BOSCH
Artikelnummer: EB-0601598223-2603490018
nur Informationsartikel
Nie mehr lieferbar
keine Alternativen
Pos.
107
BOSCH Torx-Linsenschraube 4x20 | Ersatzteile für GST 24 V | 2603490023
Hersteller: BOSCH
Artikelnummer: EB-0601598223-2603490023
Netto: 3,60 € zzgl. MwSt.
zzgl. 6,90 € Versand (brutto)
einmalig pro Bestellung

Lieferzeit: 5 Werktage

Pos.
110
BOSCH Griffschale | Ersatzteile für GST 24 V | 2608040204
Hersteller: BOSCH
Artikelnummer: EB-0601598223-2608040204
Netto: 10,62 € zzgl. MwSt.
zzgl. 6,90 € Versand (brutto)
einmalig pro Bestellung

Lieferzeit: 5 Werktage

Pos.
116
BOSCH Schlüsselhalter | Ersatzteile für GST 24 V | 2608000313
Hersteller: BOSCH
Artikelnummer: EB-0601598223-2608000313
nur Informationsartikel
Nie mehr lieferbar
keine Alternativen
Pos.
117
BOSCH Innensechskantschlüssel 5 MM | Ersatzteile für GST 24 V | 2610364015
Hersteller: BOSCH
Artikelnummer: EB-0601598223-2610364015
Netto: 5,17 € zzgl. MwSt.
zzgl. 6,90 € Versand (brutto)
einmalig pro Bestellung

Lieferzeit: 5 Werktage

Pos.
653
BOSCH Schnell-Lader AUS 240/7,2-24V, 1h | Ersatzteile für GST 24 V | 2607224429
Hersteller: BOSCH
Artikelnummer: EB-0601598223-2607224429
Netto: 91,88 € zzgl. MwSt.
zzgl. 6,90 € Versand (brutto)
einmalig pro Bestellung

Lieferzeit: 5 Werktage

Pos.
653
BOSCH Schnell-Lader AUS 240/7,2-24V, 30 MIN. | Ersatzteile für GST 24 V | 2607225031
Hersteller: BOSCH
Artikelnummer: EB-0601598223-2607225031
Netto: 90,22 € zzgl. MwSt.
zzgl. 6,90 € Versand (brutto)
einmalig pro Bestellung

Lieferzeit: 5 Werktage

Pos.
653
BOSCH Schnell-Lader BR 220/7,2-24V, 1h | Ersatzteile für GST 24 V | 2607224983
Hersteller: BOSCH
Artikelnummer: EB-0601598223-2607224983
Netto: 74,05 € zzgl. MwSt.
zzgl. 6,90 € Versand (brutto)
einmalig pro Bestellung

Lieferzeit: 5 Werktage

Pos.
653
BOSCH Schnell-Lader EU 230/7,2-24V, 1h | Ersatzteile für GST 24 V | 2607224425
Hersteller: BOSCH
Artikelnummer: EB-0601598223-2607224425
nur Informationsartikel
Nie mehr lieferbar
keine Alternativen
Pos.
653
BOSCH Schnell-Lader EU 230/7,2-24V, 30 MIN. | Ersatzteile für GST 24 V | 2607225027
Hersteller: BOSCH
Artikelnummer: EB-0601598223-2607225027
Netto: 101,78 € zzgl. MwSt.
zzgl. 6,90 € Versand (brutto)
einmalig pro Bestellung

Lieferzeit: 5 Werktage

Pos.
653
BOSCH Schnell-Lader GB 230/7,2-24V, 1h | Ersatzteile für GST 24 V | 2607224427
Hersteller: BOSCH
Artikelnummer: EB-0601598223-2607224427
Netto: 82,83 € zzgl. MwSt.
zzgl. 6,90 € Versand (brutto)
einmalig pro Bestellung

Lieferzeit: 5 Werktage

Pos.
653
BOSCH Schnell-Lader GB 230/7,2-24V, 30 MIN. | Ersatzteile für GST 24 V | 2607225029
Hersteller: BOSCH
Artikelnummer: EB-0601598223-2607225029
nur Informationsartikel
Nie mehr lieferbar
keine Alternativen
Pos.
653
BOSCH Schnell-Lader J 100/7,2-24V, 1h | Ersatzteile für GST 24 V | 2607224435
Hersteller: BOSCH
Artikelnummer: EB-0601598223-2607224435
Netto: 101,78 € zzgl. MwSt.
zzgl. 6,90 € Versand (brutto)
einmalig pro Bestellung

Lieferzeit: 5 Werktage

Pos.
654
BOSCH Gleitschuh | Ersatzteile für GST 24 V | 2608000294
Hersteller: BOSCH
Artikelnummer: EB-0601598223-2608000294
Netto: 8,23 € zzgl. MwSt.
zzgl. 6,90 € Versand (brutto)
einmalig pro Bestellung

Lieferzeit: 5 Werktage

Pos.
657
BOSCH Spanreissschutz | Ersatzteile für GST 24 V | 2601016065
Hersteller: BOSCH
Artikelnummer: EB-0601598223-2601016065
nur Informationsartikel
Nie mehr lieferbar
keine Alternativen
Pos.
802
BOSCH Gleichstrommotor 24V | Ersatzteile für GST 24 V | 2607022879
Hersteller: BOSCH
Artikelnummer: EB-0601598223-2607022879
Netto: 61,64 € zzgl. MwSt.
zzgl. 6,90 € Versand (brutto)
einmalig pro Bestellung

Lieferzeit: 5 Werktage

Pos.
804
BOSCH Ein/Aus-Schalter | Ersatzteile für GST 24 V | 2607200413
Hersteller: BOSCH
Artikelnummer: EB-0601598223-2607200413
nur Informationsartikel
Nie mehr lieferbar
keine Alternativen
Pos.
808
BOSCH Typschild | Ersatzteile für GST 24 V | 2601116160
Hersteller: BOSCH
Artikelnummer: EB-0601598223-2601116160
nur Informationsartikel
Nie mehr lieferbar
keine Alternativen
Pos.
809
BOSCH Firmenschild | Ersatzteile für GST 24 V | 2601116131
Hersteller: BOSCH
Artikelnummer: EB-0601598223-2601116131
nur Informationsartikel
Nie mehr lieferbar
keine Alternativen
Pos.
811
BOSCH Kupplungshälfte | Ersatzteile für GST 24 V | 2606445901
Hersteller: BOSCH
Artikelnummer: EB-0601598223-2606445901
nur Informationsartikel
Nie mehr lieferbar
keine Alternativen
Pos.
825
BOSCH Getriebegehäuse | Ersatzteile für GST 24 V | 2605806896
Hersteller: BOSCH
Artikelnummer: EB-0601598223-2605806896
Netto: 38,40 € zzgl. MwSt.
zzgl. 6,90 € Versand (brutto)
einmalig pro Bestellung

Lieferzeit: 5 Werktage

Pos.
844
BOSCH Rollensatz | Ersatzteile für GST 24 V | 2600326904
Hersteller: BOSCH
Artikelnummer: EB-0601598223-2600326904
nur Informationsartikel
Nie mehr lieferbar
keine Alternativen
Pos.
845
BOSCH Rollenhebel | Ersatzteile für GST 24 V | 2601321904
Hersteller: BOSCH
Artikelnummer: EB-0601598223-2601321904
nur Informationsartikel
Nie mehr lieferbar
keine Alternativen
Pos.
860
BOSCH Getriebedeckel | Ersatzteile für GST 24 V | 2605808927
Hersteller: BOSCH
Artikelnummer: EB-0601598223-2605808927
nur Informationsartikel
Nie mehr lieferbar
keine Alternativen
Pos.
862
BOSCH Führungsbügel | Ersatzteile für GST 24 V | 2601322900
Hersteller: BOSCH
Artikelnummer: EB-0601598223-2601322900
Netto: 11,78 € zzgl. MwSt.
zzgl. 6,90 € Versand (brutto)
einmalig pro Bestellung

Lieferzeit: 5 Werktage

Pos.
866
BOSCH Hubstange | Ersatzteile für GST 24 V | 2600780911
Hersteller: BOSCH
Artikelnummer: EB-0601598223-2600780911
nur Informationsartikel
Nie mehr lieferbar
keine Alternativen
Pos.
873
BOSCH Halteblech | Ersatzteile für GST 24 V | 2601990906
Hersteller: BOSCH
Artikelnummer: EB-0601598223-2601990906
nur Informationsartikel
Nie mehr lieferbar
keine Alternativen
Pos.
881
BOSCH Dichtungssatz | Ersatzteile für GST 24 V | 2600290902
Hersteller: BOSCH
Artikelnummer: EB-0601598223-2600290902
nur Informationsartikel
Nie mehr lieferbar
keine Alternativen
Pos.
886
BOSCH Lüfterdeckel | Ersatzteile für GST 24 V | 2605500911
Hersteller: BOSCH
Artikelnummer: EB-0601598223-2605500911
nur Informationsartikel
Nie mehr lieferbar
keine Alternativen
Pos.
888
BOSCH Grundplatte | Ersatzteile für GST 24 V | 2608000924
Hersteller: BOSCH
Artikelnummer: EB-0601598223-2608000924
Netto: 23,72 € zzgl. MwSt.
zzgl. 6,90 € Versand (brutto)
einmalig pro Bestellung

Lieferzeit: 5 Werktage

Angaben zur Produktsicherheit

Hersteller:
Robert Bosch Power Tools GmbH
Postfach 30 02 20
70442 Stuttgart

E-Mail:
kontakt@bosch.de