BOSCH Federring DIN 128-A4-FST | Ersatzteile für GST 55 P | 2916690003

Artikelnummer: EB-0601579012-2916690003

Position: 7

Marke: BOSCH


Bitte Kompatibilität prüfen!

Bitte prüfen Sie unbedingt die 10-stellige Typennummer Ihrer Maschine / Ihres Gerätes. Das Ersatzteil ist nur kompatibel, wenn Sie die Typennummer Ihrer Maschine in der unten stehenden Produktbeschreibung finden.

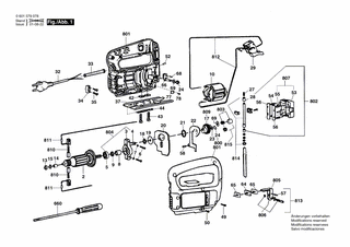
Bitte prüfen Sie ebenfalls detailliert die Explosionszeichnung mit Ihrem Artikelwunsch und der jeweiligen Pos-Nummer.

Alle Elemente, welche vom schwarzen Strich der Pos-Nummer ausgehend berührt / erfasst werden, gehören zu dieser Pos-Nummer und somit zu diesem Artikel. Jede Pos-Nummer ist ein eigenständiger Artikel, welchen Sie in der Auflistung finden.

Sie erhalten stets die aktuellste, neueste Produktversion zu der gewählten Pos-Nummer seitens des Herstellers. Es kann daher je nach Gerätealter vorkommen, dass Sie ggf. weitere, zugehörige Elemente, welche an diese Pos-Nummer grenzen, ebenfalls mittauschen müssen.

Nähere Informationen finden Sie unter dem Link
Hinweise zu Ihrer BOSCH Ersatzteilsuche

Preisübersicht

Einzelpreis: 3,63 €* (Brutto: 4,32 €)
Gesamtpreis: 3,63 €* 
Position:

Lieferzeit: 5 Werktage


Beschreibung

  • Federring DIN 128-A4-FST
  • Original Bosch Zubehör / BOSCH Ersatzteil (2916690003)
  • im Gerät verbaut: 1
Dieses BOSCH Ersatzteil ist mit folgendem Gerät und Modell kompatibel:
  • BOSCH Gerätename: GST 55 P
  • BOSCH Explosionszeichnung: Position 7
  • BOSCH Typennummer: 0601579012
  • BOSCH Typennummer alternative Schreibweisen: 0 601 579 012, 0601 579 012, 0.601.579.012, 0-601-579-012
    Bitte prüfen Sie diese Typennummer auf Ihrem Gerät um die Kompatibilität des BOSCH Ersatzteils zu gewährleisten.
Weitere BOSCH Ersatzteile des Gerätes GST 55 P (Gw-Pendelstichsäge) mit der Typennummer 0601579012 finden Sie in der nachfolgenden Darstellung und im Dropdown zu Ihrer Auswahl:

Pos.
2
BOSCH Anker 110-127V | Ersatzteile für GST 55 P | 2604010557
Hersteller: BOSCH
Artikelnummer: EB-0601579012-2604010557
nur Informationsartikel
Nie mehr lieferbar
keine Alternativen
Pos.
3
BOSCH Lagerbrücke | Ersatzteile für GST 55 P | 1619P02422
Hersteller: BOSCH
Artikelnummer: EB-0601579012-1619P02422
Netto: 11,58 € zzgl. MwSt.
zzgl. 6,90 € Versand (brutto)
einmalig pro Bestellung

Lieferzeit: 5 Werktage

Pos.
4
BOSCH Lagerbolzen | Ersatzteile für GST 55 P | 2603105027
Hersteller: BOSCH
Artikelnummer: EB-0601579012-2603105027
nur Informationsartikel
Nie mehr lieferbar
keine Alternativen
Pos.
5
BOSCH Rillenkugellager 9x24x7 | Ersatzteile für GST 55 P | 2600905021
Hersteller: BOSCH
Artikelnummer: EB-0601579012-2600905021
Netto: 8,23 € zzgl. MwSt.
zzgl. 6,90 € Versand (brutto)
einmalig pro Bestellung

Lieferzeit: 5 Werktage

Pos.
6
BOSCH Zylinderschraube DIN 84-AM4x18-5.8 | Ersatzteile für GST 55 P | 2910011128
Hersteller: BOSCH
Artikelnummer: EB-0601579012-2910011128
Netto: 3,60 € zzgl. MwSt.
zzgl. 6,90 € Versand (brutto)
einmalig pro Bestellung

Lieferzeit: 5 Werktage

Pos.
7
BOSCH Federring DIN 128-A4-FST | Ersatzteile für GST 55 P | 2916690003
Hersteller: BOSCH
Artikelnummer: EB-0601579012-2916690003
Netto: 3,60 € zzgl. MwSt.
zzgl. 6,90 € Versand (brutto)
einmalig pro Bestellung

Lieferzeit: 5 Werktage

Pos.
8
BOSCH Führungshülse | Ersatzteile für GST 55 P | 2600400024
Hersteller: BOSCH
Artikelnummer: EB-0601579012-2600400024
Netto: 4,80 € zzgl. MwSt.
zzgl. 6,90 € Versand (brutto)
einmalig pro Bestellung

Lieferzeit: 5 Werktage

Pos.
9
BOSCH Stützscheibe | Ersatzteile für GST 55 P | 2600103013
Hersteller: BOSCH
Artikelnummer: EB-0601579012-2600103013
nur Informationsartikel
Nie mehr lieferbar
keine Alternativen
Pos.
10
BOSCH Polschuh 115V | Ersatzteile für GST 55 P | 2604220391
Hersteller: BOSCH
Artikelnummer: EB-0601579012-2604220391
nur Informationsartikel
Nie mehr lieferbar
keine Alternativen
Pos.
13
BOSCH Filzring | Ersatzteile für GST 55 P | 1600205023
Hersteller: BOSCH
Artikelnummer: EB-0601579012-1600205023
nur Informationsartikel
Nie mehr lieferbar
keine Alternativen
Pos.
14
BOSCH Sinterbuchse | Ersatzteile für GST 55 P | 1600301900
Hersteller: BOSCH
Artikelnummer: EB-0601579012-1600301900
nur Informationsartikel
Nie mehr lieferbar
keine Alternativen
Pos.
15
BOSCH O-Ring 8,0x2,5 MM | Ersatzteile für GST 55 P | 1610210014
Hersteller: BOSCH
Artikelnummer: EB-0601579012-1610210014
nur Informationsartikel
Nie mehr lieferbar
keine Alternativen
Pos.
17
BOSCH Exzenterzahnrad | Ersatzteile für GST 55 P | 9618082865
Hersteller: BOSCH
Artikelnummer: EB-0601579012-9618082865
nur Informationsartikel
Nie mehr lieferbar
keine Alternativen
Pos.
18
BOSCH Federscheibe | Ersatzteile für GST 55 P | 2600150050
Hersteller: BOSCH
Artikelnummer: EB-0601579012-2600150050
nur Informationsartikel
Nie mehr lieferbar
keine Alternativen
Pos.
19
BOSCH Ausgleichscheibe 0,2 MM | Ersatzteile für GST 55 P | 2600102656
Hersteller: BOSCH
Artikelnummer: EB-0601579012-2600102656
nur Informationsartikel
Nie mehr lieferbar
keine Alternativen
Pos.
19
BOSCH Ausgleichscheibe 0,5 MM | Ersatzteile für GST 55 P | 2600102658
Hersteller: BOSCH
Artikelnummer: EB-0601579012-2600102658
nur Informationsartikel
Nie mehr lieferbar
keine Alternativen
Pos.
20
BOSCH Ausgleichgewicht | Ersatzteile für GST 55 P | 2601098005
Hersteller: BOSCH
Artikelnummer: EB-0601579012-2601098005
nur Informationsartikel
Nie mehr lieferbar
keine Alternativen
Pos.
21
BOSCH Ausgleichscheibe 0,3 MM | Ersatzteile für GST 55 P | 2600101083
Hersteller: BOSCH
Artikelnummer: EB-0601579012-2600101083
nur Informationsartikel
Nie mehr lieferbar
keine Alternativen
Pos.
22
BOSCH Gabelhebel | Ersatzteile für GST 55 P | 2601923003
Hersteller: BOSCH
Artikelnummer: EB-0601579012-2601923003
nur Informationsartikel
Nie mehr lieferbar
keine Alternativen
Pos.
23
BOSCH Ausgleichscheibe 0,3 MM | Ersatzteile für GST 55 P | 2600101654
Hersteller: BOSCH
Artikelnummer: EB-0601579012-2600101654
Netto: 3,94 € zzgl. MwSt.
zzgl. 6,90 € Versand (brutto)
einmalig pro Bestellung

Lieferzeit: 5 Werktage

Pos.
24
BOSCH Sicherungsscheibe DIN 6799-5-FSt | Ersatzteile für GST 55 P | 2916080008
Hersteller: BOSCH
Artikelnummer: EB-0601579012-2916080008
nur Informationsartikel
Nie mehr lieferbar
keine Alternativen
Pos.
27
BOSCH Zylinderschraube | Ersatzteile für GST 55 P | 2603400001
Hersteller: BOSCH
Artikelnummer: EB-0601579012-2603400001
nur Informationsartikel
Nie mehr lieferbar
keine Alternativen
Pos.
28
BOSCH Sinterbuchse | Ersatzteile für GST 55 P | 2600301049
Hersteller: BOSCH
Artikelnummer: EB-0601579012-2600301049
nur Informationsartikel
Nie mehr lieferbar
keine Alternativen
Pos.
29
BOSCH Ein/Aus-Schalter | Ersatzteile für GST 55 P | 9618086703
Hersteller: BOSCH
Artikelnummer: EB-0601579012-9618086703
Netto: 6,75 € zzgl. MwSt.
zzgl. 6,90 € Versand (brutto)
einmalig pro Bestellung

Lieferzeit: 5 Werktage

Pos.
32
BOSCH Netzanschlussleitung SAM 2,00m 2 x 0,75mm H05 VVF | Ersatzteile für GST 55 P | F000609057
Hersteller: BOSCH
Artikelnummer: EB-0601579012-F000609057
nur Informationsartikel
Nie mehr lieferbar
keine Alternativen
Pos.
33
BOSCH Tülle | Ersatzteile für GST 55 P | 9618084341
Hersteller: BOSCH
Artikelnummer: EB-0601579012-9618084341
nur Informationsartikel
Nie mehr lieferbar
keine Alternativen
Pos.
34
BOSCH Leitungshalter | Ersatzteile für GST 55 P | 2601035001
Hersteller: BOSCH
Artikelnummer: EB-0601579012-2601035001
Netto: 3,94 € zzgl. MwSt.
zzgl. 6,90 € Versand (brutto)
einmalig pro Bestellung

Lieferzeit: 5 Werktage

Pos.
35
BOSCH Blechschraube 4x16 MM | Ersatzteile für GST 55 P | 9618087099
Hersteller: BOSCH
Artikelnummer: EB-0601579012-9618087099
nur Informationsartikel
Nie mehr lieferbar
keine Alternativen
Pos.
37
BOSCH Fussplatte | Ersatzteile für GST 55 P | 2601016008
Hersteller: BOSCH
Artikelnummer: EB-0601579012-2601016008
Netto: 14,92 € zzgl. MwSt.
zzgl. 6,90 € Versand (brutto)
einmalig pro Bestellung

Lieferzeit: 5 Werktage

Pos.
42
BOSCH Befestigungsplatte | Ersatzteile für GST 55 P | 2601030006
Hersteller: BOSCH
Artikelnummer: EB-0601579012-2601030006
nur Informationsartikel
Nie mehr lieferbar
keine Alternativen
Pos.
43
BOSCH Zylinderschraube | Ersatzteile für GST 55 P | 2910022122
Hersteller: BOSCH
Artikelnummer: EB-0601579012-2910022122
Netto: 3,95 € zzgl. MwSt.
zzgl. 6,90 € Versand (brutto)
einmalig pro Bestellung

Lieferzeit: 5 Werktage

Pos.
44
BOSCH Platte | Ersatzteile für GST 55 P | 9618083349
Hersteller: BOSCH
Artikelnummer: EB-0601579012-9618083349
nur Informationsartikel
Nie mehr lieferbar
keine Alternativen
Pos.
49
BOSCH Blechschraube DIN 7971-B 3,9x19 | Ersatzteile für GST 55 P | 2910211220
Hersteller: BOSCH
Artikelnummer: EB-0601579012-2910211220
nur Informationsartikel
Nie mehr lieferbar
keine Alternativen
Pos.
50
BOSCH Blechschraube DIN 7971-BZ3,5x13 | Ersatzteile für GST 55 P | 2910211011
Hersteller: BOSCH
Artikelnummer: EB-0601579012-2910211011
Netto: 3,60 € zzgl. MwSt.
zzgl. 6,90 € Versand (brutto)
einmalig pro Bestellung

Lieferzeit: 5 Werktage

Pos.
52
BOSCH Nadelrolle A 3x9,8G2DIN 5402 | Ersatzteile für GST 55 P | 1903201041
Hersteller: BOSCH
Artikelnummer: EB-0601579012-1903201041
nur Informationsartikel
Nie mehr lieferbar
keine Alternativen
Pos.
53
BOSCH Stützplatte | Ersatzteile für GST 55 P | 2602316005
Hersteller: BOSCH
Artikelnummer: EB-0601579012-2602316005
nur Informationsartikel
Nie mehr lieferbar
keine Alternativen
Pos.
54
BOSCH Druckfeder | Ersatzteile für GST 55 P | 2604613000
Hersteller: BOSCH
Artikelnummer: EB-0601579012-2604613000
Netto: 3,94 € zzgl. MwSt.
zzgl. 6,90 € Versand (brutto)
einmalig pro Bestellung

Lieferzeit: 5 Werktage

Pos.
55
BOSCH Führungsstift | Ersatzteile für GST 55 P | 2603120034
Hersteller: BOSCH
Artikelnummer: EB-0601579012-2603120034
nur Informationsartikel
Nie mehr lieferbar
keine Alternativen
Pos.
56
BOSCH Führungsleiste | Ersatzteile für GST 55 P | 2601000034
Hersteller: BOSCH
Artikelnummer: EB-0601579012-2601000034
nur Informationsartikel
Nie mehr lieferbar
keine Alternativen
Pos.
57
BOSCH Zylinderstift | Ersatzteile für GST 55 P | 2609002725
Hersteller: BOSCH
Artikelnummer: EB-0601579012-2609002725
nur Informationsartikel
Nie mehr lieferbar
keine Alternativen
Pos.
58
BOSCH Zylinderstift 4M6x12DIN6325 | Ersatzteile für GST 55 P | 2917530095
Hersteller: BOSCH
Artikelnummer: EB-0601579012-2917530095
nur Informationsartikel
Nie mehr lieferbar
keine Alternativen
Pos.
64
BOSCH Dichtplatte | Ersatzteile für GST 55 P | 2601015009
Hersteller: BOSCH
Artikelnummer: EB-0601579012-2601015009
nur Informationsartikel
Nie mehr lieferbar
keine Alternativen
Pos.
65
BOSCH Befestigungsplatte 0,6 MM | Ersatzteile für GST 55 P | 2601015008
Hersteller: BOSCH
Artikelnummer: EB-0601579012-2601015008
nur Informationsartikel
Nie mehr lieferbar
keine Alternativen
Pos.
66
BOSCH Schaltergriff | Ersatzteile für GST 55 P | 2602026035
Hersteller: BOSCH
Artikelnummer: EB-0601579012-2602026035
nur Informationsartikel
Nie mehr lieferbar
keine Alternativen
Pos.
68
BOSCH Rastkappe | Ersatzteile für GST 55 P | 2600590006
Hersteller: BOSCH
Artikelnummer: EB-0601579012-2600590006
Netto: 3,94 € zzgl. MwSt.
zzgl. 6,90 € Versand (brutto)
einmalig pro Bestellung

Lieferzeit: 5 Werktage

Pos.
69
BOSCH Ausgleichscheibe 0,3 MM | Ersatzteile für GST 55 P | 2600100607
Hersteller: BOSCH
Artikelnummer: EB-0601579012-2600100607
Netto: 3,94 € zzgl. MwSt.
zzgl. 6,90 € Versand (brutto)
einmalig pro Bestellung

Lieferzeit: 5 Werktage

Pos.
69
BOSCH Ausgleichscheibe 0,5 MM | Ersatzteile für GST 55 P | 2600100568
Hersteller: BOSCH
Artikelnummer: EB-0601579012-2600100568
Netto: 3,94 € zzgl. MwSt.
zzgl. 6,90 € Versand (brutto)
einmalig pro Bestellung

Lieferzeit: 5 Werktage

Pos.
77
BOSCH Stützplatte | Ersatzteile für GST 55 P | 2601098006
Hersteller: BOSCH
Artikelnummer: EB-0601579012-2601098006
nur Informationsartikel
Nie mehr lieferbar
keine Alternativen
Pos.
78
BOSCH Torx-Linsenschraube 3x10 | Ersatzteile für GST 55 P | 2603490017
Hersteller: BOSCH
Artikelnummer: EB-0601579012-2603490017
Netto: 4,36 € zzgl. MwSt.
zzgl. 6,90 € Versand (brutto)
einmalig pro Bestellung

Lieferzeit: 5 Werktage

Pos.
801
BOSCH Motorgehäuse | Ersatzteile für GST 55 P | 9618083996
Hersteller: BOSCH
Artikelnummer: EB-0601579012-9618083996
nur Informationsartikel
Nie mehr lieferbar
keine Alternativen
Pos.
802
BOSCH Führungsbuchse | Ersatzteile für GST 55 P | 9618085704
Hersteller: BOSCH
Artikelnummer: EB-0601579012-9618085704
nur Informationsartikel
Nie mehr lieferbar
keine Alternativen
Pos.
803
BOSCH Zylinderrolle | Ersatzteile für GST 55 P | 9618085703
Hersteller: BOSCH
Artikelnummer: EB-0601579012-9618085703
nur Informationsartikel
Nie mehr lieferbar
keine Alternativen
Pos.
804
BOSCH Lagerbrücke | Ersatzteile für GST 55 P | 2605807906
Hersteller: BOSCH
Artikelnummer: EB-0601579012-2605807906
nur Informationsartikel
Nie mehr lieferbar
keine Alternativen
Pos.
805
BOSCH Rollenhebel | Ersatzteile für GST 55 P | 2601321900
Hersteller: BOSCH
Artikelnummer: EB-0601579012-2601321900
nur Informationsartikel
Nie mehr lieferbar
keine Alternativen
Pos.
806
BOSCH Rollenhebel | Ersatzteile für GST 55 P | 2601321901
Hersteller: BOSCH
Artikelnummer: EB-0601579012-2601321901
nur Informationsartikel
Nie mehr lieferbar
keine Alternativen
Pos.
807
BOSCH Stützplatte | Ersatzteile für GST 55 P | 2602316900
Hersteller: BOSCH
Artikelnummer: EB-0601579012-2602316900
nur Informationsartikel
Nie mehr lieferbar
keine Alternativen
Pos.
810
BOSCH Kohlebürste | Ersatzteile für GST 55 P | 1607014117
Hersteller: BOSCH
Artikelnummer: EB-0601579012-1607014117
nur Informationsartikel
Nie mehr lieferbar
keine Alternativen
Pos.
811
BOSCH Bürstenhalter | Ersatzteile für GST 55 P | 9618086121
Hersteller: BOSCH
Artikelnummer: EB-0601579012-9618086121
nur Informationsartikel
Nie mehr lieferbar
keine Alternativen
Pos.
812
BOSCH Elektr Leitung | Ersatzteile für GST 55 P | 9618082158
Hersteller: BOSCH
Artikelnummer: EB-0601579012-9618082158
nur Informationsartikel
Nie mehr lieferbar
keine Alternativen
Pos.
813
BOSCH Rollenhebel | Ersatzteile für GST 55 P | 2601321007
Hersteller: BOSCH
Artikelnummer: EB-0601579012-2601321007
nur Informationsartikel
Nie mehr lieferbar
keine Alternativen
Pos.
814
BOSCH Hubstange | Ersatzteile für GST 55 P | 2600780038
Hersteller: BOSCH
Artikelnummer: EB-0601579012-2600780038
nur Informationsartikel
Nie mehr lieferbar
keine Alternativen
Pos.
815
BOSCH Nadelhülse | Ersatzteile für GST 55 P | 2600917900
Hersteller: BOSCH
Artikelnummer: EB-0601579012-2600917900
nur Informationsartikel
Nie mehr lieferbar
keine Alternativen

Angaben zur Produktsicherheit

Hersteller:
Robert Bosch Power Tools GmbH
Postfach 30 02 20
70442 Stuttgart

E-Mail:
kontakt@bosch.de