BOSCH Kohlebürstensatz | Ersatzteile für GST 65 BE | 2604321904

Artikelnummer: EB-3601B81767-2604321904

Position: 810

Marke: BOSCH


Bitte Kompatibilität prüfen!

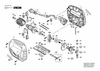
Bitte prüfen Sie unbedingt die 10-stellige Typennummer Ihrer Maschine / Ihres Gerätes. Das Ersatzteil ist nur kompatibel, wenn Sie die Typennummer Ihrer Maschine in der unten stehenden Produktbeschreibung finden.

Bitte prüfen Sie ebenfalls detailliert die Explosionszeichnung mit Ihrem Artikelwunsch und der jeweiligen Pos-Nummer.

Alle Elemente, welche vom schwarzen Strich der Pos-Nummer ausgehend berührt / erfasst werden, gehören zu dieser Pos-Nummer und somit zu diesem Artikel. Jede Pos-Nummer ist ein eigenständiger Artikel, welchen Sie in der Auflistung finden.

Sie erhalten stets die aktuellste, neueste Produktversion zu der gewählten Pos-Nummer seitens des Herstellers. Es kann daher je nach Gerätealter vorkommen, dass Sie ggf. weitere, zugehörige Elemente, welche an diese Pos-Nummer grenzen, ebenfalls mittauschen müssen.

Nähere Informationen finden Sie unter dem Link
Hinweise zu Ihrer BOSCH Ersatzteilsuche

Preisübersicht

Einzelpreis: 9,18 €* (Brutto: 10,92 €)
Gesamtpreis: 9,18 €* 
Position:

Lieferzeit: 5 Werktage


Beschreibung

  • Kohlebürstensatz
  • Original Bosch Zubehör / BOSCH Ersatzteil (2604321904)
  • im Gerät verbaut: 1
Dieses BOSCH Ersatzteil ist mit folgendem Gerät und Modell kompatibel:
  • BOSCH Gerätename: GST 65 BE
  • BOSCH Explosionszeichnung: Position 810
  • BOSCH Typennummer: 3601B81767
  • BOSCH Typennummer alternative Schreibweisen: 3 601 B81 767, 3601 B81 767, 3.601.B81.767, 3-601-B81-767
    Bitte prüfen Sie diese Typennummer auf Ihrem Gerät um die Kompatibilität des BOSCH Ersatzteils zu gewährleisten.
Weitere BOSCH Ersatzteile des Gerätes GST 65 BE (Stichsäge) mit der Typennummer 3601B81767 finden Sie in der nachfolgenden Darstellung und im Dropdown zu Ihrer Auswahl:

Pos.
1
BOSCH Motorgehäuse | Ersatzteile für GST 65 BE | 1619P10206
Hersteller: BOSCH
Artikelnummer: EB-3601B81767-1619P10206
Netto: 17,38 € zzgl. MwSt.
zzgl. 6,90 € Versand (brutto)
einmalig pro Bestellung

Lieferzeit: 5 Werktage

Pos.
3/60
BOSCH Lüfter | Ersatzteile für GST 65 BE | 2606610022
Hersteller: BOSCH
Artikelnummer: EB-3601B81767-2606610022
Netto: 4,82 € zzgl. MwSt.
zzgl. 6,90 € Versand (brutto)
einmalig pro Bestellung

Lieferzeit: 5 Werktage

Pos.
2
BOSCH Polschuh 220V | Ersatzteile für GST 65 BE | 1619P01960
Hersteller: BOSCH
Artikelnummer: EB-3601B81767-1619P01960
Netto: 17,38 € zzgl. MwSt.
zzgl. 6,90 € Versand (brutto)
einmalig pro Bestellung

Lieferzeit: 5 Werktage

Pos.
3
BOSCH Anker 220V | Ersatzteile für GST 65 BE | 1619P01957
Hersteller: BOSCH
Artikelnummer: EB-3601B81767-1619P01957
Netto: 39,11 € zzgl. MwSt.
zzgl. 6,90 € Versand (brutto)
einmalig pro Bestellung

Lieferzeit: 5 Werktage

Pos.
4
BOSCH Schalter | Ersatzteile für GST 65 BE | 2607200678
Hersteller: BOSCH
Artikelnummer: EB-3601B81767-2607200678
Netto: 14,36 € zzgl. MwSt.
zzgl. 6,90 € Versand (brutto)
einmalig pro Bestellung

Lieferzeit: 5 Werktage

Pos.
5
BOSCH Netzanschlussleitung I/BR 2,65m 2 x 1,0mm H05 VV-F | Ersatzteile für GST 65 BE | 2604460277
Hersteller: BOSCH
Artikelnummer: EB-3601B81767-2604460277
Netto: 10,62 € zzgl. MwSt.
zzgl. 6,90 € Versand (brutto)
einmalig pro Bestellung

Lieferzeit: 5 Werktage

Pos.
6
BOSCH Tülle Ø7,3-Ø8,6x76 MM | Ersatzteile für GST 65 BE | 2600703018
Hersteller: BOSCH
Artikelnummer: EB-3601B81767-2600703018
nur Informationsartikel
Nie mehr lieferbar
keine Alternativen
Pos.
7
BOSCH Leitungshalter | Ersatzteile für GST 65 BE | 1611035005
Hersteller: BOSCH
Artikelnummer: EB-3601B81767-1611035005
nur Informationsartikel
Nie mehr lieferbar
keine Alternativen
Pos.
9
BOSCH Firmenschild GST 65 BE | Ersatzteile für GST 65 BE | 1619P02562
Hersteller: BOSCH
Artikelnummer: EB-3601B81767-1619P02562
nur Informationsartikel
Nie mehr lieferbar
keine Alternativen
Pos.
13
BOSCH Nadelhülse | Ersatzteile für GST 65 BE | 1619P07628
Hersteller: BOSCH
Artikelnummer: EB-3601B81767-1619P07628
Netto: 4,53 € zzgl. MwSt.
zzgl. 6,90 € Versand (brutto)
einmalig pro Bestellung

Lieferzeit: 5 Werktage

Pos.
14
BOSCH Rillenkugellager 9x24x7 | Ersatzteile für GST 65 BE | 2600905021
Hersteller: BOSCH
Artikelnummer: EB-3601B81767-2600905021
Netto: 8,33 € zzgl. MwSt.
zzgl. 6,90 € Versand (brutto)
einmalig pro Bestellung

Lieferzeit: 5 Werktage

Pos.
16
BOSCH Bürstenhalter | Ersatzteile für GST 65 BE | 1604449002
Hersteller: BOSCH
Artikelnummer: EB-3601B81767-1604449002
Netto: 3,94 € zzgl. MwSt.
zzgl. 6,90 € Versand (brutto)
einmalig pro Bestellung

Lieferzeit: 5 Werktage

Pos.
19
BOSCH Blechschraube DIN 7981-ST3,9x16-C-H | Ersatzteile für GST 65 BE | 2910611019
Hersteller: BOSCH
Artikelnummer: EB-3601B81767-2910611019
nur Informationsartikel
Nie mehr lieferbar
keine Alternativen
Pos.
27
BOSCH Federscheibe | Ersatzteile für GST 65 BE | 1619P01395
Hersteller: BOSCH
Artikelnummer: EB-3601B81767-1619P01395
Netto: 3,63 € zzgl. MwSt.
zzgl. 6,90 € Versand (brutto)
einmalig pro Bestellung

Lieferzeit: 5 Werktage

Pos.
28
BOSCH Ausgleichscheibe | Ersatzteile für GST 65 BE | 1619P01396
Hersteller: BOSCH
Artikelnummer: EB-3601B81767-1619P01397
Netto: 3,63 € zzgl. MwSt.
zzgl. 6,90 € Versand (brutto)
einmalig pro Bestellung

Lieferzeit: 5 Werktage

Pos.
29
BOSCH Gegengewicht | Ersatzteile für GST 65 BE | 1619P02421
Hersteller: BOSCH
Artikelnummer: EB-3601B81767-1619P02421
Netto: 8,33 € zzgl. MwSt.
zzgl. 6,90 € Versand (brutto)
einmalig pro Bestellung

Lieferzeit: 5 Werktage

Pos.
30
BOSCH Ausgleichscheibe Ø 18,3 MM | Ersatzteile für GST 65 BE | 2600101673
Hersteller: BOSCH
Artikelnummer: EB-3601B81767-2600101673
Netto: 3,94 € zzgl. MwSt.
zzgl. 6,90 € Versand (brutto)
einmalig pro Bestellung

Lieferzeit: 5 Werktage

Pos.
31
BOSCH Exzenterzahnrad | Ersatzteile für GST 65 BE | 1619P09533
Hersteller: BOSCH
Artikelnummer: EB-3601B81767-1619P09533
Netto: 24,13 € zzgl. MwSt.
zzgl. 6,90 € Versand (brutto)
einmalig pro Bestellung

Lieferzeit: 5 Werktage

Pos.
34
BOSCH Lagerbolzen | Ersatzteile für GST 65 BE | 2603201020
Hersteller: BOSCH
Artikelnummer: EB-3601B81767-2603201020
nur Informationsartikel
Nie mehr lieferbar
keine Alternativen
Pos.
35
BOSCH Stützscheibe | Ersatzteile für GST 65 BE | 2600103013
Hersteller: BOSCH
Artikelnummer: EB-3601B81767-2600103013
nur Informationsartikel
Nie mehr lieferbar
keine Alternativen
Pos.
36
BOSCH Führungshülse | Ersatzteile für GST 65 BE | 2600400024
Hersteller: BOSCH
Artikelnummer: EB-3601B81767-2600400024
Netto: 4,82 € zzgl. MwSt.
zzgl. 6,90 € Versand (brutto)
einmalig pro Bestellung

Lieferzeit: 5 Werktage

Pos.
37
BOSCH Ausgleichscheibe Ø 13 MM | Ersatzteile für GST 65 BE | 1619P02783
Hersteller: BOSCH
Artikelnummer: EB-3601B81767-1619P02783
Netto: 3,63 € zzgl. MwSt.
zzgl. 6,90 € Versand (brutto)
einmalig pro Bestellung

Lieferzeit: 5 Werktage

Pos.
39
BOSCH Haltefeder | Ersatzteile für GST 65 BE | 1619P09928
Hersteller: BOSCH
Artikelnummer: EB-3601B81767-1619P09928
nur Informationsartikel
Nie mehr lieferbar
keine Alternativen
Pos.
40
BOSCH Hubstange | Ersatzteile für GST 65 BE | 1619P12589
Hersteller: BOSCH
Artikelnummer: EB-3601B81767-1619P12589
Netto: 19,18 € zzgl. MwSt.
zzgl. 6,90 € Versand (brutto)
einmalig pro Bestellung

Lieferzeit: 5 Werktage

Pos.
41
BOSCH Klemmschraube | Ersatzteile für GST 65 BE | 2603400000
Hersteller: BOSCH
Artikelnummer: EB-3601B81767-2603400000
Netto: 5,67 € zzgl. MwSt.
zzgl. 6,90 € Versand (brutto)
einmalig pro Bestellung

Lieferzeit: 5 Werktage

Pos.
42
BOSCH Sinterbuchse | Ersatzteile für GST 65 BE | 2600301049
Hersteller: BOSCH
Artikelnummer: EB-3601B81767-2600301049
nur Informationsartikel
Nie mehr lieferbar
keine Alternativen
Pos.
43
BOSCH Schmierfilz | Ersatzteile für GST 65 BE | 2601020007
Hersteller: BOSCH
Artikelnummer: EB-3601B81767-2601020007
Netto: 3,94 € zzgl. MwSt.
zzgl. 6,90 € Versand (brutto)
einmalig pro Bestellung

Lieferzeit: 5 Werktage

Pos.
44
BOSCH Befestigungsplatte | Ersatzteile für GST 65 BE | 2601030006
Hersteller: BOSCH
Artikelnummer: EB-3601B81767-2601030006
nur Informationsartikel
Nie mehr lieferbar
keine Alternativen
Pos.
45
BOSCH Zylinderschraube DIN 84-AM4x16-8.8 | Ersatzteile für GST 65 BE | 2910021126
Hersteller: BOSCH
Artikelnummer: EB-3601B81767-2910021126
Netto: 3,63 € zzgl. MwSt.
zzgl. 6,90 € Versand (brutto)
einmalig pro Bestellung

Lieferzeit: 5 Werktage

Pos.
46
BOSCH Fussplatte | Ersatzteile für GST 65 BE | 2601016012
Hersteller: BOSCH
Artikelnummer: EB-3601B81767-2601016012
Netto: 8,33 € zzgl. MwSt.
zzgl. 6,90 € Versand (brutto)
einmalig pro Bestellung

Lieferzeit: 5 Werktage

Pos.
51
BOSCH Profilleiste | Ersatzteile für GST 65 BE | 2601032017
Hersteller: BOSCH
Artikelnummer: EB-3601B81767-2601032017
Netto: 3,94 € zzgl. MwSt.
zzgl. 6,90 € Versand (brutto)
einmalig pro Bestellung

Lieferzeit: 5 Werktage

Pos.
54
BOSCH Verbindungsleitung | Ersatzteile für GST 65 BE | 2604448150
Hersteller: BOSCH
Artikelnummer: EB-3601B81767-2604448150
nur Informationsartikel
Nie mehr lieferbar
keine Alternativen
Pos.
55
BOSCH Blechschraube DIN 7981-ST3,9x19-C-H | Ersatzteile für GST 65 BE | 2910611020
Hersteller: BOSCH
Artikelnummer: EB-3601B81767-2910611020
Netto: 3,94 € zzgl. MwSt.
zzgl. 6,90 € Versand (brutto)
einmalig pro Bestellung

Lieferzeit: 5 Werktage

Pos.
56
BOSCH Blechschraube DIN 7981-ST3,9x13-C-H | Ersatzteile für GST 65 BE | 2910611018
Hersteller: BOSCH
Artikelnummer: EB-3601B81767-2910611018
nur Informationsartikel
Nie mehr lieferbar
keine Alternativen
Pos.
57
BOSCH Druckfeder | Ersatzteile für GST 65 BE | 2604610009
Hersteller: BOSCH
Artikelnummer: EB-3601B81767-2604610009
nur Informationsartikel
Nie mehr lieferbar
keine Alternativen
Pos.
58
BOSCH Elektr Leitung L=249 MM BLAU | Ersatzteile für GST 65 BE | 2604448057
Hersteller: BOSCH
Artikelnummer: EB-3601B81767-2604448057
nur Informationsartikel
Nie mehr lieferbar
keine Alternativen
Pos.
80
BOSCH Rastbolzen | Ersatzteile für GST 65 BE | 2603120019
Hersteller: BOSCH
Artikelnummer: EB-3601B81767-2603120019
Netto: 3,94 € zzgl. MwSt.
zzgl. 6,90 € Versand (brutto)
einmalig pro Bestellung

Lieferzeit: 5 Werktage

Pos.
83
BOSCH Sicherungsstift | Ersatzteile für GST 65 BE | 2603105052
Hersteller: BOSCH
Artikelnummer: EB-3601B81767-2603105052
Netto: 4,53 € zzgl. MwSt.
zzgl. 6,90 € Versand (brutto)
einmalig pro Bestellung

Lieferzeit: 5 Werktage

Pos.
84
BOSCH Nadelkranz | Ersatzteile für GST 65 BE | 1619P01392
Hersteller: BOSCH
Artikelnummer: EB-3601B81767-1619P01392
Netto: 4,82 € zzgl. MwSt.
zzgl. 6,90 € Versand (brutto)
einmalig pro Bestellung

Lieferzeit: 5 Werktage

Pos.
85
BOSCH Sicherungsring | Ersatzteile für GST 65 BE | 1619P01389
Hersteller: BOSCH
Artikelnummer: EB-3601B81767-1619P01389
Netto: 3,63 € zzgl. MwSt.
zzgl. 6,90 € Versand (brutto)
einmalig pro Bestellung

Lieferzeit: 5 Werktage

Pos.
180
BOSCH Einklebeblatt GUTHEISSUNG | Ersatzteile für GST 65 BE | 1619P02378
Hersteller: BOSCH
Artikelnummer: EB-3601B81767-1619P02378
nur Informationsartikel
Nie mehr lieferbar
keine Alternativen
Pos.
808
BOSCH Typschild | Ersatzteile für GST 65 BE | 1619P09027
Hersteller: BOSCH
Artikelnummer: EB-3601B81767-1619P09027
nur Informationsartikel
Nie mehr lieferbar
keine Alternativen
Pos.
810
BOSCH Kohlebürstensatz | Ersatzteile für GST 65 BE | 2604321904
Hersteller: BOSCH
Artikelnummer: EB-3601B81767-2604321904
Netto: 9,18 € zzgl. MwSt.
zzgl. 6,90 € Versand (brutto)
einmalig pro Bestellung

Lieferzeit: 5 Werktage

Pos.
825
BOSCH Lagerbrücke | Ersatzteile für GST 65 BE | 1619P02422
Hersteller: BOSCH
Artikelnummer: EB-3601B81767-1619P02422
Netto: 11,92 € zzgl. MwSt.
zzgl. 6,90 € Versand (brutto)
einmalig pro Bestellung

Lieferzeit: 5 Werktage

Pos.
832
BOSCH Nadelhülse | Ersatzteile für GST 65 BE | 2600917904
Hersteller: BOSCH
Artikelnummer: EB-3601B81767-2600917904
Netto: 7,76 € zzgl. MwSt.
zzgl. 6,90 € Versand (brutto)
einmalig pro Bestellung

Lieferzeit: 5 Werktage

Pos.
833
BOSCH Kombi-Schraube DIN7985-M4x18Z1-4.8 | Ersatzteile für GST 65 BE | 2914500009
Hersteller: BOSCH
Artikelnummer: EB-3601B81767-2914500009
nur Informationsartikel
Nie mehr lieferbar
keine Alternativen
Pos.
847
BOSCH Haltebügel | Ersatzteile für GST 65 BE | 2608135901
Hersteller: BOSCH
Artikelnummer: EB-3601B81767-2608135901
Netto: 9,95 € zzgl. MwSt.
zzgl. 6,90 € Versand (brutto)
einmalig pro Bestellung

Lieferzeit: 5 Werktage

Angaben zur Produktsicherheit

Hersteller:
Robert Bosch Power Tools GmbH
Postfach 30 02 20
70442 Stuttgart

E-Mail:
kontakt@bosch.de